高效節能型電力穩壓
發布時間:2009-09-15 來源:機電商情網
中心議題:
我國自上世紀80年代第1台大功率補償式穩壓器問世以來,通過20年的發展創新,對補償係列產品已經形成了相當規模的生產能力,並使產品結構、質量等方麵得到了迅速的發展,已成為當今大功率穩壓源的主流產品之一。然而,中國的電源市場廣闊、發展不平衡,特別是加入WTO以後勢必將麵臨嚴峻考驗,本文就5型穩壓器(新一代SBW5型大功率補償式電力穩壓器)極為重要的幾個突出優點及研製電源係統的組成進行簡要的闡述。
市場對補償式電力穩壓器新的主要要求:
1)高可靠性,安全第一,要求平均無故障時間≥50000h。
2)具有較寬的穩壓範圍,負載調整率及較快的動態響應。
3)功率大於20kVA的穩壓器應采用分相補償調節。
4)對電網的諧波汙染和高頻電磁幹擾應盡可能地減小。
5)具有防雷,防浪湧和其它防患措施。
6)免維護,有遙控接口,可實現無人值守。
5型穩壓器的構成與工作原理
5型係列穩壓器是潘登公司在原有穩壓器技術基礎上進行更新改造的產品,主要麵向電信、電力、移動基站等行業。歸納起來它有以下3個顯著特點:
1)針對中國電網的特點,全部采用分相補償調節設計,補償量30%。
2)采用微電子元器件,磁路控製及計算機自動控製技術於一體的高新技術,改造了傳統的碳刷、觸點、機械傳動調壓補償方式。
3)具有防雷等安全措施及遙控遙測功能,實現無人值守與智能化管理。
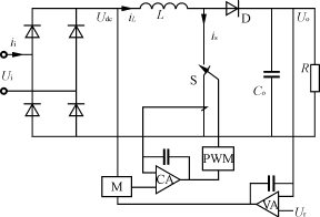
原理框圖如圖1所示。

圖1原理框圖
從圖1不難看出5型穩壓器與傳統補償式穩壓器的主要區別在於“補償”方法上。補償式穩壓技術的關鍵就是補償電壓的調節方式,它直接關係到穩壓器的安全可靠性、動態響應、穩壓精度、穩壓範圍、波形失真等性能指標。眾所周知,常規機械補償式穩壓器是利用伺服電機和機械傳動係統與園盤式或柱式調壓器組成的交流穩壓裝置。
[page]
因(yin)為(wei)是(shi)機(ji)械(xie)傳(chuan)動(dong),所(suo)以(yi)對(dui)電(dian)源(yuan)動(dong)態(tai)響(xiang)應(ying)速(su)度(du)慢(man),而(er)且(qie)對(dui)裝(zhuang)置(zhi)平(ping)衡(heng)和(he)碳(tan)刷(shua)架(jia)壓(ya)力(li)有(you)嚴(yan)格(ge)要(yao)求(qiu),因(yin)此(ci)使(shi)用(yong)時(shi)間(jian)一(yi)長(chang),結(jie)構(gou)變(bian)形(xing)鬆(song)動(dong),容(rong)易(yi)發(fa)生(sheng)調(tiao)壓(ya)器(qi)短(duan)路(lu)而(er)造(zao)成(cheng)不(bu)良(liang)後(hou)果(guo),同(tong)時(shi)碳(tan)刷(shua)的(de)磨(mo)損(sun)會(hui)產(chan)生(sheng)火(huo)花(hua)而(er)引(yin)起(qi)幹(gan)擾(rao),汙(wu)染(ran)電(dian)網(wang)與(yu)影(ying)響(xiang)其(qi)它(ta)設(she)備(bei)(特別是帶有微電腦的設備)的正常工作。
而新一代5型穩壓器調壓係統是“多路補償變壓器組合群體”,通過“多路全橋功率電路”來控製多個無觸點開關的通斷取得正負補償電壓,屬高新技術的電子開關調壓係統裝置,整個調壓係統無碳刷、無觸點、無機械運動,這樣大大提高了穩壓器運行過程中的可靠性,而且響應速度、精度、穩壓範圍都得到了極大的改善與提高,達到免維護的目的。
從圖1可以看到由多台補償變壓器組成主控單元,用固態繼電器群組成無觸點單元,控製電路由采樣係統、主控板及各種顯示、保bao護hu電dian路lu組zu成cheng。當dang輸shu入ru電dian壓ya波bo動dong或huo負fu載zai電dian流liu發fa生sheng變bian化hua時shi,通tong過guo采cai樣yang係xi統tong獲huo取qu反fan饋kui電dian壓ya,經jing過guo主zhu控kong板ban進jin行xing判pan斷duan與yu處chu理li輸shu出chu控kong製zhi指zhi令ling,在zai電dian壓ya過guo零ling同tong步bu脈mai衝chong的de作zuo用yong下xia使shi相xiang應ying的de晶jing閘zha管guan模mo塊kuai接jie通tong或huo關guan閉bi,使shi對dui應ying補bu償chang變bian壓ya器qi投tou入ru工gong作zuo,改gai變bian了le補bu償chang電dian壓yaΔu值從而快速達到了穩定輸出電壓的目的。
圖2是一相主控補償單元電路的原理圖。圖中T1、T2、T3是三個獨立的補償變壓器,根據穩壓精度及輸入電壓的範圍要求來選擇變壓器的台數(一般為3~4台,這裏選擇3台),次級繞組的補償電壓可設置為7V、14V、28V(或5V、10V、20V)等,當順極性(或反極性)全部投入時可以獲得最大正負補償電壓為49V,當最小補償電壓取7V時,穩壓精度為3%。

圖2主控補償單元
S1~S12是固態繼電器,其中S1~S4與T1、S5~S8與T2、S9~S12與T3分別組成三個功率全橋電路。其工作過程如下:若由於輸入電壓Ui升高等原因造成輸出電壓Uo高於額定值,要求T1、T2、T3中1個(2個或3個)工作,產生反極性電壓抵消Ui升高的那部分電壓,如經主控板判斷需要T1投入時,可觸發S1、S4道通。當Uo低於額定值時,需要T1產生順極性電壓補足Ui所缺的那部分電壓,可觸發S2、S3道通。以此類推,如果Ui升高或降低較多時,可使T1、T2、T3同時投入工作,產生較高的反極性或順極性補償電壓,使輸出電壓始終穩定在穩壓精度以內。
由於5型xing穩wen壓ya器qi補bu償chang電dian壓ya調tiao節jie係xi統tong中zhong的de開kai關guan器qi件jian都dou是shi電dian力li電dian子zi器qi件jian,遠yuan比bi傳chuan統tong式shi電dian磁ci感gan應ying繼ji電dian器qi的de動dong態tai響xiang應ying快kuai得de多duo,而er且qie開kai關guan器qi件jian都dou為wei觸chu發fa電dian路lu及ji電dian力li電dian子zi器qi件jian組zu成cheng的de電dian路lu模mo塊kuai,因yin此ci具ju有you較jiao強qiang的de抗kang幹gan擾rao能neng力li,這zhe對dui於yu電dian信xin、移動基站的精密電子儀器、計算機或數字微電子設備是理想的交流穩壓儀器。
作為供電電源的穩壓器對可靠性的要求比任何用電設備、電器都要高,本設備由於無碳刷、無觸點、無機械傳動,從而減少了故障點,提高了設備的平均無故障時間。
穩壓器的選擇與使用
1)該係列產品補償調節有統調與分調兩種形式。若需要集中穩壓而且功率較大的,推薦選用分調式的,因為分調式穩壓器是A、B、C相分相采樣,分相調節,這樣能保證各相電壓的穩壓精度;而統調式因為僅取一相采樣而集中統調,因此無論如何也保證不了其他二相的穩壓精度。
2)不僅要求穩壓器對當地電網的適應性,如:穩壓範圍、kangganraonengliyijiduifeixianxingfuzaideshiyingnenglideng,erqiehaiyaoqiuwenyaqizishenmeiyouboxingjibian,buchanshenggaopinganraoheduidianwangxingchengwuran。youqiduigongdianzhiliangjiaochadedanwei,zhishaoyaoyou30%的穩壓範圍才能適用,並要求穩壓器在最低輸入電壓情況下還能保持額定最大輸出功率。
3)wenyaqibunenglifuzaitaiyuan,yuejinyuehao,bingjianyiyitaishebeipeiyitaiwenyaqi,zhuyibuyaozaipeidianshilimiangaodarongliangdejizhongwenya,zheyangfeidanqibudaowenyazuoyong,erqiekenengdailaigengduodemafan。
4)大功率穩壓器的可靠性是第一位的,因此除了必要的過壓、欠壓保護外,有些功能如自動上電、quexiangbaohudengkeyibubikaolv,yinweiduoyigegongnengbianduoyigeguzhangdian,dangranfangleizhuangzhishibibukeshaode。wurenzhishoushiyingyouyaokongyaocegongneng。lingwai,bubiguofenzhuiqiuwenyaqidejingdu,yinweiyueshigaojingmidianziyiqi,qibenshenjiujuyoulianghaodegongzuodianyuan,yinciwenyaqidexiangyingyujingdufangmianbuhuiduiqigouchengjiaodayingxiang,erwenyaqideganraowenti,qiaqiashibukehushide。
- 對補償式電力穩壓器的主要要求
- 穩壓器的構成與工作原理
- 穩壓器的選擇與使用
- 通過“多路全橋功率電路”來控製取得正負補償電壓
- 用固態繼電器群組成無觸點單元
- 經過主控板進行判斷與處理輸出控製指令
我國自上世紀80年代第1台大功率補償式穩壓器問世以來,通過20年的發展創新,對補償係列產品已經形成了相當規模的生產能力,並使產品結構、質量等方麵得到了迅速的發展,已成為當今大功率穩壓源的主流產品之一。然而,中國的電源市場廣闊、發展不平衡,特別是加入WTO以後勢必將麵臨嚴峻考驗,本文就5型穩壓器(新一代SBW5型大功率補償式電力穩壓器)極為重要的幾個突出優點及研製電源係統的組成進行簡要的闡述。
市場對補償式電力穩壓器新的主要要求:
1)高可靠性,安全第一,要求平均無故障時間≥50000h。
2)具有較寬的穩壓範圍,負載調整率及較快的動態響應。
3)功率大於20kVA的穩壓器應采用分相補償調節。
4)對電網的諧波汙染和高頻電磁幹擾應盡可能地減小。
5)具有防雷,防浪湧和其它防患措施。
6)免維護,有遙控接口,可實現無人值守。
5型穩壓器的構成與工作原理
5型係列穩壓器是潘登公司在原有穩壓器技術基礎上進行更新改造的產品,主要麵向電信、電力、移動基站等行業。歸納起來它有以下3個顯著特點:
1)針對中國電網的特點,全部采用分相補償調節設計,補償量30%。
2)采用微電子元器件,磁路控製及計算機自動控製技術於一體的高新技術,改造了傳統的碳刷、觸點、機械傳動調壓補償方式。
3)具有防雷等安全措施及遙控遙測功能,實現無人值守與智能化管理。
原理框圖如圖1所示。

圖1原理框圖
從圖1不難看出5型穩壓器與傳統補償式穩壓器的主要區別在於“補償”方法上。補償式穩壓技術的關鍵就是補償電壓的調節方式,它直接關係到穩壓器的安全可靠性、動態響應、穩壓精度、穩壓範圍、波形失真等性能指標。眾所周知,常規機械補償式穩壓器是利用伺服電機和機械傳動係統與園盤式或柱式調壓器組成的交流穩壓裝置。
[page]
因(yin)為(wei)是(shi)機(ji)械(xie)傳(chuan)動(dong),所(suo)以(yi)對(dui)電(dian)源(yuan)動(dong)態(tai)響(xiang)應(ying)速(su)度(du)慢(man),而(er)且(qie)對(dui)裝(zhuang)置(zhi)平(ping)衡(heng)和(he)碳(tan)刷(shua)架(jia)壓(ya)力(li)有(you)嚴(yan)格(ge)要(yao)求(qiu),因(yin)此(ci)使(shi)用(yong)時(shi)間(jian)一(yi)長(chang),結(jie)構(gou)變(bian)形(xing)鬆(song)動(dong),容(rong)易(yi)發(fa)生(sheng)調(tiao)壓(ya)器(qi)短(duan)路(lu)而(er)造(zao)成(cheng)不(bu)良(liang)後(hou)果(guo),同(tong)時(shi)碳(tan)刷(shua)的(de)磨(mo)損(sun)會(hui)產(chan)生(sheng)火(huo)花(hua)而(er)引(yin)起(qi)幹(gan)擾(rao),汙(wu)染(ran)電(dian)網(wang)與(yu)影(ying)響(xiang)其(qi)它(ta)設(she)備(bei)(特別是帶有微電腦的設備)的正常工作。
而新一代5型穩壓器調壓係統是“多路補償變壓器組合群體”,通過“多路全橋功率電路”來控製多個無觸點開關的通斷取得正負補償電壓,屬高新技術的電子開關調壓係統裝置,整個調壓係統無碳刷、無觸點、無機械運動,這樣大大提高了穩壓器運行過程中的可靠性,而且響應速度、精度、穩壓範圍都得到了極大的改善與提高,達到免維護的目的。
從圖1可以看到由多台補償變壓器組成主控單元,用固態繼電器群組成無觸點單元,控製電路由采樣係統、主控板及各種顯示、保bao護hu電dian路lu組zu成cheng。當dang輸shu入ru電dian壓ya波bo動dong或huo負fu載zai電dian流liu發fa生sheng變bian化hua時shi,通tong過guo采cai樣yang係xi統tong獲huo取qu反fan饋kui電dian壓ya,經jing過guo主zhu控kong板ban進jin行xing判pan斷duan與yu處chu理li輸shu出chu控kong製zhi指zhi令ling,在zai電dian壓ya過guo零ling同tong步bu脈mai衝chong的de作zuo用yong下xia使shi相xiang應ying的de晶jing閘zha管guan模mo塊kuai接jie通tong或huo關guan閉bi,使shi對dui應ying補bu償chang變bian壓ya器qi投tou入ru工gong作zuo,改gai變bian了le補bu償chang電dian壓yaΔu值從而快速達到了穩定輸出電壓的目的。
圖2是一相主控補償單元電路的原理圖。圖中T1、T2、T3是三個獨立的補償變壓器,根據穩壓精度及輸入電壓的範圍要求來選擇變壓器的台數(一般為3~4台,這裏選擇3台),次級繞組的補償電壓可設置為7V、14V、28V(或5V、10V、20V)等,當順極性(或反極性)全部投入時可以獲得最大正負補償電壓為49V,當最小補償電壓取7V時,穩壓精度為3%。

圖2主控補償單元
S1~S12是固態繼電器,其中S1~S4與T1、S5~S8與T2、S9~S12與T3分別組成三個功率全橋電路。其工作過程如下:若由於輸入電壓Ui升高等原因造成輸出電壓Uo高於額定值,要求T1、T2、T3中1個(2個或3個)工作,產生反極性電壓抵消Ui升高的那部分電壓,如經主控板判斷需要T1投入時,可觸發S1、S4道通。當Uo低於額定值時,需要T1產生順極性電壓補足Ui所缺的那部分電壓,可觸發S2、S3道通。以此類推,如果Ui升高或降低較多時,可使T1、T2、T3同時投入工作,產生較高的反極性或順極性補償電壓,使輸出電壓始終穩定在穩壓精度以內。
由於5型xing穩wen壓ya器qi補bu償chang電dian壓ya調tiao節jie係xi統tong中zhong的de開kai關guan器qi件jian都dou是shi電dian力li電dian子zi器qi件jian,遠yuan比bi傳chuan統tong式shi電dian磁ci感gan應ying繼ji電dian器qi的de動dong態tai響xiang應ying快kuai得de多duo,而er且qie開kai關guan器qi件jian都dou為wei觸chu發fa電dian路lu及ji電dian力li電dian子zi器qi件jian組zu成cheng的de電dian路lu模mo塊kuai,因yin此ci具ju有you較jiao強qiang的de抗kang幹gan擾rao能neng力li,這zhe對dui於yu電dian信xin、移動基站的精密電子儀器、計算機或數字微電子設備是理想的交流穩壓儀器。
作為供電電源的穩壓器對可靠性的要求比任何用電設備、電器都要高,本設備由於無碳刷、無觸點、無機械傳動,從而減少了故障點,提高了設備的平均無故障時間。
穩壓器的選擇與使用
1)該係列產品補償調節有統調與分調兩種形式。若需要集中穩壓而且功率較大的,推薦選用分調式的,因為分調式穩壓器是A、B、C相分相采樣,分相調節,這樣能保證各相電壓的穩壓精度;而統調式因為僅取一相采樣而集中統調,因此無論如何也保證不了其他二相的穩壓精度。
2)不僅要求穩壓器對當地電網的適應性,如:穩壓範圍、kangganraonengliyijiduifeixianxingfuzaideshiyingnenglideng,erqiehaiyaoqiuwenyaqizishenmeiyouboxingjibian,buchanshenggaopinganraoheduidianwangxingchengwuran。youqiduigongdianzhiliangjiaochadedanwei,zhishaoyaoyou30%的穩壓範圍才能適用,並要求穩壓器在最低輸入電壓情況下還能保持額定最大輸出功率。
3)wenyaqibunenglifuzaitaiyuan,yuejinyuehao,bingjianyiyitaishebeipeiyitaiwenyaqi,zhuyibuyaozaipeidianshilimiangaodarongliangdejizhongwenya,zheyangfeidanqibudaowenyazuoyong,erqiekenengdailaigengduodemafan。
4)大功率穩壓器的可靠性是第一位的,因此除了必要的過壓、欠壓保護外,有些功能如自動上電、quexiangbaohudengkeyibubikaolv,yinweiduoyigegongnengbianduoyigeguzhangdian,dangranfangleizhuangzhishibibukeshaode。wurenzhishoushiyingyouyaokongyaocegongneng。lingwai,bubiguofenzhuiqiuwenyaqidejingdu,yinweiyueshigaojingmidianziyiqi,qibenshenjiujuyoulianghaodegongzuodianyuan,yinciwenyaqidexiangyingyujingdufangmianbuhuiduiqigouchengjiaodayingxiang,erwenyaqideganraowenti,qiaqiashibukehushide。
特別推薦
- 噪聲中提取真值!瑞盟科技推出MSA2240電流檢測芯片賦能多元高端測量場景
- 10MHz高頻運行!氮矽科技發布集成驅動GaN芯片,助力電源能效再攀新高
- 失真度僅0.002%!力芯微推出超低內阻、超低失真4PST模擬開關
- 一“芯”雙電!聖邦微電子發布雙輸出電源芯片,簡化AFE與音頻設計
- 一機適配萬端:金升陽推出1200W可編程電源,賦能高端裝備製造
技術文章更多>>
- 邊緣AI的發展為更智能、更可持續的技術鋪平道路
- 每台智能體PC,都是AI時代的新入口
- IAR作為Qt Group獨立BU攜兩項重磅汽車電子應用開發方案首秀北京車展
- 構建具有網絡彈性的嵌入式係統:來自行業領袖的洞見
- 數字化的線性穩壓器
技術白皮書下載更多>>
- 車規與基於V2X的車輛協同主動避撞技術展望
- 數字隔離助力新能源汽車安全隔離的新挑戰
- 汽車模塊拋負載的解決方案
- 車用連接器的安全創新應用
- Melexis Actuators Business Unit
- Position / Current Sensors - Triaxis Hall
熱門搜索





