MOSFET簡化三相逆變器拓撲設計
發布時間:2009-08-19
中心議題:
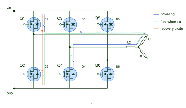
標準的三相功率級(powerstage)被用來驅動一個三相無刷直流電機,如圖1所示。功率級產生一個電場,為了使電機很好地工作,這個電場必須保持與轉子磁場之間的角度接近90°。六步序列控製產生6個定子磁場向量,這些向量必須在一個指定的轉子位置下改變。霍爾效應傳感器掃描轉子的位置。為了向轉子提供6個步進電流,功率級利用6個可以按不同的特定序列切換的功率MOSFET。下麵解釋一個常用的切換模式,可提供6個步進電流。
MOSFETQ1、Q3和Q5高頻(HF)切換,Q2、Q4和Q6低頻(LF)切換。當一個低頻MOSFET處於開狀態,而且一個高頻MOSFET處於切換狀態時,就會產生一個功率級。
步驟1)功率級同時給兩個相位供電,而對第三個相位未供電。假設供電相位為L1、L2,L3未供電。在這種情況下,MOSFETQ1和Q2處於導通狀態,電流流經Q1、L1、L2和Q4。
步驟2)MOSFETQ1關斷。因為電感不能突然中斷電流,它會產生額外電壓,直到體二極管D2被直接偏置,並允許續流電流流過。續流電流的路徑為D2、L1、L2和Q4。
步驟3)Q1打開,體二極管D2突然反偏置。Q1上總的電流為供電電流(如步驟1)與二極管D2上的恢複電流之和。

圖1:三相逆變器拓撲結構圖
圖2所示MOSFET器件的截麵圖,顯示出其中的體-漏二極管。在步驟2,電流流入到體-漏二極管D2(見圖1),該二極管被正向偏置,少數載流子注入到二極管的區和P區。

圖2:MOSFET器件的截麵圖,電流流經其內部的體二極管[page]
當MOSFETQ1導通時,二極管D2被反向偏置,N區的少數載流子進入P+體區,反之亦然。這種快速轉移導致大量的電流流經二極管,從N-epi到P+區,即從漏極到源極。電感L1對於流經Q2和Q1的尖峰電流表現出高阻抗。Q1表現出額外的電流尖峰,增加了在導通期間的開關損耗。圖4a描述了MOSFET的導通過程。
為改善在這些特殊應用中體二極管的性能,研發人員開發出具有快速體二極管恢複特性MOSFET。當二極管導通後被反向偏置,反向恢複峰值電流Irrm較小,完成恢複所需要的時間更短(見圖3)。

圖3:具有快速體二極管恢複特性MOSFET,反向恢複峰值電流較小,恢複時間縮短。
我們對比測試了標準的MOSFET和快恢複MOSFET。ST推出的STD5NK52ZD(SuperFREDmesh係列)放在Q2(LF)中,如圖4b所示。在Q1MOSFET(HF)的導通工作期間,開關損耗降低了65%。采用STD5NK52ZD時效率和熱性能獲得很大提升(在不采用散熱器的自由流動空氣環境下,殼溫從60°C降低到50°C)。在這種拓撲中,MOSFET內部的體二極管用作續流二極管,采用具有快速體二極管恢複特性MOSFET更為合適。


圖4:a)Q2采用標準MOSFET的開狀態操作;b)Q2采用ST公司的STD5NK52ZDMOSFET開狀態操作
SuperFREDmesh技術彌補了現有的FDmesh技術,具有降低導通電阻,齊納柵保護以及非常高的dv/dt性能,並采用了快速體-漏恢複二極管。N溝道520V、1.22歐姆、4.4ASTD5NK52ZD可提供多種封裝,包括TO-220、DPAK、I2PAK和IPAK封裝。
該器件為工程師設計開關應用提供了更大的靈活性。其他優勢包括非常高的dv/dt,經過100%雪崩測試,具有非常低的本征電容、良好的可重複製造性,以及改良的ESD性能。此外,與其他可選模塊解決方案相比,使用分立解決方案還能在PCB上靈活定位器件,從而實現空間的優化,並獲得有效的熱管理,因而這是一種具有成本效益的解決方案。
- MOSFET簡化三相無刷電機驅動
- 使用具有快速體二極管恢複特性MOSFET
- MOSFET內部的體二極管用作續流二極管
標準的三相功率級(powerstage)被用來驅動一個三相無刷直流電機,如圖1所示。功率級產生一個電場,為了使電機很好地工作,這個電場必須保持與轉子磁場之間的角度接近90°。六步序列控製產生6個定子磁場向量,這些向量必須在一個指定的轉子位置下改變。霍爾效應傳感器掃描轉子的位置。為了向轉子提供6個步進電流,功率級利用6個可以按不同的特定序列切換的功率MOSFET。下麵解釋一個常用的切換模式,可提供6個步進電流。
MOSFETQ1、Q3和Q5高頻(HF)切換,Q2、Q4和Q6低頻(LF)切換。當一個低頻MOSFET處於開狀態,而且一個高頻MOSFET處於切換狀態時,就會產生一個功率級。
步驟1)功率級同時給兩個相位供電,而對第三個相位未供電。假設供電相位為L1、L2,L3未供電。在這種情況下,MOSFETQ1和Q2處於導通狀態,電流流經Q1、L1、L2和Q4。
步驟2)MOSFETQ1關斷。因為電感不能突然中斷電流,它會產生額外電壓,直到體二極管D2被直接偏置,並允許續流電流流過。續流電流的路徑為D2、L1、L2和Q4。
步驟3)Q1打開,體二極管D2突然反偏置。Q1上總的電流為供電電流(如步驟1)與二極管D2上的恢複電流之和。

圖1:三相逆變器拓撲結構圖
圖2所示MOSFET器件的截麵圖,顯示出其中的體-漏二極管。在步驟2,電流流入到體-漏二極管D2(見圖1),該二極管被正向偏置,少數載流子注入到二極管的區和P區。

圖2:MOSFET器件的截麵圖,電流流經其內部的體二極管[page]
當MOSFETQ1導通時,二極管D2被反向偏置,N區的少數載流子進入P+體區,反之亦然。這種快速轉移導致大量的電流流經二極管,從N-epi到P+區,即從漏極到源極。電感L1對於流經Q2和Q1的尖峰電流表現出高阻抗。Q1表現出額外的電流尖峰,增加了在導通期間的開關損耗。圖4a描述了MOSFET的導通過程。
為改善在這些特殊應用中體二極管的性能,研發人員開發出具有快速體二極管恢複特性MOSFET。當二極管導通後被反向偏置,反向恢複峰值電流Irrm較小,完成恢複所需要的時間更短(見圖3)。

圖3:具有快速體二極管恢複特性MOSFET,反向恢複峰值電流較小,恢複時間縮短。
我們對比測試了標準的MOSFET和快恢複MOSFET。ST推出的STD5NK52ZD(SuperFREDmesh係列)放在Q2(LF)中,如圖4b所示。在Q1MOSFET(HF)的導通工作期間,開關損耗降低了65%。采用STD5NK52ZD時效率和熱性能獲得很大提升(在不采用散熱器的自由流動空氣環境下,殼溫從60°C降低到50°C)。在這種拓撲中,MOSFET內部的體二極管用作續流二極管,采用具有快速體二極管恢複特性MOSFET更為合適。


圖4:a)Q2采用標準MOSFET的開狀態操作;b)Q2采用ST公司的STD5NK52ZDMOSFET開狀態操作
SuperFREDmesh技術彌補了現有的FDmesh技術,具有降低導通電阻,齊納柵保護以及非常高的dv/dt性能,並采用了快速體-漏恢複二極管。N溝道520V、1.22歐姆、4.4ASTD5NK52ZD可提供多種封裝,包括TO-220、DPAK、I2PAK和IPAK封裝。
該器件為工程師設計開關應用提供了更大的靈活性。其他優勢包括非常高的dv/dt,經過100%雪崩測試,具有非常低的本征電容、良好的可重複製造性,以及改良的ESD性能。此外,與其他可選模塊解決方案相比,使用分立解決方案還能在PCB上靈活定位器件,從而實現空間的優化,並獲得有效的熱管理,因而這是一種具有成本效益的解決方案。
特別推薦
- 噪聲中提取真值!瑞盟科技推出MSA2240電流檢測芯片賦能多元高端測量場景
- 10MHz高頻運行!氮矽科技發布集成驅動GaN芯片,助力電源能效再攀新高
- 失真度僅0.002%!力芯微推出超低內阻、超低失真4PST模擬開關
- 一“芯”雙電!聖邦微電子發布雙輸出電源芯片,簡化AFE與音頻設計
- 一機適配萬端:金升陽推出1200W可編程電源,賦能高端裝備製造
技術文章更多>>
- 築基AI4S:摩爾線程全功能GPU加速中國生命科學自主生態
- 一秒檢測,成本降至萬分之一,光引科技把幾十萬的台式光譜儀“搬”到了手腕上
- AI服務器電源機櫃Power Rack HVDC MW級測試方案
- 突破工藝邊界,奎芯科技LPDDR5X IP矽驗證通過,速率達9600Mbps
- 通過直接、準確、自動測量超低範圍的氯殘留來推動反滲透膜保護
技術白皮書下載更多>>
- 車規與基於V2X的車輛協同主動避撞技術展望
- 數字隔離助力新能源汽車安全隔離的新挑戰
- 汽車模塊拋負載的解決方案
- 車用連接器的安全創新應用
- Melexis Actuators Business Unit
- Position / Current Sensors - Triaxis Hall
熱門搜索



