低壓大電流開關電源的設計
發布時間:2009-08-19
中心議題:
- 低壓大電流開關電源電路的設計
解決方案:
- 采用磁複位電路有源鉗位技術控製磁飽和
- 使用功率MOSFET整流
- 在柵極上接穩壓管避免擊穿
開關電源是利用現代電力電子技術,控製開關晶體管開通和關斷的時間比率,維持穩定輸出電壓的一種電源。從上世紀90年代以來開關電源相繼進入各種電子、電器設備領域,計算機、程控交換機、通訊、電子檢測設備電源、控製設備電源等都已廣泛地使用了開關電源。
隨著電源技術的發展,低電壓,大電流的開關電源因其技術含量高,應用廣,越來越受到人們重視。zaikaiguandianyuanzhong,zhengjihefanjishiyouzhedianlutuopujiandan,shurushuchudianqigelidengyoudian,guangfanyingyongyuzhongxiaogonglvdianyuanbianhuanchanghe。genfanjishixiangbi,zhengjishibianhuanqibianyaqitongsunjiaodi,tongshi,zhengjishidianlufubianwenbodianyadianliushuaijianbifanjishimingxian,yinci,yibanrenweizhengjishibianhuanqishiyongzaidiya,dadianliu,gonglvjiaodadechanghe。
有源鉗位技術
正激DC/DCbianhuanqiqiguyouquedianshigonglvjingtiguanjiezhiqijiangaopinbianyaqibixucifuwei。yifangbianyaqitiexinbaohe,yincibixucaiyongzhuanmendecifuweidianlu。tongchangcaiyongdefuweifangshiyousanzhong,jichuantongdefujiaraozufa、RCD鉗位法、有源鉗位法。
三種方法各有優缺點:磁複位繞組法正激變換器的優點是技術成熟可靠,磁化能量可無損地回饋到直流電路中去,可是附加的磁複位繞組使變壓器結構複雜化,變壓器漏感引起的關斷電壓尖峰需要RC緩衝電路來抑製,占空比D<0.5,功率開關管承受的電壓應力與輸入電源電壓成正比。
RCD鉗位正激變換器的優點是磁複位電路簡單,占空比D可以大於0.5,功率開關管承受電壓應力較低,但大部分磁化能量消耗在鉗位電阻中,因此它一般適用於變換效率不高且價廉的電源變換場合。
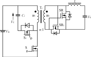
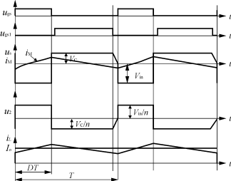
有源鉗位技術是三種技術中效率最高的技術,它的電路圖如圖1所示,工作原理如圖2所示。在DT時段之前,開關管S1導通,激磁電流iM為負,即從Cr通過S1流向Tr,在DT階段,開關管S的驅動脈衝ugs使其導通,同時ugs1=0,使S1關斷,在Vin的作用下,激磁電流由負變正,原邊功率通過變壓器傳到副邊,給輸出端電感L充電;在(1-D)T時段,ugs=0,S關斷,ugs1到來使S1導通,iM通過S1的反並二極管向Cr充電,在Cr和Tr漏感構成的諧振電路的作用下,iM由正變負,變壓器反向激磁。
從以上分析中可以看出:youyuanqianweizhengjibianhuanqibianyaqitiexingongzuozaishuangxiangduichengcihuazhuangtai,tigaoletiexinliyonglv,qianweidianrongdewentaidianyasuikaiguanzhankongbierzidongtiaojie,yinerzhankongbikedayu50%;Vo一定時,主開關、輔助開關應力隨Vin的變化不大;所以,在占空比和開關應力允許的範圍內,能夠適應較大輸入電壓變化範圍的情況。不足之處是增加了一個管子,使得電路變得複雜。

圖1有源鉗位同步整流正激式電路圖[page]

圖2有源鉗位電路工作原理圖
同步整流技術
在低電壓大電流功率變換器中,若采用傳統的普通二極管或肖特基二極管整流由於其正向導通壓降大(低壓矽二極管正向壓降約0.7V,肖持基二極管正向壓降約0.45V,新型低電壓肖特基二極管可達0.32V),整流損耗成為變換器的主要損耗,無法滿足低電壓大電流開關電源高效率,小體積的需要。
MOSFET導通時的伏安特性為一線性電阻,稱為通態電阻RDS,低壓MOSFET新器件的通態電阻很小,如:IRL3102(20V,61A)、IRL2203S(30V,116A)、IRL3803S(30V,100A)通態電阻分別為0.013Ω、0.007Ω和0.006Ω,它們在通過20A電流時,通態壓降不到0.3V。
另外,功率MOSFET開關時間短,輸入阻抗高,這些特點使得MOSFET成為低電壓大電流功率變換器首選的整流器件。功率MOSFET是一種電壓型控製器件,它作為整流元件時,要求控製電壓與待整流電壓的相位保持同步才能完成整流功能,故稱為同步整流電路。圖1為典型的降壓型“同步”開關變換器電路(當電路中無SR時,為“普通”的降壓型開關變換器電路)。
電路的設計
所設計的電源參數如下:輸入電壓為50(1±10%)V,輸出電壓為3.3V,電流為20A,工作頻率為100kHz。
采用的主電路拓撲如圖1所示。由於有源鉗位采用的是FLYBACK型鉗位電路,它的鉗位電容電壓為:
Vc=Vin
所選用的控製IC芯片為UC3844,它的最大占空比為50%,所以電容上的電壓最大為Vin,電容耐壓為60V以上,隻要選取足夠大即可保證電路能正常工作,本電路所選取的鉗位電容為47μF/100V。
有源鉗位管S1的驅動必須跟變壓器原邊的地隔離開,而且S1的驅動信號必須跟開關管S驅動信號反相,使用UCC3580可以實現兩個管子的驅動,可是這個芯片並不常見,因而這裏選用UC3844跟IR2110組合。UC3844出來的控製信號用來作為IR2110的低端輸入,其反相信號作為IR2110的高端輸入,IR2110的高端驅動通過內部自舉電路來實現隔離。這樣,我們就達到了驅動兩個開關管的目的。
在輸出整流電路中,當續流二極管(即SR的反並二極管)受正向電壓導通時,應及時驅動SR導通,以減小壓降和損耗。但為了避免SR與SR1同時導通,造成短路事故,必須有“死區”時間,這時仍靠二極管D導通。SR的開關瞬時要與續流二極管的通斷瞬時密切配合,因此對開關速度要求很高。另外,從成本綜合考慮,選用IRL3102。
變壓器的設計跟一般正激式變換器變壓器設計差不多,隻是要考慮同步整流管的驅動。所選用的同步整流管的驅動開通電壓為4V左右,電路輸出電壓為3.3V,輸出端相當於一個降壓型電路,占空比最大為0.5,所以變壓器副邊電壓至少為6.6V。因為MOSFET的柵-源間的矽氧化層耐壓有限,一旦被擊穿則永久損壞,所以實際上柵-源電壓最大值在20~30V之間,如電壓超過20V,應該在柵極上接穩壓管。[page]
實驗結果和波形分析
開關管S1和S的Uds波形如圖3所示,RefA為S管壓降波形,50V/div,RefB為S1管壓降波形,50V/div。電路此時工作在Vin=60V左右,S1和S的開關應力大概為120V,D=0.5左右。圖4為變壓器輸出電壓,也就是同步整流管SR1和SR的驅動信號,正的部分為SR的驅動信號,負的部分為SR1的(de)驅(qu)動(dong)信(xin)號(hao)。實(shi)驗(yan)所(suo)得(de)波(bo)形(xing)和(he)分(fen)析(xi)的(de)波(bo)形(xing)基(ji)本(ben)吻(wen)合(he),隻(zhi)是(shi)在(zai)開(kai)關(guan)轉(zhuan)換(huan)瞬(shun)間(jian),電(dian)壓(ya)有(you)小(xiao)尖(jian)峰(feng),這(zhe)是(shi)由(you)電(dian)路(lu)的(de)雜(za)散(san)參(can)數(shu)引(yin)起(qi)的(de)。該(gai)電(dian)路(lu)的(de)工(gong)作(zuo)效(xiao)率(lv)經(jing)過(guo)測(ce)量(liang)大(da)約(yue)在(zai)90%左右,基本達到設計的要求。

圖3開關管S和S1的uds波形

圖4同步整流管的驅動波形
3.3V/20A的開關電源的設計表明,有源逆變加同步整流電路用在低壓大電流的正激式電路設計中,不加PFC電路時,能夠取得很高的效率。
- 噪聲中提取真值!瑞盟科技推出MSA2240電流檢測芯片賦能多元高端測量場景
- 10MHz高頻運行!氮矽科技發布集成驅動GaN芯片,助力電源能效再攀新高
- 失真度僅0.002%!力芯微推出超低內阻、超低失真4PST模擬開關
- 一“芯”雙電!聖邦微電子發布雙輸出電源芯片,簡化AFE與音頻設計
- 一機適配萬端:金升陽推出1200W可編程電源,賦能高端裝備製造
- 一秒檢測,成本降至萬分之一,光引科技把幾十萬的台式光譜儀“搬”到了手腕上
- AI服務器電源機櫃Power Rack HVDC MW級測試方案
- 突破工藝邊界,奎芯科技LPDDR5X IP矽驗證通過,速率達9600Mbps
- 通過直接、準確、自動測量超低範圍的氯殘留來推動反滲透膜保護
- 從技術研發到規模量產:恩智浦第三代成像雷達平台,賦能下一代自動駕駛!
- 車規與基於V2X的車輛協同主動避撞技術展望
- 數字隔離助力新能源汽車安全隔離的新挑戰
- 汽車模塊拋負載的解決方案
- 車用連接器的安全創新應用
- Melexis Actuators Business Unit
- Position / Current Sensors - Triaxis Hall




