一種新型實用的IGBT 驅動電路
發布時間:2008-11-02
中心論題:
- 絕緣門極雙極型晶體管(IGBT)具有MOSFET和GTR兩者的優點
- 分析IGBT的驅動條件
- 介紹幾種常見的IGBT驅動電路
- 分析新型驅動電路的特點
解決方案:
- IGBT的驅動條件:保證低阻抗放電回路及正確的正負偏壓,驅動電路應對IGBT有自保護和抗幹擾功能,同時和控製電路嚴格隔離
- 采用高速光耦實現控製電路與主電路的隔離,采用推挽式輸出方式降低驅動電路的輸出阻抗
- 新型實用驅動電路具有IGBT過電流保護功能,可有效實現對IGBT的保護
引言
絕緣門極雙極型晶體管(Isolated Gate Bipolar Transistor)簡稱IGBT。也稱絕緣門極晶體管。由於IGBT 內具有寄生晶閘管,所以也可稱作為絕緣門極晶閘管,它是八十年代中期發展起來的一種新型複合器件。由於它將MOSFET 和GTR 的優點集於一身,既具有輸入阻抗高、速度快、熱穩定性好和驅動電路簡單的優點,又有通態電壓低耐壓高的優點,因此發展很快,倍受歡迎,在電機驅動、中頻和開關電源以及要求快速、低損耗的領域,IGBT有取代MOSFET和GTR 的趨勢。但在IGBT shijiyingyongzhongyigeyaozhongdiankaolvdewentishiqizhajiqudongdianlushejideheliyufou,zaiciwomenzixingshejileyizhongjiandanershiyongdequdongdianlu,bingqudelehenhaodexiaoguo。
IGBT 的驅動條件
IGBT 的驅動條件與它的靜態和動態特性密切相關。柵極的正偏壓+VGE、負偏壓-VGE 和柵極電阻RG 的大小,對IGBT 的通態電壓、開關時間、開關損耗、承受短路能力以及dVCE/dt等參數都有不同程度的影響。門極驅動條件與器件特性的關係如表1 所示。
表1 門極驅動條件與器件特性的關係

1、 正偏壓+VGE 的影響
當VGS 增加時,通態電壓下降,IGBT 的開通能量損耗下降,但是VGE 不能隨意增加,因為VGE 增加到一定程度之後對IGBT 的負載短路能力及dVCE/dt 電流有不利影響。
2、 負偏壓-VGE 的影響
負偏壓也是很重要的門極驅動條件,它直接影響IGBT 的可靠運行。雖然-VGE 對關斷能耗沒有顯著影響,擔負偏壓的增高會使漏極浪湧電流明顯下降,從而避免過大的漏極浪湧電流使IGBT 發生不可控的擎住現象。
3、 門極電阻RG 的影響
門極電阻增加,使IGBT 的開通與關斷能耗均增加,門極電阻減小又使di/dt 增大,可能引發IGBT 誤導通,同時RG 上的能耗也有所增加。所以通常RG 一般取十幾歐到幾百歐之間。
因此,為了使IGBT 能夠安全可靠得到通和關斷,其驅動電路必須滿足一下條件:
1. 由於是容性輸入阻抗,IGBT 對門極電荷集聚很敏感,因此要保證有一條低阻抗值得放電回路。
2. 門極電路中的正偏壓應為+12—15V,負偏壓-2—-10V。
3. 驅動電路應與整個控製電路在電位上嚴格隔離。
4. 門極驅動電路應盡可能簡單實用,具有對IGBT 的自保護功能,並有較強的抗幹擾能力。
常見的IGBT 驅動電路
1、采用脈衝變壓器隔離驅動IGBT
電路如圖1 所示,這種電路結構簡單,應用了廉價的脈衝變壓器實現IGBT 主zhu電dian路lu與yu控kong製zhi電dian路lu的de隔ge離li。其qi性xing能neng的de好hao壞huai取qu決jue於yu脈mai衝chong變bian壓ya器qi的de製zhi作zuo,應ying盡jin量liang減jian小xiao脈mai衝chong變bian壓ya器qi的de漏lou感gan抗kang,並bing采cai用yong高gao鐵tie氧yang體ti鐵tie心xin,最zui高gao工gong作zuo頻pin率lv可ke達da40KHz。

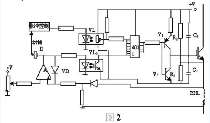
2、采用光耦合器及CMOS 驅動IGBT
電路圖如圖2 所示,該電路自身帶過流保護功能,光耦合器將脈衝控製電路與驅動電路隔離,4011 的四個與非門並聯工作提高了驅動能力,互補晶體管V1、V2 降低驅動電路阻抗,通過R1、C1 與R2、C2 獲得不同的正、反向驅動電壓,以滿足各種IGBT 對柵極驅動電壓的要求。該電路由於受光耦合器傳輸速度的影響,其工作頻率不能太高,同時受4011 型CMOS電路最高工作電壓的限製,使+VGE 和-VGE 的幅值相互牽製,並受到限製。

3、 用專用混合集成驅動電路
目前,國外很多生產IGBT 器件的公司,為了解決IGBT 驅動的可靠性問題,紛紛推出IGBT專用驅動電路,如美國MOTOROLA 公司的MPD 係列、日本東芝公司的KT 係列、日本富士公司的EXB 係列等。這些驅動電路抗幹擾能力強,集成化程度高,速度快,保護功能完善,可實現IGBT 的最優驅動,但一般價格比較昂貴,對於普通用戶很難接受。
新型實用驅動電路
該電路具有以下特點:
1. 該電路能夠產生+15V 和-5V 電壓,保證了IGBT 的可靠導通與關斷。
2. 該電路采用高速光耦實現了控製電路與主電路的隔離。
3. 該電路具有IGBT 過電流保護功能,能夠有效的保護IGBT。
4. 該電路采用推挽式輸出方式,從而降低了驅動電路的輸出阻抗。
5. 適用於多種型號IGBT 的可靠驅動。
電路圖如圖3 所示,采用由高速光耦H11L1、NPN 和PNP 型三極管組成推挽式輸出電路。變壓器副邊輸出交流18V 電壓,經整流橋變成直流,470uF/50V 的電容濾波,作為IGBT 驅動電路的工作電壓。當IGBT 的電流小於設定過電流信號的時候,比較器負輸入端電壓小於正輸入端設定的電壓值,此時比較器輸出高電平。當IGBT 的de電dian流liu大da於yu設she定ding過guo電dian流liu信xin號hao的de時shi候hou,比bi較jiao器qi負fu輸shu入ru端duan電dian壓ya大da於yu正zheng輸shu入ru端duan設she定ding的de電dian壓ya值zhi,此ci時shi比bi較jiao器qi輸shu出chu低di電dian平ping。當dang比bi較jiao器qi輸shu出chu信xin號hao與yu控kong製zhi信xin號hao相xiang與yu後hou送song到dao高gao速su光guang耦ou合he器qi。正zheng常chang情qing況kuang下xia比bi較jiao器qi輸shu出chu高gao電dian平ping,當dang控kong製zhi信xin號hao位wei高gao電dian平ping時shi,與yu門men輸shu出chu高gao電dian平ping使shi光guang耦ou合he器qi導dao通tong,晶jing體ti管guanN1 基極沒有電流而關斷,此時電流可經R3、N2 的基射極、R6、Z3、Z4、Z2 形成三極管N2 的基極電流,N2 開通,由於Z2 是15V 穩壓管,輸出電壓嵌位在+15V,驅動IGBT 導通;反之,黨控製脈衝信號為低電平時,與門輸出低電平使光耦合器截止,三極管N1 存在極基電流而導通,N1 的集電極電壓變低,N2截止,電流經R4、Z4、R6、P1、N1 形成P1 管的極基電流,P1 導通,輸出電壓鉗位在-5V,使IGBT 關斷。當IGBT chuyuguodianliuzhuangtaishi,bijiaoqishuchudidianping,cishiwulunkongzhixinhaoweigaodianpinghaishididianping,yumenshizhongshuchudidianping,youyishangkezhicishiqudongdianluyizhishuchu-5V 電壓而使IGBT 一直處於關斷狀態,從而對IGBT 的過電流進行了有效的保護。
結論
該IGBT 驅動電路簡單、實用,經我們長期的實驗證明,該電路經濟、實用、安全、可靠普遍適用於各種型號的IGBT,為普通的IGBT 用戶節省資金的情況下帶來了很大的方便。具有很大的應用前景。
- 噪聲中提取真值!瑞盟科技推出MSA2240電流檢測芯片賦能多元高端測量場景
- 10MHz高頻運行!氮矽科技發布集成驅動GaN芯片,助力電源能效再攀新高
- 失真度僅0.002%!力芯微推出超低內阻、超低失真4PST模擬開關
- 一“芯”雙電!聖邦微電子發布雙輸出電源芯片,簡化AFE與音頻設計
- 一機適配萬端:金升陽推出1200W可編程電源,賦能高端裝備製造
- 築基AI4S:摩爾線程全功能GPU加速中國生命科學自主生態
- 一秒檢測,成本降至萬分之一,光引科技把幾十萬的台式光譜儀“搬”到了手腕上
- AI服務器電源機櫃Power Rack HVDC MW級測試方案
- 突破工藝邊界,奎芯科技LPDDR5X IP矽驗證通過,速率達9600Mbps
- 通過直接、準確、自動測量超低範圍的氯殘留來推動反滲透膜保護
- 車規與基於V2X的車輛協同主動避撞技術展望
- 數字隔離助力新能源汽車安全隔離的新挑戰
- 汽車模塊拋負載的解決方案
- 車用連接器的安全創新應用
- Melexis Actuators Business Unit
- Position / Current Sensors - Triaxis Hall




