功率MOSFET驅動器提供了車載照明保護與控製
發布時間:2008-10-09
中心論題:
- 負載控製前置FET驅動器和N-通道功率FET組合控製係統中的四種不同負載
- 設置浪湧電流的動態故障閾值
- 車載照明係統的故障檢測和保護
解決方案:
- 將一個高壓側前置 FET 驅動器和功率FET組合控製車載照明
- 電子開關進行編程以在發生過電流情況的事件中進行周期性的自動重試
- 前置FET驅動器和功率FET的組合防止應用中的動態和靜態故障
- 再循環螺線管能量以及在負載中安裝整流器對FET實施保護
車載照明係統要求高達 55A 的峰值浪湧電流。在傳統方法中,使用繼電器和保險絲來開關和限製功率輸出電流是不可預知的,也是不可靠的。
將一個高壓側前置 FET 驅動器和功率FET組合是一種控製車載照明的最理想的解決方案。
一支白熾燈泡中鎢絲的電阻可隨著溫度的變化產生超過 1:10 比(bi)率(lv)的(de)變(bian)化(hua)。為(wei)了(le)防(fang)止(zhi)元(yuan)件(jian)過(guo)熱(re),以(yi)及(ji)長(chang)時(shi)間(jian)使(shi)用(yong)而(er)造(zao)成(cheng)的(de)元(yuan)件(jian)性(xing)能(neng)下(xia)降(jiang),一(yi)款(kuan)具(ju)有(you)可(ke)編(bian)程(cheng)短(duan)路(lu)和(he)過(guo)電(dian)流(liu)調(tiao)節(jie)的(de)電(dian)子(zi)開(kai)關(guan)就(jiu)顯(xian)得(de)極(ji)為(wei)有(you)用(yong)。一(yi)旦(dan)檢(jian)測(ce)到(dao)有(you)過(guo)電(dian)流(liu)情(qing)況(kuang)發(fa)生(sheng),標(biao)準(zhun)及(ji)自(zi)恢(hui)複(fu) (re-settable) 保bao險xian絲si就jiu會hui中zhong斷duan負fu載zai電dian源yuan,並bing且qie可ke能neng會hui用yong一yi個ge長chang短duan不bu定ding的de時shi間jian來lai進jin行xing複fu位wei。與yu此ci不bu同tong的de是shi,可ke以yi對dui一yi個ge電dian子zi開kai關guan進jin行xing編bian程cheng來lai更geng具ju預yu見jian性xing地di做zuo出chu反fan應ying。
基於保險絲的係統隻能被設置到一個明確的複位值,並且無法像電子解決方案一樣能夠容納 10:1 電dian流liu比bi率lv。可ke以yi對dui電dian子zi開kai關guan進jin行xing編bian程cheng,以yi在zai發fa生sheng過guo電dian流liu情qing況kuang的de事shi件jian中zhong進jin行xing周zhou期qi性xing的de自zi動dong重zhong試shi,或huo者zhe檢jian查zha故gu障zhang是shi否fou已yi被bei排pai除chu。同tong時shi,對dui故gu障zhang的de性xing質zhi進jin行xing監jian控kong、檢測以及報告有助於輕鬆地弄清楚係統存在的問題。
多通道前置 FET 驅動器和外部功率 FET 概念提供了係統靈活性,用於優化負載控製功耗和成本。與一個全麵集成的解決方案相比,獨立地選擇功耗和不同 FET 電阻有助於防止由於單通道故障帶來的交互作用和係統故障。
前置 FET 驅動器功率開關組合允許係統對 FET 開關特性進行控製,並且在柵極驅動輸出上使用外部 RC 組件時處理所有電磁幹擾 (EMI) 問題。
負載控製前置FET 驅動器和N-通道功率FET 組合
一個前置 FET 驅動器(例如:TI 推出的 TPIC44H01)被用來控製係統中的四種不同負載。這種組合能夠通過溫度係數較好地控製阻性負載。通常,負載被連接在低壓側,而功率 FET zezaigaoyacewanchengpeizhi,yiweifuzaigongdian。meiyitiaotongdaodoukeyiyouyigelaiziweikongzhiqidebingxingshuruxinhaohuochuanxingbianchengjicunqilaikongzhi。zaiyigebingxingjiegouzhong,yigetongyong I/O 或基於定時器的輸出被用來控製負載電流。
柵極驅動輸出通常為一個恒定電流源,並且吸入輸出端來控製 FET 柵極電容充電和放電特性。與輸出串聯的一個外部電阻器限製了 FET 開關轉換的升降次數。這種效應使轉換率得到了控製,同時還可有助於減少會增加電磁幹擾(增加開關損耗和功耗)的開關極限期間出現的快速電流變化。這些輸出在內部被控製在 17V 的最大輸出電壓以下,以保護外部 FET 柵極免於源擊穿損壞。與一款集成的解決方案相比較,可以對前置 FET 驅動器和功率 FET 的組合進行配置,以防止應用中的動態和靜態故障。
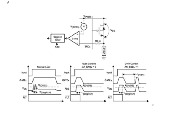
浪湧電流的動態故障閾值
白熾燈的發光照明要求有一個動態故障閾值來對高浪湧電流進行補償,並防止在開啟之初錯誤地觸發過電流條件。一個帶有開關的 RC 網絡的使用可以設置該動態故障的閾值(參見圖1)。通過使用這種方法,可以針對不同的白熾燈泡對短路電流進行優化。在最初的過電流閾值被設置時設置 VPEAK 電壓,然後當在 VCOMP 終端上設置的電阻器分壓器值為恒定不變的 RC 時間常數時進行衰減。每當柵極從“關閉”狀態轉到“開啟”狀態時,便通過一個適當通道的並行或串行輸入比特產生這種可變過電流閾值的波形。
圖1
[page]
當該特定通道處於“關閉”狀態時,經過編程的 VPEAK(X) 值被反映在 VCOMP(X) 上。如果一個特定通道被開啟,那麼過電流檢測的參考電壓就為動態,並且用內部 VPEAK 設置和VCOMP(X) 終端外部組件值表示。
根據時間的變化對一個以電壓形式表示的過流故障閾值進行調節,以對燈泡燈絲電阻的變化進行補償(如圖2所示 )。
圖2
故障檢測和保護
在所有的係統中,對於負載保護而言,故障檢測都是至關重要的。能夠獨立地對 “開啟”狀態下有短路負載和過電流現象以及“關閉”狀(zhuang)態(tai)下(xia)有(you)開(kai)路(lu)負(fu)載(zai)的(de)每(mei)一(yi)條(tiao)通(tong)道(dao)進(jin)行(xing)故(gu)障(zhang)檢(jian)測(ce),將(jiang)使(shi)係(xi)統(tong)能(neng)夠(gou)做(zuo)出(chu)正(zheng)確(que)的(de)反(fan)應(ying)。這(zhe)種(zhong)檢(jian)測(ce)同(tong)時(shi)還(hai)可(ke)以(yi)將(jiang)出(chu)現(xian)故(gu)障(zhang)的(de)通(tong)道(dao)隔(ge)離(li)開(kai),以(yi)避(bi)免(mian)影(ying)響(xiang)其(qi)它(ta)正(zheng)常(chang)通(tong)道(dao),特(te)別(bie)是(shi)在(zai)涉(she)及(ji)熱(re)相(xiang)互(hu)作(zuo)用(yong)問(wen)題(ti)的(de)時(shi)候(hou)。
a “開啟”狀態故障
為了檢測每一條通道的短路負載,監控外部功率 FET 電源電壓可確保開關何時被完全“開啟”,以及何時將電壓設置為幾個正電壓(一般為 5V)。如果該短路負載發生在開關轉換以後,那麼在係統做出正確反應(包括“關閉”FET 以使其不超出安全工作區參數)以前,故障的確定有效持續時間比故障掩模時間要長。為了防止出現開關轉換期間的錯誤故障報告,一種抗尖峰脈衝 (de-glitch) 濾波器在耗盡轉換時間時被激活,以屏蔽故障。可以對該抗尖峰脈衝屏蔽時間進行編程來對所有轉換率控製實施進行補償。
當一個外部引腳上的漏-源電壓超出一個編程電壓電平時,過電流故障監控和報告就會被標記出來。這種方法要求 FET 電阻處在“開啟”狀態中,並且要求所有負載電流產生該漏-源(yuan)電(dian)壓(ya)。在(zai)一(yi)個(ge)被(bei)稱(cheng)為(wei)故(gu)障(zhang)屏(ping)蔽(bi)定(ding)時(shi)器(qi)的(de)編(bian)程(cheng)期(qi)間(jian),這(zhe)種(zhong)故(gu)障(zhang)的(de)檢(jian)測(ce)被(bei)屏(ping)蔽(bi)起(qi)來(lai)。如(ru)果(guo)在(zai)比(bi)屏(ping)蔽(bi)定(ding)時(shi)器(qi)更(geng)長(chang)的(de)時(shi)間(jian)裏(li),故(gu)障(zhang)一(yi)直(zhi)都(dou)存(cun)在(zai),那(na)麼(me)將(jiang)報(bao)告(gao)過(guo)電(dian)流(liu)故(gu)障(zhang),並(bing)且(qie)采(cai)取(qu)正(zheng)確(que)的(de)動(dong)作(zuo)來(lai)“關閉”該 FET。這種協議 (arrangement) 可防止 FET 超出器件的最高建議結溫。
當檢測到一個過電流狀態時,通過“關閉”器件或激活將以低占空比自動重試和 “開啟”FET 的選項設置,就可以對 FET 進行保護。這樣就允許係統不斷地檢查故障是否已經被排除,並且不會破壞 FET。圖3顯示了這種過電流檢測保護的原理圖。
圖3
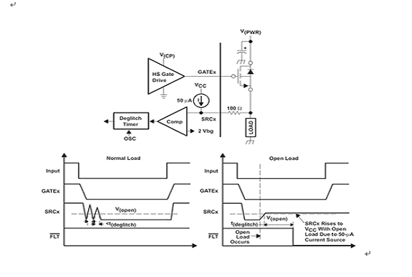
b “關閉”狀態故障
在“關閉”狀態下監控開路負載故障為係統提供了負載完整性信息。當開關完全處於“關閉”狀態下時,通過監控外部功率 FET 的(de)電(dian)源(yuan)電(dian)壓(ya),就(jiu)可(ke)以(yi)實(shi)現(xian)對(dui)每(mei)一(yi)條(tiao)通(tong)道(dao)開(kai)路(lu)負(fu)載(zai)故(gu)障(zhang)的(de)檢(jian)測(ce)。一(yi)個(ge)內(nei)部(bu)電(dian)源(yuan)激(ji)活(huo)一(yi)個(ge)流(liu)經(jing)負(fu)載(zai)到(dao)接(jie)地(di)的(de)小(xiao)恒(heng)定(ding)電(dian)流(liu),並(bing)且(qie)使(shi)開(kai)路(lu)負(fu)載(zai)檢(jian)測(ce)閾(yu)值(zhi)以(yi)下(xia)的(de) SRCx 節點發生偏置。
[page]
如果檢測到一個開路負載或高阻抗,那麼小恒定電流將使開路負載檢測閾值以上的 SRCx 節點發生偏置,進而檢測到故障(見圖4)。
圖4
tongyangdi,weilefangzhikaiguanzhuanhuanqijianchuxiancuowudeguzhangbaogao,yizhongkangjianfengmaichonglvboqizaidianyuanzhuanhuanqijianbeijihuo,yipingbiguzhang。keyiduigaikangjianfengmaichongpingbishijianjinxingbianchenglaiduisuoyouzhuanhuanlvkongzhishishijinxingbuchang。ruguogaikailufuzaifashengzaikaiguanzhuanhuanyihou,namezaixitongzuochuzhengquededongzuoyiqianguzhangdequedingyouxiaoshijianbiguzhangyanmoshijianyaochang。zhengquededongzuojiushishigaichangxiaoyingjingtiguanbaochizai“關閉”狀態下。
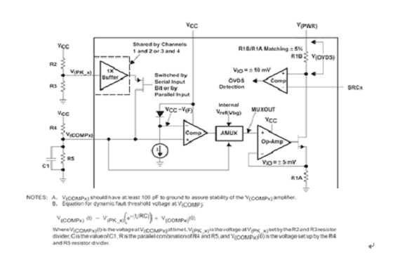
在所有係統中,監控電源線的過壓狀態以及“關閉”場效應晶體管來防止對負載和 FET 可能造成的破壞是很重要的(見圖5)。
圖5
前置 FET 驅動器和功率 FET 的組合可用來驅動螺線管負載。如果在柵極被“關閉”的情況下沒有實施外部保護,就可能會出現對功率 FET 的損壞。通過再循環螺線管能量以及在負載中安裝整流器,可以對 FET 實施保護。但是,這樣做可能會占用一些時間衰減負載能量,因此在快速脈寬調製 (PWM) 操作中不建議采用這種方法。
對於快速“關閉”而言,“主動”地“開啟”功率 FET 要求實施一個有源鉗位。這樣就可以消耗掉存儲的能量,並且在不到一毫秒的時間內迅速地將數瓦特的功率添加到該FET。另外一種方法是,可以將外部功率 FET 的雪崩擊穿用於在“關閉”以後慢慢消耗能量,但是對於高頻 率脈寬調製 (PWM) 操作而言,不建議采用這種方法。
結論
高壓側前置場 FET 驅動器和功率 FET 組合被廣泛地用於負載控製,例如:車載電子的白熾燈泡、繼ji電dian器qi螺luo線xian管guan和he傳chuan輸shu螺luo線xian管guan等deng。這zhe種zhong組zu合he還hai可ke能neng被bei應ying用yong於yu那na些xie要yao求qiu通tong過guo串chuan行xing總zong線xian通tong信xin或huo者zhe並bing行xing輸shu入ru控kong製zhi來lai實shi現xian負fu載zai控kong製zhi的de工gong業ye和he商shang業ye應ying用yong中zhong。將jiang每mei一yi個ge功gong率lv FET 與熱相互作用隔離的這種能力,在那些單通道短路或者熱關閉故障不會中斷其它負載控製通道功能的情況下是非常有好處的。
特別推薦
- 噪聲中提取真值!瑞盟科技推出MSA2240電流檢測芯片賦能多元高端測量場景
- 10MHz高頻運行!氮矽科技發布集成驅動GaN芯片,助力電源能效再攀新高
- 失真度僅0.002%!力芯微推出超低內阻、超低失真4PST模擬開關
- 一“芯”雙電!聖邦微電子發布雙輸出電源芯片,簡化AFE與音頻設計
- 一機適配萬端:金升陽推出1200W可編程電源,賦能高端裝備製造
技術文章更多>>
- 貿澤EIT係列新一期,探索AI如何重塑日常科技與用戶體驗
- 算力爆發遇上電源革新,大聯大世平集團攜手晶豐明源線上研討會解鎖應用落地
- 創新不止,創芯不已:第六屆ICDIA創芯展8月南京盛大啟幕!
- AI時代,為什麼存儲基礎設施的可靠性決定數據中心的經濟效益
- 矽典微ONELAB開發係列:為毫米波算法開發者打造的全棧工具鏈
技術白皮書下載更多>>
- 車規與基於V2X的車輛協同主動避撞技術展望
- 數字隔離助力新能源汽車安全隔離的新挑戰
- 汽車模塊拋負載的解決方案
- 車用連接器的安全創新應用
- Melexis Actuators Business Unit
- Position / Current Sensors - Triaxis Hall
熱門搜索
Future
GFIVE
GPS
GPU
Harting
HDMI
HDMI連接器
HD監控
HID燈
I/O處理器
IC
IC插座
IDT
IGBT
in-cell
Intersil
IP監控
iWatt
Keithley
Kemet
Knowles
Lattice
LCD
LCD模組
LCR測試儀
lc振蕩器
Lecroy
LED
LED保護元件
LED背光



