詳解PWM信號在LED驅動電源中的應用
發布時間:2016-11-24 責任編輯:sherry
【導讀】脈衝寬度調製(PWM)是利用微處理器的數字輸出來對模擬電路進行控製的一種非常有效的技術,從測量、通信到功率控製與變換的許多領域中廣泛應用,以其控製簡單,靈活和動態響應好的優點而成為電力電子技術最常見的控製方式。
一、PWM原理
脈寬調製(PWM)kongzhifangshijiushiduinibiandianlukaiguanqijiandetongduanjinxingkongzhi,shishuchuduandedaoyixiliefuzhixiangdengdemaichong,yongzhexiemaichonglaidaitizhengxianbohuosuoxuyaodeboxing。yejiushizaishuchuboxingdebangezhouqizhongchanshengduogemaichong,shigemaichongdedengzhidianyaweizhengxianboxing,suohuodedeshuchupinghuaqiedicixieboshao。anyidingdeguizeduigemaichongdekuandujinxingtiaozhi,jikegaibiannibiandianlushuchudianyadedaxiao,yekegaibianshuchupinlv,rutu1所示為脈寬調製原理圖。

圖1 脈寬調製原理圖
例如,把正弦半波波形分成N等份,就可把正弦半波看成由N個(ge)彼(bi)此(ci)相(xiang)連(lian)的(de)脈(mai)衝(chong)所(suo)組(zu)成(cheng)的(de)波(bo)形(xing)。如(ru)果(guo)把(ba)上(shang)述(shu)脈(mai)衝(chong)序(xu)列(lie)用(yong)同(tong)樣(yang)數(shu)量(liang)的(de)等(deng)幅(fu)而(er)不(bu)等(deng)寬(kuan)的(de)矩(ju)形(xing)脈(mai)衝(chong)序(xu)列(lie)代(dai)替(ti),使(shi)矩(ju)形(xing)脈(mai)衝(chong)的(de)中(zhong)點(dian)和(he)相(xiang)應(ying)正(zheng)弦(xian)等(deng)分(fen)的(de)中(zhong)點(dian)重(zhong)合(he),且(qie)使(shi)矩(ju)形(xing)脈(mai)衝(chong)和(he)相(xiang)應(ying)正(zheng)弦(xian)部(bu)分(fen)麵(mian)積(ji)(即衝量)相等,就得到一組脈衝序列,這就是PWM波形。根據衝量相等效果相同的原理,PWM波形和正弦半波是等效的,如圖2所示為正弦波PWM調製波形。

圖2 正弦波PWM調製
二、PWM在LED驅動電源中的作用PWM信號驅動是LED驅動電源中的一種。許多LED應用都需要具備調光功能,比如LED背光或建築照明調光。通過調整LED的亮度和對比度可以實現調光功能。簡單地降低器件的電流也許能夠對LED發光進行調整,但是讓LED在低於額定電流的情況下工作會造成許多不良後果,比如色差問題。取代簡單電流調整的方法是在LED驅動器中集成脈寬調製(PWM)控製器。
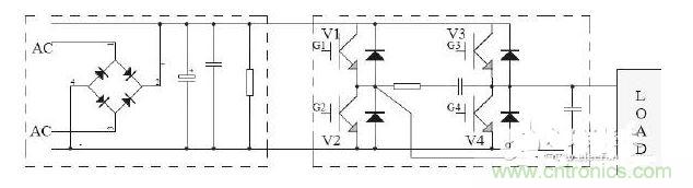
PWM的信號並不直接用於控製LED,而是控製一個開關,例如一個MOSFET,以向LED提供所需的電流。PWM控製器通常在一個固定頻率上工作並且對脈寬進行調整,以匹配所需的占空比,應用者的係統隻需要提供寬、窄不同的數字式脈衝,即可簡單地實現改變輸出電流,從而調節LED的亮度。當前大多數LED芯片都使用PWM來控製LED發光,為了確保人們不會感到明顯的閃爍,PWM脈衝的頻率必須大於100HZ。PWM控製的主要優點是通過PWM的調光電流更加精確,最大程度地降低LED發光時的色差,如圖3所示為脈寬調製(PWM)LED驅動器控製電路。

圖3 脈寬調製(PWM)LED驅動器控製電路
三、如何準確分析LED驅動電源中的PWM信號
PWM信號在LED驅動電源中的作用已經不言而喻了,那麼如何才能做出高質量的PWM驅動電源呢?廣州致遠電子ZDS4054PLUS示波器基於512M的存儲深度,可以長時間觀測PWM驅動器控製LED燈光變化時的脈寬長度變化,便於工程師對燈光亮度進行準確的調節。100萬次每秒的波形刷新率和豐富的觸發方式快速捕獲PWM信號,並且在ZOOM放大模式下,可對波形細節進行重點分析。如圖4所示為PWM信號調製波形。

圖4 PWM調製信號
同時在LED驅動電源中最重要的就是對脈寬信號進行準確的測量,ZDS4054PLUS示波器基於51種參數測量可對脈衝寬度、幅值、信號的上升時間等參數準確測量,大大加快研發進程,而且可以通過分段存儲方式對每次觸發到的PWM波形進行存儲,便於分析。如圖5為使用ZDS4054Plus示波器測得的PWM信號放大波形。

圖5 PWM信號ZOOM放大波形
特別推薦
- 噪聲中提取真值!瑞盟科技推出MSA2240電流檢測芯片賦能多元高端測量場景
- 10MHz高頻運行!氮矽科技發布集成驅動GaN芯片,助力電源能效再攀新高
- 失真度僅0.002%!力芯微推出超低內阻、超低失真4PST模擬開關
- 一“芯”雙電!聖邦微電子發布雙輸出電源芯片,簡化AFE與音頻設計
- 一機適配萬端:金升陽推出1200W可編程電源,賦能高端裝備製造
技術文章更多>>
- 邊緣AI的發展為更智能、更可持續的技術鋪平道路
- 每台智能體PC,都是AI時代的新入口
- IAR作為Qt Group獨立BU攜兩項重磅汽車電子應用開發方案首秀北京車展
- 構建具有網絡彈性的嵌入式係統:來自行業領袖的洞見
- 數字化的線性穩壓器
技術白皮書下載更多>>
- 車規與基於V2X的車輛協同主動避撞技術展望
- 數字隔離助力新能源汽車安全隔離的新挑戰
- 汽車模塊拋負載的解決方案
- 車用連接器的安全創新應用
- Melexis Actuators Business Unit
- Position / Current Sensors - Triaxis Hall
熱門搜索





