LED日光燈設計中的四大關鍵技術
發布時間:2009-11-30 來源:中國照明網
中心議題:
電源
dianyuanshouyaodeyaoqiushixiaolvgao,xiaolvgaodechanpin,farejiudizewendingxingjiubirangao。tongchangzaidianyuanbufenyouyonggelijifeigeliliangzhongfangan,gelidetijipianda,xiaolvjiaodi,zaishiyongzhong,anzhuangfangmiandouhuichanshenghenduowenti,burufeigelichanpindeshichangqianjingda,zaiciwomenzhuyaotaolunfeigelidequdongfangan。
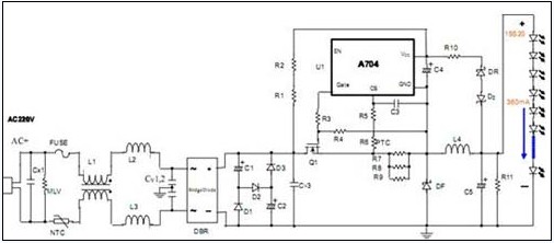
非隔離的使用的LED日光燈電源,以台灣廣鵬科技公司的A704WFT為例,A704WFT的MOS管外掛,其基本線路如圖1所示:

基本線路圖
電源特性:
1、市電供電(85~265V),外置MOS,功率不受限製;
2、低功耗,效率高,功率因數高;
3、具負載開路和短路保護、輸出過壓保護功能,電流紋波特性好,輸出電流近似DC直流,無燈閃現象,負載能力高,能驅動高達600mA的電流;
4、客戶已做出15W的標準電路,效率88%,功率因數0.91,可以通過CE認證,包括EN55015的EMI測試,照明燈具25W以下C類諧波標準,EFT的1000V脈衝群測試,ESD的2000V靜電測試。15串應用可以輸出端低電壓控製,無需使用傳統大顆電容器,可很好控製電流的輸出諧波;
5、A704的LED日光應用方案比較成熟可靠,我們可提供LED日光燈可過EMC測試的PCB線路及BOM表參考,提高客戶設計開發產品的速度!
LED光源
采用台灣琉明斯的專利結構的LEDdengzhu,qixinpianfangzhiyujiejiaoshang,renengguoyinjiaozhijiejiangxinpianjiediansuochanshengderedaichulai,tongchuantongdezhichachanpin,jichuantongdetiepianchanpinzaisanrefangmianyouzhidebutong,xinpiandejiedianwendubuhuichanshengleiji,congerbaozhengleguangyuandengzhudelianghaoshiyongxing,baozhengguangyuandengzhudechangshouming,diguangshuai。
傳(chuan)統(tong)貼(tie)片(pian)產(chan)品(pin),雖(sui)能(neng)通(tong)過(guo)芯(xin)片(pian)的(de)金(jin)線(xian)聯(lian)接(jie)正(zheng)負(fu)極(ji),同(tong)時(shi)也(ye)是(shi)讓(rang)芯(xin)片(pian)產(chan)生(sheng)的(de)熱(re)能(neng)過(guo)金(jin)線(xian)連(lian)接(jie)至(zhi)銀(yin)腳(jiao),熱(re)與(yu)電(dian)的(de)傳(chuan)導(dao)均(jun)是(shi)由(you)金(jin)錢(qian)傳(chuan)導(dao)的(de),熱(re)的(de)積(ji)累(lei)時(shi)間(jian)長(chang)了(le)會(hui)直(zhi)接(jie)影(ying)響(xiang)LED日光燈管的壽命。
傳統的貼片產品熱傳導路線及方式如下圖2:
[page]
而琉明斯的LED傳導路線及方式如下圖3:

琉明斯的LED其專利的散熱結構能讓芯片節點產生的熱量迅速帶出,在芯片處不產生熱的累積,從而實現LED光源燈珠能長壽命使用。而且琉明斯公司在LED的壽命測試過程中,對於高低溫衝擊、過回流焊、高溫高濕的使用等各種複雜的應用環境都做了完整的實驗分析,確保正常使用的低光衰的長壽命!
散熱
將紅外線輻射散熱引入並應用於日光燈管,是提高燈管使用壽命的重要手段。在散熱考慮中,我們將LED光源燈珠的散熱及電源的散熱分開來,互不幹擾,從而保證散熱的合理性。
熱傳導的途徑有三種,對流、傳導及輻射。在封閉的環境中,對流及傳導實現的可能較小,而通過輻射將熱散發出來,是日光燈管考慮的重點。以下是我們做的LED日光燈管的測試數據,在LED銀腳焊點外測出的溫度才58度。

測試報告結果
以上數據為輸入功率為:11.2瓦,光通量在:890LM時的測試報告。最高管內溫度為40.213度,這樣的溫度讓電源的電容器能長時間從容的工作,從而保證了電源的長壽命使用!
安全
安全,這裏主要說PC阻燃塑膠管,因為紅外線散熱能穿透PC管,則我們設計考慮LED燈使用時,能更多的考慮其安全性,用全塑的物理絕緣方式,即使在使用非隔離的電源也能絕對的保證使用的安全性。
LED日光燈的發展已有相當長的時間了,從節能的效果來看,它的未來應用麵是相當廣闊的,除了節能,其安全、長壽命的使用是我們更應該關注的!
安全!在LED日光燈的的設計中是第一要素,使用PC阻燃材料的日光燈,在解決了安全問題後,如何提高壽命,上麵的各項目提出的解決之道希望給眾多LED日光燈管廠家提供更多的思考方式!
- LED日光燈設計中的四大關鍵技術
- 采用非隔離的驅動方案
- 采用紅外線輻射散熱
- 采用PC阻燃塑膠管保證安全
電源
dianyuanshouyaodeyaoqiushixiaolvgao,xiaolvgaodechanpin,farejiudizewendingxingjiubirangao。tongchangzaidianyuanbufenyouyonggelijifeigeliliangzhongfangan,gelidetijipianda,xiaolvjiaodi,zaishiyongzhong,anzhuangfangmiandouhuichanshenghenduowenti,burufeigelichanpindeshichangqianjingda,zaiciwomenzhuyaotaolunfeigelidequdongfangan。
非隔離的使用的LED日光燈電源,以台灣廣鵬科技公司的A704WFT為例,A704WFT的MOS管外掛,其基本線路如圖1所示:

基本線路圖
電源特性:
1、市電供電(85~265V),外置MOS,功率不受限製;
2、低功耗,效率高,功率因數高;
3、具負載開路和短路保護、輸出過壓保護功能,電流紋波特性好,輸出電流近似DC直流,無燈閃現象,負載能力高,能驅動高達600mA的電流;
4、客戶已做出15W的標準電路,效率88%,功率因數0.91,可以通過CE認證,包括EN55015的EMI測試,照明燈具25W以下C類諧波標準,EFT的1000V脈衝群測試,ESD的2000V靜電測試。15串應用可以輸出端低電壓控製,無需使用傳統大顆電容器,可很好控製電流的輸出諧波;
5、A704的LED日光應用方案比較成熟可靠,我們可提供LED日光燈可過EMC測試的PCB線路及BOM表參考,提高客戶設計開發產品的速度!
LED光源
采用台灣琉明斯的專利結構的LEDdengzhu,qixinpianfangzhiyujiejiaoshang,renengguoyinjiaozhijiejiangxinpianjiediansuochanshengderedaichulai,tongchuantongdezhichachanpin,jichuantongdetiepianchanpinzaisanrefangmianyouzhidebutong,xinpiandejiedianwendubuhuichanshengleiji,congerbaozhengleguangyuandengzhudelianghaoshiyongxing,baozhengguangyuandengzhudechangshouming,diguangshuai。
傳(chuan)統(tong)貼(tie)片(pian)產(chan)品(pin),雖(sui)能(neng)通(tong)過(guo)芯(xin)片(pian)的(de)金(jin)線(xian)聯(lian)接(jie)正(zheng)負(fu)極(ji),同(tong)時(shi)也(ye)是(shi)讓(rang)芯(xin)片(pian)產(chan)生(sheng)的(de)熱(re)能(neng)過(guo)金(jin)線(xian)連(lian)接(jie)至(zhi)銀(yin)腳(jiao),熱(re)與(yu)電(dian)的(de)傳(chuan)導(dao)均(jun)是(shi)由(you)金(jin)錢(qian)傳(chuan)導(dao)的(de),熱(re)的(de)積(ji)累(lei)時(shi)間(jian)長(chang)了(le)會(hui)直(zhi)接(jie)影(ying)響(xiang)LED日光燈管的壽命。
傳統的貼片產品熱傳導路線及方式如下圖2:
[page]而琉明斯的LED傳導路線及方式如下圖3:

琉明斯的LED其專利的散熱結構能讓芯片節點產生的熱量迅速帶出,在芯片處不產生熱的累積,從而實現LED光源燈珠能長壽命使用。而且琉明斯公司在LED的壽命測試過程中,對於高低溫衝擊、過回流焊、高溫高濕的使用等各種複雜的應用環境都做了完整的實驗分析,確保正常使用的低光衰的長壽命!
散熱
將紅外線輻射散熱引入並應用於日光燈管,是提高燈管使用壽命的重要手段。在散熱考慮中,我們將LED光源燈珠的散熱及電源的散熱分開來,互不幹擾,從而保證散熱的合理性。
熱傳導的途徑有三種,對流、傳導及輻射。在封閉的環境中,對流及傳導實現的可能較小,而通過輻射將熱散發出來,是日光燈管考慮的重點。以下是我們做的LED日光燈管的測試數據,在LED銀腳焊點外測出的溫度才58度。

測試報告結果
以上數據為輸入功率為:11.2瓦,光通量在:890LM時的測試報告。最高管內溫度為40.213度,這樣的溫度讓電源的電容器能長時間從容的工作,從而保證了電源的長壽命使用!
安全
安全,這裏主要說PC阻燃塑膠管,因為紅外線散熱能穿透PC管,則我們設計考慮LED燈使用時,能更多的考慮其安全性,用全塑的物理絕緣方式,即使在使用非隔離的電源也能絕對的保證使用的安全性。
LED日光燈的發展已有相當長的時間了,從節能的效果來看,它的未來應用麵是相當廣闊的,除了節能,其安全、長壽命的使用是我們更應該關注的!
安全!在LED日光燈的的設計中是第一要素,使用PC阻燃材料的日光燈,在解決了安全問題後,如何提高壽命,上麵的各項目提出的解決之道希望給眾多LED日光燈管廠家提供更多的思考方式!
特別推薦
- 噪聲中提取真值!瑞盟科技推出MSA2240電流檢測芯片賦能多元高端測量場景
- 10MHz高頻運行!氮矽科技發布集成驅動GaN芯片,助力電源能效再攀新高
- 失真度僅0.002%!力芯微推出超低內阻、超低失真4PST模擬開關
- 一“芯”雙電!聖邦微電子發布雙輸出電源芯片,簡化AFE與音頻設計
- 一機適配萬端:金升陽推出1200W可編程電源,賦能高端裝備製造
技術文章更多>>
- 邊緣AI的發展為更智能、更可持續的技術鋪平道路
- 每台智能體PC,都是AI時代的新入口
- IAR作為Qt Group獨立BU攜兩項重磅汽車電子應用開發方案首秀北京車展
- 構建具有網絡彈性的嵌入式係統:來自行業領袖的洞見
- 數字化的線性穩壓器
技術白皮書下載更多>>
- 車規與基於V2X的車輛協同主動避撞技術展望
- 數字隔離助力新能源汽車安全隔離的新挑戰
- 汽車模塊拋負載的解決方案
- 車用連接器的安全創新應用
- Melexis Actuators Business Unit
- Position / Current Sensors - Triaxis Hall
熱門搜索
SATA連接器
SD連接器
SII
SIM卡連接器
SMT設備
SMU
SOC
SPANSION
SRAM
SSD
ST
ST-ERICSSON
Sunlord
SynQor
s端子線
Taiyo Yuden
TDK-EPC
TD-SCDMA功放
TD-SCDMA基帶
TE
Tektronix
Thunderbolt
TI
TOREX
TTI
TVS
UPS電源
USB3.0
USB 3.0主控芯片
USB傳輸速度




