CAN總線波形中為什麼ACK電平偏高?
發布時間:2017-07-13 責任編輯:susan
【導讀】CAN總線一直以實時性強、傳輸距離遠、抗幹擾能力強、數據保證到達等特點而廣泛應用於高可靠性的場合。但常常在觀察CAN通信波形時,我們會發現差分電平在ACK段突然增高,這是什麼原因導致的呢?這裏結合測試實例對ACK電平偏高的原因做簡單分析。
一、ACK簡介
ACK的作用:確認一幀報文是否正常接收。
以標準數椐幀為例,從結構上看分成7段,分別為起始段、仲裁段、控製段、數椐段、CRC校驗段、ACK應答段、幀結束段,如圖1所示:

圖1 標準數椐幀結構
ACK段長度為2個位,包含應答間隙(ACK SLOT)和應答界定符(ACK DELIMITER)。在應答場裏,發送站發送兩個“隱性”位。當接收器正確地接收到有效的報文,接收器就會在應答間隙(ACK SLOT)期間(發送ACK信號)向發送器發送一“顯性”的位以示應答。如圖2 (CANScope測試的ACK段波形圖)所示:

圖2 ACK應答位結構
應答間隙:所有接收到匹配CRC序列(CRC SEQUENCE)的節點會在應答間隙(ACK SLOT)期間用一“顯性”的位寫入發送器的“隱性”位來作出回答,由於CAN總線線與的原理,隻要總線上有一個節點正確接收到數據,則ACK SLOT就會被填入顯性電平。
ACK界定符:ACK界定符是ACK場的第二個位,並且是一個必須為“隱性”的位。因此,應答間隙(ACK SLOT)被兩個“隱性”的位所包圍,也就是CRC界定符(CRC DELIMITER)和ACK界定符(ACK DELIMITER)。
當一個接收節點接收的幀起始到CRC段之間的內容沒發生錯誤時,它將在ACK段發送一個顯性電平。 如圖3所示:

圖3 ACK應答過程分析
二、CAN總線ACK電平偏高原因分析
以使用ZLG致遠電子CANScope測試某電車CAN網絡為例,20多個CAN節點采樣手牽手方式組網,線兩端各接120歐電阻,通訊能夠正常,但差分信號波形應答位電平偏高較多,如圖4所示,從CANScope的波形圖中可以清楚的看到ACK電平突增。

圖4 CAN數椐幀波形分析
CAN總線通信存在異常,ACK應答有問題?——NO
分析如下:
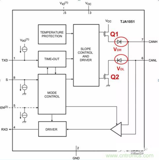
首先,我們看一款CAN收發器的典型內部結構圖,CANH、CANL連接總線。

圖5 CAN收發器的典型內部結構圖
總線顯性時(邏輯為0),收發器內部Q1、Q2導通,CANH、CANL之間產生壓差;隱性時(邏輯為1),Q1、Q2截止,CANH、CANL處於無源狀態,壓差為0。
按照標準,在總線輸出為顯性時,CANH=3.5V,CANL=1.5V,差分分電平:CANH-CANL=2V,總線網絡電阻為60歐,流經終端電阻的電流約為33mA(2V/60歐);
然而,CAN收發器在輸出顯性時,CANH電平並不是標準的3.5V,而是5V(VCC)通過一個二極管降壓得到的,二極管的壓降由負載電流決定。圖6所示的VDH為CANH對應的二極管壓降,VDL為CANL對於的二極管壓降,流過的電流越大,二極管的壓降就越大。可知:
CANH的電壓=5V-VDH CANL的電壓=0V+VDL

圖6 CAN收發器等效結構
在CAN總線網絡中,當一幀報文被各個節點接收時,在ACK階段,多個CAN節點同時響應(都發顯性),流過終端電阻的電流被各個CAN節點均分,那麼平均到每個節點的電流就減小了,如下圖所示,VDH、VDL的壓降也減小,相應CANH-CANL的差分電壓就增大了,即ACK應答電平偏高。

圖7 CAN網絡等效結構
三、ACK的意義
當CAN總線上隻有一個節點可收發數據時,總線上因無接收節點在ACK SLOT時間內 發送“顯性”位(wei)填(tian)充(chong),而(er)始(shi)終(zhong)保(bao)持(chi)隱(yin)性(xing),發(fa)送(song)者(zhe)會(hui)檢(jian)測(ce)到(dao)這(zhe)個(ge)隱(yin)性(xing)位(wei)而(er)知(zhi)道(dao)發(fa)送(song)失(shi)敗(bai),此(ci)條(tiao)報(bao)文(wen)需(xu)要(yao)重(zhong)發(fa)。因(yin)此(ci)這(zhe)個(ge)節(jie)點(dian)會(hui)一(yi)直(zhi)重(zhong)發(fa)數(shu)據(ju)直(zhi)到(dao)發(fa)送(song)成(cheng)功(gong)或(huo)發(fa)送(song)被(bei)取(qu)消(xiao)。
當總線上有多個CAN節點組網通信時,由於總線電平線與的原理,隻要總線上有一個節點正確接收到數據,則ACK SLOT就會被填入顯性電平(此時認為數據幀發送成功), 那麼,接收錯誤的節點如何來告知發送者此次發送不成功呢?這就要用到CANdecuowuzhen,dangyigejieshoujiedianshoudaocuowushujushi,talijiguangbofasongyigecuowuzhen,qitadejiedianhefasongzheyedouhuishoudaozhegecuowuzhenerdiudiaocicibaowen,fasongjiedianzhongxinfasong,zhecaishiACK的意義。
特別推薦
- 噪聲中提取真值!瑞盟科技推出MSA2240電流檢測芯片賦能多元高端測量場景
- 10MHz高頻運行!氮矽科技發布集成驅動GaN芯片,助力電源能效再攀新高
- 失真度僅0.002%!力芯微推出超低內阻、超低失真4PST模擬開關
- 一“芯”雙電!聖邦微電子發布雙輸出電源芯片,簡化AFE與音頻設計
- 一機適配萬端:金升陽推出1200W可編程電源,賦能高端裝備製造
技術文章更多>>
- 邊緣AI的發展為更智能、更可持續的技術鋪平道路
- 每台智能體PC,都是AI時代的新入口
- IAR作為Qt Group獨立BU攜兩項重磅汽車電子應用開發方案首秀北京車展
- 構建具有網絡彈性的嵌入式係統:來自行業領袖的洞見
- 數字化的線性穩壓器
技術白皮書下載更多>>
- 車規與基於V2X的車輛協同主動避撞技術展望
- 數字隔離助力新能源汽車安全隔離的新挑戰
- 汽車模塊拋負載的解決方案
- 車用連接器的安全創新應用
- Melexis Actuators Business Unit
- Position / Current Sensors - Triaxis Hall
熱門搜索
SATA連接器
SD連接器
SII
SIM卡連接器
SMT設備
SMU
SOC
SPANSION
SRAM
SSD
ST
ST-ERICSSON
Sunlord
SynQor
s端子線
Taiyo Yuden
TDK-EPC
TD-SCDMA功放
TD-SCDMA基帶
TE
Tektronix
Thunderbolt
TI
TOREX
TTI
TVS
UPS電源
USB3.0
USB 3.0主控芯片
USB傳輸速度




