交通便利的法寶:智能交通控製係統的設計
發布時間:2015-01-17 責任編輯:echolady
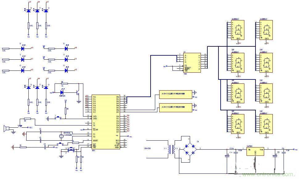
【導讀】本文所要設計的係統是基於8051單片機的,由8051單片機、交通燈顯示、LED倒計時、車流量檢測及調整、違規檢測、緊急處理、時間模式手動設置等模塊組成。經過設計調試後,係統能夠簡單有效地疏導交通,提高道路的疏通能力。
係統除基本交通燈功能外,還具有通行時間手動設置、可倒計時顯示、急車強行通過、車流量檢測及調整、交通異常狀況判別及處理等相關功能。
本設計主要做了如下幾方麵的工作:一是確定係統交通控製的總體設計,包括,十字路口具體的通行禁行方案設計以及係統應擁有的各項功能,二是進行傳感器的硬件電路、顯示電路等的設計和基本功能要求。

圖1:智能交通控製係統信號燈連接


圖2:智能交通控製係統總體設計電路圖
特別推薦
- 噪聲中提取真值!瑞盟科技推出MSA2240電流檢測芯片賦能多元高端測量場景
- 10MHz高頻運行!氮矽科技發布集成驅動GaN芯片,助力電源能效再攀新高
- 失真度僅0.002%!力芯微推出超低內阻、超低失真4PST模擬開關
- 一“芯”雙電!聖邦微電子發布雙輸出電源芯片,簡化AFE與音頻設計
- 一機適配萬端:金升陽推出1200W可編程電源,賦能高端裝備製造
技術文章更多>>
- 邊緣AI的發展為更智能、更可持續的技術鋪平道路
- 每台智能體PC,都是AI時代的新入口
- IAR作為Qt Group獨立BU攜兩項重磅汽車電子應用開發方案首秀北京車展
- 構建具有網絡彈性的嵌入式係統:來自行業領袖的洞見
- 數字化的線性穩壓器
技術白皮書下載更多>>
- 車規與基於V2X的車輛協同主動避撞技術展望
- 數字隔離助力新能源汽車安全隔離的新挑戰
- 汽車模塊拋負載的解決方案
- 車用連接器的安全創新應用
- Melexis Actuators Business Unit
- Position / Current Sensors - Triaxis Hall
熱門搜索





