專家給你深入解析電鍍用移相全橋軟開關電路
發布時間:2014-10-20 責任編輯:mikeliu
【導讀】電(dian)鍍(du)的(de)電(dian)源(yuan)與(yu)普(pu)通(tong)電(dian)源(yuan)的(de)不(bu)同(tong)之(zhi)處(chu)在(zai)於(yu)電(dian)鍍(du)電(dian)源(yuan)需(xu)要(yao)電(dian)流(liu)輸(shu)出(chu),而(er)且(qie)對(dui)輸(shu)出(chu)電(dian)壓(ya)要(yao)求(qiu)較(jiao)低(di)。電(dian)鍍(du)電(dian)源(yuan)功(gong)率(lv)較(jiao)大(da),因(yin)此(ci)多(duo)數(shu)采(cai)用(yong)晶(jing)閘(zha)管(guan)相(xiang)控(kong)整(zheng)流(liu)方(fang)式(shi)。本(ben)文(wen)中(zhong)深(shen)入(ru)解(jie)析(xi)了(le)電(dian)鍍(du)用(yong)開關電源,電流從0-5000A,輸出電壓從0-12V連續可調,60KW的滿載輸出功率。
零電壓軟開關
高頻全橋逆變器的控製方式為移相FB2ZVS控製方式,控製芯片采用Unitrode 公司生產的UC3875N。超前橋臂在全負載範圍內實現了零電壓軟開關,滯後橋臂在75 %以上負載範圍內實現了零電壓軟開關。圖2 為滯後橋臂IGBT 的驅動電壓和集射極電壓波形,可以看出實現了零電壓開通。
開關頻率選擇20kHz ,這樣設計一方麵可以減小IGBT的關斷損耗,另一方麵又可以兼顧高頻化,使功率變壓器及輸出濾波環節的體積減小。

圖1:IGBT驅動電壓和集射極電壓波形圖
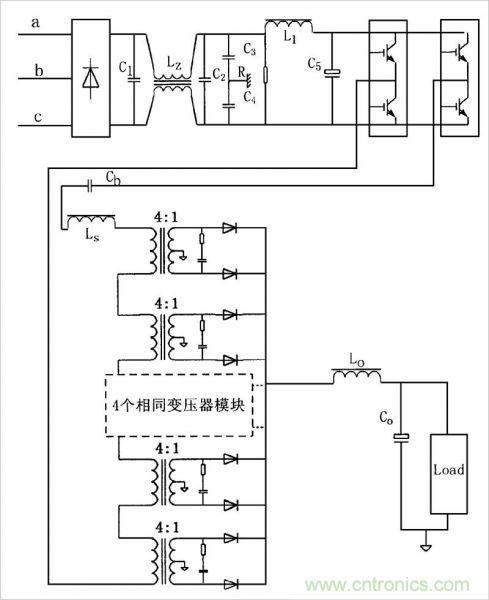
主電路拓撲結構
考慮到對大電流輸出的需要,在主電路的高頻逆變部分,本設計選用了IGBT作為功率開關器件的全橋拓撲結構。整個主電路如圖1 所示,包括:工頻三相交流電輸入、二極管整流橋、EMI 濾波器、濾波電感電容、高頻全橋逆變器、高頻變壓器、輸出整流環節、輸出LC 濾波器等。
為了防止偏磁,電路中包含了隔直電容Cb,用它來對變壓器的伏秒值進行平衡。考慮到效率的問題,諧振電感LS zhiliyonglebianyaqibenshendelougan。yinweiruguogaidiangantaida,jianghuidaozhiguogaodeguanduandianyajianfeng,zheduikaiguanguanjiweibuli,tongshiyehuizengdaguanduansunhao。lingyifangmian,haihuizaochengyanzhongdezhankongbidiushi,yinqikaiguanqijiandedianliufengzhizenggao,shidexitongdexingnengjiangdi。

圖2:主電路原理圖
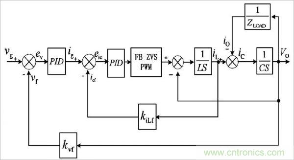
對dui輸shu出chu電dian流liu進jin行xing限xian製zhi,是shi為wei了le對dui電dian源yuan當dang中zhong的de開kai關guan元yuan件jian進jin行xing保bao護hu,以yi免mian出chu現xian超chao出chu過guo載zai承cheng受shou能neng力li的de情qing況kuang。因yin此ci,控kong製zhi電dian路lu采cai用yong電dian壓ya電dian流liu雙shuang環huan結jie構gou(內環為電流環,外環為電壓環) ,調節器均為PID。圖3 為(wei)控(kong)製(zhi)電(dian)路(lu)的(de)原(yuan)理(li)框(kuang)圖(tu)。加(jia)入(ru)電(dian)流(liu)內(nei)環(huan)後(hou),不(bu)僅(jin)可(ke)以(yi)對(dui)輸(shu)出(chu)電(dian)流(liu)加(jia)以(yi)限(xian)製(zhi),並(bing)且(qie)可(ke)以(yi)提(ti)高(gao)輸(shu)出(chu)的(de)動(dong)態(tai)響(xiang)應(ying),有(you)利(li)於(yu)減(jian)小(xiao)輸(shu)出(chu)電(dian)壓(ya)的(de)紋(wen)波(bo)。

圖3:控製電路的原理框圖
[page]在本設計當中,大量運用了穩壓和穩流的控製電路,圖4為穩壓穩流自動轉換電路。其工作原理是:穩流工作時,電壓環飽和,電壓環輸出大於電流給定,從而電壓環不起作用,隻有電流環工作;zaiwenyagongzuoshi,dianyahuantuibaohe,dianliugeidingdayudianyahuandeshuchu,dianliugeidingyunsuanfangdaqibaohe,dianliugeidingbuqizuoyong,dianyahuanjidianliuhuantongshigongzuo,cishidekongzhiqiweishuanghuanjiegou。zhezhongkongzhifangshishideshuchudianya、輸出電流均限製在給定範圍內,具體的工作方式由給定電壓、給定電流及負載三者決定。

圖4:穩壓穩流自動轉換電路
以縮小體積增長效率為目的,本設計采用了軟開關的技術,電源實際容量為60kw高頻全橋逆變器的控製方式為移相FB2ZVS 控製方式,它利用變壓器的漏感及管子的寄生電容諧振來實現ZVS。控製芯片采用Unitrode 公司生產的UC3875N。通過移相控製,超前橋臂在全負載範圍內實現了零電壓軟開關,滯後橋臂在75 %以上的負載範圍內實現了零電壓軟開關。
在(zai)本(ben)次(ci)設(she)計(ji)中(zhong),電(dian)鍍(du)電(dian)源(yuan)采(cai)用(yong)移(yi)相(xiang)全(quan)橋(qiao)的(de)軟(ruan)開(kai)關(guan)電(dian)源(yuan)技(ji)術(shu)。從(cong)主(zhu)電(dian)路(lu)拓(tuo)撲(pu)到(dao)控(kong)製(zhi)電(dian)路(lu)的(de)設(she)計(ji),有(you)效(xiao)的(de)減(jian)少(shao)了(le)開(kai)關(guan)的(de)損(sun)耗(hao)以(yi)及(ji)噪(zao)聲(sheng)問(wen)題(ti),而(er)且(qie)功(gong)率(lv)器(qi)件(jian)在(zai)零(ling)電(dian)壓(ya)狀(zhuang)態(tai)實(shi)現(xian)了(le)軟(ruan)開(kai)關(guan)。
相關閱讀:
特別推薦
- 噪聲中提取真值!瑞盟科技推出MSA2240電流檢測芯片賦能多元高端測量場景
- 10MHz高頻運行!氮矽科技發布集成驅動GaN芯片,助力電源能效再攀新高
- 失真度僅0.002%!力芯微推出超低內阻、超低失真4PST模擬開關
- 一“芯”雙電!聖邦微電子發布雙輸出電源芯片,簡化AFE與音頻設計
- 一機適配萬端:金升陽推出1200W可編程電源,賦能高端裝備製造
技術文章更多>>
- 築基AI4S:摩爾線程全功能GPU加速中國生命科學自主生態
- 一秒檢測,成本降至萬分之一,光引科技把幾十萬的台式光譜儀“搬”到了手腕上
- AI服務器電源機櫃Power Rack HVDC MW級測試方案
- 突破工藝邊界,奎芯科技LPDDR5X IP矽驗證通過,速率達9600Mbps
- 通過直接、準確、自動測量超低範圍的氯殘留來推動反滲透膜保護
技術白皮書下載更多>>
- 車規與基於V2X的車輛協同主動避撞技術展望
- 數字隔離助力新能源汽車安全隔離的新挑戰
- 汽車模塊拋負載的解決方案
- 車用連接器的安全創新應用
- Melexis Actuators Business Unit
- Position / Current Sensors - Triaxis Hall
熱門搜索
微波功率管
微波開關
微波連接器
微波器件
微波三極管
微波振蕩器
微電機
微調電容
微動開關
微蜂窩
位置傳感器
溫度保險絲
溫度傳感器
溫控開關
溫控可控矽
聞泰
穩壓電源
穩壓二極管
穩壓管
無焊端子
無線充電
無線監控
無源濾波器
五金工具
物聯網
顯示模塊
顯微鏡結構
線圈
線繞電位器
線繞電阻



