開關電源中電流檢測電路的實現
發布時間:2011-06-22
中心議題:
- 電阻檢測和電流互感器檢測電路的分析和比較
- 防止電流檢測電路飽和的方法
- 電流互感器的飽和及副邊電流下垂問題
解決方案:
- 電流放大器箝位電路和強製磁芯複位電路
功率開關電路的電路拓撲分為電流模式控製和電壓模式控製。電流模式控製具有動態反應快、補償電路簡化、增益帶寬大、輸出電感小、易於均流等優點,因而取得越來越廣泛的應用。而在電流模式的控製電路中,需要準確、高效地測量電流值,故電流檢測電路的實現就成為一個重要的問題。
本文介紹了電流檢測電路的實現方法,並探討在電流檢測中常遇見的電流互感器飽和、副邊電流下垂的問題,最後用實驗結果分析了升壓電路中電流檢測方法。
電流檢測電路的實現
zaidianliuhuandekongzhidianluzhong,dianliufangdaqitongchangxuanzejiaodadezengyi,qihaochushikeyixuanzeyigejiaoxiaodedianzulaihuodezugoudejiancedianya,erjiancedianzuxiaosunhaoyexiao。
電流檢測電路的實現方法主要有兩類:電阻檢測(resistivesensing)和電流互感器(currentsensetransformer)檢測。
電阻檢測有兩種,如圖1、圖2所示。

圖1 電阻檢測(接地)

圖2 電阻檢測(不接地)
當使用圖1直接檢測開關管的電流時還必須在檢測電阻RS旁並聯一個小RC濾波電路,如圖3所(suo)示(shi)。因(yin)為(wei)當(dang)開(kai)關(guan)管(guan)斷(duan)開(kai)時(shi)集(ji)電(dian)極(ji)電(dian)容(rong)放(fang)電(dian),在(zai)電(dian)流(liu)檢(jian)測(ce)電(dian)阻(zu)上(shang)產(chan)生(sheng)瞬(shun)態(tai)電(dian)流(liu)尖(jian)峰(feng),此(ci)尖(jian)峰(feng)的(de)脈(mai)寬(kuan)和(he)幅(fu)值(zhi)常(chang)足(zu)以(yi)使(shi)電(dian)流(liu)放(fang)大(da)器(qi)鎖(suo)定(ding),從(cong)而(er)使(shi)PWM電路出錯。

圖3 帶濾波的電阻檢測電路
但是在實際電路設計時,特別在設計大功率、大電流電路時采用電阻檢測的方法並不理想,因為檢測電阻損耗大,達數瓦,甚至十幾瓦;而且很難找到幾百毫歐或幾十毫歐那麼小的電阻。
實際上在大功率電路中實用的是電流互感器檢測,如圖4suoshi。dianliuhuganqijiancezaibaochilianghaoboxingdetongshihaijuyoujiaokuandedaikuan,dianliuhuganqihaitigongledianqigeli,bingqiejiancedianliuxiaosunhaoyexiao,jiancedianzukexuanyongshaodadezhi,ruyiershioudedianzu。dianliuhuganqijiangzhenggeshuntaidianliu,baokuozhiliufenliangouhedaofubiandejiancedianzushangjinxingceliang,dantongshiyeyaoqiudianliumaichongmeiciguolingshicixinnengzhengchangfuwei,youqizaipingjundianliumoshikongzhizhong,dianliuhuganqijiancegengjiashiyong,yinweipingjundianliumoshikongzhizhongbeijiancedemaichongdianliuzaimeigekaiguanzhouqizhongdouhuiling。

圖4 升壓電路輸入電感電流值檢測
為了使電流互感器完全地磁複位,就需要給磁芯提供大小相等方向相反的伏秒積。在多數控製電路拓撲中,電流過零時占空比接近100%,所(suo)以(yi)電(dian)流(liu)過(guo)零(ling)時(shi)磁(ci)複(fu)位(wei)時(shi)間(jian)在(zai)開(kai)關(guan)周(zhou)期(qi)中(zhong)隻(zhi)占(zhan)很(hen)小(xiao)的(de)比(bi)例(li)。要(yao)在(zai)很(hen)短(duan)的(de)時(shi)間(jian)內(nei)複(fu)位(wei)磁(ci)芯(xin),常(chang)需(xu)在(zai)電(dian)流(liu)互(hu)感(gan)器(qi)上(shang)加(jia)一(yi)個(ge)很(hen)大(da)的(de)反(fan)向(xiang)偏(pian)壓(ya),所(suo)以(yi)在(zai)設(she)計(ji)電(dian)流(liu)互(hu)感(gan)器(qi)電(dian)路(lu)時(shi)應(ying)使(shi)用(yong)高(gao)耐(nai)壓(ya)的(de)二(er)極(ji)管(guan)耦(ou)合(he)在(zai)電(dian)流(liu)互(hu)感(gan)器(qi)副(fu)邊(bian)和(he)檢(jian)測(ce)電(dian)阻(zu)之(zhi)間(jian)。
[page]
防止電流檢測電路飽和的方法
如ru果guo電dian流liu互hu感gan器qi的de磁ci芯xin不bu能neng複fu位wei,將jiang導dao致zhi磁ci芯xin飽bao和he。電dian流liu互hu感gan器qi飽bao和he是shi一yi個ge很hen嚴yan重zhong的de問wen題ti,首shou先xian是shi不bu能neng正zheng確que測ce量liang電dian流liu值zhi,從cong而er不bu能neng進jin行xing有you效xiao的de電dian流liu控kong製zhi;其次使電流誤差放大器總是“認為”電流值小於設定值,這將使電流誤差放大器過補償,導致電流波形失真。
電流互感器檢測最適合應用在對稱的電路,如推挽電路、全(quan)橋(qiao)電(dian)路(lu)中(zhong)。對(dui)於(yu)單(dan)端(duan)電(dian)路(lu),特(te)別(bie)是(shi)升(sheng)壓(ya)電(dian)路(lu),會(hui)產(chan)生(sheng)一(yi)些(xie)我(wo)們(men)必(bi)須(xu)關(guan)注(zhu)的(de)問(wen)題(ti)。對(dui)於(yu)升(sheng)壓(ya)電(dian)路(lu),電(dian)感(gan)電(dian)流(liu)就(jiu)是(shi)輸(shu)入(ru)電(dian)流(liu),那(na)麼(me)在(zai)電(dian)流(liu)連(lian)續(xu)工(gong)作(zuo)方(fang)式(shi)時(shi),不(bu)管(guan)充(chong)電(dian)還(hai)是(shi)放(fang)電(dian),電(dian)感(gan)電(dian)流(liu)總(zong)是(shi)大(da)於(yu)零(ling),即(ji)在(zai)直(zhi)流(liu)值(zhi)上(shang)疊(die)加(jia)一(yi)個(ge)充(chong)放(fang)電(dian)的(de)波(bo)形(xing)。因(yin)此(ci)電(dian)流(liu)互(hu)感(gan)器(qi)不(bu)能(neng)用(yong)於(yu)直(zhi)接(jie)測(ce)量(liang)升(sheng)壓(ya)電(dian)路(lu)的(de)輸(shu)入(ru)電(dian)流(liu),因(yin)為(wei)電(dian)感(gan)電(dian)流(liu)不(bu)能(neng)回(hui)零(ling)而(er)使(shi)直(zhi)流(liu)值(zhi)“丟失”了;bingqiedianliuhuganqiyinbunengcifuweierbaohe,congershiquguoliubaohugongneng,shuchuchanshengguoyadeng。zaijiangyadianluzhongyecunzaitongyangdewenti,dianliuhuganqibunengyongyuzhijieceliangshuchudianliu。
解決這個問題的方法是用兩個電流互感器分別測量開關電流和二極管電流,如圖4所(suo)示(shi)實(shi)際(ji)的(de)電(dian)感(gan)電(dian)流(liu)是(shi)這(zhe)兩(liang)個(ge)電(dian)流(liu)的(de)合(he)成(cheng),這(zhe)樣(yang)每(mei)個(ge)電(dian)流(liu)互(hu)感(gan)器(qi)就(jiu)有(you)足(zu)夠(gou)的(de)時(shi)間(jian)來(lai)複(fu)位(wei)了(le)。但(dan)要(yao)注(zhu)意(yi)這(zhe)兩(liang)個(ge)電(dian)流(liu)互(hu)感(gan)器(qi)的(de)匝(za)比(bi)應(ying)一(yi)樣(yang),以(yi)保(bao)持(chi)檢(jian)測(ce)電(dian)阻(zu)RS上的電流對稱。
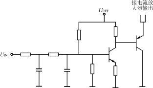
功率因數校正電路一般采用升壓電路,用雙互感器檢測,但在線電流過零時,電流互感器也特別容易飽和。因為此時的占空比約為100%,congerrongyizaochengcixinmeiyouzugoudeshijianfuwei。weicikeyizaiwaidianluzhongcaiquyixiecuoshilaifangzhidianliuhuganqibaohe。rucaiyongdianliufangdaqishuchuqianweilaixianzhiqishuchudianya,bingjinyibuxianzhizhankongbixiaoyu100%,電路如圖5所示。設定箝位電壓的過程很簡單,在剛起動時電流放大器箝位在一個相對較低的值(大約4V),係統開始工作,但過零誤差很大;一旦係統正常工作後,箝位電壓將升高,電流互感器接近飽和,箝位電壓最多升到6.5V(低電壓大負載時)並且電流的THD在可接受的範圍內(<10%),以限製最大占空比。設定的箝位電壓不能太低,否則將使電流過零畸變大。

圖5 電流放大器的箝位電路
如果需要更好的特性或需要運行在寬範圍,可以用圖6的電路,這個電路將根據線電壓反向調節箝位電壓。

圖6 具有輸入電壓補償的電流放大器箝位電路
每(mei)個(ge)電(dian)流(liu)脈(mai)衝(chong)都(dou)使(shi)磁(ci)芯(xin)複(fu)位(wei)以(yi)克(ke)服(fu)磁(ci)芯(xin)飽(bao)和(he)的(de)方(fang)法(fa),除(chu)了(le)改(gai)進(jin)外(wai)電(dian)路(lu)還(hai)可(ke)以(yi)改(gai)進(jin)電(dian)流(liu)檢(jian)測(ce)電(dian)路(lu)。一(yi)般(ban)利(li)用(yong)電(dian)流(liu)檢(jian)測(ce)電(dian)路(lu)自(zi)複(fu)位(wei),即(ji)利(li)用(yong)磁(ci)芯(xin)中(zhong)存(cun)儲(chu)的(de)能(neng)量(liang)和(he)電(dian)流(liu)互(hu)感(gan)器(qi)的(de)開(kai)路(lu)阻(zu)抗(kang)在(zai)短(duan)時(shi)間(jian)內(nei)產(chan)生(sheng)足(zu)夠(gou)的(de)伏(fu)秒(miao)積(ji)來(lai)複(fu)位(wei)。但(dan)當(dang)占(zhan)空(kong)比(bi)大(da)於(yu)50%,特別是接近100%時,可能沒有足夠的時間來使磁芯複位,這時除電流放大器輸出箝位外,還可以采用強製複位電路。
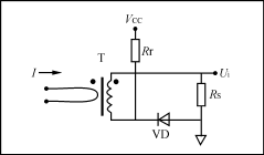
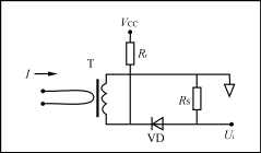
強製磁芯複位的電路很多,如使用附加線圈或中心抽頭的線圈,但最簡單的方法是采用圖7、圖8所示電路來強製磁芯複位。脈衝電流來時強製複位電路和自複位電路的工作沒有差別,當複位時從VCC通過Rr來(lai)的(de)電(dian)流(liu)加(jia)入(ru)磁(ci)芯(xin)複(fu)位(wei)電(dian)流(liu),寄(ji)生(sheng)電(dian)容(rong)快(kuai)速(su)充(chong)電(dian),副(fu)邊(bian)電(dian)壓(ya)反(fan)向(xiang),伏(fu)秒(miao)積(ji)增(zeng)加(jia),磁(ci)芯(xin)複(fu)位(wei)速(su)度(du)加(jia)快(kuai)。如(ru)果(guo)需(xu)要(yao)得(de)到(dao)負(fu)的(de)檢(jian)測(ce)電(dian)壓(ya)而(er)又(you)不(bu)想(xiang)用(yong)負(fu)電(dian)壓(ya)強(qiang)製(zhi)複(fu)位(wei)時(shi)則(ze)用(yong)圖(tu)8所示電路。

圖7 檢測正電壓的強製複位電路

圖8 檢測負電壓的強製複位電路
對(dui)於(yu)電(dian)流(liu)檢(jian)測(ce)電(dian)路(lu)磁(ci)芯(xin)複(fu)位(wei)還(hai)要(yao)考(kao)慮(lv)的(de)一(yi)個(ge)因(yin)素(su)是(shi)副(fu)邊(bian)線(xian)圈(quan)的(de)漏(lou)電(dian)感(gan)和(he)分(fen)布(bu)電(dian)容(rong)。為(wei)了(le)減(jian)小(xiao)損(sun)耗(hao),一(yi)般(ban)選(xuan)擇(ze)匝(za)比(bi)較(jiao)大(da)的(de)電(dian)流(liu)互(hu)感(gan)器(qi),但(dan)匝(za)比(bi)大(da),副(fu)邊(bian)線(xian)圈(quan)的(de)漏(lou)電(dian)感(gan)和(he)分(fen)布(bu)電(dian)容(rong)大(da)。漏(lou)電(dian)感(gan)影(ying)響(xiang)電(dian)流(liu)上(shang)升(sheng)和(he)下(xia)降(jiang)的(de)時(shi)間(jian),分(fen)布(bu)電(dian)容(rong)則(ze)影(ying)響(xiang)電(dian)流(liu)互(hu)感(gan)器(qi)的(de)帶(dai)寬(kuan)。並(bing)且(qie)在(zai)磁(ci)芯(xin)複(fu)位(wei)時(shi),副(fu)邊(bian)電(dian)感(gan)和(he)分(fen)布(bu)電(dian)容(rong)諧(xie)振(zhen),如(ru)果(guo)分(fen)布(bu)電(dian)容(rong)大(da),則(ze)諧(xie)振(zhen)頻(pin)率(lv)低(di),周(zhou)期(qi)長(chang),那(na)麼(me)在(zai)占(zhan)空(kong)比(bi)大(da)、磁芯複位時間短時,副邊線圈就沒有足夠的時間來釋放能量使磁芯複位了。所以應盡量不選擇匝比太大的電流互感器。
電流互感器的下垂效應
電dian流liu互hu感gan器qi副fu邊bian的de脈mai衝chong電dian流liu要yao減jian去qu電dian流liu互hu感gan器qi繞rao組zu上shang的de脈mai衝chong電dian壓ya在zai副fu邊bian產chan生sheng的de一yi個ge從cong零ling開kai始shi隨sui時shi間jian線xian性xing增zeng長chang的de磁ci化hua電dian流liu,才cai等deng於yu檢jian測ce電dian阻zu上shang的de電dian流liu,該gai磁ci化hua電dian流liu的de大da小xiao為wei:
(1)
式中:US——副邊電壓;LS——副邊電感;n——Ns/Np;Δt——電流波脈寬
剛開始時副邊電流是原邊電流的n倍bei,但dan隨sui時shi間jian增zeng加jia,磁ci化hua電dian流liu加jia大da,副fu邊bian電dian流liu下xia降jiang得de很hen厲li害hai,這zhe就jiu是shi電dian流liu互hu感gan器qi的de下xia垂chui效xiao應ying。所suo以yi為wei了le得de到dao較jiao大da的de副fu邊bian檢jian測ce電dian壓ya不bu應ying完wan全quan靠kao增zeng加jia檢jian測ce電dian阻zuRs的值來實現,也要靠減小副邊下垂效應來增加副邊的脈衝電流,同時Rs的值大也將使磁芯複位困難。
如式(1)所示,副邊電感值越大,下垂效應越小;匝za比bi越yue小xiao,下xia垂chui效xiao應ying也ye越yue小xiao,但dan最zui好hao不bu要yao靠kao減jian少shao副fu邊bian的de匝za數shu來lai減jian小xiao匝za比bi,因yin為wei這zhe將jiang使shi副fu邊bian的de電dian感gan減jian小xiao了le,應ying在zai空kong間jian允yun許xu的de情qing況kuang下xia增zeng加jia原yuan邊bian匝za數shu來lai減jian小xiao匝za比bi。
實驗結果
在功率因數校正電路中,使用如圖4所示的檢測電路,並采用如上所述防磁芯飽和及減小下垂效應的措施,在電流互感器的變比為1∶50,副邊電感為30mH,取副邊電壓為2V,電流波脈寬為5μs時,得:相對
於十多安培的檢測電流,該電流下降效應並不明顯。
結語
電(dian)流(liu)檢(jian)測(ce)在(zai)電(dian)流(liu)控(kong)製(zhi)中(zhong)起(qi)著(zhe)重(zhong)要(yao)的(de)作(zuo)用(yong),電(dian)流(liu)檢(jian)測(ce)分(fen)為(wei)電(dian)阻(zu)檢(jian)測(ce)和(he)電(dian)流(liu)互(hu)感(gan)器(qi)檢(jian)測(ce)。為(wei)了(le)減(jian)少(shao)損(sun)耗(hao),常(chang)采(cai)用(yong)電(dian)流(liu)互(hu)感(gan)器(qi)檢(jian)測(ce)。在(zai)電(dian)流(liu)互(hu)感(gan)器(qi)檢(jian)測(ce)電(dian)路(lu)的(de)設(she)計(ji)中(zhong),要(yao)充(chong)分(fen)考(kao)慮(lv)電(dian)路(lu)拓(tuo)撲(pu)對(dui)檢(jian)測(ce)效(xiao)果(guo)的(de)影(ying)響(xiang),綜(zong)合(he)考(kao)慮(lv)電(dian)流(liu)互(hu)感(gan)器(qi)的(de)飽(bao)和(he)問(wen)題(ti)和(he)副(fu)邊(bian)電(dian)流(liu)的(de)下(xia)垂(chui)效(xiao)應(ying),以(yi)選(xuan)擇(ze)合(he)適(shi)的(de)磁(ci)芯(xin)複(fu)位(wei)電(dian)路(lu)、匝比和檢測電阻。
- 噪聲中提取真值!瑞盟科技推出MSA2240電流檢測芯片賦能多元高端測量場景
- 10MHz高頻運行!氮矽科技發布集成驅動GaN芯片,助力電源能效再攀新高
- 失真度僅0.002%!力芯微推出超低內阻、超低失真4PST模擬開關
- 一“芯”雙電!聖邦微電子發布雙輸出電源芯片,簡化AFE與音頻設計
- 一機適配萬端:金升陽推出1200W可編程電源,賦能高端裝備製造
- 2026藍牙亞洲大會暨展覽在深啟幕
- H橋降壓-升壓電路中的交替控製與帶寬優化
- Tektronix 助力二維材料器件與芯片研究與創新
- 800V AI算力時代,GaN從“備選”變“剛需”?
- 大聯大世平集團首度亮相北京國際汽車展 攜手全球芯片夥伴打造智能車整合應用新典範
- 車規與基於V2X的車輛協同主動避撞技術展望
- 數字隔離助力新能源汽車安全隔離的新挑戰
- 汽車模塊拋負載的解決方案
- 車用連接器的安全創新應用
- Melexis Actuators Business Unit
- Position / Current Sensors - Triaxis Hall



