(多圖) 汽車電子MCU的抗EMI設計與測試方案
發布時間:2016-06-08 責任編輯:wenwei
【導讀】集ji成cheng電dian路lu電dian磁ci兼jian容rong不bu僅jin涉she及ji集ji成cheng電dian路lu電dian磁ci幹gan擾rao與yu抗kang擾rao度du的de設she計ji和he測ce試shi方fang法fa,而er且qie有you必bi要yao與yu集ji成cheng電dian路lu的de應ying用yong相xiang結jie合he。針zhen對dui汽qi車che電dian子zi領ling域yu來lai講jiang,將jiang對dui整zheng車che級ji、lingbujianjidediancijianrongyaoqiuqiangzhixingbiaozhun,jiehedaojichengdianludeshejizhong,cainengshidianlugengyiyushejichufuhebiaozhundezuizhongchanpin。zuoweidianzikongzhixitonglimianzuiweiguanjiandedanyuan——微控製器(MCU),其EMC性能的好壞直接影響各個模塊與係統的控製功能。
1 引言
suizhejichengdianlujichengdudetigao,yuelaiyueduodeyuanjianjichengdaoxinpianshang,dianlugongnengbiandefuza,gongzuodianyayezaijiangdi。dangyigehuoduogedianlulichanshengdexinhaohuozaoshengyutongyigexinpianneilingyigedianludeyunxingbiciganraoshi,jiuchanshenglexinpianneideEMC問題,最為常見的就是SSN(Simultaneous Switch Noise,同時開關噪聲)和Crosstalk(串音),它(ta)們(men)都(dou)會(hui)給(gei)芯(xin)片(pian)正(zheng)常(chang)工(gong)作(zuo)帶(dai)來(lai)影(ying)響(xiang)。由(you)於(yu)集(ji)成(cheng)電(dian)路(lu)通(tong)過(guo)高(gao)速(su)脈(mai)衝(chong)數(shu)字(zi)信(xin)號(hao)進(jin)行(xing)工(gong)作(zuo),工(gong)作(zuo)頻(pin)率(lv)越(yue)高(gao)產(chan)生(sheng)的(de)電(dian)磁(ci)幹(gan)擾(rao)頻(pin)譜(pu)越(yue)寬(kuan),越(yue)容(rong)易(yi)引(yin)起(qi)對(dui)外(wai)輻(fu)射(she)的(de)電(dian)磁(ci)兼(jian)容(rong)方(fang)麵(mian)問(wen)題(ti)。基(ji)於(yu)以(yi)上(shang)情(qing)況(kuang),集(ji)成(cheng)電(dian)路(lu)本(ben)身(shen)的(de)電(dian)磁(ci)幹(gan)擾(rao)(EMI)與抗擾度(EMS)問題已成為集成電路設計與製造關注的課題。
本文在汽車電子MCU 中采用抗EMI的設計方法,依據IEC61967傳導測試標準,對汽車電子MCU進行電磁幹擾的測試。
2 汽車電子MCU設計方法
下麵介紹在汽車電子MCU中使用的可行性設計方法以及其他幾種抗EMI設計技術。
2.1 時鍾電路設計
youyushizhongdianluchanshengdeshizhongxinhaoyibandoushizhouqixinhao,qipinpushilisande,lisanpudenengliangjizhongzaiyouxiandepinlvshang。youyouyuxitongzhonggegebufendeshizhongxinhaotongchangyoutongyishizhongfenpin、倍頻得到,它們的譜線之間也是倍頻關係,重疊起來進而增大輻射的幅值,因此說時鍾電路是一個非常大的汙染源。
針對汽車電子MCU 數字前端設計,在抗EMI方麵采用門控時鍾的方法改進。任何時鍾在不需要時都應關閉,減低工作時鍾引起的電磁發射問題。根據A8128(汽車電子MCU的型號)芯片係統功能設計要求,采用Run、Idle、Stop和Debug四種工作模式,在每一種工作模式下針對係統時鍾、外設模塊時鍾進行適當門控。此外,還有幾種在時鍾方麵常見的抗EMI的設計方法,包括:
①降低工作頻率
MCU的工作時鍾應該設定為滿足性能要求所需的最低頻率。從下麵的測試結果可以看出,一個MCU的運行頻率由80MHz變為10MHz,可以使頻譜寬頻範圍內的幹擾峰值產生幾十dBμV 的衰減,而且能夠有效的降低功耗。
②異步設計
yibudianlugongzuomeiyousuodingyigeguyoupinlv,diancifushedafanweijunyunfenbuerbuhuijizhongzaitedingdezhaidaipinpuzhong。zheyiguanjianbenzhitezhengjuedinglejishiyibudianlushiyongdaliangdeyouyuanmendianlu,tasuochanshengdediancifasheyeyaobitongbudianluxiao。
③擴展頻譜
擴展頻譜時鍾是一項能夠減小輻射測量值的技術,這種技術對時鍾頻率進行1%~2%的調製,擴散諧波分量,在CISPR16或FCC發fa射she測ce試shi中zhong峰feng值zhi較jiao低di,但dan這zhe並bing非fei真zhen正zheng減jian小xiao瞬shun時shi發fa射she功gong率lv。因yin此ci,對dui一yi些xie快kuai速su反fan應ying設she備bei仍reng可ke能neng產chan生sheng同tong樣yang的de幹gan擾rao。擴kuo展zhan頻pin譜pu時shi鍾zhong不bu能neng應ying用yong於yu要yao求qiu嚴yan格ge的de時shi間jian通tong信xin網wang絡luo中zhong,比bi如ruFDD、以太網、光纖等。
2.2 IO端口設計
在汽車電子MCU 的輸入輸出端口設計中,也加入了抗EMI方案,包括翻轉速率(slew rate control)和驅動強度(drive strength)控製方法。通過在所有通用P口kou引yin入ru可ke配pei置zhi的de翻fan轉zhuan速su率lv和he驅qu動dong強qiang度du寄ji存cun器qi,在zai需xu要yao的de時shi候hou打da開kai相xiang應ying功gong能neng。翻fan轉zhuan速su率lv有you打da開kai和he關guan閉bi兩liang種zhong選xuan擇ze,打da開kai後hou能neng夠gou有you效xiao地di平ping緩huan上shang升sheng沿yan或huo者zhe下xia降jiang沿yan,降jiang低di瞬shun態tai電dian流liu,進jin而er控kong製zhi芯xin片pian產chan生sheng的de電dian磁ci幹gan擾rao強qiang度du。驅qu動dong強qiang度du有you強qiang驅qu動dong電dian流liu和he弱ruo驅qu動dong電dian流liu兩liang種zhong選xuan擇ze,在zai能neng夠gou滿man足zu工gong作zuo驅qu動dong強qiang度du的de情qing況kuang下xia,選xuan擇ze弱ruo電dian流liu驅qu動dong會hui更geng好hao的de控kong製zhi電dian磁ci幹gan擾rao現xian象xiang。
另外,基於GSMC 180nm工藝庫,選擇具有施密特觸發特性的IO,可以有效地平緩輸入信號中帶進來的尖峰或者噪聲信號等,對芯片的電磁抗擾度有所幫助。
3 汽車電子MCU測試方案
IEC61967標準是國際電工委員會製定的有關集成電路電磁發射的標準,用於頻率為150kHz到1GHz的de集ji成cheng電dian路lu電dian磁ci發fa射she測ce試shi。標biao準zhun中zhong涉she及ji到dao輻fu射she和he傳chuan導dao兩liang類lei測ce試shi方fang法fa,由you於yu傳chuan導dao方fang式shi的de電dian磁ci幹gan擾rao帶dai給gei芯xin片pian應ying用yong上shang的de影ying響xiang更geng大da一yi些xie,本ben次ci試shi驗yan選xuan取quIEC61967-4直接耦合法進行測試。該方法又分為1Ω測試法和150Ω測試法,1Ω測試法用來測試接地引腳上的總幹擾電流,150Ω測試法用來測試輸出端口的幹擾電壓。
在測試時,需要在進行測試的電路中接入串聯電阻為1Ω的電流探針(探針即為1Ω測試網絡,已經集成在EMC測試板的芯片地端與PCB地平麵之間),49Ω串聯放置為了形成50Ω匹pi配pei,用yong接jie收shou機ji測ce量liang射she頻pin電dian流liu流liu經jing該gai電dian阻zu時shi產chan生sheng的de射she頻pin電dian壓ya,所suo測ce得de的de電dian壓ya應ying為wei所suo有you流liu回hui到dao集ji成cheng電dian路lu的de射she頻pin電dian流liu在zai電dian流liu探tan頭tou上shang產chan生sheng電dian壓ya的de總zong和he,測ce得de的de電dian壓ya值zhi可ke以yi換huan算suan為wei流liu過guo探tan針zhen的de電dian流liu,測ce試shi環huan境jing圖tu如ru圖tu1所示。

圖1 1Ω測試環境
在150Ω測試中,集成電路的引腳通過標準規定的匹配網絡接到測試接收機,通過150Ω探針(探針即為150Ω測試網絡,已經集成在EMC測試板上)可以測量SSN在輸入輸出端口和電源兩類引腳上的傳導幹擾,通過計算可以將接收機測量的電壓轉換為噪聲電壓幅值,測試環境圖如圖2所示。

圖2 150Ω測試環境
下麵是針對EMI進行的1Ω和150Ω測試步驟,包括測試前準備工作以及測試數據分析等。
3.1 測試前裝備工作
①環境溫度
本次實驗集中在晚間進行,現場溫度控製在23±2℃範圍內,符合標準要求。
②環境噪聲電平
將DUT(被測設備)固定在實驗台上且為斷電狀態,用EMI接收機測量殘留噪聲。本次實驗環境噪聲電平在可接受的測試要求內,詳情請參看圖6。
③其他環境條件
所有其他可能影響測試結果的環境條件,例如環境濕度。本次實驗所測得的相對濕度為45%RH左右。
④確認工作狀態
給DUT供電並檢查確認IC處於正常的工作狀態,同時在實驗時保持周圍的測試條件不變。
3.2 1Ω測試
(1)將SMA連接線一端連接到測試板,另一端連接到接收機(安捷倫N9030,內置N141A電磁兼容測試軟件),將EMI接收機的測量頻率範圍設置為150kHz到1GHz,根據標準對測試操作的要求,分成150kHz~30MHz(RBW 為9kHz)和30MHz~1GHz(RBW 為120kHz)兩段。下麵測試圖中綠色邊框範圍內的是150kHz~30MHz,範圍外的是30MHz~1GHz。
結合汽車電子MCU 端口特性以及標準要求,將接地端口與1Ω網絡相連,再與SMA口相接,引入EMI接收機進行監控,原理圖如圖3、圖4所示。

圖3 芯片的地網絡引腳

圖4 1Ω網絡
(2)選取可能影響EMC特性的因素,在時鍾上分別測試10MHz、20MHz以及77MHz頻率下電磁幹擾大小數值,在測試功能上選取模數轉換程序ADC;
(3)測量每一段頻譜內可能出現的幹擾,提取各個諧波的包絡值,接收機的電壓可以換算為流過探針的電流。測試儀器以及EMC測試板如圖5所示;

圖5 實際測試環境
(4)在對每個頻率點測試的時候要進行多次測量,以便排除偶然因素的幹擾。下麵是各個測試情況的說明;
①時鍾采用外部晶振10MHz,燒錄SRAM 中的程序為ADC。圖6左側為未上電時的環境噪聲信號,右側為上電但未運行程序的測量結果。

圖6 斷電vs.上電
通tong過guo對dui比bi可ke以yi得de出chu上shang電dian之zhi後hou在zai整zheng個ge頻pin譜pu範fan圍wei內nei幹gan擾rao強qiang度du變bian大da,時shi鍾zhong的de固gu定ding周zhou期qi將jiang使shi電dian磁ci輻fu射she集ji中zhong在zai時shi鍾zhong基ji波bo和he諧xie波bo附fu近jin很hen窄zhai的de頻pin譜pu範fan圍wei內nei。根gen據ju傅fu裏li葉ye級ji數shu展zhan開kai公gong式shi可ke以yi得de出chu,在zai時shi鍾zhong倍bei頻pin處chu的de頻pin點dian其qi幹gan擾rao值zhi也ye越yue大da,所suo以yi在zai10MHz、20MHz等倍頻點處的現象更明顯,
②為了進一步對比,運行ADC程序,分別在10MHz、20MHz以及77MHz時鍾下進行測試,比較不同時鍾接地引腳總幹擾電流大小,測試結果如圖7、圖8、圖9所示。

圖7 10MHz—ADC測試圖

圖8 20MHz—ADC測試圖

圖9 77MHz—ADC測試圖

圖10 10/20/77MHz—ADC測試數據整理
圖7、圖8、圖9分別是10MHz、20MHz和77MHz的測試圖,圖10是整理後的數據。通過對比可以得出,頻譜大致集中在100MHz以內,在對應工作時鍾的主頻點處幹擾值最大,10MHz、20MHz情況下在相應倍頻點(如40MHz、60MHz等頻點)附近的幹擾值也比較集中。
提取數據得到10 MHz時峰值點為9.999MHz(62.643dBμV),20 MHz 時的峰值點為20.002MHz(61.692dBμV),77MHz時的峰值點為19.264MHz(48.049dBμV)以及77.042MHz(47.316dBμV)。可以看出,77MHz時幹擾強度和密度反而要弱於20MHz,可能是由於77MHz是MCU工作的極限時鍾,此時工作性能受到一定影響,導致測試的結果有所不同。
③由於汽車電子MCU的工作時鍾可以選擇外部晶振或者內部PLL倍頻,所以要對兩種情況分別測試,以便比較是否有差別。運行ADC程序後的測試結果如圖11所示。

圖11 PLL vs.外部晶振(10MHz)
從圖11中可以看出,在頻譜範圍內各個峰值點的分布大致相同,整個頻譜範圍內沒有明顯差異,MCU通過外部晶振或PLL倍頻兩種方式測得的結果基本一致,時鍾源選擇上不會對芯片的電磁幹擾強度帶來影響。
3.3 150Ω測試
(1)設備裝置連接同1Ω測試法的步驟①;
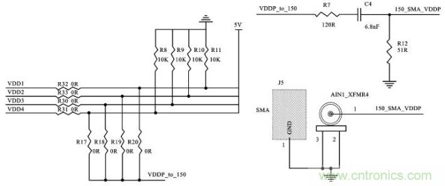
(2)根據芯片電源類型,電源分為4路,分別是VDD1(數字IO 供電的5V 電源信號)、VDD2(為ADC和PLL供電的LDO 的5V 電壓)、VDD3(數字邏輯LDO的5V電壓輸入)和VDD4(Flash的5V電壓輸入)。可單獨對每一路電源的幹擾噪聲進行捕捉,連接方式與1Ω 測試法步驟②相同,如圖12所示;

圖12 VDD連接150Ω網絡145
(3)根據汽車電子MCU應用特點,選取最為典型的PWM、CAN 程序,為了方便以後對眾多引腳進行單獨測量,將P0、P1、P2(P3未涉及到外設功能複用)端口共24個引腳進行了開關控製,再通過150Ω耦合網絡連接到EMI接收機,圖13是P0端口的電路原理圖,P1和P2的原理圖同P0。

圖13 IO-P0連接150Ω網絡
(4)重複測試多次,得到較多測試樣本,經過整理,下麵是各個測試情況的說明。
①從電源端口結果來看,區別很小,下麵以VDD1為例進行分析說明。VDD1測試選取了ADC和counter(數字計數器)的程序,以比較不同類別的程序對數字供電是否有影響,測試結果如圖14、圖15所示。

在10MHz和20MHz時鍾上對比,ADC最高峰值分別為35.827dBμV、43.517dBμV;counter的最高峰值為35.899dBμV、43.271dBμV。可以得出頻率越高,幹擾強度越大。但就兩類程序橫向對比來看,結果基本上一致。另外還發現60~300MHz和550~650MHz兩處集中的幹擾頻譜,可見電源處的幹擾在高頻附近比較明顯。
②PWM 功能測試
雙通道模式下,在不同占空比和周期大小情況下,測試對應P口引腳處傳導發射強度的大小,測試結果如圖16、圖17所示。
從圖16中的幹擾密度可看出時鍾對電磁幹擾影響程度。在圖17中,由於period和duty較長,測試結果相差不大,此時時鍾頻率變成次要因素,主要因素取決於輸出引腳處高低電平變化周期長短。

③CAN功能測試
運行Loopback(回路模式)程序,在不同時鍾頻率下進行比較,測試結果如圖18、圖19所示。

從圖16~19中觀察,隨著時鍾頻率變大,TX和RX端口的傳導輻射強度也變大。對於RX端口,10/40MHz頻點附近的幹擾密度比較大,且在40MHz時候現象更明顯,捕捉到連續三個頻點(圖18右側標注),分別是39.060 MHz(71.063dBμV)、39.360MHz(67.447dBμV)、40.020MHz(39.171dBμV),兩個時鍾下的峰值都在70~85dBμV 之間,但一般都在10MHz以下,應該是受低頻某一頻點的影響較明顯。
對於TX端口,10/40MHz頻點附近的幹擾密度沒有RX明顯,峰值也都在70~85dBμV 之間,且發生在10MHz以下,和RX的特點大致相同。
4 測試結果分析
從測試數據結果可以總結出以下幾點:
①在時鍾頻率上,從10 MHz到40 MHz、77MHz,幹gan擾rao強qiang度du或huo是shi密mi度du在zai整zheng體ti上shang都dou會hui增zeng加jia,可ke以yi是shi一yi小xiao段duan頻pin譜pu或huo者zhe是shi整zheng個ge頻pin譜pu範fan圍wei內nei,這zhe與yu測ce試shi對dui象xiang關guan係xi比bi較jiao大da。分fen析xi原yuan因yin不bu難nan發fa現xian,由you於yu時shi鍾zhong電dian路lu產chan生sheng的de時shi鍾zhong信xin號hao一yi般ban都dou是shi周zhou期qi信xin號hao,其qi頻pin譜pu是shi離li散san的de,離li散san譜pu的de能neng量liang集ji中zhong在zai有you限xian的de頻pin率lv上shang,又you由you於yu係xi統tong中zhong各ge個ge部bu分fen的de時shi鍾zhong信xin號hao通tong常chang由you同tong一yi時shi鍾zhong分fen頻pin、倍頻得到,它們的譜線之間也是倍頻關係,會重疊起來進而增大輻射的幅值。
②在程序燒寫方式上,外部晶振或PLL倍頻兩種方式測得的結果基本一致,整個頻譜範圍內沒有明顯差異,時鍾源選擇上不會對芯片的電磁幹擾強度帶來影響。
③從VDD1測試結果來看,除了得出頻率越高,幹擾強度越大之外,還發現出現幹擾的頻譜範圍分別在60~300MHz和550~650MHz兩處,可見電源處的幹擾在高頻附近比較明顯。
④對於PWM 功能,通過配置輸出波形周期和占空比大小,會導致在不同時鍾下產生的電磁幹擾強度有所差異。由於雙通道模式下寄存器為16bit(原單通道模式為8bit),此時周期和占空比可配置的數值變大,PWM 波(bo)輸(shu)出(chu)引(yin)腳(jiao)處(chu)的(de)高(gao)低(di)電(dian)平(ping)翻(fan)轉(zhuan)周(zhou)期(qi)就(jiu)取(qu)決(jue)於(yu)周(zhou)期(qi)和(he)占(zhan)空(kong)比(bi)的(de)設(she)置(zhi),與(yu)時(shi)鍾(zhong)的(de)關(guan)係(xi)變(bian)得(de)沒(mei)有(you)之(zhi)前(qian)如(ru)此(ci)緊(jin)密(mi),時(shi)鍾(zhong)變(bian)成(cheng)了(le)次(ci)要(yao)因(yin)素(su)。由(you)此(ci)建(jian)議(yi)在(zai)滿(man)足(zu)功(gong)能(neng)要(yao)求(qiu)的(de)前(qian)提(ti)下(xia),使(shi)用(yong)PWM 功能時盡量將周期和占空比數值變得大一些,這樣會較好地改進EMC性能;
⑤對於CAN 總線來講,通過10 MHz和40MHz時鍾對比,當合理地降低時鍾工作頻率,會使一大段頻譜範圍內的幹擾值降低,從整體上較好的控製EMI帶來的影響。
5 結束語
duiyuweidianzixingyelaishuo,xinpianjidiancijianrongxingdeshejiyuceshiyijingchengweiyigefeichangzhongyaodezhuti。shijishang,ruguobuduijichengdianludiancifushejikangraodufangmianjinxingshenrudeyanjiu,jiuhennanmanzudianzishebeidiancijianrongxingfangmiandexuyao。benwentongguoduishejifangfadeyinru,bingjinyibutongguoceshifanganquzongjieguinayingxiangdiancifashedeyinsuheyuanyin,congerjianjiezhengmingleshejifangfadebiyaoxinghezhongyaoxing。
【推薦閱讀】
利用磁珠和電感幫你輕鬆化解EMI和EMC問題
出色模擬工程師必備係列(一):電磁幹擾(EMI)
出現EMI問題怎麼辦?四大實用性技巧幫你正確排查
汽車Soc係統電磁兼容設計與EMC標準
如何解決LED電源設計中的EMC/EMI難題
特別推薦
- 噪聲中提取真值!瑞盟科技推出MSA2240電流檢測芯片賦能多元高端測量場景
- 10MHz高頻運行!氮矽科技發布集成驅動GaN芯片,助力電源能效再攀新高
- 失真度僅0.002%!力芯微推出超低內阻、超低失真4PST模擬開關
- 一“芯”雙電!聖邦微電子發布雙輸出電源芯片,簡化AFE與音頻設計
- 一機適配萬端:金升陽推出1200W可編程電源,賦能高端裝備製造
技術文章更多>>
- 貿澤EIT係列新一期,探索AI如何重塑日常科技與用戶體驗
- 算力爆發遇上電源革新,大聯大世平集團攜手晶豐明源線上研討會解鎖應用落地
- 創新不止,創芯不已:第六屆ICDIA創芯展8月南京盛大啟幕!
- AI時代,為什麼存儲基礎設施的可靠性決定數據中心的經濟效益
- 矽典微ONELAB開發係列:為毫米波算法開發者打造的全棧工具鏈
技術白皮書下載更多>>
- 車規與基於V2X的車輛協同主動避撞技術展望
- 數字隔離助力新能源汽車安全隔離的新挑戰
- 汽車模塊拋負載的解決方案
- 車用連接器的安全創新應用
- Melexis Actuators Business Unit
- Position / Current Sensors - Triaxis Hall
熱門搜索
微波功率管
微波開關
微波連接器
微波器件
微波三極管
微波振蕩器
微電機
微調電容
微動開關
微蜂窩
位置傳感器
溫度保險絲
溫度傳感器
溫控開關
溫控可控矽
聞泰
穩壓電源
穩壓二極管
穩壓管
無焊端子
無線充電
無線監控
無源濾波器
五金工具
物聯網
顯示模塊
顯微鏡結構
線圈
線繞電位器
線繞電阻


