淺析高頻變壓器中傳導EMI產生機理
發布時間:2012-03-31
中心議題:
- 反激變換器傳導EMI產生機理
- 變壓器中寄生電容的分布
- 變壓器中共模傳導EMI的產生機理
解決方案:
- 通過寄生電容的耦合產生在一次側與二次側之間流動的共模傳導EMI電流
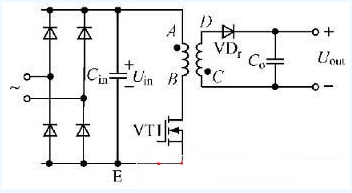
以反激式變換器為例,其主電路如圖1所示。
開kai關guan管guan開kai通tong後hou,變bian壓ya器qi一yi次ci側ce電dian流liu逐zhu漸jian增zeng加jia,磁ci芯xin儲chu能neng也ye隨sui之zhi增zeng加jia。當dang開kai關guan管guan關guan斷duan後hou,二er次ci側ce整zheng流liu二er極ji管guan導dao通tong,變bian壓ya器qi儲chu能neng被bei耦ou合he到dao二er次ci側ce,給gei負fu載zai供gong電dian。

圖1反激變換器
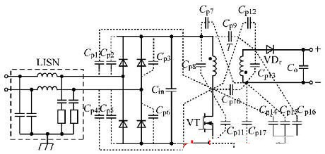
在開關電源中,輸入整流後的電流為尖脈衝電流,開關開通和關斷時變換器中電壓、電流變化率很高,這些波形中含有豐富的高頻諧波。另外,在主開關管開關過程和整流二極管反向恢複過程中,電路的寄生電感、dianronghuifashenggaopinzhendang,yishangzhexiedoushidianciganraodelaiyuan。kaiguandianyuanzhongcunzaidaliangdefenbudianrong,zhexiefenbudianronggeidianciganraodechuanditigongletonglu,rutu2所示。圖2中,LISN為線性阻抗穩定網絡,用於線路傳導幹擾的測量。幹擾信號通過導線、寄生電容等傳遞到變換器的輸入、輸出端,形成了傳導幹擾。變壓器的各繞組之間也存在著大量的寄生電容,如圖3所示。圖3中,A、B、C、D4點與圖1中標識的4點相對應。

圖2反激式開關電源寄生電容典型的分布

圖3變壓器中寄生電容的分布
在圖1所示的反激式開關電源中,變換器工作於連續模式時,開關管VT導通後,B點電位低於A點,一次繞組匝間電容便會充電,充電電流由A流向B;VT關斷後,寄生電容反向充電,充電電流由B流向A。這樣,變壓器中便產生了差模傳導EMI。同時,電源元器件與大地之間的電位差也會產生高頻變化。由於元器件與大地、機殼之間存在著分布電容,便產生了在輸入端與大地、機殼所構成回路之間流動的共模傳導EMI電流。
[page]
jutidaobianyaqizhong,yiciraozuyuerciraozuzhijiandedianweichayehuichanshenggaopinbianhua,tongguojishengdianrongdeouhe,congerchanshenglezaiyiciceyuercicezhijianliudongdegongmochuandaoEMI電流。交流等效回路及簡化等效回路如圖4所示。圖4中:ZLISN為線性阻抗穩定網絡的等效阻抗;CP為變壓器一次繞組與二次繞組間的寄生電容;ZG為大地不同點間的等效阻抗;CSG為輸出回路與地間的等效電容;Z為變壓器以外回路的等效阻抗。

圖4變壓器中共模傳導EMI的流通回路
- 噪聲中提取真值!瑞盟科技推出MSA2240電流檢測芯片賦能多元高端測量場景
- 10MHz高頻運行!氮矽科技發布集成驅動GaN芯片,助力電源能效再攀新高
- 失真度僅0.002%!力芯微推出超低內阻、超低失真4PST模擬開關
- 一“芯”雙電!聖邦微電子發布雙輸出電源芯片,簡化AFE與音頻設計
- 一機適配萬端:金升陽推出1200W可編程電源,賦能高端裝備製造
- 築基AI4S:摩爾線程全功能GPU加速中國生命科學自主生態
- 一秒檢測,成本降至萬分之一,光引科技把幾十萬的台式光譜儀“搬”到了手腕上
- AI服務器電源機櫃Power Rack HVDC MW級測試方案
- 突破工藝邊界,奎芯科技LPDDR5X IP矽驗證通過,速率達9600Mbps
- 通過直接、準確、自動測量超低範圍的氯殘留來推動反滲透膜保護
- 車規與基於V2X的車輛協同主動避撞技術展望
- 數字隔離助力新能源汽車安全隔離的新挑戰
- 汽車模塊拋負載的解決方案
- 車用連接器的安全創新應用
- Melexis Actuators Business Unit
- Position / Current Sensors - Triaxis Hall





