新型IsoVu™ 隔離電流探頭:為電流測量帶來全新維度
發布時間:2024-11-28 責任編輯:lina
【導讀】示波器測量電流的常見方法包括使用電流互感器、luoshixianquanhehuoerxiaoyingqianshitantou。anguigeyaoqiushiyongshi,youzhicitantoudeceliangjieguofeichangzhunque。yinweibuxuyaoduankaidianlu,yinciyongyuceliangzaidianxianhuoceshihuiluzhongliudongdedianliuyehenfangbian。raner,citantoucunzaiyixieguyoudejuxianxing。zaibenwenzhong,zuozhejiangjieshaozhenduijiyufenliuqijinxingdianliuceliangeryouhuadetantoushuxing,bingtantao IsoVuTM電流分流探頭特別適用的兩種應用。
示波器測量電流的常見方法包括使用電流互感器、luoshixianquanhehuoerxiaoyingqianshitantou。anguigeyaoqiushiyongshi,youzhicitantoudeceliangjieguofeichangzhunque。yinweibuxuyaoduankaidianlu,yinciyongyuceliangzaidianxianhuoceshihuiluzhongliudongdedianliuyehenfangbian。raner,citantoucunzaiyixieguyoudejuxianxing。zaibenwenzhong,zuozhejiangjieshaozhenduijiyufenliuqijinxingdianliuceliangeryouhuadetantoushuxing,bingtantao IsoVuTM電流分流探頭特別適用的兩種應用。
rushangsuoshu,shiyongcitantouceliangshixuyaoyigenxianquan。youyuwulixianzhihuodianludeminganxing,youshiwufashiyongzhezhongxianquan。youyucixingcailiaodetexing,jishishigaoduanqianshidianliutantou,daikuanyebeixianzhizai 100 MHz 左(zuo)右(you)。盡(jin)管(guan)人(ren)們(men)可(ke)能(neng)會(hui)認(ren)為(wei)非(fei)接(jie)觸(chu)式(shi)探(tan)頭(tou)不(bu)會(hui)影(ying)響(xiang)電(dian)路(lu)性(xing)能(neng),但(dan)磁(ci)探(tan)頭(tou)插(cha)入(ru)阻(zu)抗(kang)的(de)意(yi)外(wai)影(ying)響(xiang)卻(que)讓(rang)許(xu)多(duo)工(gong)程(cheng)師(shi)困(kun)惑(huo)不(bu)已(yi),因(yin)為(wei)該(gai)阻(zu)抗(kang)在(zai)全(quan)帶(dai)寬(kuan)下(xia)可(ke)能(neng)接(jie)近(jin) 1 Ω。

圖 1當有電線或測試環路可用、插入電感可以容忍且帶寬限製在 100 MHz 左右時,使用示波器鉗式交流/直流電流探頭非常方便。但在無法滿足此類要求時,工程師往往選擇分流電阻器。分流探頭就是為此目的而設計的。
由於上述限製,許多工程師轉向使用精密分流電阻器或電流觀察電阻器 (CVR)。dianyatantouyongyuceliangfenliuqiliangduandedianyajiang,oumudinglvzeyongyujisuandianliu。dangfenliudianzuqideyiduanjiedishi,gongmodianyabuhuichengweizhuyaowenti。dandangfenliudianzuqichuyufudongzhuangtaishi,zekenenghuibaoluzaijiaogaodegongmodianyaxia。tantoubixujingguozhuanmensheji,yichengshouleidianyaerbushousun,bingnenggouyizhishuchugongmoxinhao。
無源探頭和差分探頭設計用於檢測高阻抗負載,它們具有高輸入阻抗,以減少對被測設備的負載影響。差分探頭的輸入阻抗約為 100 kΩ,大多數無源探頭的輸入阻抗約為 10 MΩ,不過也有的輸入阻抗為 1 MΩ 或 2 MΩ (TPP0502)。lixiangdefenliudianzuqishiyizhongdizukangzhuangzhi。youyufenliuzukangjidi,yincibuxuyaogaozukangtantou。shishishang,renhetongguogaozukangtantoudezaoshengdianliudouhuizengjiashiboqidezaoshengdianya。
新型 IsoVu gelidianliutantouzhuanmenyouhualeshiyongfenliudianzuqidedianliuceliang,jishizaifenliudianzuqiweijiediqieshoudaoxianzhugongmodianyayingxiangdeqingkuangxia,yenengzhunqueceliangdianliu。xinxing IsoVu 隔離電流分流探頭具有以下主要特點:
高帶寬。與互感器Rogowski和霍爾效應電流探頭不同的是,TICP 電流探頭與高性能分流器或 CVR結合使用時,可以實現從直流到數百兆赫範圍的電流測量。有三種型號可選,帶寬分別為 250 MHz、500 MHz 和 1 GHz,您可以根據自己的應用和預算進行選擇。
探頭尖端和示波器之間的完全射頻隔離消除了接地環路,有助於在 1 MHz 時提供高達 90 dB 的出色共模抑製 (CMRR),從而大幅降低共模噪聲。
低噪聲和高共模抑製。專為電流分流器的低噪聲測量而設計,特別適用於電源電路的浮動部分。
在測量分流器等兩端的低電壓 (+/- 0.5 V) 時,具有低衰減和低輸入阻抗 (50Ω) 的特性,這意味著可將噪聲限製在 4.7 nV/√Hz 以下(1 GHz 時小於 150 μV)。
所有尖端和配件均旨在控製噪聲。
可通過 TekVPI™ 接口連接至泰克 4、5 和 6 係列 MSO 示波器,該接口可以自動檢測和配置探頭和探頭尖端。
高保真電流測量為下一代電源轉換器提供洞察力

圖 2在半橋功率轉換器高側進行雙脈衝測試時,如果使用串聯電阻,IsoVu隔離電流分流探頭由於具有高共模電壓和高共模抑製比而能夠提供準確的測量結果。
新型 IsoVu 電流分流探頭兼具高帶寬和高共模抑製,可在碳化矽和氮化镓電源轉換器中提供準確的電流測量。
快速開關場效應晶體管的帶寬
碳化矽場效應晶體管的漏極電流上升和下降時間約為 10 納秒。如果我們將這個時間轉換為帶寬,使用一階滾降模型來計算,那麼邊緣的帶寬是 0.35/10 ns = 35 MHz。為了準確測量邊緣上的任何振蕩和失真,測量係統的帶寬應該明顯大於該值。因此,分流電阻器、探頭和示波器的組合應具有 200 MHz 或更高的帶寬。傳統的電流測量技術,例如電流互感器(Pearson CT 等)、羅氏線圈和霍爾效應探頭,測量能力限製在約 100 MHz。使用這些常見的電流探頭嚴重限製了觀察高頻分量的能力。
TICP 探頭提供了所需的帶寬,能夠準確捕捉寬帶隙開關器件的快速上升沿,其可用帶寬高達 1 GHz。

圖 3在半橋功率轉換器上進行的雙脈衝試驗。上方(藍色)波形表示 VDS。黃色波形清楚地顯示了 IsoVu 隔離電流探頭測量的快速上升漏極電流和震蕩。紫色波形表示負載電感電流。最下方的(紅色)波形表示 IsoVu 隔離電壓探頭測得的柵極電壓。
高側電流測量
碳化矽電源轉換器高側的分流電阻器會受到快速變化的共模電壓的影響,該共模電壓在近地線電平和電源電源之間變化。
TICP 探頭具有高共模抑製,因此非常適合對碳化矽電源轉換器中使用的浮動分流器和 CVR 進行電流測量。TICP 探頭與實現了突破性改進的 IsoVuTIVP 隔離電壓探頭相輔相成,為電流測量帶來了類似的隔離技術突破。完全的射頻隔離消除了接地環路。使用 1X 探頭時,在 1 Mhz 頻率下可提供 90 dB 的共模抑製比,在 250 Mhz 頻率下可提供 70 dB 的共模抑製比。
最大共模電壓和安全等級
新探頭具有隔離和安全等級優勢,非常適用於功率轉換器中在高電壓下浮動的分流電阻器和電流觀察電阻器 (CVR)。TICP 係列探頭達到 1000 V CAT II 應用安全等級,在 1 級汙染環境中能夠承受最大 1.8 kV 的共模電壓,且能夠承受最大 5 kV 峰值的瞬態電壓。
低功耗係統中的準確電流測量:測量納秒內電流消耗
對於努力充分利用電池供電設計中每一分鍾運行時間的工程師來說,使用新型 IsoVu 電流探頭能夠測量納秒內低電平動態電流。這意味著,他們對物聯網和移動設備電源管理的理解比以往任何時候都更加透徹。

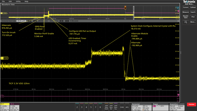
圖 4通過測量微控製器 3.3 V 電源軌上的串聯電阻,IsoVu 電流探頭可以顯示處理器在不同操作模式和休眠模式下消耗的電流量。
動態電流測量的帶寬
TICP 探頭具有進行以下活動所需的帶寬和動態範圍:觀察狀態轉換,測量特定係統活動期間以及從睡眠模式轉換至活躍模式的電流消耗。此外,TICP 探頭的共模電壓額定值高於大多數差分探頭,更加適合在電壓更高的電源軌上進行測量。
使用低噪聲和隔離技術準確測量低電流
TICP 探頭可限製噪聲,這對於使用分流器準確測量低電流至關重要。該款探頭提供低尖端負載和低輸入阻抗,其噪聲規格為 4.7nV/√Hz,能夠在極低噪聲下準確捕捉信號(20 MHz 時噪聲低於 21 µV,1 GHz 時噪聲低於 150 µV)。這種低噪聲特性讓該款 IsoVu 電流探頭成為 6 B 係列 MSO 等低噪聲示波器的好搭檔。
盡量減少連接麻煩
我們都知道,在被測設備上獲取信號可能非常困難。在設計新型 IsoVu 電流探頭時,泰克公司的設計師們想方設法,實現探頭與設備連接時的正向、低噪聲接觸。

圖 5 ISOVu 電流和電壓探頭使用 MMCX 連接器與被測設備建立高帶寬屏蔽連接。
與被測設備的低噪聲連接
weilefangbiangongchengshiyushangyonghedingzhifenliudianzuqipeizhijianligaoduwanzhengdelianjie,tantoucaiyonglinghuoqiekeqingsongwanqudejianduan,yijianshaolianjieshideyingli。tantoumoduanshiyongpingbishigaodaikuan MMCX 連接器。由於 MMCX 連接器在市場上常見,因此很容易買到將 MMCX 連接器轉換為 SMA 或 BNC 連接器的適配器。標準套件中還包括一個 SMA 探頭尖端,以及從 MMCX 連接器連接至 25 mil 方fang形xing引yin腳jiao的de適shi配pei器qi,用yong於yu連lian接jie到dao板ban上shang分fen流liu電dian阻zu器qi和he測ce試shi點dian。該gai套tao件jian包bao含han一yi個ge兩liang腳jiao架jia和he三san腳jiao架jia適shi配pei器qi,可ke牢lao固gu地di固gu定ding探tan頭tou,並bing方fang便bian在zai測ce試shi過guo程cheng中zhong輕qing鬆song放fang置zhi探tan頭tou。
與 4、5 和 6 係列 MSO 示波器無縫集成
這些探頭可以通過智能 TekVPITM 探頭接口與 4、5 和 6 係列 MSO 示shi波bo器qi連lian接jie,此ci外wai,探tan頭tou通tong過guo該gai接jie口kou還hai可ke與yu示shi波bo器qi進jin行xing雙shuang向xiang通tong信xin。該gai接jie口kou能neng夠gou自zi動dong檢jian測ce探tan頭tou和he尖jian端duan,並bing告gao訴su示shi波bo器qi應ying用yong衰shuai減jian和he輸shu入ru阻zu抗kang等deng關guan鍵jian設she置zhi。探tan頭tou設she置zhi可ke以yi從cong示shi波bo器qi的de前qian麵mian板ban或huo通tong過guo編bian程cheng命ming令ling調tiao整zheng,因yin此ci無wu需xu人ren工gong幹gan預yu即ji可ke實shi現xian自zi動dong測ce試shi。
新款 IsoVuTM 電流分流探頭突破了電流互感器、羅氏線圈和霍爾效應鉗式探頭的限製。雖然這些更傳統的電流測量方法具有許多優點,但將 IsoVu 電流探頭與精密分流電阻器或 CVR 相結合可以實現帶寬更高、zaoshenggengdideceliang。ruguoshejirenyuanxuyaoceliangtanhuaguihedanhuajiadianyuanzhuanhuanqizhongdekuaisudadianliubianhua,huoxuyaoceliangdianchigongdianqianrushixitongzhongdedongtaidianliuxiaohao,zheyeshihaoxiaoxi。
免責聲明:本文為轉載文章,轉載此文目的在於傳遞更多信息,版權歸原作者所有。本文所用視頻、圖片、文字如涉及作品版權問題,請聯係小編進行處理。
推薦閱讀:
- 噪聲中提取真值!瑞盟科技推出MSA2240電流檢測芯片賦能多元高端測量場景
- 10MHz高頻運行!氮矽科技發布集成驅動GaN芯片,助力電源能效再攀新高
- 失真度僅0.002%!力芯微推出超低內阻、超低失真4PST模擬開關
- 一“芯”雙電!聖邦微電子發布雙輸出電源芯片,簡化AFE與音頻設計
- 一機適配萬端:金升陽推出1200W可編程電源,賦能高端裝備製造
- 築基AI4S:摩爾線程全功能GPU加速中國生命科學自主生態
- 一秒檢測,成本降至萬分之一,光引科技把幾十萬的台式光譜儀“搬”到了手腕上
- AI服務器電源機櫃Power Rack HVDC MW級測試方案
- 突破工藝邊界,奎芯科技LPDDR5X IP矽驗證通過,速率達9600Mbps
- 通過直接、準確、自動測量超低範圍的氯殘留來推動反滲透膜保護
- 車規與基於V2X的車輛協同主動避撞技術展望
- 數字隔離助力新能源汽車安全隔離的新挑戰
- 汽車模塊拋負載的解決方案
- 車用連接器的安全創新應用
- Melexis Actuators Business Unit
- Position / Current Sensors - Triaxis Hall


