WBG 多電平逆變器適合 800V 電池電動汽車
發布時間:2024-11-26 責任編輯:lina
【導讀】如今,800V 電池被用來提高交流電機驅動的效率並縮短電池充電時間。電動汽車牽引係統中的 2L 逆變器有一些缺點:即輸出電壓的總諧波失真 (THD) 高、開關損耗增加、EMI 噪聲高以及電機軸上的感應電壓(主要用於電力)時出現的軸承電流問題。額定值高於 75 kW)克服了軸承潤滑油膜的絕緣能力。這會導致電流流過軸承,從而產生凹槽——滾道上特有的凹槽和磨砂坑,從而損害軸承的負載能力。
機器學習架構的優點
3L 逆變器可以在高功率水平下運行,具有較低的諧波失真和開關電壓應力,使其成為電動汽車應用的有力競爭者。
如今,800V 電池被用來提高交流電機驅動的效率並縮短電池充電時間。電動汽車牽引係統中的 2L 逆變器有一些缺點:即輸出電壓的總諧波失真 (THD) 高、開關損耗增加、EMI 噪聲高以及電機軸上的感應電壓(主要用於電力)時出現的軸承電流問題。額定值高於 75 kW)克服了軸承潤滑油膜的絕緣能力。這會導致電流流過軸承,從而產生凹槽——滾道上特有的凹槽和磨砂坑,從而損害軸承的負載能力。
這些挑戰可以通過機器學習架構來解決。與 2L 逆變器相比, ML逆變器提供額外的輸出電壓水平和低相電流紋波,具有更好的效率、功率密度、熱性能和 EMI 行為。這種改進取決於較低的 THD 和共模電壓 (CMV) 水平。此外,基於WBG的ML拓撲,特別是3L-T逆變器和3L-NPC逆變器,在更高的效率和EMI性能方麵脫穎而出。
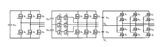
2L和3L逆變器型號
出於比較目的,考慮了三種拓撲:2L 逆變器以及 3L-T 和 3L-NPC 逆變器,如圖 1 所示。
圖 1(右)中的 3L-NPC 逆變器由三個支路組成,每個支路包含四個串聯連接的開關(IGBT 或 SiC MOSFET)。每個開關上施加的電壓是傳統 2L nibianqidianyadeyiban。tongguochuanlianxiangdengdezongxiandianrongqijiangzongxiandianyafenchengliangban,bingqiemeigezhilutongguocharulianggeqianweierjiguanlaiwancheng,zhetigongledaozhongxingdiandelianjie。 2L 逆變器隻能將輸出連接到正母線或負母線,而 NPC 逆變器可以在輸出上產生三種電壓電平:直流母線正電壓、直流母線負電壓和零電壓,以生成更正弦的輸出波形,以實現減少諧波失真。考慮單腿操作,當S 1和S 11導通時,輸出連接至V DC;當S 11和S 44導通時,輸出連接至中點電壓V 0 ;當S 44和S 4導通時,輸出連接至V n。由於S 11和S 44在一個周期內導通時間較長,因此它們比S 1和S 4承受的損耗更高,但開關損耗更少。
與 NPC 拓撲不同,T 型逆變器沒有鉗位二極管,從而減少了元件數量。由於采用單個外部開關器件(而不是兩個串聯器件),它還表現出較低的傳導損耗,但同時,與 NPC 逆變器相比,這會導致阻斷電壓降低。因此,與 3L-NPC 相比,3L-T 逆變器在較低頻率下表現更出色。 3L-T雙向輔助開關在中性點和負載端之間提供可控路徑;通過選擇性地打開不同的開關可以獲得3L輸出。
電動汽車牽引模型
可以使用直流電源、三種逆變器拓撲和電動汽車上常用的永磁同步電機 (PMSM) 來構建數學模型。,PSIM 等特定工具生成所需的輸出。 Altair 的 PSIM 是一款功能強大的軟件,廣泛用於電機驅動仿真和設計。
可使用數據表使用基本方程來計算導通電阻和損耗:
R on ( T ) = R 0 [1 + K ( T – T init )]; P sw = ( E sw,on + E sw,off ) f ; P條件= I D 2 R上( T )
其中K是 SiC MOSFET 在T時的導通電阻溫度係數,T init是初始溫度,f是開關頻率,ID是漏極電流。總功率損耗包括因開通和關斷而產生的開關損耗以及傳導損耗。
由於逆變器架構之間存在差異,並且在 800V 總線的情況下,2L 拓撲需要 1,200V SiC MOSFET; 3L-T 電路的主開關需要相同的額定電壓,輔助開關需要 650 V 的額定電壓。相比之下,3L-NPC 逆變器采用 650V SiC MOSFET 和 650V SiC 二極管構建。
電磁JMAGRT模型是一種基於有限元分析的仿真工具,可用於評估PMSM的銅損和鐵損。作者選擇的電機功率為 150 kW,額定扭矩為 180 Nm。
效率比較
2L 逆變器中的矽IGBT 和 SiC MOSFET之間的比較表明,基於 SiC 的解決方案具有顯著的優勢。傳導損耗和開關損耗降低了 80%,結溫降低了 35%,從而使冷卻係統更加簡單,並改善了整個係統的重量、尺寸和成本。低扭矩、低速區域的效率提高了近30%,而在額定速度、額定扭矩區域,效率提高了2.8%。更有趣的是正在研究的三個逆變器中涉及 SiC MOSFET 的基準。
在評估效率時,我們可以考慮三種類型的扭矩曲線:逆變器效率、電機效率和整體驅動效率。相關的效率優勢出現在低速區域,從 1,000 rpm 到 3,000 rpm。三個逆變器的效率在此範圍內表現出的變化,特別是逆變器效率曲線。在20 Nm至150 Nm的扭矩範圍內,3L-T在1,000 rpm時表現出更高的效率,比2L高出2.62%。由於高傳導損耗,3L-NPC 在三種拓撲中表現出較低的效率,但當扭矩超過 150 Nm 時,它開始顯著改善,終在略低於 200 Nm 時超過 3L-T。
無論如何,3L-T 和 3L-NPC 的開關損耗都低於 2L,證明了 ML 在電動汽車應用中的切實好處。此外,三種配置在高速(例如從 7,000 rpm 到 12,000 rpm)時的整體驅??動效率保持相同。這可以通過以下事實來解釋:在高扭矩和高速度下,電機效率起著主導作用。順便說一句,ML 逆(ni)變(bian)器(qi)能(neng)夠(gou)產(chan)生(sheng)諧(xie)波(bo)含(han)量(liang)較(jiao)低(di)的(de)輸(shu)出(chu)電(dian)壓(ya),從(cong)而(er)在(zai)電(dian)機(ji)中(zhong)產(chan)生(sheng)更(geng)多(duo)的(de)正(zheng)弦(xian)形(xing)磁(ci)通(tong)量(liang),從(cong)而(er)轉(zhuan)化(hua)為(wei)更(geng)高(gao)的(de)效(xiao)率(lv)和(he)更(geng)平(ping)滑(hua)的(de)扭(niu)矩(ju)。逐(zhu)漸(jian)施(shi)加(jia)旋(xuan)轉(zhuan)力(li)反(fan)過(guo)來(lai)會(hui)產(chan)生(sheng)更(geng)少(shao)的(de)振(zhen)動(dong)和(he)噪(zao)音(yin),從(cong)而(er)提(ti)高(gao)整(zheng)體(ti)性(xing)能(neng)和(he)舒(shu)適(shi)度(du)。
3L-NPC 在 150 Nm 的扭矩範圍內實現了效率改進,表明該拓撲結構非常適合在高功率轉換器中運行。
2L 與 ML CMEMI 行為
CMEMI 也稱為共模噪聲,當相對於公共參考地的兩個導體上有不需要的電流流動時,就會出現 CMEMI(圖 2)。這些電流具有相同的幅度和相位,但沿互連傳輸的信號可能不相同。 CMEMI 可能由多種來源產生,但基本機製是明確的:它通常是由通過雜散電容泄漏的噪聲電流引起的。
共模電磁幹擾。
圖 2:CMEMI(來源:村田製作所2)
與 2L 逆變器相比,ML 逆變器有助於降低 CMEMI 噪聲,因為 CMV(電源地線與三相負載中性點之間的電壓)水平大幅降低,從而延長了軸承和電機繞組的使用壽命。在評估 CMEMI 性能時,可以構建之前看到的相同模型,其中逆變器和接地之間的寄生電容設置為 600 pF,電機和外殼之間的寄生電容設置為 2 ?F。可以通過施加兩個開關頻率來進行比較:20 kHz 和 50 kHz。
結果證實,高開關頻率會增加 2L 和 3L-T 逆變器的 CMEMI 噪聲幅度,遵循相同的趨勢。另外值得注意的是,在相同頻譜下,2L 逆變器中的 50 kHz 開關頻率意味著比以 20 kHz 運行的 3L-T 逆變器噪聲幅度高出 30 dBμV。實驗還證明,基於SiC的3L-T逆變器在50kHz時的CMEMl噪聲比20kHz時的2L低15至50dBμV。
免責聲明:本文為轉載文章,轉載此文目的在於傳遞更多信息,版權歸原作者所有。本文所用視頻、圖片、文字如涉及作品版權問題,請聯係小編進行處理。
推薦閱讀:
意法半導體披露 2027-2028 年財務模型及2030年目標實現路徑
第104屆中國電子展圓滿收官!盛況空前,煥發電子行業新活力新生態!
射頻全差分放大器(FDA)如何增強測試係統?射頻采樣模數轉換器(ADC)來幫忙!
功率器件熱設計基礎(三)——功率半導體殼溫和散熱器溫度定義和測試方法
- 噪聲中提取真值!瑞盟科技推出MSA2240電流檢測芯片賦能多元高端測量場景
- 10MHz高頻運行!氮矽科技發布集成驅動GaN芯片,助力電源能效再攀新高
- 失真度僅0.002%!力芯微推出超低內阻、超低失真4PST模擬開關
- 一“芯”雙電!聖邦微電子發布雙輸出電源芯片,簡化AFE與音頻設計
- 一機適配萬端:金升陽推出1200W可編程電源,賦能高端裝備製造
- 築基AI4S:摩爾線程全功能GPU加速中國生命科學自主生態
- 一秒檢測,成本降至萬分之一,光引科技把幾十萬的台式光譜儀“搬”到了手腕上
- AI服務器電源機櫃Power Rack HVDC MW級測試方案
- 突破工藝邊界,奎芯科技LPDDR5X IP矽驗證通過,速率達9600Mbps
- 通過直接、準確、自動測量超低範圍的氯殘留來推動反滲透膜保護
- 車規與基於V2X的車輛協同主動避撞技術展望
- 數字隔離助力新能源汽車安全隔離的新挑戰
- 汽車模塊拋負載的解決方案
- 車用連接器的安全創新應用
- Melexis Actuators Business Unit
- Position / Current Sensors - Triaxis Hall



