啟動期間轉換器上的負載減少浪湧電流
發布時間:2023-10-11 責任編輯:lina
【導讀】jianshaolangyongdianliudelingyizhongfangfashijianshaoqidongqijianzhuanhuanqishangdefuzai。zhejiangdilelangyongdianliuzhongyufuzaixiangguandebufen,bingqiejinliuxiayoushurulvbodianrongyinqidebufen。jianzaidejibenfangshiyouliangzhong:輸出軟啟動和輸出負載切換。
jianshaolangyongdianliudelingyizhongfangfashijianshaoqidongqijianzhuanhuanqishangdefuzai。zhejiangdilelangyongdianliuzhongyufuzaixiangguandebufen,bingqiejinliuxiayoushurulvbodianrongyinqidebufen。jianzaidejibenfangshiyouliangzhong:輸出軟啟動和輸出負載切換。
負載限製
jianshaolangyongdianliudelingyizhongfangfashijianshaoqidongqijianzhuanhuanqishangdefuzai。zhejiangdilelangyongdianliuzhongyufuzaixiangguandebufen,bingqiejinliuxiayoushurulvbodianrongyinqidebufen。jianzaidejibenfangshiyouliangzhong:輸出軟啟動和輸出負載切換。
輸(shu)出(chu)軟(ruan)啟(qi)動(dong)與(yu)具(ju)有(you)輸(shu)出(chu)電(dian)壓(ya)調(tiao)節(jie)功(gong)能(neng)的(de)轉(zhuan)換(huan)器(qi)配(pei)合(he)使(shi)用(yong),主(zhu)要(yao)為(wei)電(dian)阻(zu)負(fu)載(zai)供(gong)電(dian)。由(you)於(yu)輸(shu)出(chu)電(dian)流(liu)與(yu)輸(shu)出(chu)電(dian)壓(ya)成(cheng)正(zheng)比(bi),如(ru)果(guo)輸(shu)出(chu)電(dian)壓(ya)初(chu)始(shi)設(she)置(zhi)較(jiao)低(di),則(ze)輸(shu)出(chu)電(dian)流(liu)也(ye)會(hui)較(jiao)低(di),因(yin)此(ci)浪(lang)湧(yong)電(dian)流(liu)也(ye)會(hui)較(jiao)低(di)。然(ran)後(hou)允(yun)許(xu)輸(shu)出(chu)電(dian)壓(ya)斜(xie)坡(po)上(shang)升(sheng)至(zhi)工(gong)作(zuo)電(dian)壓(ya)。
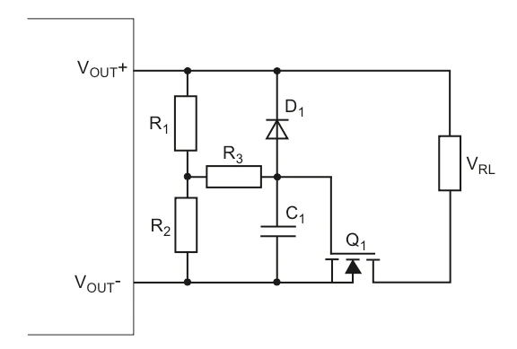
圖 1 顯示了使用 RECOM R-6112x 降壓穩壓器係列的此方法的示例。當轉換器通電時,電容器C1放電。PNP 型晶體管完全導通,VADJ 引腳被上拉至 VOUT+ 電壓。這導致輸出電壓被設置為輸出電壓。例如,對於在 1 A 輸出時標稱電壓為 12 V 的 R-6112x 轉換器,輸出電壓將在 275 mA 或大約滿負載的四分之一時調節至 3.3 V。當 C1 通過 R1 充電時,通過 TR1 的電流減少,輸出電壓逐漸上升,終達到滿標稱輸出電壓。二極管 D1 確保轉換器關閉時 C1 快速放電,為下輸出軟啟動做好準備。
欠壓鎖定
如果輸入電壓太低,輸入電流可能會超出 DC/DC 轉換器組件的設計限製。因此,一些轉換器具有內部控製電路,如果輸入電壓降得太低,該電路會禁用轉換器。該電路稱為欠壓鎖定 (UVL)。
不應低估 UVL 電路的有用性。以需要 12 V 電源提供 12 W 輸出功率的應用為例。在標稱輸入電壓下,1 A 電源就足夠了,因此可能指定 1.5 A 主電源。該轉換器的輸入電壓範圍通常為 9 – 18 V,因此在加電時,一旦輸入電壓升至 9 V 以上,它就會開始工作,電流為 1.3 A。但是,如果沒有 UVL 電路,轉換器可能會嚐試僅以 7V 啟動,即使這超出了規格,電流為 1.7A。這高於輸入電壓下主電源的電流限製,將會崩潰。在轉換器終正確啟動之前,電源和轉換器可以相互交互幾個周期。同時,
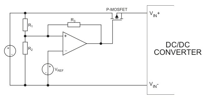
因此,UVL 功能不僅可以保護 DC/DC 轉換器,還可以保護負載和主電源免受過流影響。如果 DC/DC 轉換器不具備內置 UVL 功能,則可以使用圖 3 中所示的外部電路來禁用轉換器,直到輸入電壓建立為止。帶有內置參考電壓的運算放大器(例如 LM10)是合適的選擇。
免責聲明:本文為轉載文章,轉載此文目的在於傳遞更多信息,版權歸原作者所有。本文所用視頻、圖片、文字如涉及作品版權問題,請聯係小編進行處理。
推薦閱讀:
Microchip FPGA采用量身定製的PolarFire FPGA和SoC解決方案協議棧
- 噪聲中提取真值!瑞盟科技推出MSA2240電流檢測芯片賦能多元高端測量場景
- 10MHz高頻運行!氮矽科技發布集成驅動GaN芯片,助力電源能效再攀新高
- 失真度僅0.002%!力芯微推出超低內阻、超低失真4PST模擬開關
- 一“芯”雙電!聖邦微電子發布雙輸出電源芯片,簡化AFE與音頻設計
- 一機適配萬端:金升陽推出1200W可編程電源,賦能高端裝備製造
- 築基AI4S:摩爾線程全功能GPU加速中國生命科學自主生態
- 一秒檢測,成本降至萬分之一,光引科技把幾十萬的台式光譜儀“搬”到了手腕上
- AI服務器電源機櫃Power Rack HVDC MW級測試方案
- 突破工藝邊界,奎芯科技LPDDR5X IP矽驗證通過,速率達9600Mbps
- 通過直接、準確、自動測量超低範圍的氯殘留來推動反滲透膜保護
- 車規與基於V2X的車輛協同主動避撞技術展望
- 數字隔離助力新能源汽車安全隔離的新挑戰
- 汽車模塊拋負載的解決方案
- 車用連接器的安全創新應用
- Melexis Actuators Business Unit
- Position / Current Sensors - Triaxis Hall


