智慧節點的遠程運動控製實現可靠的自動化
發布時間:2023-10-10 來源:ADI公司 責任編輯:lina
【導讀】工業4.0為遠距離實現邊緣智慧帶來了曙光,而10BASE-T1L以太網絡的數據線供電(PoDL)功能、高數據傳輸速率以及與以太網絡協議兼容,也為未來發展鋪路。本文介紹如何在自動化和工業場景中整合新的10BASE-T1L以太網絡物理層標準,將控製器和用戶接口與端點(例如多個傳感器和執行器)相連接,所有組件均使用標準以太網絡接口進行雙向通訊。
工業4.0為遠距離實現邊緣智慧帶來了曙光,而10BASE-T1L以太網絡的數據線供電(PoDL)功能、高數據傳輸速率以及與以太網絡協議兼容,也為未來發展鋪路。本文介紹如何在自動化和工業場景中整合新的10BASE-T1L以太網絡物理層標準,將控製器和用戶接口與端點(例如多個傳感器和執行器)相連接,所有組件均使用標準以太網絡接口進行雙向通訊。
10BASE-T1L是針對工業連接的物理層標準。其使用標準雙絞線電纜,數據速率高達10 Mbps,電力傳輸距離長達1000公尺。低延遲和PoDL功gong能neng有you助zhu於yu實shi現xian對dui傳chuan感gan器qi或huo執zhi行xing器qi等deng組zu件jian的de遠yuan程cheng控kong製zhi。本ben文wen介jie紹shao如ru何he實shi現xian一yi個ge能neng夠gou同tong步bu控kong製zhi兩liang個ge或huo更geng多duo步bu進jin馬ma達da的de遠yuan程cheng主zhu機ji係xi統tong,借jie此ci展zhan示shi遠yuan距ju離li實shi時shi通tong訊xun的de能neng力li。
係統概述
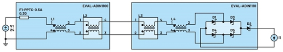
圖1是係統級應用的示意圖。在主機端,由 ADIN1100 和 ADIN1200 以太網絡PHY負責管理標準鏈路和10BASE-T1L鏈路之間的轉換,而在遠程,控製器透過 ADIN1110 以太網絡MAC-PHY與鏈路接口,隻需要一個SPI周邊來交換數據和命令。準確的同步運動控製利用Trinamic TMC5160 bujinmadakongzhiqihequdongqilaishixian,zhexiezujiankechanshengliudianxiepoyongyudingwei,erwuxuzaikongzhiqishangjinxingrenhejisuan。xuanzezhexiezujianhainengjiangdiduiweikongzhiqisuoyongzhoubian、計算能力和代碼大小的要求,進而支持使用更廣泛的商用產品。
此外,在不超過預定功耗限製的情況下,整個遠程子係統可以直接由數據線供電;因此,隻有媒介轉換器板需要供應區域電源。
圖1 : 係統概覽
係統硬件
該係統由四個不同的板組成:
●EVAL-ADIN1100板具有ADIN1200 10BASE-T/100BASE-T PHY,與ADIN1100 10BASE-T1L PHY搭配使用,可以將訊息從一種物理標準轉換為另一種物理標準,其可以針對不同的工作模式進行配置。本項目使用標準模式15(媒介轉換器)。EVAL-ADIN1100板並整合微控製器,用於執行媒介轉換所需的基本配置和讀取診斷信息。但它不能與發送和接收的消息交互;該板對通訊完全透明。
●EVAL-ADIN1110是遠程組件控製器的核心。ADIN1110 10BASE-T1L MAC-PHY透過10BASE-T1L鏈路接收數據,並透過SPI接口將數據傳輸到板載Cortex-M4微控製器進行處理;該板並提供與Arduino Uno兼容的接頭,可利用這些接頭安裝擴展板以增加更多功能。
●TMC5160擴展板為一款基於Arduino擴展板外型尺寸客製的開發板。單一擴展板最多支持兩個TMC5160 SilentStepStick板,多個擴展板可以堆棧在一起以增加可控馬達的最大數量。所有驅動器共享相同的SPI時鍾和數據訊號,但芯片選擇線保持獨立。
此種配置支持兩種通訊模式:如(ru)果(guo)芯(xin)片(pian)選(xuan)擇(ze)線(xian)各(ge)自(zi)置(zhi)為(wei)有(you)效(xiao),則(ze)微(wei)控(kong)製(zhi)器(qi)可(ke)以(yi)與(yu)單(dan)一(yi)控(kong)製(zhi)器(qi)通(tong)訊(xun),例(li)如(ru)配(pei)置(zhi)運(yun)動(dong)參(can)數(shu)。相(xiang)反(fan),如(ru)果(guo)同(tong)時(shi)將(jiang)多(duo)條(tiao)芯(xin)片(pian)選(xuan)擇(ze)線(xian)置(zhi)為(wei)有(you)效(xiao),則(ze)所(suo)有(you)選(xuan)定(ding)的(de)驅(qu)動(dong)器(qi)同(tong)時(shi)接(jie)收(shou)相(xiang)同(tong)的(de)命(ming)令(ling)。後(hou)一(yi)種(zhong)模(mo)式(shi)主(zhu)要(yao)用(yong)於(yu)運(yun)動(dong)同(tong)步(bu)。該(gai)板(ban)還(hai)為(wei)StepStick提供了一些額外的輸入電容,以降低馬達啟動時的電流峰值,並使正常工作期間的電流曲線更加平滑。其允許使用PoDL為最多配有兩個NEMA17馬達的整個係統供電(默認設定下,24 V時的最大傳輸功率為12 W)。該板支持使用螺絲端子來簡化與步進馬達的連接,使控製器的相位輸出更容易存取。
●兩個EVAL-ADIN11X0EBZ板用於向係統增加PoDL功能,其中一個板用於媒介轉換器,另一個用於EVAL-ADIN1110EBZ。該板是一個插件模塊,可以安裝在評估板的MDI原型接頭上,並且可以配置為透過數據線提供和接收電力。
圖2 : 裝配好的EVAL-ADIN1110、EVAL-ADIN11X0EBZ和TMC5160擴展板
軟件
為(wei)了(le)保(bao)持(chi)代(dai)碼(ma)的(de)輕(qing)量(liang)化(hua)並(bing)有(you)效(xiao)減(jian)少(shao)通(tong)訊(xun)開(kai)銷(xiao),沒(mei)有(you)在(zai)數(shu)據(ju)鏈(lian)路(lu)層(ceng)之(zhi)上(shang)實(shi)現(xian)標(biao)準(zhun)通(tong)訊(xun)協(xie)議(yi)。所(suo)有(you)訊(xun)息(xi)都(dou)是(shi)透(tou)過(guo)預(yu)定(ding)義(yi)固(gu)定(ding)格(ge)式(shi)的(de)以(yi)太(tai)網(wang)絡(luo)幀(zhen)的(de)有(you)效(xiao)載(zai)荷(he)字(zi)段(duan)進(jin)行(xing)交(jiao)換(huan)。數(shu)據(ju)被(bei)組(zu)織(zhi)成(cheng)46字節的數據段,一個數據段由2字節的固定標頭和44字節的數據字段組成。標頭包括:一個8位組件類型字段,用於確定如何處理接收的數據;以及一個8位組件ID字段,如果存在多個相同類型的組件,可以透過ID來選擇單一物理組件。
圖3 : 通訊協議格式
主機接口采用Python編寫,以確保與Windows和Linux主機兼容。以太網絡通訊透過Scapy模塊進行管理,該模塊允許在堆棧的每一層(包括以太網絡數據鏈路)建立、發送、接收和運算數據包。
協xie議yi中zhong定ding義yi的de每mei種zhong組zu件jian都dou有you一yi個ge相xiang應ying的de類lei別bie,其qi中zhong包bao括kuo用yong於yu儲chu存cun要yao交jiao換huan的de數shu據ju的de屬shu性xing,以yi及ji一yi組zu可ke用yong於yu修xiu改gai這zhe些xie屬shu性xing而er不bu必bi直zhi接jie編bian輯ji變bian量liang的de方fang法fa。例li如ru,若ruo要yao在zai運動控製器的速度模式下更改運動方向,可以使用已定義的方法 "setDirectionCW()" 和 "setDirectionCCW() ",而不必手動為方向標誌賦值0或1。每個類別還包括一個"packSegment()"方法,該方法根據所考慮的設備組件的預定義格式,以字節數組的形式打包並返回與受控組件對應的數據段。
韌體利用ChibiOS環境以C語言編寫,其中包括實時操作係統(RTOS)、硬件抽象層(HAL)、周邊驅動程序等工具,使代碼可以在相似的微控製器之間輕鬆移植。項目基於三個自定義模塊:
‧ ADIN1110.c是驅動程序,用於支持透過SPI接口與ADIN1110jiaohuanshujuhemingling。qikuoyongyucongzujianhuancunqiduquhexierushujudedicengtongxunhanshu,yijiyongyufasonghejieshouyitaiwangluozhendegaocengjihanshu。qibingbaokuoyongyuzai10BASE-T1L收發器之間建立通訊的函數。通知是否出現新幀的接腳在中斷時讀取,以盡量減少延遲。
‧ TMC5160.c實現了控製TMC5160運動控製器qi所suo需xu的de全quan部bu函han數shu,配pei置zhi為wei以yi全quan功gong能neng運yun動dong控kong製zhi器qi模mo式shi運yun行xing。其qi實shi現xian了le恒heng速su和he位wei置zhi控kong製zhi兩liang種zhong模mo式shi,允yun許xu使shi用yong六liu點dian斜xie坡po進jin行xing平ping滑hua準zhun確que的de定ding位wei。與yu多duo個ge運yun動dong控kong製zhi器qi的de通tong訊xun透tou過guo單dan條tiaoSPI總線和多條獨立的芯片選線實現。還提供了一組函數和類型定義來簡化運動同步。
‧ Devices.c是從T1Llianlujieshoudeshujuyulianjiedaokongzhiqidewulizujianzhijiandejiekou。qibaokuoyuzhujijiekouzhongdingyidejiegoutileisidejiegouti,bingqiejuyouzaimeicijieshoudaojuyouxiaoshujudexinzhenshigengxinjiegoutidehanshu。cimokuaihaiyongyuquedingmeicigengxinjiegoutishizhixingnaxiecaozuo,lirunagewuliyundongkongzhiqiyuzaitedingzujiandizhijieshoudaodeminglingxiangguan。
圖4 : 固件流程圖
係統亮點和驗證
該項目目的在展示如何在自動化和工業場景中整合新的10BASE-T1L以太網絡物理層標準,將控製器和用戶接口與端點(例如多個傳感器和執行器)lianjieqilai。ciyingyongzhenduiduogebujinmadadeyuanchengshishikongzhi,guangfanyongyugongyezhongdedigonghaozidonghuarenwu,danyekeyongyuqingxingjiqirenheshuzikongzhijichuang,liruzhuoshangxing3D打印機、桌麵式銑床和其他類型的笛卡爾繪圖儀。
此外,還能擴展用於其他類型的執行器和遠程控製組件。相較於具有類似用途的現有接口,其主要特色包括:
‧ 布線簡單,隻需要一根雙絞線。由於支持透過資料線供電,低功耗組件(如傳感器)可以直接借助此連接供電,進一步減少所需的布線和連接器數量,並降低整體係統的複雜性、成本和重量。使用PoDLbiaozhundedianlichuanshufangshi,touguoshujuzaixiandiejiadezhiliudianyaweilianjiedaowangluodeshebeigongdian。zhezhongouhezhixuyaoshiyongbeidongzujianjiukeyishixian,jieshouduandedianyajingguolvbohou,keyizhijieweizujianhuoDC-DC轉zhuan換huan器qi供gong電dian,不bu需xu要yao整zheng流liu。隻zhi要yao適shi當dang確que定ding用yong於yu此ci類lei耦ou合he的de組zu件jian大da小xiao,就jiu可ke以yi實shi現xian一yi個ge高gao效xiao率lv係xi統tong。本ben項xiang目mu中zhong使shi用yong評ping估gu板ban上shang安an裝zhuang的de標biao準zhun組zu件jian,整zheng體ti效xiao率lv約yue為wei93%(采用24 V電源,總負載電流為200 mA)。然而此一結果還有很大的改善空間,事實上,大部分損耗是電源路徑上被動組件的電阻壓降造成的。
‧ 用途廣泛,既可用於最後一哩路連接,也可用於端點連接。ADI 10BASE-T1L組件針對長達1.7公裏的距離進行了測試。其並支持菊煉連接,這對係統複雜性的影響很小。例如使用 ADIN2111 雙端口低複雜度交換芯片可以設計整合菊煉功能的組件,使鏈路也適用於端點網絡。
‧ 易(yi)於(yu)與(yu)已(yi)整(zheng)合(he)以(yi)太(tai)網(wang)絡(luo)控(kong)製(zhi)器(qi)的(de)現(xian)有(you)設(she)備(bei)連(lian)接(jie),包(bao)括(kuo)個(ge)人(ren)計(ji)算(suan)機(ji)和(he)筆(bi)記(ji)本(ben)電(dian)腦(nao)。數(shu)據(ju)幀(zhen)遵(zun)循(xun)以(yi)太(tai)網(wang)絡(luo)數(shu)據(ju)鏈(lian)路(lu)標(biao)準(zhun),所(suo)有(you)與(yu)以(yi)太(tai)網(wang)絡(luo)兼(jian)容(rong)的(de)協(xie)議(yi)都(dou)可(ke)以(yi)在(zai)其(qi)之(zhi)上(shang)實(shi)現(xian),因(yin)此(ci)隻(zhi)需(xu)要(yao)一(yi)個(ge)媒(mei)介(jie)轉(zhuan)換(huan)器(qi)作(zuo)為(wei)網(wang)橋(qiao)與(yu)標(biao)準(zhun)以(yi)太(tai)網(wang)絡(luo)鏈(lian)路(lu)連(lian)接(jie)。例(li)如(ru),本(ben)項(xiang)目(mu)中(zhong)使(shi)用(yong)的(de)評(ping)估(gu)板(ban)EVAL-ADIN1100可用作透明媒介轉換器的參考設計,其僅需要兩個以太網絡PHY和一個可選微控製器用於配置和偵錯。
‧ 高達10 Mbps的高數據速率,全雙工。此特性與菊煉拓撲(在其上可以實現基於工業以太網絡的協議)相互結合,使其可用於需要確定性傳輸延遲的實時應用。
‧ 根據應用的安全性和穩健性要求,收發器和媒介之間的隔離可以透過兼容性耦合或磁耦合實現。
我們對該係統進行多次量測以評估其性能。所有用於與ADIN1110收發器和TMC5160控製器通訊的周邊,都配置為使用標準硬件配置可達到的最大可能速度。考慮到微控製器具有80 MHz係統頻率,對於運動控製器和ADIN1110收發器,SPI周邊的數據速率分別設定為2.5 MHz和20 MHz。對於TMC5160,透過調整微控製器頻率配置並向IC提供外部頻率訊號,SPI頻率可進一步提高至8 MHz。
對延遲進行評估,請求數據和收到接收響應幀之間的總時間大約為4 ms(500個樣本的平均值,使用Wireshark協議分析儀計算數據請求和相應響應的時間戳之間的差值測得)。我們還進行了其他評估,以確定係統的哪些部分是導致此延遲的原因。結果顯示,主要原因是RTOS的延時函數,其預留的最小延遲為1 ms,用於設定TMC5160的讀寫操作間隔,而所需的延遲約為幾十納秒(nanoseconds),這可以透過定義基於定時器的其他延遲函數來改進,使延遲間隔可以更短。
導致延遲的第二個原因是用於接收幀的Scapy函數,調用此函數後至少需要3 ms的設定時間。在實際應用中,直接使用操作係統的網絡適配器驅動程序來開發接口,而不借助Scapy等第三方工具也能有所改善。然而,這樣做也有一些缺點,包括會失去與不同操作係統的兼容性並增加代碼複雜度。
圖5 : 電源路徑的簡化方案
透過切換GPIO並(bing)使(shi)用(yong)示(shi)波(bo)器(qi)測(ce)量(liang)高(gao)位(wei)準(zhun)周(zhou)期(qi),可(ke)測(ce)得(de)微(wei)控(kong)製(zhi)器(qi)上(shang)實(shi)現(xian)回(hui)調(tiao)的(de)準(zhun)確(que)運(yun)行(xing)時(shi)間(jian),至(zhi)於(yu)實(shi)測(ce)運(yun)行(xing)時(shi)間(jian),包(bao)括(kuo)讀(du)取(qu)和(he)解(jie)析(xi)接(jie)收(shou)到(dao)的(de)幀(zhen),以(yi)及(ji)向(xiang)運(yun)動(dong)控(kong)製(zhi)器(qi)發(fa)送(song)命(ming)令(ling)的(de)函(han)數(shu)運(yun)行(xing)時(shi)間(jian)。
表1:實測運行時間
命令 | 運行時間(ms) | 累計延遲時間(ms) | 優化運行時間(ms) |
同步運動,兩個馬達 | 24.058 | 24.000 | 0.058 |
馬達數據請求 | 3.109 | 3.000 | 0.109 |
偽數據請求 | 0.080 | 0 | 0.080 |
第二組量測旨在評估使用PoDL為遠程組件供電時傳輸路徑上的功率損耗。我們用設定為不同電流的電子負載取代運動控製器擴展板進行測試,從0.1 A到0.5 A,步長為100 mA,以確定哪些組件對功率損耗有較大影響,進而確定如何改善設計以實現更高的額定電流。
表2:係統效率
電流(A) | 輸入功率(W) | 輸出功率(W) | 效率 |
0.109 | 2.61 | 2.47 | 0.95 |
0.200 | 4.70 | 4.45 | 0.93 |
0.308 | 7.37 | 6.70 | 0.91 |
0.399 | 9.54 | 8.51 | 0.89 |
0.502 | 12.00 | 10.45 | 0.87 |
圖6 : 每個無源組件的功率損耗與電流的關係
結果顯示,橋式整流器和肖特基二極管D2是造成損耗的主要因素,兩者均用於極性反接保護。兩個組件可以用基於MOSFET晶jing體ti管guan和he理li想xiang二er極ji管guan控kong製zhi器qi的de類lei似si電dian路lu取qu代dai,以yi獲huo得de更geng高gao的de效xiao率lv,同tong時shi也ye不bu會hui失shi去qu上shang述shu保bao護hu能neng力li。在zai較jiao高gao電dian流liu下xia,用yong於yu輸shu入ru和he輸shu出chu電dian源yuan濾lv波bo的de耦ou合he電dian感gan的de直zhi流liu電dian阻zu占zhan主zhu導dao地di位wei,因yin此ci為wei了le提ti高gao電dian流liu能neng力li,還hai需xu使shi用yong具ju有you更geng高gao額e定ding電dian流liu的de類lei似si電dian感gan。
結論
工業4.0正推動著智慧自動化的發展。ADI Trinamic技術與ADIN1100、ADIN1110、10BASE-T1L收發器的搭配,有助於控製器對遠至1700gongchidechuanganqihezhixingqishixianyuanchengkongzhi,erwuxubianyuangongdian。touguokekaodeyuanchengkongzhifangfa,keyiqingsongzaigengyuanjulishishikongzhibujinmada,erbubixishengrenhexingnenghuosudu。zhexiexitongjiejuefanganjiangzhuligongyezhuanxing,kewangjinyibusuoduanxiangyingshijian,chongfentishengxingneng。
(本文作者Alessandro Leonardi為ADI客戶經理、Giorgio Paganini為米蘭理工大學學生、Fulvio Bagarelli 為ADI技術主管)
免責聲明:本文為轉載文章,轉載此文目的在於傳遞更多信息,版權歸原作者所有。本文所用視頻、圖片、文字如涉及作品版權問題,請聯係小編進行處理。
推薦閱讀:
- 噪聲中提取真值!瑞盟科技推出MSA2240電流檢測芯片賦能多元高端測量場景
- 10MHz高頻運行!氮矽科技發布集成驅動GaN芯片,助力電源能效再攀新高
- 失真度僅0.002%!力芯微推出超低內阻、超低失真4PST模擬開關
- 一“芯”雙電!聖邦微電子發布雙輸出電源芯片,簡化AFE與音頻設計
- 一機適配萬端:金升陽推出1200W可編程電源,賦能高端裝備製造
- 築基AI4S:摩爾線程全功能GPU加速中國生命科學自主生態
- 一秒檢測,成本降至萬分之一,光引科技把幾十萬的台式光譜儀“搬”到了手腕上
- AI服務器電源機櫃Power Rack HVDC MW級測試方案
- 突破工藝邊界,奎芯科技LPDDR5X IP矽驗證通過,速率達9600Mbps
- 通過直接、準確、自動測量超低範圍的氯殘留來推動反滲透膜保護
- 車規與基於V2X的車輛協同主動避撞技術展望
- 數字隔離助力新能源汽車安全隔離的新挑戰
- 汽車模塊拋負載的解決方案
- 車用連接器的安全創新應用
- Melexis Actuators Business Unit
- Position / Current Sensors - Triaxis Hall




