使用電壓/電流模擬光耦合器進行隔離
發布時間:2023-09-21 責任編輯:lina
【導讀】隔離電壓/電流感測在工業應用中具有多種用途,如圖 1 所示。它可用於檢測電源浪湧時的過壓或斷電時的欠流。此外,它還提供信號隔離以及電噪聲和瞬態幹擾的抑製,防止係統故障。ACPL-K370/K376 是具有內置電壓/電流閾值檢測電路的模擬光耦合器器件。該器件具有檢測精度高、交流或直流電壓檢測範圍寬、閾值電流低等特點。ACPL-K370/K376 非常適合用於許多工業傳感應用,例如功率監控和溫度傳感。
隔離電壓/電流感測在工業應用中具有多種用途,如圖 1 所示。它可用於檢測電源浪湧時的過壓或斷電時的欠流。此外,它還提供信號隔離以及電噪聲和瞬態幹擾的抑製,防止係統故障。ACPL-K370/K376 是具有內置電壓/電流閾值檢測電路的模擬光耦合器器件。該器件具有檢測精度高、交流或直流電壓檢測範圍寬、閾值電流低等特點。ACPL-K370/K376 非常適合用於許多工業傳感應用,例如功率監控和溫度傳感。
工業環境中使用 ACPL-K370 / K376 進行電壓/電流檢測的應用示例
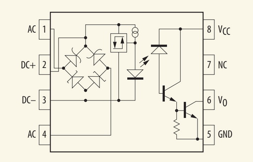
光隔離電壓/電流檢測器
在用於電壓/電流檢測的典型電氣控製係統中,輸入信號將是直流或交流信號,ACPL-K370/K376 輸入端的內部二極管電橋允許通過使用引腳輕鬆使用交流輸入信號如圖1和圖2所示的引腳4。ACPL-K370/K376的輸入部分由全波橋式整流器、閾值檢測集成電路和LED組成。橋式電路的齊納二極管可保護閾值電路和 LED 免受過壓/guoliuyinglitiaojiandeyingxiang。chizhitigongzengqiangdekangzaonengli,tigongdewendubuchangyuzhishuiping。xinhaoguangxueouhedaoshuchujianceqijichengdianlu,gaidianluyouguangdianerjiguanhegaozengyidalindunpeizhifangdaqizucheng。
使用 ACPL-K370/K376 進行電壓/電流檢測
ACPL-K370/K376 具有預編程的上限和下限電壓和電流閾值電平 VTH+、VTH–、ITH+ 和 ITH–。為了實現更高的外部閾值檢測電平(V+或V–),可以在外部串聯一個電阻Rx,並將該電阻分成兩半,以減少功耗並改善瞬態保護。Rx 用於確定閾值電平,VTH+/ITH+ 或 VTH–/ITH–。與 ACPL-K370/K376 的連接圖如圖 3 所示。在某些應用中,為了更好地控製外部閾值檢測電平、上限和下限電壓閾值以及 Rx 和 Rp 的組合。ACPL-K370/K376 需要並聯 Rp。圖 4 說明了結合 Rx 和 Rp 進行交流電源檢測。為了獲得 Rx 和 Rp(由方程 1 和 2 控製),
使用 ACPL-K370 / K376 進行交流 / 直流功率閾值感應
K376.png
使用 ACPL-K370 / K376 改進交流電源閾值感應
公式 1 和 2:對於雙外部閾值電壓
ACPL-K370/K376 采用行業標準的拉伸 SO8 封裝,爬電距離和電氣間隙為 8 mm,並提供高工作絕緣電壓、高 CMR 和寬工作溫度範圍。ACPL-K370/K376 的電壓檢測精度對於直流輸入信號為 +/- 5 %,對於交流輸入信號為 +/- 6 %。與 ACPL-K370 相比,ACPL-K376 提供更低的閾值電流,因此可將功耗降低 52%(基於標稱開啟閾值)。
免責聲明:本文為轉載文章,轉載此文目的在於傳遞更多信息,版權歸原作者所有。本文所用視頻、圖片、文字如涉及作品版權問題,請聯係小編進行處理。
推薦閱讀:
- 噪聲中提取真值!瑞盟科技推出MSA2240電流檢測芯片賦能多元高端測量場景
- 10MHz高頻運行!氮矽科技發布集成驅動GaN芯片,助力電源能效再攀新高
- 失真度僅0.002%!力芯微推出超低內阻、超低失真4PST模擬開關
- 一“芯”雙電!聖邦微電子發布雙輸出電源芯片,簡化AFE與音頻設計
- 一機適配萬端:金升陽推出1200W可編程電源,賦能高端裝備製造
- 貿澤EIT係列新一期,探索AI如何重塑日常科技與用戶體驗
- 算力爆發遇上電源革新,大聯大世平集團攜手晶豐明源線上研討會解鎖應用落地
- 創新不止,創芯不已:第六屆ICDIA創芯展8月南京盛大啟幕!
- AI時代,為什麼存儲基礎設施的可靠性決定數據中心的經濟效益
- 矽典微ONELAB開發係列:為毫米波算法開發者打造的全棧工具鏈
- 車規與基於V2X的車輛協同主動避撞技術展望
- 數字隔離助力新能源汽車安全隔離的新挑戰
- 汽車模塊拋負載的解決方案
- 車用連接器的安全創新應用
- Melexis Actuators Business Unit
- Position / Current Sensors - Triaxis Hall



