模擬開關用途和基本操作
發布時間:2023-09-20 責任編輯:lina
【導讀】本(ben)應(ying)用(yong)筆(bi)記(ji)描(miao)述(shu)了(le)傳(chuan)輸(shu)門(men)的(de)用(yong)途(tu)和(he)基(ji)本(ben)操(cao)作(zuo)。本(ben)文(wen)解(jie)釋(shi)了(le)如(ru)何(he)使(shi)用(yong)傳(chuan)輸(shu)門(men)以(yi)的(de)電(dian)路(lu)板(ban)麵(mian)積(ji)投(tou)資(zi)來(lai)快(kuai)速(su)隔(ge)離(li)多(duo)個(ge)信(xin)號(hao),並(bing)且(qie)這(zhe)些(xie)關(guan)鍵(jian)信(xin)號(hao)的(de)特(te)性(xing)下(xia)降(jiang)可(ke)以(yi)忽(hu)略(lve)不(bu)計(ji)。DS3690 是示例設備。
本(ben)應(ying)用(yong)筆(bi)記(ji)描(miao)述(shu)了(le)傳(chuan)輸(shu)門(men)的(de)用(yong)途(tu)和(he)基(ji)本(ben)操(cao)作(zuo)。本(ben)文(wen)解(jie)釋(shi)了(le)如(ru)何(he)使(shi)用(yong)傳(chuan)輸(shu)門(men)以(yi)的(de)電(dian)路(lu)板(ban)麵(mian)積(ji)投(tou)資(zi)來(lai)快(kuai)速(su)隔(ge)離(li)多(duo)個(ge)信(xin)號(hao),並(bing)且(qie)這(zhe)些(xie)關(guan)鍵(jian)信(xin)號(hao)的(de)特(te)性(xing)下(xia)降(jiang)可(ke)以(yi)忽(hu)略(lve)不(bu)計(ji)。DS3690 是示例設備。
傳輸門是一種模擬開關,可以選擇性地阻止信號傳輸。在本應用筆記中,我們將定義傳輸門的含義、其基本操作和終目的。例如,DS3690 器件用於隔離多個信號,並且對電路板麵積的投資,並且這些關鍵信號的特性下降可以忽略不計。
基本操作
傳輸門或模擬開關被定義為一種電子元件,它將選擇性地阻止或傳遞從輸入到輸出的信號電平。該固態開關由 pMOS 晶體管和 nMOS 晶體管組成。控製柵極以互補方式偏置,使得兩個晶體管要麼導通,要麼截止。
當節點 A 上的電壓為邏輯 1 時,互補邏輯 0 被施加到低電平有效節點 A,從而允許兩個晶體管導通並將 IN 處的信號傳遞到 OUT。當節點 A 上的低電平有效電壓為邏輯 0 時,互補邏輯 1 被施加到節點 A,關閉兩個晶體管並在 IN 和 OUT 節點上強製形成高阻抗狀態。這種高阻抗條件代表 DS3690 通道可能向下遊反映的第三種“狀態”(高、低或高阻抗)。
原理圖(圖 1)包括 IN 和 OUT 的任意標簽,因為如果這些標簽顛倒,電路將以相同的方式運行。該設計提供真正的雙向連接,且不會降低輸入信號的質量。

傳輸門的示意圖。
傳輸門的常見電路符號描述了電路操作的雙向性質(圖 2)。

電路符號。
傳輸門有什麼用?
傳輸門通常用作邏輯電路的構建塊,例如 D 鎖存器或 D 觸(chu)發(fa)器(qi)。作(zuo)為(wei)獨(du)立(li)電(dian)路(lu),傳(chuan)輸(shu)門(men)可(ke)以(yi)在(zai)熱(re)插(cha)入(ru)或(huo)移(yi)除(chu)過(guo)程(cheng)中(zhong)將(jiang)一(yi)個(ge)或(huo)多(duo)個(ge)組(zu)件(jian)與(yu)實(shi)時(shi)信(xin)號(hao)隔(ge)離(li)。在(zai)安(an)全(quan)應(ying)用(yong)中(zhong),它(ta)們(men)可(ke)以(yi)有(you)選(xuan)擇(ze)地(di)阻(zu)止(zhi)關(guan)鍵(jian)信(xin)號(hao)或(huo)數(shu)據(ju)在(zai)沒(mei)有(you)適(shi)當(dang)的(de)硬(ying)件(jian)控(kong)製(zhi)授(shou)權(quan)的(de)情(qing)況(kuang)下(xia)傳(chuan)輸(shu)。
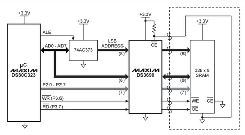
圖 3 中的連接方案旨在隔離微處理器和內存組件之間的 I/O 總線,以防內存被移除。SRAM 物理安裝在可移動存儲卡上;DS3690 傳輸門用於隔離通過連接器路由的各種信號。
什麼是傳輸門?

DS3690的典型應用電路。
SRAM 的接地連接通過連接器反饋,以拉低 DS3690 芯片使能(低電平有效 CE)引腳。安裝存儲卡後,此操作將啟用傳輸門。
DS3690 有什麼獨特之處?
大量獨立通道減少了組件數量
DS3690 具有 26 個獨立通道,具有當今市場上的總線寬度。大多數商用傳輸門都配置為容納 2、4 或 8 個離散信號。以圖 3 為例,當卡被移除時,該 SRAM 需要隔離 25 個離散信號。使用傳統的 8 位傳輸門,設計人員必須放置四個獨立的組件來隔離該 SRAM,從而顯著增加終組件數量和專用 PC 板麵積。
小封裝節省電路板空間
DS3690 采用 5 mm x 11 mm TQFN 封裝,僅需 55 mm? 的 PC 板麵積即可完成整個總線隔離工作。如果設計人員選擇了 8 位傳輸門,則激進的封裝是每個占用 51.5 mm? 的 SSOP。考慮到信號布線的餘量,四個 8 位組件將占用超過 200 mm? 的空間來完成與單個 DS3690 相同的功能。
免責聲明:本文為轉載文章,轉載此文目的在於傳遞更多信息,版權歸原作者所有。本文所用視頻、圖片、文字如涉及作品版權問題,請聯係小編進行處理。
推薦閱讀:
- 噪聲中提取真值!瑞盟科技推出MSA2240電流檢測芯片賦能多元高端測量場景
- 10MHz高頻運行!氮矽科技發布集成驅動GaN芯片,助力電源能效再攀新高
- 失真度僅0.002%!力芯微推出超低內阻、超低失真4PST模擬開關
- 一“芯”雙電!聖邦微電子發布雙輸出電源芯片,簡化AFE與音頻設計
- 一機適配萬端:金升陽推出1200W可編程電源,賦能高端裝備製造
- 貿澤EIT係列新一期,探索AI如何重塑日常科技與用戶體驗
- 算力爆發遇上電源革新,大聯大世平集團攜手晶豐明源線上研討會解鎖應用落地
- 創新不止,創芯不已:第六屆ICDIA創芯展8月南京盛大啟幕!
- AI時代,為什麼存儲基礎設施的可靠性決定數據中心的經濟效益
- 矽典微ONELAB開發係列:為毫米波算法開發者打造的全棧工具鏈
- 車規與基於V2X的車輛協同主動避撞技術展望
- 數字隔離助力新能源汽車安全隔離的新挑戰
- 汽車模塊拋負載的解決方案
- 車用連接器的安全創新應用
- Melexis Actuators Business Unit
- Position / Current Sensors - Triaxis Hall



