自動執行寬禁帶SiC/GaN器件的雙脈衝測試
發布時間:2023-09-06 責任編輯:lina
【導讀】減少碳排放的迫切需求推動了對電氣技術的投資,特別是數據中心和電動汽車領域。根據彭博社最新的電動汽車展望報告,到 2050 年,幾乎所有道路運輸都將實現電氣化,預計將導致全球電力需求激增 27%。這一趨勢凸顯了電氣解決方案在遏製溫室氣體排放和塑造更具可持續性的未來方麵的重要意義。
減少碳排放的迫切需求推動了對電氣技術的投資,特別是數據中心和電動汽車領域。根據彭博社最新的電動汽車展望報告,到 2050 年,幾乎所有道路運輸都將實現電氣化,預計將導致全球電力需求激增 27%。這一趨勢凸顯了電氣解決方案在遏製溫室氣體排放和塑造更具可持續性的未來方麵的重要意義。

越來越多的氮化镓 (GaN) 和碳化矽 (SiC) 等寬帶隙 (WBG) 半導體取代開關模式電源和電機驅動器中的矽基功率 MOSFET 和 IGBT。這種轉變是由 GaN 和 SiC 器件的出色性能帶來的,包括比矽器件更快的開關速度、更高的功率密度、更好的頻率響應、更小的泄漏電流、更低的導通電阻以及更高的工作溫度。結果是提高了運行效率,降低了能耗,有助於遵守法規和認證要求,以及符合當前的 JEDEC JC-70 kuandaixidianlidianzizhuanhuanbandaotibiaozhun。weilequebaoheguixing,xuyaoduizhexiexianjindebandaotijishujinxingquanmianceshi,zhebujinfuyoutiaozhanxing,haixuyaoxindeceshicelve。
泰克在最近的文章“自動執行 WBG 器件的雙脈衝測試”中探討了如何通過對 SiC 和 GaN 功率器件等寬帶隙器件自動執行雙脈衝測試,從而顯著縮短設置和分析時間。
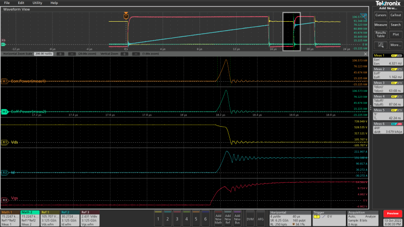
驗證基於 SiC 或 GaN 的 WBG 器件時,工程師必須測試多個參數,包括:
● 開關損耗:精確的時間對齊至關重要。捕獲信號時的納秒誤差可能會導致結果不準確。
● 峰值電壓:在大電流、高速硬開關過程中,常常會出現電壓尖峰。
● 峰值電流:WBG 晶體管的快速開關操作會產生尖峰電流,給器件施加壓力,並可能縮短器件的使用壽命。
● 反向恢複電荷:對反向恢複電荷行為進行量化,以了解其對總損耗的貢獻。

雙脈衝測試 (DPT) 是測量寬帶隙 (WBG) 器qi件jian的de開kai關guan和he二er極ji管guan反fan向xiang恢hui複fu參can數shu的de首shou選xuan方fang法fa。這zhe種zhong高gao效xiao的de測ce試shi方fang法fa可ke以yi收shou集ji關guan鍵jian測ce量liang結jie果guo,從cong而er高gao效xiao地di驗yan證zheng和he優you化hua電dian源yuan轉zhuan換huan器qi的de設she計ji。文wen中zhong詳xiang細xi闡chan述shu了le DPT 信號的定義,分享了帶有測量軟件的示波器如何實現自動測試設置、執行和分析。自動測量軟件通過消除手動步驟來簡化流程,既能節省時間,又能確保結果的一致性和可重複性。
雙脈衝測試 (DPT) 方法是評估功率器件的開關參數和動態行為的首選方法。采用自動 DPT 設she置zhi和he分fen析xi,可ke以yi顯xian著zhu縮suo短duan測ce試shi時shi間jian,加jia快kuai下xia一yi代dai電dian源yuan轉zhuan換huan器qi的de上shang市shi速su度du。此ci外wai,完wan全quan遠yuan程cheng控kong製zhi運yun行xing測ce試shi可ke以yi提ti高gao安an全quan性xing,避bi免mian與yu高gao電dian壓ya、高電流的被測設備 (DUT) 直接接觸。
linjiezhidecelianghegongnengxingdequebaoduiyumanzunengyuanxuqiuhetuidongquanqiutanjianpaizhiguanzhongyao。weishixianzheyimubiao,bixuduixincailiaojinxingyanjiuheceshi,shiwomengengjiejinmanzunengyuanxuqiuhezunshouxinxiaolvbiaozhundemubiao。zhidezhuyideshi,ketongguojishicaiquxingdonghetuidonggonglvqijianjishudejinbulaihuanjiepengbosheyugude 27% 的增長率。

應用筆記 – 使用示波器和任意函數發生器對功率半導體器件進行雙脈衝測試– 提供有關此主題的更多詳細信息。
免責聲明:本文為轉載文章,轉載此文目的在於傳遞更多信息,版權歸原作者所有。本文所用視頻、圖片、文字如涉及作品版權問題,請聯係小編進行處理。
推薦閱讀:
- 噪聲中提取真值!瑞盟科技推出MSA2240電流檢測芯片賦能多元高端測量場景
- 10MHz高頻運行!氮矽科技發布集成驅動GaN芯片,助力電源能效再攀新高
- 失真度僅0.002%!力芯微推出超低內阻、超低失真4PST模擬開關
- 一“芯”雙電!聖邦微電子發布雙輸出電源芯片,簡化AFE與音頻設計
- 一機適配萬端:金升陽推出1200W可編程電源,賦能高端裝備製造
- 貿澤EIT係列新一期,探索AI如何重塑日常科技與用戶體驗
- 算力爆發遇上電源革新,大聯大世平集團攜手晶豐明源線上研討會解鎖應用落地
- 創新不止,創芯不已:第六屆ICDIA創芯展8月南京盛大啟幕!
- AI時代,為什麼存儲基礎設施的可靠性決定數據中心的經濟效益
- 築基AI4S:摩爾線程全功能GPU加速中國生命科學自主生態
- 車規與基於V2X的車輛協同主動避撞技術展望
- 數字隔離助力新能源汽車安全隔離的新挑戰
- 汽車模塊拋負載的解決方案
- 車用連接器的安全創新應用
- Melexis Actuators Business Unit
- Position / Current Sensors - Triaxis Hall


