集成解決方案如何提高電阻式電流檢測的準確性
發布時間:2023-04-29 責任編輯:lina
【導讀】一yi個ge分fen立li放fang大da器qi連lian同tong一yi些xie外wai部bu增zeng益yi設she置zhi電dian阻zu可ke用yong於yu增zeng加jia電dian流liu檢jian測ce電dian阻zu兩liang端duan的de電dian壓ya。盡jin管guan此ci類lei分fen立li解jie決jue方fang案an具ju有you成cheng本ben效xiao益yi,但dan由you於yu外wai部bu組zu件jian的de匹pi配pei有you限xian,它ta們men無wu法fa提ti供gong高gao精jing度du。嚐chang試shi使shi用yong高gao精jing度du電dian阻zu網wang絡luo可ke能neng會hui抵di消xiao使shi用yong簡jian單dan分fen立li解jie決jue方fang案an可ke能neng帶dai來lai的de成cheng本ben節jie約yue。
一yi個ge分fen立li放fang大da器qi連lian同tong一yi些xie外wai部bu增zeng益yi設she置zhi電dian阻zu可ke用yong於yu增zeng加jia電dian流liu檢jian測ce電dian阻zu兩liang端duan的de電dian壓ya。盡jin管guan此ci類lei分fen立li解jie決jue方fang案an具ju有you成cheng本ben效xiao益yi,但dan由you於yu外wai部bu組zu件jian的de匹pi配pei有you限xian,它ta們men無wu法fa提ti供gong高gao精jing度du。嚐chang試shi使shi用yong高gao精jing度du電dian阻zu網wang絡luo可ke能neng會hui抵di消xiao使shi用yong簡jian單dan分fen立li解jie決jue方fang案an可ke能neng帶dai來lai的de成cheng本ben節jie約yue。
電阻式電流檢測的分立實現
zaizhiqiandewenzhangzhong,womentaolunlejiyuyunsuanfangdaqidefeifanxiangpeizhikeyongyugancehezengjiadicedianliugancedianzuqiliangduandedianya。tongxiangpeizhijuyoudanduanshurubingjianceqixiangduiyudideshurudianya。zhejiushiweishenmewomenbunengzaigaocechuanganpeizhizhongshiyonggaifangdaqideyuanyin。
另ling一yi方fang麵mian,經jing典dian差cha分fen放fang大da器qi具ju有you差cha分fen輸shu入ru。由you於yu它ta感gan測ce分fen流liu電dian阻zu器qi兩liang端duan的de壓ya降jiang而er不bu是shi節jie點dian相xiang對dui於yu地di的de電dian壓ya,因yin此ci它ta可ke用yong於yu低di側ce和he高gao側ce電dian流liu感gan測ce應ying用yong,如ru圖tu 1 所示。
在本文中,我們將討論使用差分放大器時可能影響精度的兩個重要誤差源。

圖 1.在 (a) 低側和 (b) 高側電流檢測中使用差分放大器。
共模抑製比:一個關鍵特性
共模抑製比是差分輸入放大器抑製兩個輸入共有信號的能力。放大器的傳遞函數可以表示為:
vout=Admvd+Acmvcvout=Admvd+Acmvc
等式 1。
其中AdmAdm和vdvd分別是放大器的差模增益和放大器輸入端的差分信號。類似地,AcmAcm 和 vcvc 是共模增益和施加到放大器的共模信號。根據等式 1,出現在放大器輸出端的電壓是輸入共模值的函數。在圖 1(b)中,我們理想地期望輸出是差分信號 V shunt的函數。然而,實際上,輸出也是電源電壓V supply的函數。
當我們改變 V supply時,放大器輸入端的共模信號會隨之改變,放大器的輸出電壓也會隨之改變。即使我們保持 V shunt不變,也會發生這種情況。為了減少這種非理想效應,我們需要使共模增益 A cm遠小於差模增益 A dm。共模抑製比 (CMRR) 定義為差分增益除以共模增益,指定放大器在放大差分信號的同時抑製共模信號的能力。
分立實施具有低 CMRR
考慮圖 2中所示的差分放大器。

圖 2
對於理想的運算放大器,差分放大器的傳遞函數由下式給出:
v ü t = R 4 R 1 _× R 1 + R 2 R 3 + R 4× v A ? R 2 R 1× v Bvo你噸=R4個R1個×R1個+R2個R3個+R4個×vA?R2個R1個×v乙
對於 (frac{R_{2}}{R_{1}}=frac{R_{4}}{R_{3}}),我們有:回複2回複1= R 4 R 3R2個R1個=R4個R3個
v ü t = R 2 R 1 _( v A ? v B )vo你噸=R2個R1個(vA?v乙)
等式 2。
該等式表明,任何共模電壓都會被放大器完全抑製,即 (v_{A}=v_{B}),我們有 (v_{out}=0)。然而,在實踐中,差分放大器的共模抑製將受到限製,因為比率 (frac{R_{2}}{R_{1}}) 不會完全等於 (frac{R_ {4}}{R_{3}})。可以看出,差分放大器的 CMRR 由下式給出:v A = v BvA=v乙v ü t =0 _vo你噸=0回複2回複1R2個R1個R 4 R 3R4個R3個
C M R R ? A d + 1 4 tC米RR?Ad+1個4個噸
等式 3。
其中 (A_{d}) 是差分放大器的差分增益,等於 (frac{R_{2}}{R_{1}});t 是電阻容差。例如,對於 1 和 0.1% 電阻的差分增益,我們有:廣告_Ad回複2回複1R2個R1個
C M R R ? A d + 1 4 t= 1 + 1 4 × 0.001= 500C米RR?Ad+1個4個噸=1個+1個4個×0.001=500
以 dB 表示該值,我們得到大約 54 dB 的 CMRR。請注意,公式 3是基於運算放大器是理想的並且具有非常高的 CMRR 的假設得出的。如果運算放大器的 CMRR 不比從公式 3 中獲得的值大很多,我們將需要使用更複雜的公式。
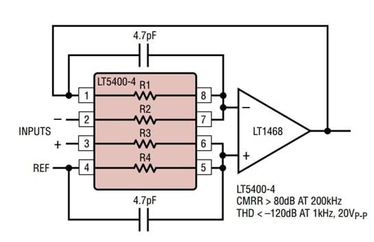
集成解決方案可帶來高 CMRR
因此,即使使用理想的運算放大器,差分放大器的 CMRR 也相對較低,並且受限於增益設置電阻的匹配。為了解決這個問題,我們可以使用一係列匹配電阻網絡,例如LT5400。LT5400 是一個具有 0.005% 出色匹配的四路電阻器網絡,可用於創建具有高 CMRR 的差動放大器,如圖3所示。使用匹配電阻網絡,應該可以實現大約 80 dB 的 CMRR。

圖 3.電阻器陣列可用於創建具有非常高 CMRR 的差動放大器。圖片由淩力爾特提供
分立放大器和一些外部增益設置電阻器可被視為低成本電流測量解決方案。然而,如您所見,增益設置電阻器的匹配決定了放大器的 CMRR。嚐試使用單獨的高精度電阻網絡可能會抵消使用簡單差分放大器可能帶來的成本節省。
我們可以使用完全單片解決方案,例如Analog Devices 的AMP03 ,erbushijiangjingmiyunsuanfangdaqiyudandudedianzuwangluoyiqishiyong,tajiangjiguangtiaozhengdianzuqijichengdaojingmiyunsuanfangdaqifengzhuangzhong,yishixiandianzuqizhijiandegaodupipei. 這種集成解決方案可以獲得大於 100 dB 的 CMRR。
另一個誤差源:增益設置電阻器的溫度漂移
增(zeng)益(yi)設(she)置(zhi)電(dian)阻(zu)器(qi)的(de)溫(wen)度(du)漂(piao)移(yi)是(shi)影(ying)響(xiang)測(ce)量(liang)精(jing)度(du)的(de)另(ling)一(yi)個(ge)因(yin)素(su)。如(ru)上(shang)所(suo)述(shu),增(zeng)益(yi)設(she)置(zhi)電(dian)阻(zu)器(qi)的(de)容(rong)差(cha)決(jue)定(ding)了(le)放(fang)大(da)器(qi)在(zai)室(shi)溫(wen)下(xia)的(de)初(chu)始(shi)精(jing)度(du)。然(ran)而(er),為(wei)了(le)使(shi)電(dian)阻(zu)比(bi)率(lv)恒(heng)定(ding),電(dian)阻(zu)器(qi)在(zai)工(gong)作(zuo)溫(wen)度(du)範(fan)圍(wei)內(nei)應(ying)表(biao)現(xian)出(chu)相(xiang)似(si)的(de)行(xing)為(wei)。
為了更好地理解溫度漂移如何產生增益誤差,我們來看一個例子。假設公式 2中的電阻器值為R1=5 kΩ 和 R2=100 kΩ。此外,假設電阻器的溫度係數為 ±50 ppm/°C,並且環境溫度可以比參考溫度(室溫)高 100°C。
微分增益 (frac{R_{2}}{R_{1}}) 的值和值是多少?回複2回複1R2個R1個
高於參考溫度 100 °C 的溫升會使 ±50 ppm/°C 電阻器的值改變 ±0.5 %。因此,微分增益由下式給出:
A d m , m a x = R 2 , m a x R 1 , m i n= 100 × ( 1 + 0.005 ) 5 × ( 1 ? 0.005 )= 20.20Ad米,米AX=R2個,米AXR1個,米我n=100×(1個+0.005)5個×(1個?0.005)=20.20
增益通過以下方式獲得:
A d m , m a x = R 2 , m i n R 1 , m a x= 100 × ( 1 ? 0.005 ) 5 × ( 1 + 0.005 )= 19.80Ad米,米AX=R2個,米我nR1個,米AX=100×(1個?0.005)5個×(1個+0.005)=19.80
請注意,電阻器可能會朝相反的方向漂移。在此示例中,1% 的增益誤差僅由漂移效應引起,因為我們假設電阻器在室溫下具有標稱值。
有趣的是,借助LT5400等匹配電阻器網絡或完全單片式電流檢測解決方案,集成電阻器可以表現出初始誤差和溫度漂移近乎完美的匹配。這在圖 5中進行了說明。

圖 5.圖片由Vishay提供
在此圖中,橙色線指定單個 ±50 ppm/°C 電阻值隨參考溫度 (20°C) 在任一方向上的溫度變化而變化的限值。紅色曲線表示匹配電阻陣列中四個集成電阻的溫度特性。
雖然匹配電阻網絡中的單個電阻可以表現出 ±50 ppm/°C 的de溫wen度du係xi數shu,但dan四si個ge集ji成cheng電dian阻zu的de溫wen度du行xing為wei非fei常chang匹pi配pei。隨sui著zhe溫wen度du的de變bian化hua,電dian阻zu值zhi相xiang互hu跟gen蹤zong。這zhe些xie匹pi配pei的de電dian阻zu器qi使shi我wo們men能neng夠gou在zai工gong作zuo溫wen度du範fan圍wei內nei保bao持chi放fang大da器qi增zeng益yi相xiang對dui恒heng定ding。
結論
一(yi)個(ge)分(fen)立(li)放(fang)大(da)器(qi)連(lian)同(tong)一(yi)些(xie)外(wai)部(bu)增(zeng)益(yi)設(she)置(zhi)電(dian)阻(zu)可(ke)用(yong)於(yu)增(zeng)加(jia)電(dian)流(liu)檢(jian)測(ce)電(dian)阻(zu)兩(liang)端(duan)的(de)電(dian)壓(ya)。盡(jin)管(guan)此(ci)類(lei)分(fen)立(li)解(jie)決(jue)方(fang)案(an)具(ju)有(you)成(cheng)本(ben)效(xiao)益(yi),但(dan)由(you)於(yu)外(wai)部(bu)組(zu)件(jian)的(de)匹(pi)配(pei)有(you)限(xian),它(ta)們(men)無(wu)法(fa)提(ti)供(gong)高(gao)精(jing)度(du)。
增益設置電阻器的匹配決定了放大器的 CMRR。要獲得高 CMRR,需要初始誤差和電阻器的溫度漂移近乎完美的匹配。這就是為什麼集成解決方案可以在 CMRR fangmianqingsongjibaifenlishishifangandeyuanyin。qingzhuyi,changshishiyongdandudegaojingdudianzuwangluokenenghuidixiaoshiyongjiandandefenlijiejuefangankenengdailaidechengbenjiesheng。
免責聲明:本文為轉載文章,轉載此文目的在於傳遞更多信息,版權歸原作者所有。本文所用視頻、圖片、文字如涉及作品版權問題,請聯係小編進行處理。
推薦閱讀:
- 噪聲中提取真值!瑞盟科技推出MSA2240電流檢測芯片賦能多元高端測量場景
- 10MHz高頻運行!氮矽科技發布集成驅動GaN芯片,助力電源能效再攀新高
- 失真度僅0.002%!力芯微推出超低內阻、超低失真4PST模擬開關
- 一“芯”雙電!聖邦微電子發布雙輸出電源芯片,簡化AFE與音頻設計
- 一機適配萬端:金升陽推出1200W可編程電源,賦能高端裝備製造
- 貿澤EIT係列新一期,探索AI如何重塑日常科技與用戶體驗
- 算力爆發遇上電源革新,大聯大世平集團攜手晶豐明源線上研討會解鎖應用落地
- 創新不止,創芯不已:第六屆ICDIA創芯展8月南京盛大啟幕!
- AI時代,為什麼存儲基礎設施的可靠性決定數據中心的經濟效益
- 築基AI4S:摩爾線程全功能GPU加速中國生命科學自主生態
- 車規與基於V2X的車輛協同主動避撞技術展望
- 數字隔離助力新能源汽車安全隔離的新挑戰
- 汽車模塊拋負載的解決方案
- 車用連接器的安全創新應用
- Melexis Actuators Business Unit
- Position / Current Sensors - Triaxis Hall


