使用雙柵極配置的 SiC FET 進行電路保護
發布時間:2022-01-07 責任編輯:lina
【導讀】近年來,人們對固態斷路器和固態功率控製器的興趣越來越濃厚。鑒於SiC JFET在高額定電壓下具有低開態電阻而且它在需要時進行限流的能力毫不遜色,它們一直被視為此應用的理想器件。我們調查了常關型SiC FET在雙柵極結構中的使用情況,以簡化大電流直流斷路器和交流斷路器的開發。
近年來,人們對固態斷路器和固態功率控製器的興趣越來越濃厚。鑒於SiC JFET在高額定電壓下具有低開態電阻而且它在需要時進行限流的能力毫不遜色,它們一直被視為此應用的理想器件。我們調查了常關型SiC FET在雙柵極結構中的使用情況,以簡化大電流直流斷路器和交流斷路器的開發。
youxuduoyanjiuduigutaiduanluqideyoushijinxingletansuo,tamenkeyidazhifenweihunheduanluqihemeiyoujixiebujiandewanquangutaiduanluqi。benwenzhongdianjieshaogutaiduanluqi。biao1展現了在與現有機電斷路器和繼電器比較時,固態斷路器的優勢和劣勢概覽。固態斷路器的已知重要優勢是能夠在1納秒/微wei秒miao內nei中zhong斷duan電dian流liu,而er機ji電dian斷duan路lu器qi需xu要yao的de時shi間jian為wei毫hao秒miao級ji。在zai中zhong斷duan內nei阻zu抗kang非fei常chang低di的de電dian力li來lai源yuan時shi,例li如ru電dian動dong車che電dian池chi,這zhe一yi優you勢shi會hui變bian得de越yue來lai越yue寶bao貴gui。它ta還hai可ke以yi用yong於yu中zhong斷duan直zhi流liu電dian路lu,而er無wu需xu周zhou全quan的de電dian弧hu防fang止zhi措cuo施shi。沒mei有you移yi動dong部bu件jian和he接jie觸chu降jiang級ji的de特te點dian使shi其qi能neng在zai進jin行xing現xian場chang更geng換huan前qian執zhi行xing更geng多duo周zhou期qi的de故gu障zhang防fang護hu。然ran而er,固gu態tai斷duan路lu器qi的de電dian阻zu比bi機ji械xie接jie觸chu高gao,從cong而er使shi其qi成cheng本ben與yu電dian流liu比bi要yao高gao得de多duo。對dui於yu基ji本ben單dan極ji器qi件jian,由you於yu半ban導dao體ti的de額e定ding電dian壓ya變bian高gao,在zai相xiang同tong麵mian積ji的de所suo用yong材cai料liao下xia,電dian阻zu會hui隨sui著zheV2或V2.5一起增加。由於斷路器電壓級的升高,這會直接影響成本。

表1:固態斷路器與機電斷路器的特征比較
為什麼用SiC進行電路保護
固態保護電路的主要功能是在開態下以盡可能小的電阻損耗傳導電流,並能夠在係統控製器建議中斷電流時中斷電流。在不到600 V的低壓下,矽MOSFET的電阻低,是打造斷路器、繼電器和電子保險絲的成本經濟的選擇,而且已經應用於48V電池係統。一旦所需的電壓超過600 V,即使超結(SJ)MOSFET等先進的矽技術的電阻也會過高。IGBTsuirannenggoutigongfeichangdideweifenzukang,danshizaiqidaodiantezhengzhongyouguaidian,congershidaodianguochengzhongdegonglvsunhaoguogao,zhefanguolaidaozhixuyaoquchugengduoreliang。zaidianyachaoguo3000 V時,則使用IGCT實施斷路器。
圖1顯示的是矽SJ MOSFET、GaN FET、SiC MOSFET和基於SiC-JFET的SiC FET的具體導通電阻。應該很明顯的一個事實是,在從600至2000 V的大電壓範圍內,SiC FET能在單位麵積內實現極低的電阻。這允許人們開發出導電損耗極低、極為小巧和經濟高效的固態斷路器。在散熱受限的應用中,它們會非常有用。所有SiC器件也都能夠承受很高的瞬時升溫(例如在短路事件中),這zhe一yi特te點dian在zai處chu理li四si倍bei於yu矽gui器qi件jian的de單dan位wei麵mian積ji能neng量liang時shi十shi分fen有you用yong。這zhe是shi因yin為wei寬kuan帶dai隙xi會hui導dao致zhi需xu要yao高gao得de多duo的de溫wen度du才cai能neng通tong過guo熱re量liang生sheng產chan足zu夠gou的de載zai波bo子zi,從cong而er降jiang低di開kai關guan的de電dian壓ya閉bi鎖suo能neng力li。4H-SiC的導熱係數比GaN或基於Si的器件高三倍,允許高效散熱,從而允許在更高的電流密度下運行。

圖1:比較多種半導體的具體導通電阻與電壓
基於SiC的電路保護的主要應用
鑒於固態電路保護的成本普遍較高,它很可能用於速度、可控性、可靠性和重量輕這幾個特征比成本溢價要重要的情況。這是典型的新技術,而且由於總是會隨著技術(尤其是SiC)的成熟和擴展出現的成本降低,它的應用領域會更廣。
鑒於直流電力來源(太陽能、電動車電池、能量存儲等)和直流負載的迅速增長,直流斷路器領域正在考察需要使用750 V – 1200 V FET的基於SiC的斷路器。在電動車、船、飛(fei)機(ji)應(ying)用(yong)中(zhong),需(xu)要(yao)非(fei)常(chang)低(di)的(de)導(dao)電(dian)損(sun)耗(hao),且(qie)電(dian)弧(hu)閃(shan)光(guang)帶(dai)來(lai)了(le)安(an)全(quan)隱(yin)患(huan),因(yin)此(ci)固(gu)態(tai)斷(duan)路(lu)器(qi)是(shi)一(yi)個(ge)好(hao)解(jie)決(jue)方(fang)案(an)。固(gu)態(tai)解(jie)決(jue)方(fang)案(an)的(de)能(neng)力(li)是(shi)快(kuai)速(su)中(zhong)斷(duan)短(duan)路(lu)事(shi)件(jian),不(bu)讓(rang)電(dian)流(liu)上(shang)升(sheng)到(dao)5 kA或10 kA以上,這一能力十分寶貴。在保護層級中,可以在主斷路器和下遊斷路器之間實現更快的協調。
大功率交流斷路器也能從固態解決方案的使用中獲益,這主要是因為現在可以使用與機械接觸相媲美的1200 V SiC FET來(lai)實(shi)現(xian)導(dao)通(tong)電(dian)阻(zu),且(qie)整(zheng)體(ti)解(jie)決(jue)方(fang)案(an)可(ke)以(yi)大(da)幅(fu)簡(jian)化(hua)現(xian)場(chang)維(wei)護(hu)。固(gu)態(tai)開(kai)關(guan)直(zhi)接(jie)帶(dai)來(lai)的(de)快(kuai)速(su)電(dian)流(liu)中(zhong)斷(duan)和(he)浪(lang)湧(yong)電(dian)流(liu)限(xian)製(zhi)能(neng)改(gai)進(jin)功(gong)能(neng),從(cong)而(er)帶(dai)來(lai)更(geng)多(duo)價(jia)值(zhi)。
家居空間中的交流斷路器可以利用SiC器件無與倫比的低導電損耗,以便在除了傳統負載外的使用太陽能電池板、能(neng)量(liang)存(cun)儲(chu)和(he)電(dian)動(dong)車(che)的(de)新(xin)興(xing)環(huan)境(jing)中(zhong)實(shi)現(xian)智(zhi)能(neng)解(jie)決(jue)方(fang)案(an)來(lai)管(guan)理(li)能(neng)量(liang)。盡(jin)量(liang)降(jiang)低(di)生(sheng)成(cheng)的(de)熱(re)量(liang)可(ke)實(shi)現(xian)具(ju)有(you)成(cheng)本(ben)效(xiao)益(yi)的(de)斷(duan)路(lu)器(qi)麵(mian)板(ban),而(er)不(bu)需(xu)要(yao)任(ren)何(he)風(feng)扇(shan)來(lai)冷(leng)卻(que)。
除chu了le固gu態tai斷duan路lu器qi外wai,這zhe些xie器qi件jian還hai用yong於yu構gou造zao固gu態tai功gong率lv控kong製zhi器qi,它ta可ke在zai船chuan和he飛fei機ji上shang的de多duo個ge發fa電dian來lai源yuan與yu負fu載zai之zhi間jian調tiao節jie受shou管guan理li的de功gong率lv流liu。像xiang故gu障zhang電dian流liu一yi樣yang,浪lang湧yong電dian流liu也ye能neng得de到dao有you效xiao控kong控kong製zhi。
固(gu)態(tai)斷(duan)路(lu)器(qi)在(zai)鐵(tie)路(lu)牽(qian)引(yin)中(zhong)也(ye)能(neng)發(fa)揮(hui)作(zuo)用(yong),能(neng)促(cu)進(jin)更(geng)好(hao)地(di)管(guan)理(li)接(jie)觸(chu)網(wang)與(yu)係(xi)統(tong)功(gong)率(lv)電(dian)子(zi)器(qi)件(jian)之(zhi)間(jian)的(de)更(geng)快(kuai)的(de)故(gu)障(zhang)響(xiang)應(ying)。這(zhe)可(ke)以(yi)幫(bang)助(zhu)降(jiang)低(di)下(xia)遊(you)功(gong)率(lv)電(dian)子(zi)器(qi)件(jian)的(de)體(ti)積(ji)、重量和成本。係統可靠性和壽命也能受益。
在一係列新興應用中,SiC JFET被用作雙向限流開關、自供電斷路器和超共源共柵高壓斷路器。
在功能安全方麵,對於即使失去柵極功率,晶體管保持開態也有好處的應用,常開型SiC JFET是十分有用的器件。可考慮在高壓側使用常關型器件而在低壓側使用常開型JFET的全橋整流器。此橋仍然存在,作為到輸入側的常關器件,但是由於低壓側JFET可ke以yi在zai兩liang個ge都dou打da開kai時shi讓rang輸shu出chu短duan接jie,它ta們men可ke以yi在zai失shi去qu控kong製zhi力li時shi作zuo為wei分fen流liu器qi。此ci種zhong方fang法fa可ke以yi改gai進jin電dian動dong機ji逆ni變bian器qi的de設she計ji,在zai該gai應ying用yong中zhong簡jian單dan地di使shi用yong常chang開kai器qi件jian作zuo為wei低di壓ya側ceFET可以簡化功能安全性的管理。
在zai上shang述shu所suo有you領ling域yu,固gu態tai解jie決jue方fang案an監jian視shi其qi運yun行xing狀zhuang況kuang的de能neng力li以yi及ji允yun許xu輕qing鬆song按an計ji劃hua維wei護hu而er不bu是shi在zai故gu障zhang後hou再zai維wei修xiu的de能neng力li都dou是shi顯xian著zhu優you勢shi,而er事shi實shi表biao明ming雙shuang柵zha極jiSiC FET提供了這方麵的最佳選項。
JFET、SiC FET和雙柵極SiC FET結構
圖2比較了SiC MOSFET和SiC JFET的基本結構。圖1中表明了SiC JFET具(ju)有(you)較(jiao)低(di)的(de)單(dan)位(wei)麵(mian)積(ji)導(dao)通(tong)電(dian)阻(zu),這(zhe)要(yao)歸(gui)功(gong)於(yu)無(wu)低(di)遷(qian)移(yi)溝(gou)道(dao)和(he)無(wu)需(xu)保(bao)護(hu)柵(zha)氧(yang)化(hua)層(ceng)免(mian)受(shou)強(qiang)磁(ci)場(chang)影(ying)響(xiang),強(qiang)磁(ci)場(chang)需(xu)要(yao)附(fu)加(jia)屏(ping)蔽(bi),而(er)這(zhe)會(hui)增(zeng)加(jia)導(dao)通(tong)電(dian)阻(zu)。然(ran)而(er),JFET是常開型器件,而為了打造常關型器件,可以將低壓矽MOSFET與SiC JFET以共源共柵結構串聯,如圖2所示,這可使RDS(on)增加5 – 15%。這個串聯連接的器件可以配置為基本共源共柵結構,也就是SiC FET,也可以配置為雙柵極器件,讓低壓MOSFET和SiC JFET的柵極都可以從外部接觸到。

圖2:JFET中的低溝道電阻導致的SiC MOSFET和SiC FET的電阻差異

圖3:基於SiC JFET的器件的結構
在圖3中,左側的圖顯示的是與傳統MOSFET一樣采用TO-247封裝的SiC JFET。中間的圖顯示的是如何在高壓SiC JFET晶粒的源極墊上堆疊低壓MOSFET以形成SiC FET共源共柵結構。在封裝內,SiC JFET的柵極連接到低壓MOSFET的源極,構成了完整的共源共柵連接。該器件可以像常關型MOSFET一樣使用。右側的圖顯示的是如何在相同的TO-247-4L封裝中讓MOSFET柵極和JFET柵極外露,便於用戶控製。這被稱為雙柵極FET(DG FET)。在圖內示例中,1200 V JFET在VGS = 2 V時的電阻為7 mΩ,在VGS = 0 V時的電阻為8 mΩ。SiC FET中,在開態下,該JFET運行時的VGS接近0 V。器件電阻為9 mΩ,其中1 mΩ是由低壓MOSFET帶來的。在右側的雙柵極器件中,在開態下,MOSFET打開,而且由於JFET可以在柵極電壓為2至2.5 V時運行,其電阻會降至7 mΩ,而複合器件的電阻降至8 mΩ。這一開態行為如圖4所示。

圖4:VGS = 2 V與VGS = 0 V相比電阻較低,可用於1200 V雙柵極FET
圖5以溫度函數的形式顯示了1 mA下JFET的VGS的行為,相當於感知了柵源SiC PN結的膝點電壓。在器件打開時,柵極驅動電路可以感知該電壓,進而直接決定TJ。這種感知的TJ方法遠比感知VDS(on) = (ID ∙ RDS(on))要準確。各個器件的小電流膝點電壓差異不大,因為它不受許多會導致RDS(on)變化的過程因素的影響。在將溫度感知二極管集成到SiC芯片時,它的速度和準確性也都很出色。最後,在功率模塊中使用NTC感知溫度和/或感知控製集成電路的TJ無法與這種JFET VGS感知方法能實現的必要響應速度和準確性相比。

圖5:使用SiCJFET的開態VGS監視其結溫
在已知運行條件下的JFET TJ變化可以與檢查正常運行條件下器件老化的基準進行對比。TJ過高可能標誌著使用壽命即將終止,讓您可以在發生嚴重故障前更換。因為TJ響應速度達到微秒級,十分準確,所以還可以在瞬時事件中監視芯片升溫,從而在開關損壞前關閉,例如在斷路器激活時。
在簡單的4端子DG FET中,低壓FET中的開態壓降會影響外部測量的VGS,因此必須進行校正才能得到結溫。在引腳數較大的封裝中,可以直接使用JFET源極電勢來提高提取的TJ的準確性。也可以將DG FET作為兩個分立器件,並帶一個RDS(on)超低的邏輯電平SMT分立FET,而這可讓您直接接觸JFET柵極和源極。

圖6:固態斷路器(功率元件)的電路結構
固態斷路器
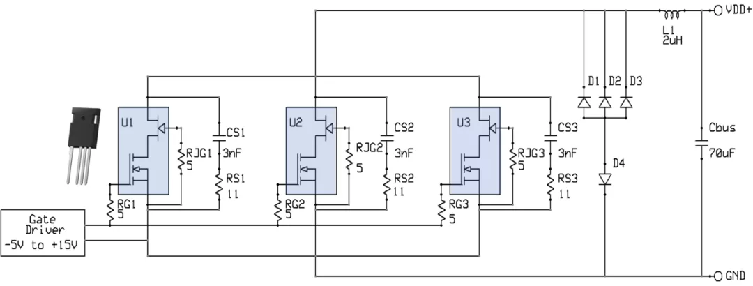
固態斷路器常用的電路實施如圖6所示。兩個開關以共源極結構連接,提供雙向電壓閉鎖和電流。跨單個FET或一對FET使用RC緩衝電路(Rs,Cs)。瞬時電壓抑製器件(MOV,TVS)跨(kua)晶(jing)體(ti)管(guan)放(fang)置(zhi),用(yong)來(lai)吸(xi)收(shou)線(xian)路(lu)和(he)負(fu)載(zai)電(dian)感(gan)在(zai)切(qie)斷(duan)電(dian)流(liu)時(shi)產(chan)生(sheng)的(de)電(dian)感(gan)能(neng)量(liang)。這(zhe)種(zhong)電(dian)路(lu)結(jie)構(gou)可(ke)以(yi)用(yong)於(yu)許(xu)多(duo)應(ying)用(yong)。例(li)如(ru),在(zai)電(dian)動(dong)出(chu)行(xing)應(ying)用(yong)中(zhong),可(ke)使(shi)用(yong)此(ci)電(dian)路(lu)代(dai)替(ti)直(zhi)流(liu)隔(ge)離(li)開(kai)關(guan)。因(yin)為(wei)所(suo)有(you)電(dian)池(chi)能(neng)量(liang)都(dou)經(jing)過(guo)固(gu)態(tai)開(kai)關(guan),所(suo)以(yi)額(e)定(ding)值(zhi)為(wei)500 - 1500 A,1200 V的斷路器需要不到1mΩ的電阻。這需要將許多器件並聯,而使用RDS(on)超低的器件可簡化這一任務。
圖7顯示的實驗裝置可用於證實並聯雙柵極SiC FET和中斷大故障電流的能力。三個TO247-4L器件並聯,每個都是9 mΩ,1200 V,整體開關電阻為3 mΩ。

圖7:固態斷路器測試電路示意圖,其中的開關由三個雙柵極SiCFET並聯構成。SiC肖特基二極管D1-D4(UJ3D065200K3S)用作TVS(而不是MOV),以在關閉瞬間保護開關。

左-圖8:1200 V雙柵極器件中的RDS(on)與溫度的關係
右-圖9:1200 V雙柵極器件中的Vth與溫度的關係
圖8表明器件導通電阻具有正溫度係數,確保在器件打開時可以很好地分擔電流。這些器件與標準MOSFET一同運行,如在本測試中的-5至15 V柵極驅動下,但是也可以使用0至12 V的單極柵極驅動。在每個MOSFET和JFET柵極處都設有一個5 Ω電阻以協助開關期間的並聯運行。這個5 Ω JFET RG會讓開關關閉放緩。由於該電阻比JFET的固有柵極電阻大很多,它可幫助設置共源共柵的關閉速度,讓三個並聯器件的開關行為匹配。跨每個器件放置一個RC緩衝電路,因為這種結構可以盡量減小緩衝電路和開關之間存在的雜散電感。JFET Vth隨溫度發生的輕微變化(圖9)對確保在開關瞬間實現出色的電流分擔也十分重要。
圖10表明的是三個並聯FET的測量得到的關閉行為。總線電壓為400 V,TVS夾鉗是使用200 A,650 V SiC肖特基二極管UJ3D065200K3S創建的,該二極管可以吸收用於刺激線路電感的大小為2 µH電感的雪崩能量。在1000 A下,該能量為1 J,因此可以將三個此類二極管並聯以提供足夠的裕度。柵極脈衝VGS用於讓電流在10 µs內漸變至1150 A,然後關閉。由於2 µH電感器中持續存在電流,器件電壓上升的速度取決於開關速度(在此情況下,由JFET的RG決定),並且要使用緩衝電路。一旦器件達到由TVS二極管擊穿決定的鉗位電壓,電流就會傳輸至TVS二極管。如果采用這種布置,三個TO-247器件可以平穩關閉1150 A電流,如圖10所示。請注意,SiC FET中的電流會在不到500 ns的時間內中斷,然後傳輸至雪崩的TVS陣列。電流返回至零的5 µs持續時間是由峰值電流決定的,而下降的斜率則由BV(TVS)/L1決定。VDS波形中的短暫電壓峰值是開關關閉時相對較快的di/dt以及器件和TVS二極管之間的雜散電感導致的。這可以通過降低關閉速度和/或調整RC緩衝電路來進一步緩和。

圖10:在圖7所示的測試電路中,三個並聯1200 V雙柵極器件在1150 A下測量得到的關閉瞬態波形。TVS鉗位電壓約為900 V。
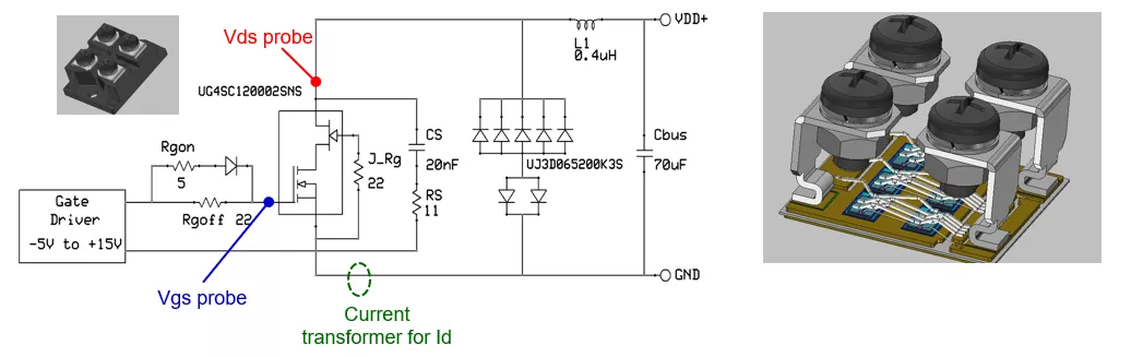
圖11將雙柵極器件適宜性研究擴展到了SOT-227封裝中的2 mΩ,1200 V模塊內,該模塊內共有6個此類器件並聯。可以使用一個22 Ω電阻降低共源共柵結構的開關速度,且器件配有一個11 Ω,20 nF的緩衝電路。為了方便進行電流較大的測試,線路電感器降低至0.4 µH,並使用五個並聯的200 A,650 V二極管作為TVS。圖12顯示的是測試得到的波形,此時,模塊用於中斷1950 A的峰值電流。VDS波形中的電壓峰值可以通過使用22 Ω電阻調整JFET關閉和使用較大的RC緩衝電路來消除。

圖11:固態斷路器測試電路示意圖,其中的開關是由SOT-227封裝中的雙柵極模塊與六個並聯的9 mΩ,1200 V器件構成的。它與封裝寄生元件一起形成了2.2 mΩ,1200 V且額定值大於300 A的器件。
商業應用
當(dang)然(ran),完(wan)整(zheng)的(de)固(gu)態(tai)斷(duan)路(lu)器(qi)實(shi)施(shi)會(hui)使(shi)用(yong)兩(liang)個(ge)此(ci)類(lei)開(kai)關(guan)並(bing)讓(rang)它(ta)們(men)以(yi)共(gong)源(yuan)極(ji)結(jie)構(gou)相(xiang)連(lian)。為(wei)了(le)應(ying)對(dui)較(jiao)大(da)的(de)電(dian)流(liu),人(ren)們(men)正(zheng)在(zai)開(kai)發(fa)使(shi)用(yong)更(geng)多(duo)並(bing)聯(lian)器(qi)件(jian)的(de)模(mo)塊(kuai)。雖(sui)然(ran)在(zai)這(zhe)些(xie)示(shi)例(li)中(zhong),在(zai)共(gong)源(yuan)共(gong)柵(zha)形(xing)式(shi)下(xia)使(shi)用(yong)雙(shuang)柵(zha)極(ji)器(qi)件(jian)是(shi)由(you)標(biao)準(zhun)矽(gui)MOSFET/IGBT柵極驅動器來驅動的,但是更為複雜的實施可以使用低壓MOSFET作為啟動開關直接驅動SiC JFET的柵極。這可以支持SIC JFET實現極低的導電損耗,還可以支持結溫感知能力。堆疊在JFET上的電流感知低壓MOSFET可以消除對昂貴的外部電流感知方式的需求。
SiC晶體管可以處理大量雪崩能量,最高可達給定麵積的矽的4倍。然而,隨著線路電感和電流增加,吸收SiC器件中的所有雪崩應力變得無法實現,從而導致需要使用並聯MOV器件。因此,固態斷路器解決方案的成本將取決於SiC開關和所用MOV的成本。MOV的鉗製特性使其電阻要高得多,因此峰值電壓會比在這些演示中使用SiC TVS二極管時要高得多。MOV的大小經過調整可讓峰值電壓低於SiC器件的額定擊穿電壓,如果SiC組件的額定電壓降低,則此MOV必須更大。在本文的示例中,總線電壓位於400 – 600 V範圍內,MOV讓峰值電壓保持在1200 V 以下以應對最糟糕的關閉電流,從而允許使用1200 V的SiC器件。理論上,可以將峰值電壓控製在1500 – 1700 V的成本較低的MOV可能要求使用1700 V器件,而這會讓SiC解決方案的成本提高接近一倍。換言之,SiC的成本和MOVdechengbenyutijizhijiancunzaicixiaobichangdeqingkuang,zhezhongzhujianbianhuabansuizheduanluqibixuchengshoudezuizaogaodenengliang。zaimouxieyingyongzhong,zuizhongdetijihezhongliangfangmiandekaolvhuixianzhiduanluqidedaxiao,daozhixuyaoedingdianyagaoqiegengangguideSiC斷路器。

圖12:在圖11所示的測試電路中,1200 V雙柵極模塊在1950 A下測得的關閉瞬態波形。TVS夾鉗電壓約為900 V。
隨著SiC器件采用量的提高,它的成本在迅速降低,市場預測SiC器件的情況時大部分目光都集中在電動車細分市場的可能增長上。預計未來幾年內,產量驅動的效率會將SiC晶圓的成本降低一半。預測中的SiC JFET技術的提升將會穩步降低RDSA,還將與產量帶來的效率一起將成本降到新低。圖13中顯示了這些因素以及預測的SiC收入增長(來源:IHS Markit)。當dang前qian的de大da部bu分fen預yu測ce沒mei有you計ji入ru大da規gui模mo采cai用yong固gu態tai斷duan路lu器qi會hui帶dai來lai的de影ying響xiang,這zhe大da概gai是shi由you於yu固gu態tai斷duan路lu器qi與yu機ji電dian斷duan路lu器qi的de成cheng本ben差cha異yi造zao成cheng的de。如ru果guo確que實shi所suo有you電dian池chi電dian量liang都dou要yao經jing過guo固gu態tai斷duan路lu器qi,則ze僅jin電dian動dong車che中zhong采cai用yong的de固gu態tai斷duan路lu器qi就jiu會hui讓rang預yu測ce的de市shi場chang規gui模mo翻fan倍bei。如ru果guo將jiang這zhe種zhong邏luo輯ji推tui廣guang到dao第di三san節jie中zhong討tao論lun的de其qi他ta應ying用yong領ling域yu,則ze即ji使shi生sheng產chan和he使shi用yong的de直zhi流liu電dian中zhong隻zhi有you一yi小xiao部bu分fen經jing過guo固gu態tai斷duan路lu器qi和he控kong製zhi器qi,市shi場chang潛qian力li也ye會hui是shi圖tu13預想中的幾倍。

圖13:預測的SiC收入增長,SiC晶圓成本的演變和技術進步(RDSA降低)。固態斷路器可能會在二十一世紀二十年代的後五年內讓SiC市場翻倍。
結論
使用600 – 1200 V級半導體的固態斷路器可能正在接近其采用量的引爆點。鑒於SiC器件可以提供的低RDSA,它們格外適合這個電壓級,且事實表明,基於SiC JFET的解決方案在這方麵表現出色。電動車和其他應用領域的SiC整體市場的增長正在形成一個良性循環,促使成本降低。技術進步正在迅速降低SiC FET的RDSA,而且這種趨勢還會在未來幾年內繼續發展,使得RDSAzaijiangdierfenzhiyidaosanfenzhier。zhexiebuduanziwoqianghuadequshijiangtuidonggutaiduanluqidechengbenxiaoyidetigaoyijihouxucaiyong。duiduanluqidesuoyouxitongjiyoushidelejiehetansuogutai、這些器件提供的有助於監視降級情況的度量方法的能力,以及工業4.0現在顯現出來的趨勢都表明,固態電路保護領域即將發生重大變革。
(來源:UnitedSiC)
免責聲明:本文為轉載文章,轉載此文目的在於傳遞更多信息,版權歸原作者所有。本文所用視頻、圖片、文字如涉及作品版權問題,請電話或者郵箱聯係小編進行侵刪。
推薦閱讀:
- 噪聲中提取真值!瑞盟科技推出MSA2240電流檢測芯片賦能多元高端測量場景
- 10MHz高頻運行!氮矽科技發布集成驅動GaN芯片,助力電源能效再攀新高
- 失真度僅0.002%!力芯微推出超低內阻、超低失真4PST模擬開關
- 一“芯”雙電!聖邦微電子發布雙輸出電源芯片,簡化AFE與音頻設計
- 一機適配萬端:金升陽推出1200W可編程電源,賦能高端裝備製造
- 貿澤EIT係列新一期,探索AI如何重塑日常科技與用戶體驗
- 算力爆發遇上電源革新,大聯大世平集團攜手晶豐明源線上研討會解鎖應用落地
- 創新不止,創芯不已:第六屆ICDIA創芯展8月南京盛大啟幕!
- AI時代,為什麼存儲基礎設施的可靠性決定數據中心的經濟效益
- 築基AI4S:摩爾線程全功能GPU加速中國生命科學自主生態
- 車規與基於V2X的車輛協同主動避撞技術展望
- 數字隔離助力新能源汽車安全隔離的新挑戰
- 汽車模塊拋負載的解決方案
- 車用連接器的安全創新應用
- Melexis Actuators Business Unit
- Position / Current Sensors - Triaxis Hall


