有趣的光耦振蕩器
發布時間:2022-01-06 責任編輯:lina
【導讀】光耦是在電路接口中常用到的器件。它的前向電流轉移係數隨著不同的型號、工作點的不同而會發生變化。本文中的光耦振蕩電路則是利用了電流轉移係數大於1所帶來的電流增益而工作的。
光耦是在電路接口中常用到的器件。它的前向電流轉移係數隨著不同的型號、工作點的不同而會發生變化。本文中的光耦振蕩電路則是利用了電流轉移係數大於1所帶來的電流增益而工作的。通過對PC851、TLP521的電流轉移係數的測量,獲得了它們電流增益隨著工作電流不同變化情況,也驗證了光耦震蕩電流的工作原理。

01 振蕩電路
1.1 電路工作情況
今天在西瓜視頻中看到一個一分鍾的短視頻:光耦可以這樣用,你絕對想不到的小發明[1] 展示了一個有趣的LED閃爍電路。核心是圍繞找一個光耦(型號不詳),外部增加相應的阻容和LED與器件,構成一個閃爍電路。

▲ 圖 由單個光耦組成的振蕩電路
在給電路施加+9V電壓之後,電路的LED便開始閃爍(1Hz左右)。

▲ 圖 連接電源之後電路工作情況
1.2 電路工作原理
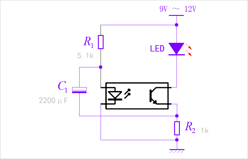
視頻中給出了這個神奇電路的原理圖,如下圖所示。如果沒有反饋電容 C1的存在,這個電路就不會振蕩。
有了C1,它就會將光耦輸出負載電阻R2上的一部分電流反饋到輸入發光二極管中,增加了 輸入電流,這是一個正反饋。如果光耦前向耦合電流增益,也就是輸出飽和電流與輸入發光二極管電流比值,大於1的話,正反饋就會持續增強,直到光耦輸出飽和。

▲ 圖1.3 振蕩電路原理圖
隨著電容C1充電電壓增加,反饋到輸入級電流減小,直到降為0。此時光耦輸出級就從飽和退回到電流放大狀態,使得R2上的電壓減小,而減小的電壓反過來通過C1耦合到輸入端,使得輸入電流進一步減小,直到使得光耦輸出截止。
截止後,電源電壓通過R1,C1,R2回路形成外部的充電電流,直到C1上的電壓超過輸入發光二極管的導通電壓,光耦再次進入導通狀態。上述過程重複形成振蕩。

▲ 圖 搭建電路運行情況
下麵顯示了光耦的PIN1端、PIN3端的電壓波形。可以看到光耦飽和狀態的時間很短,此時對C1的充電是 LED,光耦三極管,C1,輸入發光二極管。
光耦截止時間很長,此時對C1的充電回路是R1、C1、R2,因此對應的時間常數比較大。

▲ 圖1.4 PIN3(藍色),PIN1(青色)波形
上述振蕩電路工作的條件是光耦的前向耦合電流放大係數大於1 才行。這就涉及到光耦前向電流轉移係數。下麵通過實際電路測試兩個型號光耦前向轉移係數。
02 電路測試
2.1 光耦電壓傳輸特性
手邊有兩款光耦: PC851-高電壓光耦[2] ,以及 TLP521[3] 下麵分別測量它們的電流轉移係數。
2.1.1 PC851
PC851是一款輸出耐高壓的光耦,根據它的手冊可以查到對應的電流轉移係數
電流轉移係數比較小,大部分情況下都小於1;電流轉移係數與工作電流大小以及環境溫度都有關係;
如下圖所示。

▲ 圖2.1.1 在不同的前向電流與環境溫度下的電流傳輸係數
下麵是測量光耦電流轉移係數的電路,由於比較簡單,大家可以直接在麵包板上看到測量原理。
使用萬用表分別測量R1,R2上的電壓,可以獲得輸入電流和輸出電流。計算它們的比值可以獲得電流轉移係數。
調節電路的電源電壓,從小到大,可以獲得不同工作電流下的電流轉移係數。

▲ 圖2.1.2 測試光耦電流傳遞係數電路
下麵顯示了測量電路工作的電壓從3V一直到15V,采樣100個測試點下的輸入電流與輸出電流的大小。可以看到隻有當工作電壓超過11V之後,輸出電流的才超過了輸入電流,對應的電流係數才能夠大於1。

▲ 圖2.1.3 光耦輸入電流與集電極電流
下圖顯示了電流轉移係數的變化。由於PC851是耐高壓光耦,因此它的光敏三極管的電流增益較小,從而使得光耦前向電流轉移係數比較小。

▲ 圖2.1.4 光耦電流增益
2.1.2 TLP521
TLP521 是shi一yi款kuan低di壓ya光guang耦ou,被bei通tong常chang應ying用yong在zai電dian路lu隔ge離li接jie口kou上shang。它ta對dui應ying的de前qian向xiang電dian流liu轉zhuan移yi係xi數shu相xiang對dui比bi較jiao大da。通tong過guo數shu據ju手shou冊ce也ye可ke能neng看kan到dao它ta的de電dian流liu轉zhuan移yi係xi數shu與yu工gong作zuo電dian流liu和he外wai部bu環huan境jing溫wen度du有you關guan係xi。

▲ 圖2.1.5 在不同的前向電流與環境溫度下的電流傳輸係數
下圖是使用同樣的辦法獲得TLP512的輸入電流與輸出電流變化曲線,可以看到它的電流轉移係數始終大於1。

▲ 圖2.1.6 測量不同的前向電流與集電極電流

▲ 圖2.1.7 前向電流係數
2.2 不同工作電壓
根據前麵分析,可以看到PC851的電流轉移係數相對比較小,隻有當輸入電流超過一定閾值之後,它的電流增益才能夠大於1。所以使用PC851搭建前麵的振蕩電路,則需要比較高的工作電壓。
下麵驗證這個結論,下麵使用萬用表的頻率檔測量光耦的PIN3管腳,如果電路震蕩,可以讀取到輸出信號的頻率。如果電路不振蕩,則萬用表讀取的頻率為0。
為了更好地測量頻率,將電路中的反饋電容C1的容量改為10uF,此時電路的振蕩頻率達到100Hz左右。
下麵是測量工作電壓在1V ~ 20V之間,電路振蕩頻率。

▲ 圖2.2.1 不同的工作電壓下輸出頻率
可以看到隻有當電壓超過11V之後,電路才能夠振蕩。振蕩頻率相對比較穩定。
將電路中的光耦更換為TLP521,由you於yu它ta的de電dian流liu轉zhuan移yi係xi數shu比bi較jiao大da,所suo以yi電dian路lu的de工gong作zuo電dian壓ya比bi較jiao低di的de時shi候hou,電dian路lu就jiu開kai始shi震zhen蕩dang了le。下xia圖tu顯xian示shi了le該gai電dian路lu的de振zhen蕩dang頻pin率lv與yu工gong作zuo電dian流liu之zhi間jian的de關guan係xi。

▲ 圖2.2.2 不同的工作電壓下輸出頻率
當工作電壓超過19V之後,光耦的工作電流很大,此時TLP512的電流增益下降,電路就會停止工作。
※ 電路總結 ※
光耦是在電路接口中常用到的器件。它的前向電流轉移係數隨著不同的型號、工作點的不同而會發生變化。本文中的光耦振蕩電路則是利用了電流轉移係數大於1所帶來的電流增益而工作的。通過對PC851、TLP521的電流轉移係數的測量,獲得了它們電流增益隨著工作電流不同變化情況,也驗證了光耦震蕩電流的工作原理。
參考資料
[1]光耦可以這樣用,你絕對想不到的小發明: https://www.ixigua.com/7016565298442535454
[2]PC851-高電壓光耦: https://max.book118.com/html/2018/0316/157506247.shtm
[3]TLP521: https://blog.csdn.net/dark_blue_sea/article/details/5488015
免責聲明:本文為轉載文章,轉載此文目的在於傳遞更多信息,版權歸原作者所有。本文所用視頻、圖片、文字如涉及作品版權問題,請電話或者郵箱聯係小編進行侵刪。
推薦閱讀:
2022廣州(粵港澳大灣區)智慧交通產業博覽會暨創新發展論壇
emotion3D和安森美合作推出創新的駕乘監控係統參考設計
- 噪聲中提取真值!瑞盟科技推出MSA2240電流檢測芯片賦能多元高端測量場景
- 10MHz高頻運行!氮矽科技發布集成驅動GaN芯片,助力電源能效再攀新高
- 失真度僅0.002%!力芯微推出超低內阻、超低失真4PST模擬開關
- 一“芯”雙電!聖邦微電子發布雙輸出電源芯片,簡化AFE與音頻設計
- 一機適配萬端:金升陽推出1200W可編程電源,賦能高端裝備製造
- 貿澤EIT係列新一期,探索AI如何重塑日常科技與用戶體驗
- 算力爆發遇上電源革新,大聯大世平集團攜手晶豐明源線上研討會解鎖應用落地
- 創新不止,創芯不已:第六屆ICDIA創芯展8月南京盛大啟幕!
- AI時代,為什麼存儲基礎設施的可靠性決定數據中心的經濟效益
- 築基AI4S:摩爾線程全功能GPU加速中國生命科學自主生態
- 車規與基於V2X的車輛協同主動避撞技術展望
- 數字隔離助力新能源汽車安全隔離的新挑戰
- 汽車模塊拋負載的解決方案
- 車用連接器的安全創新應用
- Melexis Actuators Business Unit
- Position / Current Sensors - Triaxis Hall



