小信號放大電路故障的檢測
發布時間:2021-11-19 責任編輯:lina
【導讀】模mo擬ni信xin號hao是shi指zhi用yong連lian續xu變bian化hua的de物wu理li量liang表biao示shi的de信xin息xi,其qi信xin號hao的de幅fu度du,或huo頻pin率lv,或huo相xiang位wei均jun隨sui時shi間jian作zuo連lian續xu變bian化hua,如ru廣guang播bo電dian視shi中zhong的de聲sheng音yin信xin號hao,或huo圖tu像xiang信xin號hao等deng。處chu理li模mo擬ni信xin號hao的de電dian子zi電dian路lu稱cheng為wei模mo擬ni電dian路lu。模mo擬ni電dian路lu主zhu要yao包bao括kuo放fang大da電dian路lu、振蕩電路和電源電路等。
模mo擬ni信xin號hao是shi指zhi用yong連lian續xu變bian化hua的de物wu理li量liang表biao示shi的de信xin息xi,其qi信xin號hao的de幅fu度du,或huo頻pin率lv,或huo相xiang位wei均jun隨sui時shi間jian作zuo連lian續xu變bian化hua,如ru廣guang播bo電dian視shi中zhong的de聲sheng音yin信xin號hao,或huo圖tu像xiang信xin號hao等deng。處chu理li模mo擬ni信xin號hao的de電dian子zi電dian路lu稱cheng為wei模mo擬ni電dian路lu。模mo擬ni電dian路lu主zhu要yao包bao括kuo放fang大da電dian路lu、zhendangdianluhedianyuandianludeng。chuxuezhezaizhangwodianzidianluguzhangjiancedefangfahou,haiyingshuxihezhangwogezhongdanyuandianluguzhangdejiance。xiaoxinhaofangdadianludezuoyongshibaweiruodedianxinhaobushizhendizhuanbianweijiaoqiangdedianxinhao,yibanweiyudianzidianqideqianji,fenxixiaoxinhaofangdadianluzhuyaokaolvdianyazengyiheshifoushizhen。
小信號放大電路故障的檢測
一、低頻小信號放大電路
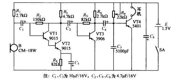
圖1是利用分立元件製作助聽器的電路原理圖,是比較典型的小信號低頻放大電路。圖1中,三極管VT1、VT2及電阻R2、R3等,組成高增益話筒前置放大電路。由拾音器B拾取來的微弱語音信號,經電容C1耦合至前置放大電路,被三極管VT1、VT2放大後的語音信號,再次被三極管VT3、VT4逐級放大。這樣被放大的語音信號,足以推動8Ω耳塞機發出響亮的聲音,使用者戴上耳塞機後即可起到助聽作用。

圖1利用分立元件製作助聽器的電路原理圖
圖1中R2、R3、R4是VT1、VT2的直流偏置電阻,R5、R6是VT3的直流偏置電阻,RP和耳機內阻是VT4的直流偏置電阻,如果其中任一電阻損壞,均會使對應三極管的靜態工作點發生變化,使放大電路出現信號失真,C1、C2、C4分別是三級放大電路耦合電容,是交流信號的必經之路,如果其中有一電容損壞,均會使放大電路出現無聲或音小的故障。
二、高頻小信號放大電路
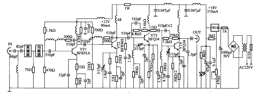
圖2是由分立元件構成的有線電視放大器電路原理圖,它是比較典型的小信號高頻放大電路。圖6-2中三極管VT1、VT2為電壓放大,VT3、VT4為功率放大。三極管的直流工作電壓、電流見表1。

表1 JZF1730型放大器中三極管的直流工作電壓電流值
分立元件放大器電路故障分析與維修如下。
1.電源指示燈不亮、無信號輸出
這種現象主要是電源電路出現了故障,其故障原因分析與檢修如下。交流熔斷器熔斷、直流熔斷器完好,可判斷電源變壓器已壞,產生的原因為:一是雷擊造成變壓器短路,二是變壓器長期通電而過熱造成變壓器短路。一般更換熔斷器和變壓器後可排 除故障;交流熔斷器完好,直流熔斷器燒斷。原因可斷定為直流電路出現了短路現象。引起的原因有:整流二極管擊穿短路、電源濾波電容短路和三端穩壓集成電路7818擊穿短路。可對上述元件依次檢查、更換後可排除故障。交、直流熔斷器完好,而三 端穩壓集成電路輸出端無電壓。此故障的原因主要有兩種:一是電路回路中的濾波電容短路,二是三端穩壓集成電路內部電路損壞。分別對這幾個元件檢查、更換後可排除故障。

由分立元件構成的有線電視放大器電路原理圖
2.電源指示燈亮,無信號輸出
這種現象可斷定為輸入電路或放大器出現了故障。用萬用表直流電壓擋,參照表1的數值,依次測量各級放大器晶體管的各極對地電壓。晶體管正常工作時,基極電位比發射極電壓高 0.6?0.7V。在zai測ce量liang過guo程cheng中zhong,如ru基ji極ji電dian位wei比bi發fa射she極ji低di。集ji電dian極ji電dian壓ya有you時shi高gao於yu電dian源yuan電dian壓ya,可ke判pan斷duan該gai級ji產chan生sheng了le自zi激ji現xian象xiang,可ke對dui該gai級ji的de反fan饋kui元yuan件jian進jin行xing檢jian查zha,如ru正zheng常chang時shi,應ying更geng換huan該gai級ji晶jing體ti管guan。末mo級ji功gong放fang晶jing體ti管guanVT3與VT4的工作電流較大、溫度高、易損壞,為重點檢 査對象。如電路各級工作點正常,應檢査電平輸入增益調節電位器是否開路,用萬用表電阻擋測兩端阻值可斷定。
免責聲明:本文為轉載文章,轉載此文目的在於傳遞更多信息,版權歸原作者所有。本文所用視頻、圖片、文字如涉及作品版權問題,請電話或者郵箱聯係小編進行侵刪。
推薦閱讀:
- 噪聲中提取真值!瑞盟科技推出MSA2240電流檢測芯片賦能多元高端測量場景
- 10MHz高頻運行!氮矽科技發布集成驅動GaN芯片,助力電源能效再攀新高
- 失真度僅0.002%!力芯微推出超低內阻、超低失真4PST模擬開關
- 一“芯”雙電!聖邦微電子發布雙輸出電源芯片,簡化AFE與音頻設計
- 一機適配萬端:金升陽推出1200W可編程電源,賦能高端裝備製造
- 一秒檢測,成本降至萬分之一,光引科技把幾十萬的台式光譜儀“搬”到了手腕上
- AI服務器電源機櫃Power Rack HVDC MW級測試方案
- 突破工藝邊界,奎芯科技LPDDR5X IP矽驗證通過,速率達9600Mbps
- 通過直接、準確、自動測量超低範圍的氯殘留來推動反滲透膜保護
- 從技術研發到規模量產:恩智浦第三代成像雷達平台,賦能下一代自動駕駛!
- 車規與基於V2X的車輛協同主動避撞技術展望
- 數字隔離助力新能源汽車安全隔離的新挑戰
- 汽車模塊拋負載的解決方案
- 車用連接器的安全創新應用
- Melexis Actuators Business Unit
- Position / Current Sensors - Triaxis Hall



