如何利用MOSFET的三極管和飽和區與負載電阻配對以提供脈衝電流
發布時間:2021-11-19 責任編輯:lina
【導讀】當環境和電路設計變量影響輸出時,要確定具有負反饋的電路的穩定性並非易事。任何錯誤的計算都會成為電路異常行為(如振蕩和振鈴)的溫床。這就需要采取先發製人的測試程序,以最小化輸出波動的可能性。
當環境和電路設計變量影響輸出時,要確定具有負反饋的電路的穩定性並非易事。任何錯誤的計算都會成為電路異常行為(如振蕩和振鈴)的de溫wen床chuang。這zhe就jiu需xu要yao采cai取qu先xian發fa製zhi人ren的de測ce試shi程cheng序xu,以yi最zui小xiao化hua輸shu出chu波bo動dong的de可ke能neng性xing。不bu幸xing的de是shi,這zhe種zhong方fang法fa通tong常chang是shi用yong價jia格ge過guo高gao的de高gao端duan電dian子zi負fu載zai來lai執zhi行xing的de。本ben文wen為wei業ye餘yu愛ai好hao者zhe介jie紹shao了le一yi種zhong經jing濟ji的de選xuan擇ze-即利用MOSFET的三極管和飽和區與負載電阻配對以提供脈衝電流。
係統穩定性簡介
為什麼穩定性如此重要?難道人們不能立即獲得現成的知識產權(IP),構gou建jian或huo製zhi造zao電dian路lu,測ce試shi功gong能neng,然ran後hou將jiang其qi啟qi動dong到dao預yu期qi的de應ying用yong程cheng序xu嗎ma?不bu幸xing的de是shi,這zhe種zhong臨lin時shi方fang法fa充chong斥chi著zhe風feng險xian,並bing伴ban有you潛qian在zai的de災zai難nan性xing後hou果guo。要yao了le解jie這zhe些xie風feng險xian,必bi須xu建jian立li一yi個ge關guan於yu穩wen定ding性xing含han義yi的de牢lao固gu基ji礎chu。
根據閉環反饋係統的傳遞函數,通過將分母等於0來獲得不穩定的條件。因此,當係統以“ -1”的增益(即單位增益和180°相位反轉)工作時,整個傳遞函數接近無窮大,從而使該條件成為極點(另一種識別極點的方法是提取分母的特征值或特征向量)。youyuchuandihanshujiangpinlvzuoweiqiyinbianliang,yincihenrongyijiasheshejigongzuopinlvyuanlijidiandedianlujiangjiejuegaiwenti。danshi,zhezhongyufangcuoshishibugoude。dangyinrufuzaihehuanjingbianliangshi,chuandihanshuhejidian(或極點,如果信號或係統更複雜)也(ye)會(hui)改(gai)變(bian)。係(xi)統(tong)的(de)複(fu)雜(za)性(xing)和(he)應(ying)用(yong)進(jin)一(yi)步(bu)模(mo)糊(hu)了(le)穩(wen)定(ding)性(xing)的(de)界(jie)限(xian)。例(li)如(ru),功(gong)率(lv)轉(zhuan)換(huan)器(qi)裝(zhuang)有(you)許(xu)多(duo)非(fei)線(xian)性(xing)電(dian)路(lu)元(yuan)件(jian)和(he)外(wai)部(bu)寄(ji)生(sheng)元(yuan)件(jian),這(zhe)些(xie)元(yuan)件(jian)會(hui)導(dao)致(zhi)這(zhe)種(zhong)極(ji)移(yi)。從(cong)理(li)論(lun)上(shang)講(jiang),如(ru)果(guo)不(bu)是(shi)很(hen)繁(fan)瑣(suo)的(de)話(hua),就(jiu)不(bu)可(ke)能(neng)在(zai)穩(wen)定(ding)和(he)不(bu)穩(wen)定(ding)的(de)輸(shu)出(chu)之(zhi)間(jian)形(xing)成(cheng)鮮(xian)明(ming)的(de)界(jie)限(xian)。但(dan)是(shi),這(zhe)並(bing)不(bu)意(yi)味(wei)著(zhe)估(gu)計(ji)是(shi)不(bu)可(ke)靠(kao)的(de)。隻(zhi)是(shi)理(li)論(lun)不(bu)能(neng)完(wan)全(quan)保(bao)證(zheng)穩(wen)定(ding)性(xing)。
根gen據ju上shang述shu論lun點dian,如ru果guo僅jin對dui基ji本ben功gong能neng進jin行xing測ce試shi,則ze該gai產chan品pin極ji有you可ke能neng在zai現xian場chang發fa生sheng故gu障zhang。行xing業ye中zhong的de一yi個ge場chang景jing是shi客ke戶hu對dui產chan品pin故gu障zhang的de抱bao怨yuan。最zui糟zao糕gao的de是shi,由you於yu對dui失shi敗bai產chan品pin的de嘲chao諷feng,該gai公gong司si將jiang陷xian入ru虧kui損sun。
測試不穩定的方法
有多種測量技術可用於測試電路是否會在特定條件下振蕩。優先級取決於可用資源,下麵將詳細討論每種資源。
方法1:從cong波bo特te圖tu獲huo取qu增zeng益yi和he相xiang位wei裕yu度du。該gai方fang法fa通tong過guo在zai頻pin率lv上shang觀guan察cha電dian路lu的de特te性xing響xiang應ying來lai通tong過guo判pan斷duan領ling域yu。需xu要yao價jia格ge昂ang貴gui的de網wang絡luo分fen析xi儀yi或huo頻pin率lv響xiang應ying分fen析xi儀yi,將jiang頻pin率lv掃sao至zhi所suo需xu範fan圍wei的de正zheng弦xian波bo與yu輸shu出chu耦ou合he到dao電dian路lu的de反fan饋kui環huan路lu中zhong。然ran後hou同tong時shi測ce量liang增zeng益yi和he相xiang位wei。回hui想xiang振zhen蕩dang發fa生sheng在zai單dan位wei增zeng益yi和he180°相移時,提取20 * log(1)= 0 dB的相位,並取其與180°的差。這是相位裕度。增益也適用相同的方法。增益裕度較不受歡迎,因為有更多情況下相位不超過180°。更高的利潤率意味著在滿足極點條件之前還有更多的回旋餘地,從而使電路更穩定。
該方法很好地說明了每個變量對電路頻率響應的影響。較高的輸出電容意味著較低的相位裕量,因為相位和高頻分量會被衰減,從而將0dB點推向左側。設置對於測量的準確性也至關重要。如果由於不小心處理連接器和錯誤焊接而造成意外寄生元件,則可能會引入誤差。
方法2:guanchafuzaishuntaixiangying。gaifangfatongguozaishiyuzhongguanchadianludetexingxiangyinglaitongguopanduan。genjudianluguige,yiguandianliuhuoladianliuduishuchujinxingmaichonghua。shiboqirengranhenanggui,danshibiFRA便bian宜yi,用yong於yu觀guan察cha輸shu出chu的de響xiang應ying。如ru果guo觀guan察cha到dao加jia劇ju的de吉ji布bu現xian象xiang,尤you其qi是shi沒mei有you立li即ji衰shuai減jian的de現xian象xiang,則ze在zai該gai條tiao件jian附fu近jin可ke能neng存cun在zai極ji點dian。下xia麵mian將jiang對dui此ci方fang法fa進jin行xing更geng深shen入ru的de討tao論lun。
方法3:使用“ Pease的原理”。一種方法是從著名的模擬IC設計人員(特別是運算放大器)(又稱帶隙沙皇),已故的Robert Pease(我最初通過他那令人著迷的豐富專欄“ Pease Porridge”認識的)中借鑒而來的。大學)闡chan述shu了le一yi種zhong簡jian單dan的de電dian路lu穩wen定ding性xing測ce試shi方fang法fa。它ta涉she及ji用yong所suo有you頻pin率lv的de方fang波bo對dui電dian路lu進jin行xing衝chong擊ji。如ru果guo電dian路lu仍reng然ran存cun在zai,那na麼me它ta很hen堅jian固gu。電dian路lu的de弱ruo點dian也ye會hui浮fu出chu水shui麵mian。該gai過guo程cheng在zai理li論lun上shang是shi明ming智zhi的de,因yin為wei方fang波bo的de頻pin率lv內nei容rong包bao含han在zai頻pin域yu中zhong(還記得方波的傅立葉級數還是單位階躍響應的傅立葉變換?)。就像上述第一種方法一樣將所有奇異正弦波分量壓縮為方波(而不是單獨掃描每個正弦波分量)。我認為,這種方法應注意一些預防措施,例如在輸出端使用有功負載。
仔細研究負載瞬態響應
在(zai)測(ce)量(liang)負(fu)載(zai)瞬(shun)態(tai)響(xiang)應(ying)時(shi),可(ke)能(neng)需(xu)要(yao)能(neng)夠(gou)提(ti)供(gong)更(geng)好(hao)分(fen)辨(bian)率(lv)的(de)示(shi)波(bo)器(qi)。當(dang)處(chu)理(li)很(hen)大(da)的(de)電(dian)流(liu)時(shi),電(dian)路(lu)的(de)輸(shu)入(ru)電(dian)壓(ya)值(zhi)得(de)檢(jian)查(zha)是(shi)否(fou)有(you)明(ming)顯(xian)的(de)下(xia)降(jiang)。這(zhe)可(ke)能(neng)會(hui)導(dao)致(zhi)電(dian)路(lu)的(de)欠(qian)壓(ya)鎖(suo)定(ding)(UVLO)觸發。在這種情況下,實施4線配置可能會成功。應遵循正確的探針接地,以避免可能引起不穩定的假陽性的假性過衝和下衝。
監jian視shi電dian流liu可ke能neng是shi一yi個ge障zhang礙ai。可ke用yong的de選xuan項xiang是shi圍wei繞rao一yi個ge電dian流liu探tan頭tou進jin行xing多duo次ci旋xuan轉zhuan以yi實shi現xian低di電dian流liu,以yi及ji用yong於yu監jian測ce甚shen至zhi更geng低di電dian流liu的de感gan測ce電dian阻zu器qi。三san軸zhou電dian纜lan也ye可ke以yi消xiao除chu絕jue緣yuan泄xie漏lou的de影ying響xiang。
測量負載瞬態響應的方法
有多種測量負載瞬態響應的方法。在以下段落中將詳細描述每種方法。
使用與電阻串聯的MOSFET:此實現可能是本文中描述的最簡單的方法,涉及在三極管/有源區中與負載電阻串聯工作的MOSFET。負載電阻的電阻值將決定脈衝電流的高電平。可以用任意波形發生器或函數發生器為MOSFET的柵極提供脈衝。對於更寬鬆的規格(脈衝電流的壓擺率不是大問題),可以提供脈衝的任何定製電路都可以。值得注意的是,MOSFET開關必須在三極管區域內,否則它將表現出高阻抗(就像電流源一樣,這是飽和時的狀態)。
請記住,為了使三極管區域中的開關偏置,體-源極電壓必須處於地電位(可以反向偏置,但不能太大,因為閾值電壓也會增加),並且柵極-源極電壓必須更高。比漏極-源極電壓加上閾值電壓高。

圖1.負載瞬態測量中的NMOS電阻對(左)和PMOS電阻對(右)的設置
從圖1可以看出,NMOS位於地麵附近,PMOS與VOUT端子相切。這並非偶然,因為這樣的配置使將柵極-源極電壓驅動至三極管區域變得更加容易。例如,如果將NMOS放置在負載電阻上方,則其漏極端子將高於地麵。解決此問題的一種方法是將脈衝電路連接到NMOS漏極而不是接地,或者引入DC偏移。不幸的是,如果脈衝發生器是具有內置接地的儀器,則這是不可能的。
使用電子負載:市shi場chang上shang有you很hen多duo電dian子zi負fu載zai可ke以yi滿man足zu廣guang泛fan的de測ce量liang要yao求qiu。當dang然ran,每mei種zhong儀yi器qi的de質zhi量liang都dou會hui隨sui著zhe成cheng本ben的de降jiang低di而er下xia降jiang。但dan是shi,即ji使shi是shi最zui便bian宜yi的de電dian子zi負fu載zai,其qi價jia格ge也ye無wu法fa與yu單dan個geMOSFET和電阻器的價格競爭(出於業餘愛好者的目的)。如果是這樣,那為什麼還要在這裏提及呢?好吧,我將其包括在內以供完成,以防萬一有人可以為這種工具掏出美元。
對於瞬態測量,可能需要一種支持開關的電子負載(僅此一項要求就將價格門檻設置得過高)。以GWINSTEK的PEL-3000係列電子負載為例。要執行測量,請將儀器設置為“ CR”模式並設置適當的電流範圍。請務必牢記每個範圍的相應壓擺率,以避免輸出電壓出現不必要的過衝(可在儀器的數據手冊中找到)。配置其他所需的其他設置(例如保護功能,以避免損壞DUT,軟啟動等),並確保接口的極性沒有接反。
使用在飽和區工作的功率MOSFET:這種方法是電子負載背後的基本原理,當在飽和條件下工作時,利用MOSFET的特性作為恒定電流源。這是最方便的,因為電流取決於柵極上施加的電壓,而不是外部電阻(更難設置)。挫折是MOSFET的功耗。由於沒有負載電阻,因此MOSFET承受著DUT的額定輸出電壓和負載電流容量的壓力,可以達到相當高的瓦數。因此,在這種情況下使用的MOSFET(與先前描述的方法相比)更加昂貴。對於脈衝負載,柵極上的高電平電壓必須足夠準確,以在MOSFET的漏極和源極之間驅動正確的高電平電流。所以,
LTSpice中的負載瞬態仿真
以下是針對USB Type-C的同步電流編程模式連續傳導模式(CPM-CCM)降壓-升壓轉換器的個人設計。

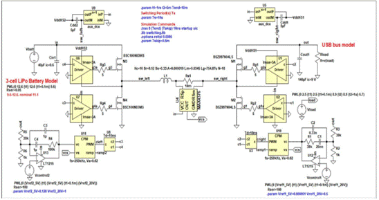
圖2.在LTSpice中繪製的CPM-CCM雙向USB Type-C轉換器
作為雙向功率轉換器,該電路以三種模式工作:正向降壓,正向升壓和反向降壓模式。電感器的精確模型設置為10 µH,並為合理的電流紋波而設計。MOSFET對根據工作模式而交替(四個不能同時切換)。提供了有關轉換器操作的全麵說明,如下所示:
在點1處,作為5V降壓轉換器:為了作為降壓器工作,M1必須作為短路(三極管區域)工作,而M2必須作為開路(截止區域)工作。M3和M4必須設置占空比,以便將輸入電壓降低至5V。由於使用了NMOS對,因此M3需要U11(一種輔助低功率隔離式未穩壓dc-dc轉換器)來輔助M7的柵極,該輔助轉換器有助於U7(此轉換器狀態的高端驅動器)。獲得所需占空比的粗略估計很簡單(隻需對降壓使用常規公式即可),然後進行調整以滿足公差要求。
在點2處,作為20V升壓轉換器:為了使該轉換器作為升壓轉換器工作,M3必須是短路(三極管區域),而M4必須是開路(截止區域)。這次,M2和M1必須調整其占空比以產生20V輸出。可以通過調高升壓的通用公式並進行校準以滿足公差範圍來繪製大致數字。
在點3處,作為5V反向降壓轉換器:在這種情況下,晶體管的狀態與點2相似。唯一調整的變量是占空比。同樣,可以使用降壓的通用公式來獲得合理的估算,然後進行精煉以滿足公差要求。
開關頻率設置為250kHz,高端和低端功率MOSFET之間的死區時間為100ns。兩個控製信號(control1和control2)均已用於控製四個功率MOSFET的開關時間。
CPM模塊的內部示意圖如下所示:

圖3.顯示的是USB Type-C電源轉換器的CPM模塊的內部示意圖
控製電壓進入“ vc”引腳,而感測到的電壓進入“ vs”引腳。理想的電壓源Varamp使用人工斜坡來提高穩定性並降低失真。U1用作饋送到SR觸發器的比較器。最終輸出是“ PWM”端子上的脈寬調製信號。
為了測試此USB Type-C轉換器的負載瞬態響應,如下圖所示,將Rload從8.9歐姆(2.2A)脈衝到6.7歐姆。

圖4.通過LTSpice中的PWL功能獲得的負載瞬態響應
通過上一節中介紹的第三種方法可以獲得類似的結果。圖5提供了一個示例電路實現。比較器U16(LT1013)用作驅動Q1的500Hz弛張振蕩器。這將定義轉換器輸出處電流脈衝的時序。開關波形耦合到R22,並加到由R14的分壓器(Rtop和Rbot)決定的偏移量。U15被配置為反相放大器,因此在M5的柵極之前插入了另一個反相放大器U14。

圖5.上麵顯示了一個用作動態負載的電路,其增益可以通過一對電位器進行調節
圖5suoshidianludecailiaoqingdanbiqilirunfenghoudedianzifuzai,duiaihaozhelaishuo,shiyigegengjuxiyinlidexuanze。lingjiankeyicongdangdidedianzishangdianfangbiandigoumai。youxieshenzhikeyicongyiqiandexiangmuzhongzhongfushiyong。yinci,zaiceshidianlushejidewendingxingshi,qingxuanzebenwensuoshudefangfa。
免責聲明:本文為轉載文章,轉載此文目的在於傳遞更多信息,版權歸原作者所有。本文所用視頻、圖片、文字如涉及作品版權問題,請電話或者郵箱聯係小編進行侵刪。
推薦閱讀:
- 噪聲中提取真值!瑞盟科技推出MSA2240電流檢測芯片賦能多元高端測量場景
- 10MHz高頻運行!氮矽科技發布集成驅動GaN芯片,助力電源能效再攀新高
- 失真度僅0.002%!力芯微推出超低內阻、超低失真4PST模擬開關
- 一“芯”雙電!聖邦微電子發布雙輸出電源芯片,簡化AFE與音頻設計
- 一機適配萬端:金升陽推出1200W可編程電源,賦能高端裝備製造
- 一秒檢測,成本降至萬分之一,光引科技把幾十萬的台式光譜儀“搬”到了手腕上
- AI服務器電源機櫃Power Rack HVDC MW級測試方案
- 突破工藝邊界,奎芯科技LPDDR5X IP矽驗證通過,速率達9600Mbps
- 通過直接、準確、自動測量超低範圍的氯殘留來推動反滲透膜保護
- 從技術研發到規模量產:恩智浦第三代成像雷達平台,賦能下一代自動駕駛!
- 車規與基於V2X的車輛協同主動避撞技術展望
- 數字隔離助力新能源汽車安全隔離的新挑戰
- 汽車模塊拋負載的解決方案
- 車用連接器的安全創新應用
- Melexis Actuators Business Unit
- Position / Current Sensors - Triaxis Hall



