儀表放大器的失調電壓與噪聲參數分析與仿真
發布時間:2021-04-08 責任編輯:lina
【導讀】通過上一篇《儀表放大器的特性與工作電壓配置方法》,介紹了儀表放大器內部兩級放大電路工作方式,這種結構導致儀表放大器的失調電壓、噪聲參數與通用放大器的失調電壓、噪聲參數的評估方式不同,本篇將對此進行分析與仿真。
通過上一篇《儀表放大器的特性與工作電壓配置方法》,介紹了儀表放大器內部兩級放大電路工作方式,這種結構導致儀表放大器的失調電壓、噪聲參數與通用放大器的失調電壓、噪聲參數的評估方式不同,本篇將對此進行分析與仿真。
1 儀表放大器失調電壓分析
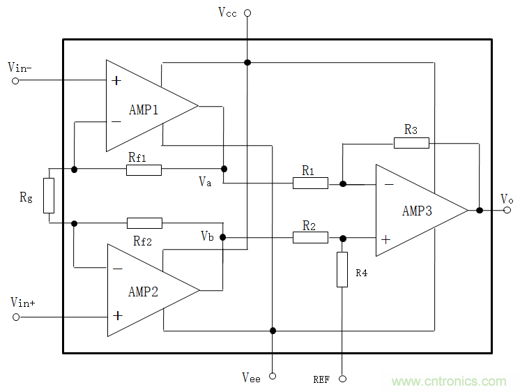
由於儀表放大器內部的兩級放大器都存在失調電壓,如圖3.1中AMP1,AMP2所在的第一級放大器的失調電壓,如果折算到輸出端,需要乘以電路增益。AMP3所在的第二級放大器的失調電壓,如果折算到輸入端,需要除以電路增益。

圖3.1 儀表放大器結構
上述的第一級放大器的失調電壓稱為輸入失調電壓(Input Offset Voltage, VOSI),第二級放大器的失調電壓稱為輸出失調電壓(Output Offset Voltage, VOSO)。總輸出失調電壓Total Vos_RTO為式3-8。
其中,G為增益。這也是儀表放大器在切換增益後,線性誤差發生變化的原因。
如圖3.10,以AD8421ARZ為例,在25℃環境中,使用±15V供電,輸入失調電壓最大值為60μV,輸出失調電壓最大值為350μV。在增益為1倍的電路中,AD8421ARZ輸出總失調電壓最大值為410uV。在增益為100倍的電路中,總輸出失調電壓最大值6.35mV。

3.10 AD8421失調電壓參數
如圖3.11(a),使用LTspice設計AD8421在增益為1倍,供電電源為±15V。如圖3.11(b),輸出總失調電壓的瞬態分析結果為412.292μV,等同於理論計算值。

圖3.11 AD8421增益1倍電路的總輸出失調電壓瞬態分析結果
如圖3.12(a),使用LTspice設計AD8421為±15V供電,增益為100倍的電路。輸出總失調電壓瞬態分析結果,如圖3.12(b),為6.353mV,等同於理論計算值。

3.12 AD8421增益為100倍電路的總輸出失調電壓瞬態分析結果
2儀表放大器噪聲分析
儀表放大器的電壓噪聲有兩個來源。一是輸入端串聯的噪聲源ENI,如通用放大器一樣。通過電路增益折算到輸出端。二是儀表放大器輸出端串聯的噪聲電壓源ENO,除以電路增益折算到輸入端。如圖3.13,在25℃環境中,±15V電源供電時,1KHz處AD8421輸入電壓噪聲密度eni最大值為3.2 nV/√Hz,輸出電壓噪聲密度eno最大值為60nV/√Hz。

3.13 AD8421噪聲參數
儀表放大器輸入端的電流噪聲源也有兩個,分別是iN+和iN–。盡管兩個電流噪聲近似相等。如圖3.13,25℃環境中,±15V電源供電時,在1KHz處AD8421電流噪聲譜密度in最大值為0.2 pA/√Hz。但iN+和iN–不相關,必須以均方根的方式求和。iN+流過信號源電阻RS的一半,iN–流過信號源電阻RS另一半。產生的兩個噪聲電壓幅度各為INRS的一半。這兩個噪聲源通過電路增益折算到輸出端。
儀表放大器的增益電阻也會產生一個噪聲源,通過電路增益折算的輸出。
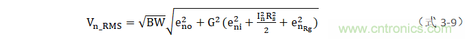
由此儀表放大器總輸出噪聲的RMS值,為式3-9。

其中,BW為1.57倍的信號帶寬。
如圖3.14(a),使用AD8421配置為1倍增益(Rg取消)的電路,信號源內阻設置為0,在0.1~10KHz頻率內,輸出噪聲電壓RMS最大值約為:


圖3.14 AD8421增益為1倍的電路噪聲分析結果
噪聲分析結果如圖3.14(b),AD8421的總輸出噪聲RMS值為5.59μV小於7.52μV。
如圖3.15(a),電路配置為100倍增益(Rg為100Ω),信號源內阻設置為0,在0.1~10KHz頻率內,輸出噪聲電壓RMS最大值近似為:
噪聲分析結果如圖3.15(b),AD8421總輸出噪聲為34.315μV,小於43.76μV。

圖3.15 AD8421增益為100倍電路的噪聲分析
綜上,在針對儀表放大器的失調電壓、噪聲參數分析時,根據內部兩級放大器的失調電壓,噪聲以及電路配置的增益折算到輸入端、或者輸出端進行總失調電壓、總噪聲的評估。
(來源:放大器參數解析與LTspice仿真,作者:鄭薈民)
(來源:放大器參數解析與LTspice仿真,作者:鄭薈民)
免責聲明:本文為轉載文章,轉載此文目的在於傳遞更多信息,版權歸原作者所有。本文所用視頻、圖片、文字如涉及作品版權問題,請電話或者郵箱聯係小編進行侵刪。
特別推薦
- 噪聲中提取真值!瑞盟科技推出MSA2240電流檢測芯片賦能多元高端測量場景
- 10MHz高頻運行!氮矽科技發布集成驅動GaN芯片,助力電源能效再攀新高
- 失真度僅0.002%!力芯微推出超低內阻、超低失真4PST模擬開關
- 一“芯”雙電!聖邦微電子發布雙輸出電源芯片,簡化AFE與音頻設計
- 一機適配萬端:金升陽推出1200W可編程電源,賦能高端裝備製造
技術文章更多>>
- 貿澤EIT係列新一期,探索AI如何重塑日常科技與用戶體驗
- 算力爆發遇上電源革新,大聯大世平集團攜手晶豐明源線上研討會解鎖應用落地
- 創新不止,創芯不已:第六屆ICDIA創芯展8月南京盛大啟幕!
- AI時代,為什麼存儲基礎設施的可靠性決定數據中心的經濟效益
- 矽典微ONELAB開發係列:為毫米波算法開發者打造的全棧工具鏈
技術白皮書下載更多>>
- 車規與基於V2X的車輛協同主動避撞技術展望
- 數字隔離助力新能源汽車安全隔離的新挑戰
- 汽車模塊拋負載的解決方案
- 車用連接器的安全創新應用
- Melexis Actuators Business Unit
- Position / Current Sensors - Triaxis Hall
熱門搜索





