實例解析:三相逆變過壓IGBT損壞的問題
發布時間:2015-03-28 責任編輯:echolady
【導讀】在(zai)設(she)計(ji)過(guo)程(cheng)中(zhong)經(jing)常(chang)會(hui)出(chu)現(xian)電(dian)路(lu)報(bao)錯(cuo)的(de)問(wen)題(ti)。發(fa)生(sheng)這(zhe)種(zhong)情(qing)況(kuang),我(wo)們(men)通(tong)常(chang)會(hui)按(an)部(bu)就(jiu)班(ban)的(de)對(dui)錯(cuo)誤(wu)進(jin)行(xing)排(pai)查(zha)並(bing)順(shun)利(li)解(jie)決(jue)。但(dan)是(shi)有(you)的(de)時(shi)候(hou)可(ke)能(neng)會(hui)因(yin)為(wei)知(zhi)識(shi)儲(chu)備(bei)的(de)限(xian)製(zhi)出(chu)現(xian)錯(cuo)誤(wu)而(er)無(wu)法(fa)解(jie)決(jue)。本(ben)文(wen)主(zhu)要(yao)講(jiang)解(jie)三(san)相(xiang)逆(ni)變(bian)器(qi)電(dian)路(lu)中(zhong)的(de)IGBT柵極過壓導致IGBT損壞問題。

圖1

圖2
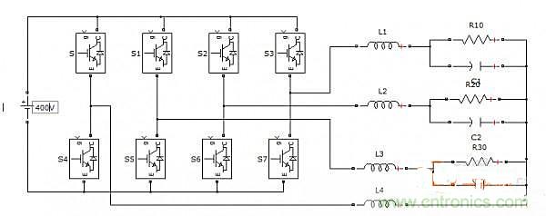
圖1、圖2為主電路拓撲。三相四橋臂逆變器+LC濾波器。IGBT型號為:英飛淩耐壓1200V電流75A的IGBT。驅動芯片為:concept 2sc0108_17,耐壓為1700V。直流母線電壓由可調變壓器輸出經整流橋整流再經電容濾波得到。
當直流母線為300V時,在打開逆變器的情況下(即給PWM信號),逆變器工作正常,輸出三相交流電。然後把直流母線電壓升高為400V,逆變器工作正常。保持直流母線電壓不變,關逆變(IGBT基極電壓為-9V),再開逆變。發生故障。檢查發現C相的concept驅動損壞。C相橋臂的IGBT上下管的G極E極間各自並的一個穩壓二極管(SMBJ13)擊穿短路,C相橋臂IGBT上下管的柵極都燒壞,既給GE加15V電源,CE也不能導通。該橋臂IGBT內部反並聯的二極管正常。
最初猜測是IGBT柵極出現了高壓,但是不知道是什麼原因造成了柵極的高壓,下麵我們就來具體問題具體分析。
圖1為主電路圖,其中R代表負載。圖2為IGBT驅動。2端接上管柵極,1端接上管發射極。5端接下管柵極,4端接下管發射極。
congqudongboxingkan,bingmeiyoumilequ,zhejiushuomingguanzidekaiguandianyayinglibijiaoxiao。congboxingdoudukan,dongtaineizubijiaoda。yinci,ruguorucijiagaoya,chuxianmilexiaoyingjiuhuibanqiaojubuzhitong。
從(cong)稍(shao)帶(dai)電(dian)流(liu)出(chu)現(xian)的(de)尖(jian)峰(feng)電(dian)壓(ya)看(kan),一(yi)旦(dan)局(ju)部(bu)直(zhi)通(tong)關(guan)斷(duan)後(hou)過(guo)壓(ya)擊(ji)穿(chuan)而(er)導(dao)致(zhi)炸(zha)管(guan)。這(zhe)點(dian)可(ke)以(yi)通(tong)過(guo)加(jia)大(da)死(si)區(qu)得(de)到(dao)解(jie)決(jue)。另(ling)一(yi)方(fang)麵(mian),例(li)子(zi)中(zhong)的(de)策(ce)略(lve)決(jue)定(ding)了(le)有(you)開(kai)機(ji)浪(lang)湧(yong)。建(jian)議(yi)用(yong)魯(lu)棒(bang)控(kong)製(zhi)策(ce)略(lve),開(kai)機(ji)電(dian)流(liu)軟(ruan)啟(qi)動(dong)。
本篇文章以一個錯誤的電路為例,深度剖析問題,並給出了相應的解決方法,希望大家在看過本篇文章之後能夠有所收獲。
相關閱讀:
MOSFET簡化三相逆變器拓撲設計
經驗之談:解析三相電供電故障及其改善措施
教你用萬用表判定三相異步電動機繞組同名端
特別推薦
- 噪聲中提取真值!瑞盟科技推出MSA2240電流檢測芯片賦能多元高端測量場景
- 10MHz高頻運行!氮矽科技發布集成驅動GaN芯片,助力電源能效再攀新高
- 失真度僅0.002%!力芯微推出超低內阻、超低失真4PST模擬開關
- 一“芯”雙電!聖邦微電子發布雙輸出電源芯片,簡化AFE與音頻設計
- 一機適配萬端:金升陽推出1200W可編程電源,賦能高端裝備製造
技術文章更多>>
- 貿澤EIT係列新一期,探索AI如何重塑日常科技與用戶體驗
- 算力爆發遇上電源革新,大聯大世平集團攜手晶豐明源線上研討會解鎖應用落地
- 創新不止,創芯不已:第六屆ICDIA創芯展8月南京盛大啟幕!
- AI時代,為什麼存儲基礎設施的可靠性決定數據中心的經濟效益
- 矽典微ONELAB開發係列:為毫米波算法開發者打造的全棧工具鏈
技術白皮書下載更多>>
- 車規與基於V2X的車輛協同主動避撞技術展望
- 數字隔離助力新能源汽車安全隔離的新挑戰
- 汽車模塊拋負載的解決方案
- 車用連接器的安全創新應用
- Melexis Actuators Business Unit
- Position / Current Sensors - Triaxis Hall
熱門搜索
Future
GFIVE
GPS
GPU
Harting
HDMI
HDMI連接器
HD監控
HID燈
I/O處理器
IC
IC插座
IDT
IGBT
in-cell
Intersil
IP監控
iWatt
Keithley
Kemet
Knowles
Lattice
LCD
LCD模組
LCR測試儀
lc振蕩器
Lecroy
LED
LED保護元件
LED背光



