一款汽車電子密碼鎖電路設計
發布時間:2014-10-10 責任編輯:sherryyu
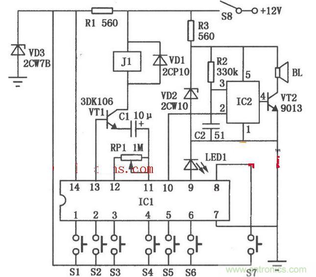
【導讀】本文為大家介紹一款汽車電子密碼鎖電路圖設計,該電路具體設計如下:ICl為專用密碼鎖集成電路5G058,它的①~⑥腳分別外接按鍵開關到電源正極,這是6個有效輸入鍵,開鎖必須遵照Sl~S6這一順序...
汽車電子密碼鎖電路圖:汽車電子密碼鎖的電路原理如圖所示。ICl為專用密碼鎖集成電路5G058,它的①~⑥腳分別外接按鍵開關到電源正極,這是6個有效輸入鍵,開鎖必須遵照Sl~S6這一順序;⑧腳所接按鍵開關S7是假鍵輸入端,可以隨意接一個或幾個按鍵混插在鍵盤中以假亂真;⑨腳是按鍵指示端,每個按鍵連通期間都會使外接發光二極管LEDl發光,確認該鍵輸入為有效;⑩腳是報警輸出端,如果不是按Sl~S6順序輸入或超過有效開鎖時間,則輸出高電平,觸發IC2防盜報警語言集成電路SR8803A工作而使揚聲器BL發出語言報警。汽車電子密碼鎖電路圖,有效開鎖時間由電容C1與電位器RPl的大小來決定。

特別推薦
- 噪聲中提取真值!瑞盟科技推出MSA2240電流檢測芯片賦能多元高端測量場景
- 10MHz高頻運行!氮矽科技發布集成驅動GaN芯片,助力電源能效再攀新高
- 失真度僅0.002%!力芯微推出超低內阻、超低失真4PST模擬開關
- 一“芯”雙電!聖邦微電子發布雙輸出電源芯片,簡化AFE與音頻設計
- 一機適配萬端:金升陽推出1200W可編程電源,賦能高端裝備製造
技術文章更多>>
- 貿澤EIT係列新一期,探索AI如何重塑日常科技與用戶體驗
- 算力爆發遇上電源革新,大聯大世平集團攜手晶豐明源線上研討會解鎖應用落地
- 創新不止,創芯不已:第六屆ICDIA創芯展8月南京盛大啟幕!
- AI時代,為什麼存儲基礎設施的可靠性決定數據中心的經濟效益
- 築基AI4S:摩爾線程全功能GPU加速中國生命科學自主生態
技術白皮書下載更多>>
- 車規與基於V2X的車輛協同主動避撞技術展望
- 數字隔離助力新能源汽車安全隔離的新挑戰
- 汽車模塊拋負載的解決方案
- 車用連接器的安全創新應用
- Melexis Actuators Business Unit
- Position / Current Sensors - Triaxis Hall
熱門搜索
微波功率管
微波開關
微波連接器
微波器件
微波三極管
微波振蕩器
微電機
微調電容
微動開關
微蜂窩
位置傳感器
溫度保險絲
溫度傳感器
溫控開關
溫控可控矽
聞泰
穩壓電源
穩壓二極管
穩壓管
無焊端子
無線充電
無線監控
無源濾波器
五金工具
物聯網
顯示模塊
顯微鏡結構
線圈
線繞電位器
線繞電阻




