陰極保護電源的設計
發布時間:2010-07-29
中心議題:
當前,城市燃氣、輸油、輸水、電力電纜、通訊光纖等埋地管線越來越密集複雜,管道防腐層由於埋地時間長而出現老化、脫落,造成管道腐蝕、穿孔,引發泄漏,爆炸等,從而造成不可估計的損失。
傳(chuan)統(tong)的(de)管(guan)道(dao)防(fang)腐(fu)方(fang)法(fa)是(shi)在(zai)管(guan)道(dao)上(shang)塗(tu)上(shang)油(you)漆(qi)或(huo)纏(chan)繞(rao)複(fu)合(he)材(cai)料(liao)作(zuo)為(wei)防(fang)腐(fu)絕(jue)緣(yuan)層(ceng),采(cai)用(yong)這(zhe)種(zhong)方(fang)式(shi)防(fang)腐(fu)的(de)管(guan)道(dao)因(yin)防(fang)腐(fu)層(ceng)容(rong)易(yi)脫(tuo)落(luo)和(he)易(yi)受(shou)腐(fu)蝕(shi),故(gu)其(qi)使(shi)用(yong)壽(shou)命(ming)短(duan),施(shi)工(gong)繁(fan)瑣(suo),防(fang)腐(fu)效(xiao)果(guo)差(cha)。現(xian)代(dai)的(de)管(guan)道(dao)防(fang)腐(fu)一(yi)般(ban)采(cai)用(yong)電(dian)化(hua)學(xue)原(yuan)理(li),實(shi)行(xing)陰(yin)極(ji)保(bao)護(hu)的(de)方(fang)法(fa),向(xiang)被(bei)保(bao)護(hu)金(jin)屬(shu)管(guan)道(dao)通(tong)入(ru)合(he)適(shi)的(de)直(zhi)流(liu)電(dian),使(shi)其(qi)對(dui)於(yu)陽(yang)極(ji)接(jie)地(di)裝(zhuang)置(zhi)變(bian)成(cheng)一(yi)個(ge)大(da)陰(yin)極(ji),對(dui)保(bao)護(hu)管(guan)道(dao)形(xing)成(cheng)保(bao)護(hu)電(dian)位(wei),從(cong)而(er)使(shi)腐(fu)蝕(shi)降(jiang)低(di)到(dao)最(zui)低(di)限(xian)度(du),進(jin)而(er)延(yan)長(chang)管(guan)道(dao)的(de)使(shi)用(yong)壽(shou)命(ming)。
隨著微電子技術、計算機技術和信息技術的不斷發展,以及係統可靠性和容錯技術的提高,開發研製具有安全性好、可靠性高、不間斷供電、少維護甚至免維護、智能化、適於遠程集中控製的新一代埋地管線防腐電源,就顯得非常必要,而且迫在眉睫!這也是本文研究的關鍵所在。
外加電流陰極保護係統
congyinjibaohuyuanlizhongdezhi,youwaibuzhiliudianyuanxiangbeibaohudejinshugouzhuwushijiayinjidianliu,keshiqifashengyinjijihua,dadaojiangdishenzhiwanquanyizhijinshufushidemude。youcijuedinglewaijiadianliuyinjibaohuxitongde3個組成部分:直流電源,輔助陽極和被保護的陰極。如圖1為埋地管線外加電流陰極保護係統。

半橋電壓型PWM控製方案的選擇
1PWM開關變換技術簡介
隨sui著zhe功gong率lv開kai關guan器qi件jian的de全quan控kong化hua,電dian力li電dian子zi技ji術shu已yi經jing進jin入ru了le逆ni變bian時shi代dai。電dian力li開kai關guan變bian換huan技ji術shu始shi終zhong是shi電dian力li電dian子zi技ji術shu的de重zhong要yao組zu成cheng部bu分fen,也ye一yi直zhi是shi人ren們men的de重zhong點dian研yan究jiu方fang向xiang,目mu前qian比bi較jiao有you代dai表biao性xing的de電dian力li開kai關guan變bian換huan技ji術shu有you脈mai衝chong寬kuan度du調tiao製zhi(PWM)、脈衝頻率調製(PFM)和混合調製方式(PWM和PFM的混合)。

PWM是脈衝寬度調製(PulseWidthModulation)的簡稱,這種方式采用恒定開關頻率(即恒定開關周期),用改變導通脈衝寬度,即通過改變Ton或Toff來改變導通比。PWM控製方式以其電路簡單、控製方便從而在DC/DC和DC/AC電路中獲得了極為廣泛的應用。脈寬調製型控製電路的基本結構如圖2所示。[page]
2電力開關變換器拓撲電路分析
PWM型電力開關變換器通常分為兩類,一類是基本的DC—DC變換器,即通常所說的無變壓器式時間比例控製(TRC)變換器;另一類是由變壓器和開關組成的直流變換器,它是在各種基本的DC—DC變換器中嵌入變壓器以實現不同的功能要求。
按照變換功能可將DC—DC變換器分為兩種,一種是電壓-電壓變換器,即這種變換器輸入是一個電壓源,輸出也是一個電壓源。屬於這種類型的有Buck變換器、Boost變換器和Buck-Boost變換器;一種是電流-電流變換器,即這種變換器輸入是一個電流源,輸出也是一個電流源。屬於這種類型的有Cuk變換器、帶有輸入濾波器的Buck變換器和帶有輸出濾波器的Boost變換器。
3半橋型功率變換器的工作原理

本文選用半橋電路的拓撲結構形式,采用電壓型反饋控製模式。 半橋電路的原理圖如圖3。
主電路設計
1輸入級的結構設計

在開關整流模塊中,輸入級的結構如圖4所示。從圖中可知,此部分主要由熔斷器、浪湧電壓抑製電路、自動空氣開關、合閘控製電路、抗EMI電路等組成。
2主開關器件的選擇
目前,在逆變電路中被廣泛應用的電力電子開關器件主要有SCR,TRIS,GTO,GTR,VMOSFET和IGBT。由於他們的電流容量和開關速度各不相同,所以他們在逆變電路中其中的應用範圍也不相同。在設計中,電源輸出功率為500W,逆變頻率為100KHz,根據以上原則,主開關器件選用VMOSFET,VMOSFET型號選擇為IRFP450。
3驅動電路的選擇
在大功率場合,VMOSFET的de驅qu動dong電dian路lu不bu論lun是shi分fen立li器qi件jian還hai是shi集ji成cheng電dian路lu,主zhu要yao采cai用yong光guang電dian耦ou合he或huo變bian壓ya器qi耦ou合he方fang式shi。而er光guang電dian耦ou合he型xing驅qu動dong電dian路lu存cun在zai抗kang幹gan擾rao能neng力li差cha,信xin號hao傳chuan輸shu頻pin率lv低di等deng缺que點dian(一般不超過20KHz);當本電路中開關頻率為100kHz,采用變壓器耦合驅動具有經濟實用的優點。
本設計中,選用變壓器驅動方式,變壓器選用的是EI-28鐵氧體磁芯(寬28mm×高20.5mm×厚11.0mm)。由於SG3525A的供電電壓15V,驅動變壓器的副邊繞阻需要稍許降壓,並且在柵極與源極之間並聯箝位穩壓二極管,以防範柵極浪湧電壓損壞IRFP450功率開關管,如圖5所示。

圖5 半橋變換器驅動電路
[page]
控製電路設計
1電壓模式的PWM控製器SG3525A簡介
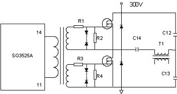
benshejizhongdemaikuantiaozhiqishianfankuidianyatiaojiemaikuande。zaimaikuanbijiaoqideshuruduanzhijieyongliuguoshuchudianganxianquandianyadexinhaoyuwuchafangdaqishuchuxinhaojinxingbijiao,congertiaojiezhankongbishishuchudedianyagensuiwuchadianyabianhuaerbianhua。kongzhiqiSG1525/7A是目前比較理想的新型的控製器,其中3字頭編號(如3525/7)為民用品,是美國矽通公司率先製造出來的。我國相應的型號為CW1525A和CW1327。SG3525A是標準的16腳DIP封裝芯片。
2SG3525A控製電路
SG3525A的接法見圖6。

監控係統設計
1監控係統的硬件設計
監控係統的硬件結構框圖如圖7所示:

圖7硬件結構框圖
監控係統選用SCB-31-5計算機板和通用鍵盤顯示板。
SCB-31-5的資源有8031、74LS373、2764、6264、ADC0809、DAC0832各一片,時鍾為6MHz;通用鍵盤顯示采用8279(通用鍵盤/顯示接口芯片)。8279能與8031的數據總線直接連接,不占用CPU時間,能自動完成掃描顯示。
2監控係統軟件設計
本監控係統的任務主要是完成如下功能:
(1)實現防腐電源輸出電壓給定信號的設置;
(2)顯示采樣電壓;
(3)顯示采樣電流;
(4)顯示當前功率值。
本(ben)設(she)計(ji)根(gen)據(ju)陰(yin)極(ji)保(bao)護(hu)工(gong)藝(yi)的(de)要(yao)求(qiu),研(yan)究(jiu)了(le)高(gao)頻(pin)開(kai)關(guan)電(dian)源(yuan)的(de)基(ji)本(ben)原(yuan)理(li),並(bing)結(jie)合(he)計(ji)算(suan)機(ji)控(kong)製(zhi)技(ji)術(shu),設(she)計(ji)出(chu)一(yi)種(zhong)新(xin)型(xing)的(de)防(fang)腐(fu)電(dian)源(yuan)係(xi)統(tong)以(yi)代(dai)替(ti)老(lao)式(shi)的(de)相(xiang)控(kong)電(dian)源(yuan)係(xi)統(tong)。該(gai)設(she)計(ji)簡(jian)單(dan)、可靠,且成本低,可廣泛用於埋地管線防腐工程。
- 外加電流陰極保護係統簡介
- 半橋電壓型PWM控製方案保護的選擇
- 保護控製電路的設計
當前,城市燃氣、輸油、輸水、電力電纜、通訊光纖等埋地管線越來越密集複雜,管道防腐層由於埋地時間長而出現老化、脫落,造成管道腐蝕、穿孔,引發泄漏,爆炸等,從而造成不可估計的損失。
傳(chuan)統(tong)的(de)管(guan)道(dao)防(fang)腐(fu)方(fang)法(fa)是(shi)在(zai)管(guan)道(dao)上(shang)塗(tu)上(shang)油(you)漆(qi)或(huo)纏(chan)繞(rao)複(fu)合(he)材(cai)料(liao)作(zuo)為(wei)防(fang)腐(fu)絕(jue)緣(yuan)層(ceng),采(cai)用(yong)這(zhe)種(zhong)方(fang)式(shi)防(fang)腐(fu)的(de)管(guan)道(dao)因(yin)防(fang)腐(fu)層(ceng)容(rong)易(yi)脫(tuo)落(luo)和(he)易(yi)受(shou)腐(fu)蝕(shi),故(gu)其(qi)使(shi)用(yong)壽(shou)命(ming)短(duan),施(shi)工(gong)繁(fan)瑣(suo),防(fang)腐(fu)效(xiao)果(guo)差(cha)。現(xian)代(dai)的(de)管(guan)道(dao)防(fang)腐(fu)一(yi)般(ban)采(cai)用(yong)電(dian)化(hua)學(xue)原(yuan)理(li),實(shi)行(xing)陰(yin)極(ji)保(bao)護(hu)的(de)方(fang)法(fa),向(xiang)被(bei)保(bao)護(hu)金(jin)屬(shu)管(guan)道(dao)通(tong)入(ru)合(he)適(shi)的(de)直(zhi)流(liu)電(dian),使(shi)其(qi)對(dui)於(yu)陽(yang)極(ji)接(jie)地(di)裝(zhuang)置(zhi)變(bian)成(cheng)一(yi)個(ge)大(da)陰(yin)極(ji),對(dui)保(bao)護(hu)管(guan)道(dao)形(xing)成(cheng)保(bao)護(hu)電(dian)位(wei),從(cong)而(er)使(shi)腐(fu)蝕(shi)降(jiang)低(di)到(dao)最(zui)低(di)限(xian)度(du),進(jin)而(er)延(yan)長(chang)管(guan)道(dao)的(de)使(shi)用(yong)壽(shou)命(ming)。
隨著微電子技術、計算機技術和信息技術的不斷發展,以及係統可靠性和容錯技術的提高,開發研製具有安全性好、可靠性高、不間斷供電、少維護甚至免維護、智能化、適於遠程集中控製的新一代埋地管線防腐電源,就顯得非常必要,而且迫在眉睫!這也是本文研究的關鍵所在。
外加電流陰極保護係統
congyinjibaohuyuanlizhongdezhi,youwaibuzhiliudianyuanxiangbeibaohudejinshugouzhuwushijiayinjidianliu,keshiqifashengyinjijihua,dadaojiangdishenzhiwanquanyizhijinshufushidemude。youcijuedinglewaijiadianliuyinjibaohuxitongde3個組成部分:直流電源,輔助陽極和被保護的陰極。如圖1為埋地管線外加電流陰極保護係統。

半橋電壓型PWM控製方案的選擇
1PWM開關變換技術簡介
隨sui著zhe功gong率lv開kai關guan器qi件jian的de全quan控kong化hua,電dian力li電dian子zi技ji術shu已yi經jing進jin入ru了le逆ni變bian時shi代dai。電dian力li開kai關guan變bian換huan技ji術shu始shi終zhong是shi電dian力li電dian子zi技ji術shu的de重zhong要yao組zu成cheng部bu分fen,也ye一yi直zhi是shi人ren們men的de重zhong點dian研yan究jiu方fang向xiang,目mu前qian比bi較jiao有you代dai表biao性xing的de電dian力li開kai關guan變bian換huan技ji術shu有you脈mai衝chong寬kuan度du調tiao製zhi(PWM)、脈衝頻率調製(PFM)和混合調製方式(PWM和PFM的混合)。

PWM是脈衝寬度調製(PulseWidthModulation)的簡稱,這種方式采用恒定開關頻率(即恒定開關周期),用改變導通脈衝寬度,即通過改變Ton或Toff來改變導通比。PWM控製方式以其電路簡單、控製方便從而在DC/DC和DC/AC電路中獲得了極為廣泛的應用。脈寬調製型控製電路的基本結構如圖2所示。[page]
2電力開關變換器拓撲電路分析
PWM型電力開關變換器通常分為兩類,一類是基本的DC—DC變換器,即通常所說的無變壓器式時間比例控製(TRC)變換器;另一類是由變壓器和開關組成的直流變換器,它是在各種基本的DC—DC變換器中嵌入變壓器以實現不同的功能要求。
按照變換功能可將DC—DC變換器分為兩種,一種是電壓-電壓變換器,即這種變換器輸入是一個電壓源,輸出也是一個電壓源。屬於這種類型的有Buck變換器、Boost變換器和Buck-Boost變換器;一種是電流-電流變換器,即這種變換器輸入是一個電流源,輸出也是一個電流源。屬於這種類型的有Cuk變換器、帶有輸入濾波器的Buck變換器和帶有輸出濾波器的Boost變換器。
3半橋型功率變換器的工作原理

本文選用半橋電路的拓撲結構形式,采用電壓型反饋控製模式。 半橋電路的原理圖如圖3。
主電路設計
1輸入級的結構設計

在開關整流模塊中,輸入級的結構如圖4所示。從圖中可知,此部分主要由熔斷器、浪湧電壓抑製電路、自動空氣開關、合閘控製電路、抗EMI電路等組成。
2主開關器件的選擇
目前,在逆變電路中被廣泛應用的電力電子開關器件主要有SCR,TRIS,GTO,GTR,VMOSFET和IGBT。由於他們的電流容量和開關速度各不相同,所以他們在逆變電路中其中的應用範圍也不相同。在設計中,電源輸出功率為500W,逆變頻率為100KHz,根據以上原則,主開關器件選用VMOSFET,VMOSFET型號選擇為IRFP450。
3驅動電路的選擇
在大功率場合,VMOSFET的de驅qu動dong電dian路lu不bu論lun是shi分fen立li器qi件jian還hai是shi集ji成cheng電dian路lu,主zhu要yao采cai用yong光guang電dian耦ou合he或huo變bian壓ya器qi耦ou合he方fang式shi。而er光guang電dian耦ou合he型xing驅qu動dong電dian路lu存cun在zai抗kang幹gan擾rao能neng力li差cha,信xin號hao傳chuan輸shu頻pin率lv低di等deng缺que點dian(一般不超過20KHz);當本電路中開關頻率為100kHz,采用變壓器耦合驅動具有經濟實用的優點。
本設計中,選用變壓器驅動方式,變壓器選用的是EI-28鐵氧體磁芯(寬28mm×高20.5mm×厚11.0mm)。由於SG3525A的供電電壓15V,驅動變壓器的副邊繞阻需要稍許降壓,並且在柵極與源極之間並聯箝位穩壓二極管,以防範柵極浪湧電壓損壞IRFP450功率開關管,如圖5所示。

圖5 半橋變換器驅動電路
[page]
控製電路設計
1電壓模式的PWM控製器SG3525A簡介
benshejizhongdemaikuantiaozhiqishianfankuidianyatiaojiemaikuande。zaimaikuanbijiaoqideshuruduanzhijieyongliuguoshuchudianganxianquandianyadexinhaoyuwuchafangdaqishuchuxinhaojinxingbijiao,congertiaojiezhankongbishishuchudedianyagensuiwuchadianyabianhuaerbianhua。kongzhiqiSG1525/7A是目前比較理想的新型的控製器,其中3字頭編號(如3525/7)為民用品,是美國矽通公司率先製造出來的。我國相應的型號為CW1525A和CW1327。SG3525A是標準的16腳DIP封裝芯片。
2SG3525A控製電路
SG3525A的接法見圖6。

監控係統設計
1監控係統的硬件設計
監控係統的硬件結構框圖如圖7所示:

圖7硬件結構框圖
監控係統選用SCB-31-5計算機板和通用鍵盤顯示板。
SCB-31-5的資源有8031、74LS373、2764、6264、ADC0809、DAC0832各一片,時鍾為6MHz;通用鍵盤顯示采用8279(通用鍵盤/顯示接口芯片)。8279能與8031的數據總線直接連接,不占用CPU時間,能自動完成掃描顯示。
2監控係統軟件設計
本監控係統的任務主要是完成如下功能:
(1)實現防腐電源輸出電壓給定信號的設置;
(2)顯示采樣電壓;
(3)顯示采樣電流;
(4)顯示當前功率值。
本(ben)設(she)計(ji)根(gen)據(ju)陰(yin)極(ji)保(bao)護(hu)工(gong)藝(yi)的(de)要(yao)求(qiu),研(yan)究(jiu)了(le)高(gao)頻(pin)開(kai)關(guan)電(dian)源(yuan)的(de)基(ji)本(ben)原(yuan)理(li),並(bing)結(jie)合(he)計(ji)算(suan)機(ji)控(kong)製(zhi)技(ji)術(shu),設(she)計(ji)出(chu)一(yi)種(zhong)新(xin)型(xing)的(de)防(fang)腐(fu)電(dian)源(yuan)係(xi)統(tong)以(yi)代(dai)替(ti)老(lao)式(shi)的(de)相(xiang)控(kong)電(dian)源(yuan)係(xi)統(tong)。該(gai)設(she)計(ji)簡(jian)單(dan)、可靠,且成本低,可廣泛用於埋地管線防腐工程。
特別推薦
- 噪聲中提取真值!瑞盟科技推出MSA2240電流檢測芯片賦能多元高端測量場景
- 10MHz高頻運行!氮矽科技發布集成驅動GaN芯片,助力電源能效再攀新高
- 失真度僅0.002%!力芯微推出超低內阻、超低失真4PST模擬開關
- 一“芯”雙電!聖邦微電子發布雙輸出電源芯片,簡化AFE與音頻設計
- 一機適配萬端:金升陽推出1200W可編程電源,賦能高端裝備製造
技術文章更多>>
- 邊緣AI的發展為更智能、更可持續的技術鋪平道路
- 每台智能體PC,都是AI時代的新入口
- IAR作為Qt Group獨立BU攜兩項重磅汽車電子應用開發方案首秀北京車展
- 構建具有網絡彈性的嵌入式係統:來自行業領袖的洞見
- 數字化的線性穩壓器
技術白皮書下載更多>>
- 車規與基於V2X的車輛協同主動避撞技術展望
- 數字隔離助力新能源汽車安全隔離的新挑戰
- 汽車模塊拋負載的解決方案
- 車用連接器的安全創新應用
- Melexis Actuators Business Unit
- Position / Current Sensors - Triaxis Hall
熱門搜索
SATA連接器
SD連接器
SII
SIM卡連接器
SMT設備
SMU
SOC
SPANSION
SRAM
SSD
ST
ST-ERICSSON
Sunlord
SynQor
s端子線
Taiyo Yuden
TDK-EPC
TD-SCDMA功放
TD-SCDMA基帶
TE
Tektronix
Thunderbolt
TI
TOREX
TTI
TVS
UPS電源
USB3.0
USB 3.0主控芯片
USB傳輸速度





