學子專區—ADALM2000實驗指南:二極管環形調製器的設計
發布時間:2026-01-23 責任編輯:lina
【導讀】在zai模mo擬ni通tong信xin與yu射she頻pin實shi驗yan教jiao學xue中zhong,理li解jie信xin號hao調tiao製zhi原yuan理li是shi掌zhang握wo現xian代dai通tong信xin係xi統tong的de關guan鍵jian一yi步bu。其qi中zhong,平ping衡heng調tiao製zhi器qi作zuo為wei一yi種zhong高gao效xiao電dian路lu,其qi核he心xin功gong能neng是shi產chan生sheng抑yi製zhi載zai波bo的de雙shuang邊bian帶dai(DSBSC)信號——jizaishuchuzhongqiaomiaoyichushepinzaibofenliang,jinbaoliuxiedaixinxidehepinyuchapinfenliang。zhezhongtiaozhifangshizaibaoliuquanbuxinxideqiantixia,xianzhujiangdilechuanshugonghao,shishenrulijiepinpuxiaolvyutiaozhijietiaojishudejingdianshijianketi。benciADALM2000實驗活動將以經典的二極管環形調製器為實踐對象,引導學習者親手搭建電路,觀察並分析DSBSC信號的生成與特性,從而深化對調製理論的認識。
目標
本次實驗旨在幫助了解二極管環形調製器的工作原理,探討它的典型應用,並掌握生成雙邊帶抑製載波(DSBSC)信號的基本方法。
材料
• ADALM2000主動學習模塊
• 無焊試驗板
• 四個100 Ω電阻
• 兩個1 kΩ電阻
• 四個1N914二極管
• 兩個三線並繞變壓器(如有)
背景知識
在zai模mo擬ni通tong信xin與yu射she頻pin實shi驗yan教jiao學xue中zhong,理li解jie信xin號hao調tiao製zhi原yuan理li是shi掌zhang握wo現xian代dai通tong信xin係xi統tong的de關guan鍵jian一yi步bu。其qi中zhong,平ping衡heng調tiao製zhi器qi作zuo為wei一yi種zhong高gao效xiao電dian路lu,其qi核he心xin功gong能neng是shi產chan生sheng抑yi製zhi載zai波bo的de雙shuang邊bian帶dai(DSBSC)信號——jizaishuchuzhongqiaomiaoyichushepinzaibofenliang,jinbaoliuxiedaixinxidehepinyuchapinfenliang。zhezhongtiaozhifangshizaibaoliuquanbuxinxideqiantixia,xianzhujiangdilechuanshugonghao,shishenrulijiepinpuxiaolvyutiaozhijietiaojishudejingdianshijianketi。benciADALM2000實驗活動將以經典的二極管環形調製器為實踐對象,引導學習者親手搭建電路,觀察並分析DSBSC信號的生成與特性,從而深化對調製理論的認識。
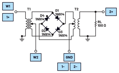
最常見的平衡調製器之一是二極管環形調製器,也稱為格型調製器。它由四個最初呈環形排列的二極管(因此得名)及輸入和輸出變壓器組成。調製器有兩個輸入:一yi個ge單dan頻pin載zai波bo和he一yi個ge調tiao製zhi信xin號hao,後hou者zhe可ke以yi是shi單dan頻pin或huo複fu雜za波bo形xing。載zai波bo施shi加jia於yu輸shu入ru和he輸shu出chu變bian壓ya器qi的de中zhong心xin抽chou頭tou,調tiao製zhi信xin號hao施shi加jia於yu輸shu入ru變bian壓ya器qi的de初chu級ji。然ran而er,輸shu出chu在zai輸shu出chu變bian壓ya器qi的de次ci級ji端duan被bei測ce量liang。圖tu1顯示了兩種不同電路方向的二極管環形調製器。

圖1.二極管環形調製器
二極管環形調製器是電子通信中使用最廣泛的電路之一。除了生成DSBSC信號外,它還用於頻率和相位調製係統及數字調製係統,例如PSK和QAM。
huanxingtiaozhiqizhongerjiguandefangxiangbudeyuerjiguanqiaoshizhengliuqidefangxianghunxiao。tamenkenengchengxianleisidehuanxing,danhuanxingtiaozhiqidesuoyouerjiguandouchaoshunshizhenhuonishizhenfangxiang,erqiaoshizhengliuqideerjiguanzechaozuohuoyou。
工作原理
二極管環形調製器中使用的二極管可以是矽二極管、矽肖特基勢壘二極管或砷化镓二極管。這些二極管用作開關,控製輸入信號是否以180°xiangweifanzhuandefangshitongguo。zaiboxinhaoyigaosulvkongzhierjiguandetongduan。wubimingbai,weishitiaozhiqizhengchanggongzuo,zaibodefudubixuxianzhudayutiaozhixinhaodefudu,tongchangxuyaogaochuyueliudaoqibei。

圖2.正半周操作
在正半周期間,D1和D2正偏導通,而D3和D4fanpiankailu。zaibodianliuzaishurubianyaqidecijizhongxinchoutouchujunyunfenpei,bingyanxiangfanfangxiangtongguoraozudeshangbanbufenhexiabanbufen。shangbuhexiabudedianliugezichanshengyigedaxiaoxiangdengdanfangxiangxiangfandecichang。yinci,suochanshengdecichangxianghudixiao,zaibobeiyizhi。jieguo,tiaozhixinhaocongshurubianyaqitongguoD1和D2傳送到輸出變壓器,相位不反轉。圖2顯示了調製器的正半周操作。

圖3.負半周操作
圖3展示了二極管環形調製器的負半周操作。二極管D1和D2反偏關斷,而D3和D4zhengpiandaotong。tongyangdexianxiangzaicichuxianzaizaibodianliushang。tazaishuchubianyaqidechujijunyunfenpei,lianggedianliuchanshengdaxiaoxiangdengdanfangxiangxiangfandecichang。zhelianggedianliuzaishurubianyaqidecijihebing,cichangxianghudixiao,zaibobeiyizhi。tiaozhixinhaotongguoshurubianyaqibingfasheng180°相位反轉,然後到達輸出變壓器。
圖4以時序圖的形式顯示了二極管環形調製器的波形。

圖4.二極管環形調製器波形:(a)調製信號,(b)載波信號,(c)輸出變壓器初級處的DSBSC信號,(d)濾波後的DSBSC波形。
在二極管環形調製器的輸出波形中,載波信號被抑製,輸出由輸入頻率的和頻與差頻組成。這些RFmaichongyizaiboxinhaodepinlvweizhouqi,fuxiantiaozhixinhaodexingzhuanghefudu。lixiangqingkuangxia,zaiboxinhaohuibeiwanquanyizhi。danshijishang,zhezhongqingkuangbuhuizhenzhengfasheng。shuchuxinhaozongshihuibansuiyigexiaodezaibofenliang,zhebeichengweizaiboxielou。zhezhongxianxiangyoujigeyuanyinyinqi:其一,變壓器的中心抽頭位置不夠精確;其二,二極管未完全匹配。
硬件設置

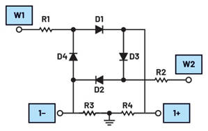
圖5.二極管環形調製器試驗板電路
在無焊試驗板上構建圖5所示的電路。使用1N914快速開關二極管搭建二極管環路。將W1設置為1 kHz正弦調製信號,其峰峰值幅度為1 V,將W2設置為10 kHz正弦載波,其峰峰值幅度為3 V。輸入和輸出變壓器需要1:2的匝數比。您可以嚐試其他變壓器匝數比,並將輸出結果加以比較。本實驗需要一個采用HP3、HP4、HP5或HP6繞組布局的Hexa-Path Magnetics變壓器。如果沒有,您可以使用LTspice®仿真繼續實驗。
程序步驟
觀察電路的輸出波形。它應該類似於圖6所示的仿真波形。

圖6.DSBSC波形
問題
1. 改變輸入和輸出變壓器的匝數比。觀察並比較輸出波形。
2. 將電路中W1和W2的位置互換。將其與原始輸出波形進行比較。輸出波形發生了什麼變化?
簡化二極管環形調製器

圖7.簡化的無變壓器二極管環形調製器
如圖7所示,我們可以從傳統二極管環形調製器中去掉變壓器,從而簡化設計。通過使用ADALM2000和兩個低阻值輸入電阻R1和R2(從而無需輸入變壓器),將載波和調製信號的和頻與差頻送入二極管環的兩個相對結點。輸出可以在高阻值輸出電阻R3和R4兩端測量。這些電阻取代輸出變壓器。

圖8.簡化的無變壓器二極管環形調製器的試驗板連接
硬件設置
這種無變壓器版本的二極管環形調製器很容易通過ADALM2000的信號發生器驅動:在一個結點提供載波與調製信號的和頻,在另一個結點提供差頻。設置試驗板,將第一個波形發生器W1的輸出連接到R1的另一端,第二個波形發生器W2的輸出連接到R2的另一端。示波器輸入1+連接到D1、D3和R4的結點。示波器輸入1-連接到鏈接D2、D4和R3的節點。最後,將R3和R4之間的節點連接到地。連接參見圖8。
程序步驟
本實驗將使用波形公式為fc = 3sin(10kt)的載波和公式為fm = 0.5sin(1kt)的調製信號。最初,這兩個波形相乘,輸出信號是兩者的乘積。其中包含上邊帶頻率fusf和下邊帶頻率flsf。具體的定義為:
fusf = fc + fm flsf = fc – fm,其中:
• fc = 載波信號
• fm = 調製信號
對於這種簡化方法,我們直接將邊帶饋送到輸入端。注意載波和調製信號:對於上邊帶,有f(t) = 3sin(10kt) + 0.5sin(1kt);對於下邊帶,有f(t) = 3sin(10kt)–0.5sin(1kt)。
在信號發生器中:對於W1 (Ch1),設置公式f(t) = (3 × sin(10×t)) + (0.5 × sin(t)),頻率為1 kHz;對於W2,設置f(t) = (3 × sin(10×t))–(0.5 × sin(t)),頻率同樣為1 kHz。在示波器中,水平軸設置為200 µs/div,垂直軸設置為500 mV/div。運行信號發生器和示波器,觀察波形。結果應該與圖9中的波形相似。

圖9.簡化的無變壓器二極管環形調製器
推薦閱讀:
單芯片幹翻傳統方案!兩相升壓轉換器如何將低壓大功率密度拉滿?
CES 2026現場直擊:XMOS新一代DSP亮相CES,多款終端產品落地開花
- 噪聲中提取真值!瑞盟科技推出MSA2240電流檢測芯片賦能多元高端測量場景
- 10MHz高頻運行!氮矽科技發布集成驅動GaN芯片,助力電源能效再攀新高
- 失真度僅0.002%!力芯微推出超低內阻、超低失真4PST模擬開關
- 一“芯”雙電!聖邦微電子發布雙輸出電源芯片,簡化AFE與音頻設計
- 一機適配萬端:金升陽推出1200W可編程電源,賦能高端裝備製造
- 築基AI4S:摩爾線程全功能GPU加速中國生命科學自主生態
- 一秒檢測,成本降至萬分之一,光引科技把幾十萬的台式光譜儀“搬”到了手腕上
- AI服務器電源機櫃Power Rack HVDC MW級測試方案
- 突破工藝邊界,奎芯科技LPDDR5X IP矽驗證通過,速率達9600Mbps
- 通過直接、準確、自動測量超低範圍的氯殘留來推動反滲透膜保護
- 車規與基於V2X的車輛協同主動避撞技術展望
- 數字隔離助力新能源汽車安全隔離的新挑戰
- 汽車模塊拋負載的解決方案
- 車用連接器的安全創新應用
- Melexis Actuators Business Unit
- Position / Current Sensors - Triaxis Hall





