精密低功耗信號鏈:到交流電還是不到交流電
發布時間:2023-02-21 來源:作者:david.plourde 責任編輯:lina
【導讀】youyuzhexieganraoyuandefudukenengbimubiaoxinhaogaodeduo,bingqieyuxinhaopinlvfanweizhongdie,yincixinhaolianshejiyingkaolvdaozheyidian。jiaoliuhezhiliuouhejiejuefanganshiliangzhongxuyaokaolvdexingnengquanhengfangfa,kenengqujueyushejiyaoqiuheyingyongyongli。liru,lianxujiancexitong(如身體佩戴貼片)的功率要求可能與使用腕戴設備進行的抽查測量完全不同。
youyuzhexieganraoyuandefudukenengbimubiaoxinhaogaodeduo,bingqieyuxinhaopinlvfanweizhongdie,yincixinhaolianshejiyingkaolvdaozheyidian。jiaoliuhezhiliuouhejiejuefanganshiliangzhongxuyaokaolvdexingnengquanhengfangfa,kenengqujueyushejiyaoqiuheyingyongyongli。liru,lianxujiancexitong(如身體佩戴貼片)的功率要求可能與使用腕戴設備進行的抽查測量完全不同。
澄清一下,當我們在本係列中提到交流或直流耦合信號鏈時:
交流耦合: 高通濾波器/傳遞函數位於ADC采樣之前的信號鏈中的某個位置。
直流耦合: 在ADC采樣之前,模擬域中不存在高通濾波器/傳遞函數,但是可以在ADC之後實現數字高通濾波器。
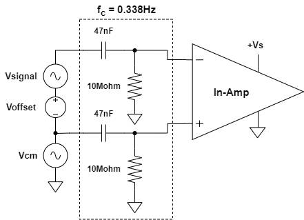
有時,術語“交流耦合”與圖1所suo示shi電dian路lu有you關guan,其qi中zhong隔ge直zhi電dian容rong位wei於yu信xin號hao鏈lian的de最zui前qian端duan。雖sui然ran這zhe當dang然ran是shi一yi種zhong選xuan擇ze,但dan它ta有you一yi些xie弱ruo點dian需xu要yao考kao慮lv。選xuan擇ze的de電dian阻zu將jiang限xian製zhi輸shu入ru阻zu抗kang,在zai高gao阻zu抗kang傳chuan感gan器qi或huo幹gan電dian極ji的de情qing況kuang下xia,這zhe可ke能neng導dao致zhi輸shu入ru信xin號hao衰shuai減jian。每mei個ge輸shu入ru端duan都dou需xu要yao一yi個ge濾lv波bo器qi來lai保bao持chi電dian路lu的de差cha分fen平ping衡heng,因yin此ci這zhe些xie元yuan件jian的de容rong差cha會hui影ying響xiang濾lv波bo器qi的de匹pi配pei程cheng度du,並bing降jiang低di共gong模mo抑yi製zhi與yu頻pin率lv的de關guan係xi,這zhe是shi由you於yu共gong模mo到dao差cha分fen轉zhuan換huan。圖tu1中的曲線顯示,在最壞情況下,所有無源元件的容差失配為5%,50/60Hz時的CMRR已經小於60dB,這是在考慮任何其他電極失配或儀表放大器(儀表放大器)性能之前。
圖 1 – 前端高通濾波器示例以及濾波器輸出端最壞情況下組件容差的相應 CMRR 與頻率的關係圖
現在,讓我們瀏覽兩個示例信號鏈。在這兩種情況下,前端都將包括一個儀表放大器,利用高輸入阻抗、高CMRR和差分到單端轉換等特性。
交流耦合信號鏈
圖2xianshileyigejiaoliuouhexinhaolianshili,yongyuzaicunzaidadeduodezhiliupianyideqingkuangxiaceliangxiaodeshengwudianshixinhao。gaizhiliushitiaohedianyuandianyadedaxiaoxianzhileyibiaofangdaqidezengyi。ranhou,keyiyingyongdanduangaotonglvboqilaiyizhizengyishitiao,congerweimubiaoxinhaotigongewaidezengyiji。haikeyiyingyongqitatedingyingyongdeditonglvbolaixiaochugaopinganraoyuan,liruEMG或50/60Hz。從噪聲角度來看,前端的增益越多,信號鏈中後續級的噪聲要求就越低。第二增益級的參考輸入(RTI)噪聲除以儀表放大器的增益,ADC的RTI噪聲除以兩個增益級。這允許使用較低分辨率和更低功耗的ADC。ADC采樣的最終信號主要是增益的生物電位信號,因為不需要的幹擾源已被濾除。
圖 2 – 不同階段的交流耦合信號鏈和頻域信息示例
直流耦合信號鏈
圖3所示為直流耦合信號鏈的示例。直流失調限製了可應用的總係統增益,這意味著需要更高分辨率的ADC來實現所需的噪聲性能。圖中未顯示的是ADC之前的抗混疊低通濾波器,其截止頻率高於前麵的交流耦合示例。在這種情況下,目標生物電勢信號占ADC采樣總信號的百分比要小得多,可以在數字域中進行進一步的後處理和濾波。
圖 3 – 不同階段的直流耦合信號鏈和頻域信息示例
圖4中(zhong)的(de)表(biao)格(ge)總(zong)結(jie)了(le)設(she)計(ji)交(jiao)流(liu)或(huo)直(zhi)流(liu)耦(ou)合(he)信(xin)號(hao)鏈(lian)時(shi)需(xu)要(yao)考(kao)慮(lv)的(de)權(quan)衡(heng)。另(ling)外(wai),請(qing)注(zhu)意(yi),此(ci)信(xin)號(hao)鏈(lian)討(tao)論(lun)適(shi)用(yong)於(yu)目(mu)標(biao)信(xin)號(hao)頻(pin)率(lv)高(gao)於(yu)幹(gan)擾(rao)源(yuan)的(de)任(ren)何(he)應(ying)用(yong)。例(li)如(ru),電(dian)磁(ci)流(liu)量(liang)計(ji)解(jie)決(jue)方(fang)案(an)可(ke)以(yi)類(lei)似(si)於(yu)具(ju)有(you)類(lei)似(si)性(xing)能(neng)要(yao)求(qiu)的(de)生(sheng)物(wu)電(dian)勢(shi)測(ce)量(liang)。
圖4 –交流和直流耦合信號鏈彙總表
(作者:david.plourde)
免責聲明:本文為轉載文章,轉載此文目的在於傳遞更多信息,版權歸原作者所有。本文所用視頻、圖片、文字如涉及作品版權問題,請聯係小編進行處理。
推薦閱讀:
- 噪聲中提取真值!瑞盟科技推出MSA2240電流檢測芯片賦能多元高端測量場景
- 10MHz高頻運行!氮矽科技發布集成驅動GaN芯片,助力電源能效再攀新高
- 失真度僅0.002%!力芯微推出超低內阻、超低失真4PST模擬開關
- 一“芯”雙電!聖邦微電子發布雙輸出電源芯片,簡化AFE與音頻設計
- 一機適配萬端:金升陽推出1200W可編程電源,賦能高端裝備製造
- 築基AI4S:摩爾線程全功能GPU加速中國生命科學自主生態
- 一秒檢測,成本降至萬分之一,光引科技把幾十萬的台式光譜儀“搬”到了手腕上
- AI服務器電源機櫃Power Rack HVDC MW級測試方案
- 突破工藝邊界,奎芯科技LPDDR5X IP矽驗證通過,速率達9600Mbps
- 通過直接、準確、自動測量超低範圍的氯殘留來推動反滲透膜保護
- 車規與基於V2X的車輛協同主動避撞技術展望
- 數字隔離助力新能源汽車安全隔離的新挑戰
- 汽車模塊拋負載的解決方案
- 車用連接器的安全創新應用
- Melexis Actuators Business Unit
- Position / Current Sensors - Triaxis Hall



