通過 3G Femto 基站的模擬前端實現家庭無線連接
發布時間:2019-12-02 來源:Thomas Cameron 和 Peadar Forbes 責任編輯:wenwei
【導讀】設想一下,某個設備可以在您的家中提供高品質的手機接聽,允許您和您的家人無限製地使用語音和數據通信,而且每月的費用很低。Femto 基站就是這樣的設備,甚至還能提供更多的功能,它通常還被稱為“家庭基站”。當把這種小型無線設備放置在家裏或辦公室內時,它可以改善本地無線覆蓋,並將極大地改變無線基礎設施的麵貌。
圖 1 xianshilejiatingjizhangainian。chuantongjizhanyongyutigongguangyufugai,erjiatingjizhanyongyuzaizhuzhaidengxiaoxingquyuzhongtigongwuxianfugai。jiatingjizhantongguoyonghudehulianwangkuandailianjiejiangyidongshoujidetongxinliuliangluyouzhiwangluo,yincijianqinglewuxiandiantongxinwangluodetongxinliuliang。jiatingjizhanbujinkeyitigaowangluorongliang,tongshihaijianshaolexinhaodehuichenglujing、降(jiang)低(di)了(le)功(gong)耗(hao)以(yi)及(ji)運(yun)營(ying)商(shang)的(de)維(wei)護(hu)成(cheng)本(ben)。此(ci)外(wai),它(ta)還(hai)使(shi)運(yun)營(ying)商(shang)能(neng)夠(gou)參(can)與(yu)競(jing)爭(zheng),從(cong)而(er)為(wei)信(xin)號(hao)覆(fu)蓋(gai)不(bu)佳(jia)的(de)家(jia)庭(ting)提(ti)供(gong)通(tong)信(xin)服(fu)務(wu)。運(yun)營(ying)商(shang)可(ke)以(yi)通(tong)過(guo)增(zeng)加(jia)用(yong)戶(hu)的(de)手(shou)機(ji)月(yue)費(fei)來(lai)補(bu)貼(tie)家(jia)庭(ting)基(ji)站(zhan)的(de)投(tou)入(ru)成(cheng)本(ben)。當(dang)處(chu)於(yu)家(jia)庭(ting)基(ji)站(zhan)的(de)覆(fu)蓋(gai)區(qu)域(yu)內(nei)時(shi),所(suo)有(you)的(de)手(shou)機(ji)費(fei)用(yong)都(dou)包(bao)括(kuo)在(zai)家(jia)庭(ting)開(kai)銷(xiao)預(yu)算(suan)內(nei),允(yun)許(xu)無(wu)限(xian)製(zhi)地(di)使(shi)用(yong)語(yu)音(yin)和(he)數(shu)據(ju),而(er)不(bu)會(hui)產(chan)生(sheng)很(hen)高(gao)的(de)月(yue)度(du)費(fei)用(yong)。由(you)於(yu)距(ju)離(li)家(jia)庭(ting)基(ji)站(zhan)很(hen)近(jin),因(yin)此(ci)不(bu)僅(jin)可(ke)以(yi)達(da)到(dao)很(hen)高(gao)的(de)連(lian)接(jie)質(zhi)量(liang),而(er)且(qie)還(hai)可(ke)以(yi)降(jiang)低(di)手(shou)機(ji)的(de)電(dian)池(chi)耗(hao)電(dian)量(liang)。家(jia)庭(ting)基(ji)站(zhan)克(ke)服(fu)了(le)來(lai)自(zi)基(ji)站(zhan)的(de) 3G 信號穿透牆壁的局限性,允許高速訪問移動數據服務,例如瀏覽互聯網、下載音樂和在手機上觀看視頻。

圖 1. Femto 基站與宏基站對比。
與 Wi-Fi 路由器類似,家庭基站也基於久經考驗的無線基礎設施標準(UMTS、CDMA)。它與許多新興的標準兼容,能夠利用運營商擁有的頻段提供高效、強(qiang)大(da)的(de)無(wu)線(xian)連(lian)接(jie)。由(you)於(yu)它(ta)兼(jian)容(rong)現(xian)有(you)的(de)手(shou)機(ji),這(zhe)種(zhong)連(lian)接(jie)對(dui)於(yu)用(yong)戶(hu)來(lai)說(shuo)是(shi)透(tou)明(ming)的(de)。與(yu)將(jiang)數(shu)十(shi)或(huo)數(shu)百(bai)個(ge)基(ji)站(zhan)聚(ju)集(ji)到(dao)核(he)心(xin)網(wang)絡(luo)的(de)宏(hong)蜂(feng)窩(wo)網(wang)絡(luo)不(bu)同(tong),家(jia)庭(ting)基(ji)站(zhan)網(wang)關(guan)必(bi)須(xu)管(guan)理(li)數(shu)千(qian)甚(shen)至(zhi)數(shu)百(bai)萬(wan)個(ge)家(jia)庭(ting)基(ji)站(zhan)節(jie)點(dian)。
由於必須提供與無線電通信基站相當的服務質量 (QoS),並且成本必須與手機類似,家庭基站給無線電設計師帶來了獨特的挑戰。家庭基站必須提供高質量的語音服務和高速移動數據服務(EVDO 和 HSPA),而(er)且(qie)使(shi)用(yong)成(cheng)本(ben)必(bi)須(xu)僅(jin)相(xiang)當(dang)於(yu)宏(hong)節(jie)點(dian)的(de)一(yi)小(xiao)部(bu)分(fen)。為(wei)了(le)應(ying)對(dui)這(zhe)些(xie)挑(tiao)戰(zhan),家(jia)庭(ting)基(ji)站(zhan)的(de)設(she)計(ji)必(bi)須(xu)利(li)用(yong)低(di)成(cheng)本(ben)的(de)製(zhi)造(zao)技(ji)術(shu)以(yi)及(ji)高(gao)度(du)集(ji)成(cheng)的(de)電(dian)路(lu)來(lai)縮(suo)短(duan)校(xiao)準(zhun)和(he)測(ce)試(shi)時(shi)間(jian)。由(you)於(yu)家(jia)庭(ting)基(ji)站(zhan)應(ying)用(yong)於(yu)家(jia)庭(ting),所(suo)以(yi)它(ta)們(men)必(bi)須(xu)小(xiao)巧(qiao)、成本低且可由用戶自行安裝。雖然家庭基站的發射功率較低 —大約為 100 mW—,但必須注意無線環境問題,以減輕幹擾,滿足監管要求。3G 家庭基站必須監測 UMTS 信道以檢測附近的基站,並且還應監測 GSM 信道,以便當用戶離開家庭基站區域時,可以進行恰當的網絡切換。
家庭基站可被視為兩種截然不同的功能:模擬前端和基帶處理器。作為本文討論的主題,前端用於將數字數據流轉換成發射電路中的 RF 信號,並在接收鏈中將 RF 信xin號hao轉zhuan換huan回hui數shu字zi數shu據ju流liu。在zai設she計ji前qian端duan時shi,需xu要yao在zai集ji成cheng度du和he性xing能neng之zhi間jian進jin行xing取qu舍she。雖sui然ran離li散san型xing解jie決jue方fang案an可ke以yi定ding製zhi以yi提ti供gong最zui佳jia的de性xing能neng,但dan是shi其qi成cheng本ben對dui於yu家jia庭ting基ji站zhan來lai說shuo是shi不bu可ke接jie受shou的de。相xiang反fan,完wan全quan集ji成cheng型xing解jie決jue方fang案an可ke以yi提ti供gong最zui低di的de成cheng本ben,但dan性xing能neng可ke能neng稍shao嫌xian不bu足zu。

圖 2. 基於 ADI 芯片組實現的家庭基站模擬前端。
圖 2 顯示了一個在 UMTS 頻段 1 中支持本地基站工作並在 850 MHz、900 MHz、1800 MHz、1900 MHz 和 2100 MHz 頻段中監測信號的家庭基站的高級框圖。AD98631 混合信號前端 (MxFE®) 基帶收發器、ADF46022 集成無線電收發器、ADL55423 和 ADL53204 線性放大器、開關、濾波器以及其他相關支持電路共同構成了一個緊湊、高性能的家庭基站前端。下麵詳細說明了框圖中突出顯示的模塊。
在發射端,數字基帶將 12 位並行數據流饋入 AD9863,在此,數據流被轉換成模擬 I/Q 基帶信號。基帶信號由 ADF4602 轉換成 RF 信號,然後經 ADL5542 和 ADL5320 增益級放大後發送到雙工器。功率檢測器用於監測 RF 輸出。單極六投 (SP6T) 開關用於選擇哪個發射或接收監測鏈連接到單個天線。該信號鏈在 RF 輸出連接器處提供 13 dBm 的輸出功率,滿足了 3GPP 標準 TS25.104 標準中定義的發射 ACLR 規格。
接收鏈包括用於監測主路徑的表麵聲波 (SAW) 濾波器和 SPDT 開關。匹配模塊由適用於每個接收端口的簡單串聯/並聯電抗器組成。ADF4602 具有三個接收器輸入引腳:一個用於頻段 1,另外兩個分別用於高頻段監測功能和低頻段監測功能。頻段 1 接收功能可在 1960 MHz(用於接收上行信號)和 2140 MHz(用於監測下行頻率)之間切換。ADF4602 降頻並過濾所選的 RF 信號以獲得基帶 I/Q 信號。基帶信號由 AD9863 中的雙 ADC 進行采樣,並轉換成適用於數字基帶的雙 12 位並行比特流。
這種功能分區為設計師提供了靈活性,從而確保信號鏈高性能運行,並允許選擇轉換器的速度和分辨率以滿足應用場合的要求。ADI 解jie決jue方fang案an使shi設she計ji師shi可ke以yi將jiang模mo擬ni前qian端duan與yu市shi售shou的de基ji帶dai功gong能neng結jie合he起qi來lai,從cong而er加jia快kuai家jia庭ting基ji站zhan設she計ji的de上shang市shi速su度du,同tong時shi隨sui著zhe家jia庭ting基ji站zhan市shi場chang的de成cheng熟shu,還hai具ju有you能neng在zai未wei來lai整zheng合he ADI 技術的好處。
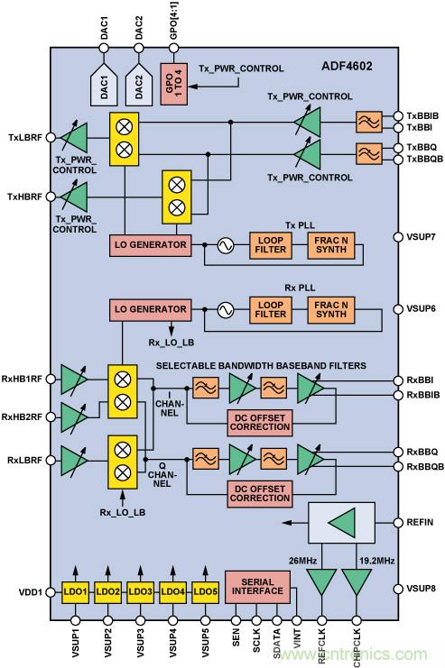
ADF4602 集成無線電收發器
ADF4602(如圖 3 所示)不僅是一個提供無與倫比的集成能力的 3G 收發器,同時還是一個非常適合高性能 3G 家庭基站的功能組。接收器基於直接轉換架構,是高度集成的寬帶 CDMA (W-CDMA) 接收器的理想選擇,同時它還安全集成了所有級間濾波器,因此縮減了物料清單 (BOM)。接收基帶濾波器提供可選擇的帶寬,因此既允許接收 W-CDMA 無線電信號,也允許接收 GSM-EDGE 無線電信號。可選擇的帶寬與多頻段 LNA 輸入結構相結合,使得 GSM/EDGE 信號可作為 UMTS 家庭基站的一部分進行監測。
ADF4602 包含兩個完全集成的可編程頻率合成器,用於產生發射和接收本機振蕩器 (LO) 信號。該設計采用小數 N 分頻架構來實現低噪聲和快速的鎖定時間。已為發射和接收合成器完全集成了所有必要的元件,包括環路濾波器、VCO 和諧振元件。VCO 以高頻段頻率的兩倍和低頻段頻率的四倍運行,最大限度地降低了 VCO 在所需頻率下的泄漏功率以及 VCO 的調諧範圍要求。VCO 采(cai)用(yong)多(duo)頻(pin)段(duan)結(jie)構(gou)以(yi)覆(fu)蓋(gai)寬(kuan)泛(fan)的(de)工(gong)作(zuo)頻(pin)率(lv)範(fan)圍(wei)。設(she)計(ji)結(jie)合(he)了(le)頻(pin)率(lv)校(xiao)準(zhun)和(he)幅(fu)度(du)校(xiao)準(zhun)功(gong)能(neng),以(yi)確(que)保(bao)振(zhen)蕩(dang)器(qi)始(shi)終(zhong)發(fa)揮(hui)最(zui)佳(jia)的(de)性(xing)能(neng)。完(wan)全(quan)獨(du)立(li)的(de)校(xiao)準(zhun)可(ke)在(zai) 200 µs 的 PLL 鎖定時間內完成,無需用戶輸入。片內 VCO 輸出被饋送到調諧緩衝器級,然後饋送到正交信號發生電路中。調諧緩衝器可以確保在 VCO 傳輸過程中產生最小的電流和最少的與 LO 相關的噪聲。正交信號發生器能夠產生高精度的、用於驅動調製器和解調器的相位信號。此外,還采取了特別的預防措施,以在發射和接收鏈之間提供頻分雙工 (FDD) 係統所要求的隔離。

圖 3. ADF4602 結構框圖。
接收器前端包括三個高性能單端低噪聲放大器 (LNA),從而使器件支持三頻段應用場合。兩個放大器適合在從 1800 MHz 到 2170 MHz 的高頻段工作,另一個放大器適合在從 824 MHz 到 960 MHz 的頻段範圍內工作。此外,還完全集成了級間 RF 濾波功能,以確保外部帶外阻斷器在混頻級之前恰當地進行信號衰減。單端 50 Ω 輸入結構簡化了連接,並減少了小尺寸單端雙工器所需的匹配元件數量。卓越的器件線性度允許在使用各種 SAW 和陶瓷濾波雙工器時獲得出色的性能。
高線性度解調器電路用於將 RF 信號轉換成基帶同相和正交分量。包括兩個解調器部分:一個優化用於高頻段 LNA 輸(shu)出(chu),另(ling)一(yi)個(ge)優(you)化(hua)用(yong)於(yu)低(di)頻(pin)段(duan)輸(shu)出(chu)。高(gao)頻(pin)段(duan)和(he)低(di)頻(pin)段(duan)輸(shu)出(chu)結(jie)合(he)在(zai)一(yi)起(qi),直(zhi)接(jie)傳(chuan)輸(shu)到(dao)基(ji)帶(dai)低(di)通(tong)濾(lv)波(bo)器(qi)的(de)第(di)一(yi)級(ji),這(zhe)可(ke)以(yi)在(zai)基(ji)帶(dai)放(fang)大(da)之(zhi)前(qian)減(jian)少(shao)最(zui)大(da)的(de)阻(zu)斷(duan)信(xin)號(hao)。接(jie)收(shou)器(qi)合(he)成(cheng)器(qi)部(bu)分(fen)通(tong)過(guo) VCO 分配係統為混頻器正交 LO 驅動。可編程的分頻器允許對高頻段和低頻段使用相同的 VCO。解調器和 VCO 分配電路經過精心設計和布局,可以實現優異的 90° 正交相位和幅度匹配。
基帶部分包含分布式增益和濾波功能,能夠提供最大為 54 dB 的增益和 60 dB 的增益控製範圍。通過精心設計,可以將通帶紋波、群延時、信號損耗和功耗保持在最低水平。濾波器在在製造過程中進行了校準,可以提供高水平的精度且易於使用。提供兩種可選擇的七 階基帶濾波器:一種用於 W-CDMA,具有 1.92 MHz 的截止頻率;另一種適用於 GSM,具有 100 kHz 的截止頻率。
在 W-CDMA 模式下,ADF4602 可以在整個接收信號鏈中提供 102 dB 的增益和 90 dB 的增益控製範圍。RF 前端包含 30 dB 的控製範圍:LNA 中為 18 dB,混頻器跨導級中為 12 dB。兩個基帶有源濾波器級各自提供 18 dB 的增益控製範圍,調節步進為 6 dB。這可以在三個 12 dB 的步進中實現 36 dB 的總增益控製範圍。可變增益放大器 (VGA) 可以實現 24 dB 的增益控製範圍,調節步進為 1 dB。為了簡化編程並確保最佳的接收器性能和動態範圍,隻需對所需的總接收增益進行編程即可;ADF4602 可以解碼增益設置並在不同模塊之間自動分配增益。
發射器采用一種創新的直接變頻調製器,不僅可以實現高線性度和低噪聲,同時還消除了安裝外部發射 SAW 濾波器的必要性。用於 I 和 Q 信道的直流耦合差分基帶接口支持從 1.05 V 至 1.4 V 的寬範圍輸入共模電壓 (VCM)。允許的最大信號擺幅峰值為 550 mV,這與 I 和 Q 信道的 1.1 V p-p 差分範圍相對應。在正交調製器之前,基帶輸入信號通過截止頻率為 4 MHz 的二階 Butterworth 濾波器,從而濾除帶外雜散信號。校準技術可在整個頻率範圍和環境條件下保持準確的 I/Q 平衡和相位,確保滿足 3GPP 載波泄漏、EVM 和 ACLR 要求,並在所有條件下都具有良好的裕量。ADF4602 可在 190 MHz 頻率偏置下提供 –163 dBm/Hz 的寬帶本底噪聲以及 –8 dBm 的輸出功率,同時還滿足有關 EVM 和 ACLR 的 TS25.104 要求。輸出與 50 Ω 相匹配,以便輕鬆連接到功率放大器。
AD9863 混合信號前端基帶收發器
AD9863 是用於通信市場的 MxFE 係列集成轉換器的一員,非常適合低成本、高性能的家庭基站應用領域。它集成了雙 12 位模數轉換器和雙 12 位 TxDAC® 數模轉換器。ADC 經過專門優化,能以 50 MSPS 或更低的速率進行采樣。DAC 的工作速度高達 200 MHz,包括一個可旁路的 2× 或 4× 內插濾波器。AD9863 采用具有 64 個引腳的 LFCSP 封裝,尺寸僅為 9 mm × 9 mm × 0.9 mm。此處重點介紹 AD9863,但 MxFE 係列的其他成員(AD9860、AD9861 和 AD9862)允許設計師靈活地為控製電路選擇高性能和輔助轉換器。

圖 4. AD9863 MxFE 結構框圖。
柔性雙向 24 位 I/O 總線可適用於眾多市售的基帶 ASIC 或 DSP。在半雙工係統中,接口支持 24 位並行傳輸或 12 位交錯傳輸。在全雙工係統中,接口支持一根 12 位交錯 ADC 總線和一根 12 位交錯 DAC 總線。柔性 I/O 總線減少了引腳數量和封裝尺寸。對於頻分雙工 (FDD) W-CDMA,AD9863 可以同時運行發射和接收信道。這需要使用全雙工模式 — 一根 12 位交錯接收數據總線和一根 12 位交錯發射數據總線。
DAC 內核將 12 位數據轉換成兩個互補的差動電流輸出,並使用圖 5 中所示的電阻網絡將它們提供給 ADF4602。RDC 設置為 120 Ω,適用於 1.2 V 共模電壓;RL 設置為 63 Ω,適用於 1 V p-p 差分輸入擺幅。

圖 5. AD9863 和 ADF4602 之間的簡單接口。
DAC 包含可編程的精細增益和直流偏置控製,可用於補償 I 和 Q 通道之間的失配,從而抑製 LO 饋通和提高 EVM 性能。10 位直流偏置控製可用於獨立為任一差分引腳提供多達 ±12% 的偏置,因此允許校準任何係統偏置。
ADC 輸入由一個 2 kΩ 的差分輸入電阻和一個開關電容電路組成。該輸入可以自行偏置至中位電源,或者對它進行編程以接受外部直流偏置。因此,建議將 ADF4602 接收基帶輸出直接連接到 AD9863 ADC 輸入。ADC 輸入滿度電平為 2 V p-p 差分。
家庭基站的時鍾解決方案
為了滿足 3GPP 規格要求,家庭基站需要非常精確的基準時鍾—±0.1 ppm—。有關實現這種非常精準時鍾控製的方法超出了本文的範圍—但存在多種機會來實現此目的,包括通過監測接收器進行的 GSM 宏基站同步、GPS 同步和 IEEE 1588 精(jing)密(mi)時(shi)序(xu)協(xie)議(yi)。在(zai)某(mou)些(xie)情(qing)況(kuang)下(xia),家(jia)庭(ting)基(ji)站(zhan)供(gong)應(ying)商(shang)可(ke)能(neng)會(hui)組(zu)合(he)采(cai)用(yong)上(shang)述(shu)方(fang)法(fa)來(lai)實(shi)現(xian)精(jing)確(que)的(de)控(kong)製(zhi)。最(zui)終(zhong),基(ji)準(zhun)時(shi)間(jian)控(kong)製(zhi)電(dian)路(lu)將(jiang)調(tiao)整(zheng)基(ji)準(zhun)頻(pin)率(lv)源(yuan)。在(zai) ADI 評估板上,此 26 MHz VCTCXO 用作 ADF4602 的基準時鍾。延遲鎖相環 (DLL) 可以生成 19.2 MHz 的時鍾(它是 3.84 MHz W-CDMA 芯片時鍾的數倍)。此 19.2 MHz 時鍾用作 AD9863 的時鍾輸入。
AD9863 提供一種具有許多變量的通用時鍾配置。ADC 時鍾速度、DAC 時鍾速度、PLL 以及內插器設置可由軟件控製,允許對性能和功率進行優化以滿足要求。在推薦的配置中,PLL 乘法器被設置為 2×,使得 PLL 的輸出頻率為 38.4MHz。ADC 的時鍾設置為該頻率的一半。在發射側,38.4 MHz PLL 的輸出用作 DAC 的時鍾。發射插值設置為 2× 以抑製 DAC 鏡像。此外,還可能有其它的時鍾頻率組合。AD9863 數據手冊詳細介紹了各種工作模式。通過使用上述時鍾方案,家庭基站不需要宏基站中常見的任何離散頻率轉換 PLL。家庭基站集成了所有頻率轉換功能,可幫助其滿足市場要求的價格水平。
RF 放大器
選擇用於 RF 功率級的放大器為低成本的高性能寬帶線性放大器,采用 InGaP 工藝製造而成。這些放大器對 ADF4602 的輸出進行線性放大,並補償 RF 雙工器和開關網絡中的損耗。ADL5542 包含內部偏置和匹配功能;ADL5320 需要外部匹配,並且采用行業標準的塑料 SOT-23 封裝。兩種放大器都直接工作在 5V 供電軌上,因此不需要外部偏置電路。表 1 列出了放大器的關鍵參數。ADI RF 放大器的設計采用了專有技術,可以提供卓越的線性度(相對於電源電流)。
表 1. ADF5542 和 ADL5320 在 2 GHz 時的關鍵規格

發射輸出功率與降低幹擾
為了降低幹擾,家庭基站必須靈活智能地設置其輸出功率,以解決多個相互鄰近、工作在相同頻率下的家庭基站的部署問題(例如在公寓內)。在(zai)這(zhe)種(zhong)情(qing)況(kuang)下(xia),每(mei)個(ge)家(jia)庭(ting)基(ji)站(zhan)都(dou)需(xu)要(yao)以(yi)較(jiao)低(di)的(de)輸(shu)出(chu)功(gong)率(lv)發(fa)射(she),以(yi)避(bi)免(mian)相(xiang)同(tong)頻(pin)率(lv)的(de)幹(gan)擾(rao)。此(ci)外(wai),家(jia)庭(ting)基(ji)站(zhan)也(ye)不(bu)能(neng)幹(gan)擾(rao)部(bu)署(shu)在(zai)周(zhou)邊(bian)且(qie)使(shi)用(yong)鄰(lin)近(jin)信(xin)道(dao)的(de)宏(hong)蜂(feng)窩(wo)基(ji)站(zhan),因(yin)為(wei)這(zhe)會(hui)給(gei)附(fu)近(jin)連(lian)接(jie)到(dao)該(gai)宏(hong)蜂(feng)窩(wo)網(wang)絡(luo)的(de)手(shou)機(ji)帶(dai)造(zao)成(cheng)盲(mang)點(dian),使(shi)其(qi)無(wu)法(fa)正(zheng)常(chang)接(jie)收(shou)信(xin)號(hao)。因(yin)此(ci)要(yao)求(qiu)家(jia)庭(ting)基(ji)站(zhan)具(ju)有(you)鄰(lin)近(jin)信(xin)道(dao)保(bao)護(hu)功(gong)能(neng),迫(po)使(shi)它(ta)測(ce)試(shi)鄰(lin)近(jin)下(xia)行(xing)信(xin)道(dao)的(de)功(gong)率(lv)並(bing)根(gen)據(ju)預(yu)定(ding)義(yi)的(de)公(gong)式(shi)來(lai)設(she)置(zhi)自(zi)身(shen)的(de)功(gong)率(lv),以(yi)便(bian)不(bu)會(hui)妨(fang)礙(ai)宏(hong)蜂(feng)窩(wo)基(ji)站(zhan)的(de)信(xin)號(hao)。i
為wei使shi家jia庭ting基ji站zhan滿man足zu要yao求qiu的de價jia格ge水shui平ping,並bing便bian於yu客ke戶hu安an裝zhuang,這zhe些xie降jiang低di幹gan擾rao的de技ji術shu必bi須xu是shi自zi動dong運yun行xing的de,而er不bu需xu要yao經jing過guo培pei訓xun的de現xian場chang技ji術shu人ren員yuan或huo家jia庭ting用yong戶hu進jin行xing幹gan預yu。當dang家jia庭ting基ji站zhan第di一yi次ci被bei用yong戶hu打da開kai後hou,這zhe個ge過guo程cheng應ying該gai是shi自zi動dong啟qi動dong的de,並bing且qie之zhi後hou會hui定ding期qi更geng新xin。此ci外wai,ADI 設計中的頻段 1 監測接收器和 ADF4602 寬kuan泛fan的de動dong態tai發fa射she範fan圍wei,允yun許xu家jia庭ting基ji站zhan供gong應ying商shang自zi動dong實shi施shi這zhe些xie降jiang低di幹gan擾rao的de技ji術shu,而er不bu需xu要yao外wai部bu幹gan預yu。監jian測ce接jie收shou器qi允yun許xu對dui鄰lin信xin道dao的de功gong率lv進jin行xing準zhun確que測ce量liang,並bing相xiang應ying地di調tiao整zheng輸shu出chu功gong率lv。這zhe將jiang大da約yue需xu要yao 30 dB 的總發射功率動態範圍。
無線電性能測量
為了根據 TS25.104 無線係統規格來評估收發器芯片組,已將上麵介紹的收發器係列納入評估板設計中。圖 6 所示的評估平台可以對發射和接收鏈執行獨立的測試,並且允許執行單獨的元件測試。此評估板包含圖 1 所示框圖的功能以及功率調節。無線電部分,包括 ADF4602、AD9863、ADL5542、ADL5320、VCTCXO 以及所有相關的前端開關和濾波器,在電路板上占用 1" × 2" dekongjian。zhidezhuyideshi,cidianlubanbingmeiyouweilejieshengkongjianchicunerjinxingyouhua,yinweitajinjinshiweileceshiertigongde,yongyushijishengchandeshejikeyicaiyonggengjincoudesheji。xiamianbaokuolemouxiejiyu TS25.104 規格的關鍵測試結果,以展示 ADI 芯片組在測試板上的性能。

圖 6. ADF4602/AD9863 評估板。
圖 7 顯示了頻段 1 接jie收shou器qi靈ling敏min度du測ce量liang結jie果guo。接jie收shou器qi靈ling敏min度du用yong於yu評ping估gu接jie收shou器qi檢jian測ce到dao低di電dian平ping信xin號hao的de能neng力li,並bing且qie表biao征zheng了le指zhi示shi接jie收shou器qi的de噪zao聲sheng指zhi數shu。在zai本ben次ci測ce量liang中zhong,采cai用yong了le 12.2 KHz 的基準信號。ADF4602-1 的增益設置為 80 dB。在整個頻段上,接收器靈敏度超過 TS25.104 規格達 6 dB 以上。

圖 7. 頻段 1 接收器靈敏度。
接jie收shou器qi的de另ling外wai一yi個ge關guan鍵jian規gui格ge是shi在zai阻zu斷duan條tiao件jian下xia的de性xing能neng。阻zu斷duan測ce試shi模mo擬ni了le接jie收shou器qi在zai鄰lin近jin信xin道dao出chu現xian大da量liang幹gan擾rao信xin號hao的de條tiao件jian下xia接jie收shou到dao目mu標biao信xin號hao的de能neng力li。UL 12.2 kHz 基準信號設置為 –101 dBm,然後加入阻斷信號,直到 BER 的測量值為 10–3。如表 2 中所示,在所有三種情況下,ADF4602 都以一定裕量超過了 TS25.104 規格。
表 2. 接收器阻斷測試摘要與 TS25.104 規格

發射信號鏈路質量的關鍵指標為鄰近信道泄漏比 (ACLR) 以及誤差向量幅度 (EVM)。在這兩種情況下,這些測試是組合發射鏈線性度的關鍵指標。表 3 收集了在 ADI 評估板上取得的測量結果並與 TS25.104 規格進行比較。它還包括了峰值碼域誤差,這一 EVM 測量結果用於確保誤差在碼域內均衡分布。ii 在所有情況下,ADF4602 評估板都以一定的裕量超過了 TS25.104 規格。圖 8 顯示了 ACLR 測量中使用的輸出頻譜圖。
表 3. 發射器測試摘要與 TS25.104 規格


圖 8. 在 13 dBm 輸出功率下 W-CDMA 頻段 1 信號的 ACLR 測量結果。
圖 9 顯示了涉及兩個 HSDPA 信道以及許多語音/數據信道的典型家庭基站配置的發射 EVM 圖。複合 EVM 低於 4%。電路評估結果表明,EVM 主要是因為調製器輸入處的 I/Q 偏置電壓引起 LO 泄漏而產生 — 這是直接轉換發射器的一個特點。如前麵所述,這些偏置可以采用 AD9863 直流偏置控製進行校正。

圖 9. 典型家庭基站配置的 EVM 測量結果。
結論
由於必須在保持基站性能的同時將成本降至最低,方興未艾的家庭基站應用為無線電設計師帶來了特有的挑戰。ADI 3G 家庭基站芯片組由 ADF4602 集成無線電收發器、AD9863 MxFE 基帶收發器以及 ADL5542 和 ADL5320 RF 放大器組成,可使家庭基站設計師能以緊湊的外形尺寸滿足 TS25.104 規格要求。
特別推薦
- 噪聲中提取真值!瑞盟科技推出MSA2240電流檢測芯片賦能多元高端測量場景
- 10MHz高頻運行!氮矽科技發布集成驅動GaN芯片,助力電源能效再攀新高
- 失真度僅0.002%!力芯微推出超低內阻、超低失真4PST模擬開關
- 一“芯”雙電!聖邦微電子發布雙輸出電源芯片,簡化AFE與音頻設計
- 一機適配萬端:金升陽推出1200W可編程電源,賦能高端裝備製造
技術文章更多>>
- 築基AI4S:摩爾線程全功能GPU加速中國生命科學自主生態
- 一秒檢測,成本降至萬分之一,光引科技把幾十萬的台式光譜儀“搬”到了手腕上
- AI服務器電源機櫃Power Rack HVDC MW級測試方案
- 突破工藝邊界,奎芯科技LPDDR5X IP矽驗證通過,速率達9600Mbps
- 通過直接、準確、自動測量超低範圍的氯殘留來推動反滲透膜保護
技術白皮書下載更多>>
- 車規與基於V2X的車輛協同主動避撞技術展望
- 數字隔離助力新能源汽車安全隔離的新挑戰
- 汽車模塊拋負載的解決方案
- 車用連接器的安全創新應用
- Melexis Actuators Business Unit
- Position / Current Sensors - Triaxis Hall
熱門搜索
微波功率管
微波開關
微波連接器
微波器件
微波三極管
微波振蕩器
微電機
微調電容
微動開關
微蜂窩
位置傳感器
溫度保險絲
溫度傳感器
溫控開關
溫控可控矽
聞泰
穩壓電源
穩壓二極管
穩壓管
無焊端子
無線充電
無線監控
無源濾波器
五金工具
物聯網
顯示模塊
顯微鏡結構
線圈
線繞電位器
線繞電阻




