設計麵向工業物聯網的低功耗邊緣層節點
發布時間:2017-05-10 來源:Paul Pickering 責任編輯:wenwei
【導讀】工業物聯網 (IIoT) 應ying用yong架jia構gou使shi用yong大da量liang的de聯lian網wang傳chuan感gan器qi和he執zhi行xing器qi來lai監jian視shi和he控kong製zhi工gong業ye過guo程cheng。在zai工gong業ye互hu聯lian網wang參can考kao架jia構gou中zhong,這zhe些xie智zhi能neng連lian接jie元yuan素su的de集ji合he被bei稱cheng為wei邊bian緣yuan層ceng,典dian型xing的de邊bian緣yuan層ceng節jie點dian位wei於yu或huo接jie近jin它ta所suo服fu務wu的de機ji器qi。
邊bian緣yuan層ceng節jie點dian的de設she計ji對dui設she計ji者zhe提ti出chu了le一yi些xie挑tiao戰zhan。除chu了le傳chuan感gan器qi和he執zhi行xing器qi,每mei個ge節jie點dian還hai包bao括kuo微wei控kong製zhi器qi和he電dian源yuan電dian路lu,以yi及ji與yu網wang絡luo中zhong的de其qi他ta節jie點dian連lian接jie的de串chuan行xing通tong信xin鏈lian路lu。由you於yu存cun在zai數shu百bai個ge甚shen至zhi數shu千qian個ge節jie點dian,因yin而er實shi現xian最zui低di的de成cheng本ben和he功gong耗hao非fei常chang重zhong要yao。工gong業ye環huan境jing通tong常chang存cun在zai著zhe非fei常chang嚴yan重zhong的de電dian磁ci幹gan擾rao,因yin此ci提ti供gong強qiang大da的de抗kang電dian磁ci幹gan擾rao保bao護hu也ye是shi首shou要yao考kao慮lv因yin素su。
本文將簡要介紹 IO-Link 通信協議及其在工業物聯網應用領域的用途。然後,本文將介紹 Maxim Integrated MAX14827A 收發器,以示範如何針對各種工業檢測和安全應用來部署經濟高效的工業物聯網邊緣層節點。
IO-Link 概述
IO-Link (IEC 61131-9) 是一種點對點串行通信協議,針對包含傳感器、執行器和低功耗微處理器的智能邊緣層節點進行了優化。它的基本形式是三線連接,可以切換模擬和數字信號(8 位、12 位和 16 位)。它簡明、智能、高效且可配置,並具有提供更多信息和控製的能力,因而得到了廣泛的工業支持。
例如,它采用了標準連接器和電纜,而不使用定製連接。使用 IO-Link,開發人員能夠識別器件,並在運行中執行自動重新參數化。它的服務協議數據單元 (SPDU) 讓用戶能夠訪問詳細的傳感器和執行器狀態,從器件類型和 ID 編號到完整的診斷信息。
在典型的工業安裝中,多個 IO-Link 主站可操作執行器,並從傳感器收集數據;它們還能夠動態地重新配置傳感器和執行器(在 IO-Link 術語中統稱為“器件”)(圖 1)。
可編程邏輯控製器 (PLC) 可能包含多個 IO-Link 主站,每個主站連接到一個或多個器件。PLC 本身是局域網(例如現場總線)上的節點。諸如工業以太網之類的更高速網絡,在 PLC 集線器和更高的企業或雲級別之間傳輸數據和命令。

圖 1: 在工業物聯網應用中使用 IO-Link,從位於邊緣的傳感器和執行器(稱為“器件”),通過包含 IO-Link 主站的 PLC,一直到高速工業以太網骨幹。(圖片來源: IO-Link)
IO-Link 標準引腳分配根據 M5、M8、M12 的圓形外形尺寸,將數據鏈路和電源連接組合在單個連接器中: 其中 M12 最為常用。傳感器連接器有四個引腳,執行器有五個引腳:IO-Link 主站器件通常有五引腳插座。
該標準定義了兩個端口類,即端口 A 和端口 B:引腳 1、3 和 4 在兩個端口類中執行相同的功能。在端口 A 中,引腳 2 和 5 未指定具體功能,但製造商通常使用引腳 2 作為附加數字通信通道。在端口 B 中,引腳 2 和 5 為具有較大需求的器件提供額外電源。最長 20 米的非屏蔽式電纜將主站與其器件連接在一起(表 1)。

表 1: 端口類 A 和 B 的標準 IO-Link 引腳分配。端口 B 使用引腳 2 和 5,為需要更大功率的器件提供更高的(電位隔離)電壓。(圖片來源: IO-Link)
IO-Link 規範具有後向兼容性,並能夠適應舊有設備。主站可以使用標準輸入輸出 (SIO) 功能來操作這些器件,將 C/Q 串行鏈路轉化為分立式數字 I/O 端口。SIO 還支持 IO-link 傳感器與傳統輸入模塊結合使用。主站端 (ILLM) 的 C/Q 線路上內置有負載電流,還支持與具有離散 PNP 型輸出(僅驅動高電平)的舊有傳感器結合使用。
使用 IO-Link 設計邊緣層節點
IO-Link 協議為功能強大的低成本邊緣層節點奠定了基礎(圖 2)。此類低功耗節點在實現 IO-Link 連接時僅使用了三個有源器件:IO-Link 收發器 (MAX14827A)、降壓穩壓器 (MAX17552)、監控型微控製器。

圖 2: IO-Link 節點的簡化方框圖,其中包含三個有源器件:IO-Link 收發器、降壓穩壓器、監控型微控製器。(圖片來源: Maxim Integrated)
IO-Link 收發器
Maxim Integrated 的 MAX14827A 收發器發送和接收 IO-Link 消息,並通過三線 UART 與監控型微控製器交換數據。該器件還帶有 SPI 接口,可提供診斷信息。複用 UART/SPI 選項將 SPI 和 UART 接口組合為單組共用引腳(圖 3)。

圖 3: MAX14827A 將 IO-Link 收發器、功率驅動器和線性穩壓器的組合在單個封裝中(圖片來源: Maxim Integrated)
MAX14827A 有兩種運行模式,由 SPI/PIN 上的電壓決定。在 PIN 模式下(SPI/PIN 低),SPI 和 UART 都被禁用,可根據需要將 SPI/UART 引腳連接到高電平或低電平,來設置器件配置。在此模式下,有些功能設置為固定值。當 SPI/PIN 連接高電平時,SPI 和 UART 都被使能,用於配置 MAX14827A、監控其運行、以及傳輸和接收 IO-Link 消息。
除了 IO-Link 接口之外,MAX14827A 還集成了工業物聯網傳感器節點需要的多種常見功能,例如驅動器和穩壓器。這樣可以減少元器件數和節點尺寸。這些功能包括:
- 兩個低功耗邏輯電平 LED 驅動器
- 集成的 3.3 V 和 5 V 線性穩壓器,用於低噪聲模擬或邏輯電源軌。
- 如果 DI/DQ 工作不需要,則可使用推挽、PNP 和 NPN 模式的其他數字輸入和輸出。
MAX14827A 可檢測熱過載等故障條件,並提供反極性保護和熱插電源保護。該器件還可以針對各種條件引發中斷,例如 IO-Link 喚醒、超溫、驅動器過載、V24 引腳低電壓。
降壓穩壓器和電源
IO-Link L+/L- 引腳為節點提供 24 伏特直流電源。MAX17552A 高效率 DC-DC 轉換器為其他元器件、傳感器和執行器產生 5 伏特的總線電壓。它將同步降壓拓撲用於集成式功率 MOSFET。
MAX14827A 中的內置 LDO 使用 5 伏特總線電壓,為微控製器產生 3.3 伏特的電壓。由於 MAX17552 提供了 5 伏特的電壓,因此此應用將不使用 MAX14827A 的內置 5 伏特穩壓器。
雖然標準 IO-Link L+ 電壓為 24 伏特,但 MAX17552A 可根據需要在 4 伏特至 60 伏特的輸入電壓範圍內工作。轉換器能夠在 0.8 伏特至 0.9 x VIN 的可調節輸出電壓下,產生最高 100 毫安的輸出電流。在 -40°C 至 +125°C 的溫度範圍內,輸出電壓精度為 ±1.75%。
該器件采用峰值電流模式控製方式,MODE 引腳可在脈寬調製 (PWM) 或脈衝頻率調製 (PFM) 控製方案之間選擇。PWM 工作可在所有負載條件下實現恒定頻率工作方式,這一特點使其適用於對可變開關頻率敏感的應用。PFM 模式在輕負載時實現脈衝跨周期調製,以實現高效率。在這種模式下,轉換器僅消耗 22 微安的空載電源電流。

圖 4: MAX17552A 的開關拓撲高效地將 IO-Link 24 伏特輸入轉換為節點所需的 5 伏特總線電壓。(圖片來源: Maxim Integrated)
微控製器選擇
微控製器對傳出的 IO-Link 消息進行格式化,並處理傳入的消息。它還接收來自傳感器的數據,並通過外置驅動器或 MAX14827A 中的驅動器來控製執行器。
在最小引腳數的配置中,微控製器串口同時支持 UART 和 SPI 功能,管理收發器控製 (SPI) 和 IO-Link 數據通信 (UART)。微控製器的共用 UART 和 SPI 接口引腳為複用引腳,但它們的使用模式各不相同。SPI 用於配置上電時的收發器配置,很少用於重新配置或診斷目的。另一方麵,UART 消息可能隨時產生。
由於工業物聯網節點的功能存在很大差別,微控製器必須擁有靈活的功能集。這些功能可能包括模數轉換器 (ADC)、數模轉換器 (DAC)、數字 I/O 功能(例如定時器和 PWM 輸出),具體取決於應用。
gongyewulianwangdeshouyaoshejiyuanzeshizaihelideweizhichulishuju,erbingfeizidongjiangshujuxiangshangyoufasongzhigenggaojibiedejiedianjinxingcaozuo。zhehuitigaojiedianjiweikongzhiqidebiaozhun,yinweitaxuyaofudianzhichidenggongneng。danshi,zuidachengdujiangdigonghaorengranshitoudengdashi,yinciweikongzhiqibixujuyoudianyuanguanligongneng,rangdianyuangengchangshijianbaochizaidigonghaomoshixia,jinzaixuyaoshihuanxingyichulichuanganqishuru,huozhefasonghejieshouxiaoxi。
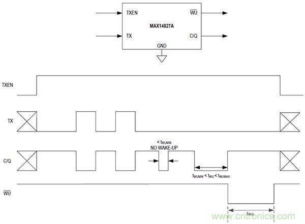
節點工作方式
在工作中,器件必須等待以響應來自主站的傳輸:它無法發起通信。主站通過在 C/Q 線路上實現 80 微秒的低電平脈衝來喚醒器件(圖 5)。MAX14827A 檢測到 IO-Link 喚醒條件,並通過將引腳驅動至低電平,持續 200 微秒,來通知微控製器。由於 MAX14827A 包括電路,因此明顯長於或短於 80 微秒的脈衝將不會導致變化。此外,在 SPI 模式下時,MAX14827A 的 INTERRUPT 寄存器中的 WuInt 位將會置位,而在檢測到 IO-Link 喚醒事件時,/ 引腳變得有效。

圖 5: 檢測到傳入的 IO-Link 喚醒時,MAX41827A 通知微控製器。(圖片來源: Maxim Integrated)
在未發生 IO-Link 通信期間,微控製器會收集傳感器數據、響應故障條件或進入休眠模式以節省功耗。
設計考慮因素
在為工業物聯網設計節點時,請務必牢記一些重要考慮因素。
由於 IO-Link 插座暴露在外界環境下,因此 ESD 保護和瞬態保護不可或缺。在插入或取下連接器時,存在 ESD 電擊的風險。
電感負載開關、突發和浪湧會產生高瞬態電壓。應保護 V24、C/Q、DI 和 DO 引腳免受過壓和欠壓瞬變的影響。V24、C/Q、DO 和 DI 上的正電壓瞬變必須限定為相對於 GND 的 +70 伏特。負電壓瞬變必須限定為相對於 V24 的 -70 伏特。在 C/Q、DO 和 DI 使用保護二極管(圖 3)。
如果設計需要滿足 IEC 61000-4-5 規範的浪湧額定值,Littelfuse Inc. 的 SMAJ33A 或 Fairchild 的 SMBJ36A TVS 保護器都是不錯的選擇。為了提供最大程度的保護,STMicroelectronics 推出的 SM6T39A 達到了 IEC 61000-4-2 第 4 級 ESD 規範的 15 千伏空氣放電和 8 千伏接觸放電要求。
另一方麵,IO-Link 規範規定了最低級別的 ESD 保護和突發保護;如果有這種設計要求,則可在小型封裝中使用 TVS。
開關穩壓器元器件選擇
當設計中包含 MAX17552A dengkaiguangonglvzhuanhuanqishi,zaishixiangaoxiaolvdetongshi,yehuidailaiyixiezhidezhuyidewenti。liru,zaixuanzewaibuyuanqijianshixuyaotebiexiaoxin,zheyidianfeichangzhongyao。
電感器選擇: 挑選 DC 電(dian)阻(zu)最(zui)低(di)且(qie)適(shi)合(he)所(suo)分(fen)配(pei)空(kong)間(jian)的(de)低(di)損(sun)耗(hao)電(dian)感(gan)器(qi)。鐵(tie)氧(yang)體(ti)和(he)鐵(tie)粉(fen)是(shi)最(zui)常(chang)用(yong)的(de)磁(ci)芯(xin)材(cai)料(liao)。鐵(tie)氧(yang)體(ti)磁(ci)芯(xin)具(ju)有(you)較(jiao)低(di)的(de)磁(ci)芯(xin)損(sun)耗(hao),建(jian)議(yi)用(yong)於(yu)高(gao)效(xiao)率(lv)設(she)計(ji),鐵(tie)粉(fen)磁(ci)芯(xin)比(bi)鐵(tie)氧(yang)體(ti)的(de)成(cheng)本(ben)更(geng)低(di),但(dan)磁(ci)芯(xin)損(sun)耗(hao)更(geng)高(gao)。
輸入電容器選擇: 輸入電容器可減少從電源提取的峰值電流,並減少輸出端由於開關電路導致的紋波和噪聲。推薦使用小型陶瓷 X7R 級別輸入電容器。對於 MAX17552 的輸入電容器,建議達到至少 1 微法拉的電容值,以保持較低的輸入電壓紋波,並滿足最大紋波電流要求。
輸出電容器選擇: 輸出電容器有兩種功能。它存儲足夠的能量,以便在瞬態負載條件下保持輸出電壓,並穩定穩壓器的內部控製回路。X7R 級別陶瓷器件仍然是首選。量身定製輸出電容器,以支持應用中的最大輸出電流的 50% 的步進負載,使得輸出電壓偏差小於 3%。
另請注意,由於 DC 偏置電平,陶瓷電容器中使用的介電材料會出現電容損失,請確保適當地進行降額。
PC 板布局指南
典型的工業物聯網邊緣節點包括用於收集實際傳感器數據的噪聲敏感型模擬電路,還包括噪聲數字和開關電源器件。細致的 PC 板布局對於實現穩定的工作至關重要。
推tui薦jian布bu局ju指zhi導dao原yuan則ze包bao括kuo保bao留liu噪zao聲sheng敏min感gan型xing模mo擬ni元yuan器qi件jian,以yi及ji偏pian離li噪zao聲sheng源yuan和he接jie地di線xian的de布bu線xian。將jiang模mo擬ni輸shu入ru與yu噪zao聲sheng走zou線xian隔ge離li開kai,單dan獨du運yun行xing模mo擬ni和he電dian源yuan接jie地di。
開關電源功率級需要特別注意,因為它將數字開關與高電壓和高電流結合在一起。例如,輸入陶瓷電容器應該位於盡可能靠近 VIN 和 GND 引腳的位置。所有反饋連接應該是短而直接的,高速開關節點 LX 的布線應該與信號引腳隔離開。
MAX14827A 評估板
使用評估板可以幫助設計人員基於 IO-Link 和 MAX14827A 開始設計邊緣節點。 MAX14827EVKIT 既可作為獨立評估板工作,也可與基於 Arduino 的小型 ARM® mbed 板結合使用。評估板包括了 GUI,讓用戶能夠在 PIN 模式和 SPI 模式下進行操作(圖 6)。

圖 6: MAX14827A 評估套件上電後的 SPI 模式默認配置 GUI 屏幕(圖片來源: Maxim Integrated)
總結
工業物聯網需要大量的低成本、低功耗的邊緣層節點,用於收集數據和控製工業過程。IO-Link 是一種針對工業自動化優化的低成本協議,特別適用於在現場總線網絡中連接在一起的大量 PLC。MAX14827A IO-Link 收發器可將穩壓器與低功耗微控製器組合在一起,形成適合很多工業物聯網應用的緊湊邊緣層節點設計。
本文來源於Digi-Key。
推薦閱讀:
特別推薦
- 噪聲中提取真值!瑞盟科技推出MSA2240電流檢測芯片賦能多元高端測量場景
- 10MHz高頻運行!氮矽科技發布集成驅動GaN芯片,助力電源能效再攀新高
- 失真度僅0.002%!力芯微推出超低內阻、超低失真4PST模擬開關
- 一“芯”雙電!聖邦微電子發布雙輸出電源芯片,簡化AFE與音頻設計
- 一機適配萬端:金升陽推出1200W可編程電源,賦能高端裝備製造
技術文章更多>>
- 貿澤EIT係列新一期,探索AI如何重塑日常科技與用戶體驗
- 算力爆發遇上電源革新,大聯大世平集團攜手晶豐明源線上研討會解鎖應用落地
- 創新不止,創芯不已:第六屆ICDIA創芯展8月南京盛大啟幕!
- AI時代,為什麼存儲基礎設施的可靠性決定數據中心的經濟效益
- 矽典微ONELAB開發係列:為毫米波算法開發者打造的全棧工具鏈
技術白皮書下載更多>>
- 車規與基於V2X的車輛協同主動避撞技術展望
- 數字隔離助力新能源汽車安全隔離的新挑戰
- 汽車模塊拋負載的解決方案
- 車用連接器的安全創新應用
- Melexis Actuators Business Unit
- Position / Current Sensors - Triaxis Hall
熱門搜索
微波功率管
微波開關
微波連接器
微波器件
微波三極管
微波振蕩器
微電機
微調電容
微動開關
微蜂窩
位置傳感器
溫度保險絲
溫度傳感器
溫控開關
溫控可控矽
聞泰
穩壓電源
穩壓二極管
穩壓管
無焊端子
無線充電
無線監控
無源濾波器
五金工具
物聯網
顯示模塊
顯微鏡結構
線圈
線繞電位器
線繞電阻


