【集合一】畫PCB時你不知的一些常用接插件知識
發布時間:2015-01-16 來源:tengjingshu 責任編輯:sherryyu
【導讀】工程師畫PCB的時候,難免會遇到一些連接器件,很多原因使得工程師要手拿遊標卡尺去量,這樣很容易造成連接錯誤,誤差使得畫出來的PCB接插件按不上去。這裏集合了很多接插件的知識點,如耳機插座等,是一篇實用性很強的技術文,希望能幫助到PCB工程師。
【集合一】畫PCB時一些常用的接插件知識
http://m.0-fzl.cn/connect-art/80025221
【集合二】畫PCB時一些常用的接插件知識
http://m.0-fzl.cn/connect-art/80025222
這篇文章集合了包括:耳機插座,DC電源輸入插座,USB B型母頭,DB9 串口母口插座,SD卡插座的尺寸和管腳資料。是一篇實用性很強的技術文。
由於篇幅問題,小編分成兩個部分,這部分主要講解:耳機插座,DC電源輸入插座,USB B型母頭的相關資料。
http://m.0-fzl.cn/connect-art/80025221
【集合二】畫PCB時一些常用的接插件知識
http://m.0-fzl.cn/connect-art/80025222
這篇文章集合了包括:耳機插座,DC電源輸入插座,USB B型母頭,DB9 串口母口插座,SD卡插座的尺寸和管腳資料。是一篇實用性很強的技術文。
由於篇幅問題,小編分成兩個部分,這部分主要講解:耳機插座,DC電源輸入插座,USB B型母頭的相關資料。
工程師畫PCBdeshihou,nanmianhuiyudaoyixielianjieqijian,zaizhongguo,youyuyixieyuanyin,henduoshihou,zhexielianjieqijianhennanxiangguowainayang,nengxiangchangjiasuoyaojixiechicunwendang,suoyihenduoshihou,douxuyaoshounayoubiaokachiquliang。zheyangjiuzaocheng,yilaiwomenbuzhidaolianjieqideguanjiaojiexian,henrongyilianjiecuowu;二來自己測量的,總有誤差,最後畫出來的PCB接jie插cha件jian按an不bu上shang去qu。接jie插cha件jian的de標biao準zhun化hua與yu否fou和he尺chi寸cun標biao準zhun圖tu是shi否fou完wan全quan,我wo看kan這zhe就jiu是shi中zhong國guo與yu國guo外wai的de差cha距ju之zhi一yi。不bu單dan在zai芯xin片pian方fang麵mian,而er是shi在zai這zhe些xie細xi節jie方fang麵mian我wo們men做zuo得de也ye不bu好hao。
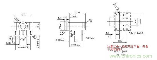
耳機插座尺寸

這是我們在電子市場上買到的3.5mm立體聲耳機插座。它的機械尺寸如下:

從耳機插座底麵的管腳旁邊會有①②③④⑤的編號,對應尺寸圖。
一般來說耳機采用3段式的插頭,插頭直徑一般有3.5mm和2.5mm,不同直徑的插頭對應不同直徑孔的耳機插座,所以“公”和“母”要對應.

根據三段式的耳機插頭的接線,就可以確定耳機插座的連接:

1腳接地,2腳接右聲道(Right),5腳接左聲道(Left)。在耳機接頭沒插入插座的時候,2腳和3腳,4腳和5腳是接在一起的,而一旦接頭插入插座的時候,2腳和3腳,4腳和5腳會分開。所以從係統可靠性的角度來說,3腳和4腳應該接地,這樣的話,耳機沒插的時候,左右聲道輸入接地,係統輸入為0。很多時候,我們都會把不用的3腳4腳懸空,那麼2腳和5腳也是懸空的,這樣帶來的風險就是, 萬一會從外界串入一個大電流,會從2腳和5腳傳到板子上,從而會燒毀芯片。
[page]
耳機接頭除了有三段式之外,還有四段式,四段式比三段式加多了一個話筒/接聽鍵,國標(大部分手機)從頭到尾(尾巴是有線那邊)的定義是:左聲道、右聲道、MIC、地。要注意iphone的四段式耳機接頭的順序是不一樣的,從頭(尖)到尾是左聲道、右聲道、地、MIC。


單聲道耳機插座
單聲道耳機插座也可以用作輸入。要注意的是A為地,B應該接輸入端,而F端應該接地。在沒有耳機接頭接入的時候,B腳和F腳是連在一起的,這樣保證,輸入接地,輸入信號為0。當有耳機接頭接入的時候,B腳和F腳分離,F腳與A接連在一起。
DC電源輸入插座尺寸

這是我們通常使用的DC電源輸入插座。尺寸如下:

這個DC電源插座是對應內徑2.1mm,外徑5.5的插頭。

外徑5.5mm,內徑2.1mm,長約10mm

電源極性:內正外負
要yao注zhu意yi的de是shi插cha頭tou一yi般ban是shi內nei正zheng外wai負fu的de,但dan也ye不bu排pai除chu少shao數shu自zi己ji做zuo的de插cha頭tou是shi反fan的de,所suo以yi保bao險xian起qi見jian,最zui好hao使shi用yong前qian用yong萬wan用yong表biao量liang一yi下xia,免mian得de燒shao毀hui芯xin片pian。

DC電源插座接線
DC電源插座的2腳和3腳在插頭沒有插進的時候是連在一起的,當插頭插進的時候,3腳與2腳分開。所以3腳和1腳應該連地。
USB接口插座引腳
USB是英文Universal Serial Bus的縮寫,中文含義是“通用串行總線”。
USB的版本:
第一代:USB 1.0/1.1的最大傳輸速率為12Mbps。1996年推出。
第二代:USB 2.0的最大傳輸速率高達480Mbps。USB 1.0/1.1與USB 2.0的接口是相互兼容的。
第三代:USB 3.0 最大傳輸速率5Gbps, 向下兼容USB 1.0/1.1/2.0
畫PCB板的時候要知道USB的引腳排列。以下均為插座或插頭的前視圖,即將插座或插頭麵向自己。
USB-A型插座是用在主機上的,USB-B型插座是用在外設上的。
USB A型插座和插頭:

USB B型插座和插頭:

USB-B型插座是用在外設上的

USB A-B型引腳功能:

USB mini-B 插座和插頭:

USB mini-B型引腳功能:

關於插座插頭的機械尺寸請參考USB標準上的典型機械尺寸,更可靠的是以連接器生產廠的尺寸為準。
特別推薦
- 噪聲中提取真值!瑞盟科技推出MSA2240電流檢測芯片賦能多元高端測量場景
- 10MHz高頻運行!氮矽科技發布集成驅動GaN芯片,助力電源能效再攀新高
- 失真度僅0.002%!力芯微推出超低內阻、超低失真4PST模擬開關
- 一“芯”雙電!聖邦微電子發布雙輸出電源芯片,簡化AFE與音頻設計
- 一機適配萬端:金升陽推出1200W可編程電源,賦能高端裝備製造
技術文章更多>>
- 貿澤EIT係列新一期,探索AI如何重塑日常科技與用戶體驗
- 算力爆發遇上電源革新,大聯大世平集團攜手晶豐明源線上研討會解鎖應用落地
- 創新不止,創芯不已:第六屆ICDIA創芯展8月南京盛大啟幕!
- AI時代,為什麼存儲基礎設施的可靠性決定數據中心的經濟效益
- 築基AI4S:摩爾線程全功能GPU加速中國生命科學自主生態
技術白皮書下載更多>>
- 車規與基於V2X的車輛協同主動避撞技術展望
- 數字隔離助力新能源汽車安全隔離的新挑戰
- 汽車模塊拋負載的解決方案
- 車用連接器的安全創新應用
- Melexis Actuators Business Unit
- Position / Current Sensors - Triaxis Hall
熱門搜索



