智能家居控製係統設計方案
發布時間:2011-12-15
中心議題:
- 智能家居係統控製的工作原理
- 智能家居係統的設計方案
解決方案:
- GSM 通信模塊設計
- 紅外無線通信模塊設計
- 模擬控製設計
- 單片機主程序設計
- 中斷程序設計
本文研究和設計了一種應用於智能家居環境中的遠程自動控製係統方案。它將操作指令由GSM 手機經GSM網絡傳至家中的值守GSM 模塊,再由該GSM 模mo塊kuai通tong過guo由you單dan片pian機ji控kong製zhi的de紅hong外wai無wu線xian局ju域yu網wang傳chuan輸shu紅hong外wai信xin息xi來lai控kong製zhi家jia電dian動dong作zuo,完wan成cheng對dui信xin息xi家jia電dian的de控kong製zhi意yi圖tu,並bing可ke將jiang信xin息xi家jia電dian的de信xin息xi反fan饋kui回hui來lai, 以便進行下一步的控製。係統安全可靠,性能穩定。同時該係統除用於家庭設備遠程自動控製外,也可用於家庭通信、家庭安全防範,共同組建智能家居控製係統。
1 智能家居係統控製的工作原理
本係統是基於紅外和GSM 網絡的用於智能家居環境中的一種遠程自動控製係統。其工作原理為:用戶通過自身的手機發出命令短消息,在家值守的GSM模塊接收到命令後發送給主機(單片機),主機通過對命令的處理,把命令通過紅外傳輸到相應的分機(單片機)上,分機對命令處理後,啟動相應設備,完成用戶給出的命令並向主機回複應答,主機收到應答後,通過GSM 模塊發出回複短消息,報告用戶完成命令。若在規定的時間內(這裏定時60s)zhujimeiyoujieshoudaofenjidehuifuxinxi,jibagaicaozuorenweiwuxiao,huifucaozuowuxiaoduanxiaoxigeiyonghushouji,yaoqiuyonghuzhongxinfachumingling。ruoshoudaodeduanxinxiyouwu,zhujibianlikehuifuyonghugaicaozuowuxiao,qingqiuzhongxinfachumingling。xitonggouchengrutu1所示。

圖1 係統構成圖
[page]
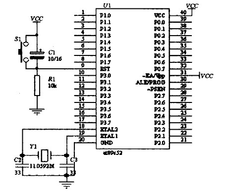
2 硬件設計
2.1 MCU與GSM 通信模塊
本單片機通過RS232串行通信接口與GSM 模塊通信,提取GSM 設備的短信,發送相關的信息,並通過串行通信接口與紅外模塊相連,利用紅外模塊,達到主、分機之間的通信,因此,選用AT89S52芯片。控製上需要用到兩個串行接口,但89S52隻有一個串口,故還需要在程序中進行模擬串行接口通信。其最簡外部接線電路如圖2所示。

圖2 AT89S52外部接線
89S52與TC35之間通過異步串行接口進行通信,通信速率為9 600b/s,具有1位起始位、8位數據位、1位停止位,無奇偶校驗。
單片機啟動後,便發出AT+CMGD一2zhiling,qingchudiercunchukongjiandeshuju,ranhoubuduandifachuzhilingduqudiercunchukongjian。ruoyoushuju,jibiaoshijieshoudaoshuju,bingkaishiduishujujinxingchuli,chuliwanbihouzaibagaikongjianshujushanchu。dangdanpianjixiangshoujifachuduanxiaoxishi,danpianjihuixiangGSM 模塊發出AT、AT+CMGF=0、AT+CMGS=X一係列的指令,當接收到回複信息後,最後發出短消息的內容。
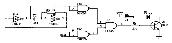
2.2 紅外無線通信模塊
紅外發送器電路如圖3所示包括38kHz晶體振蕩器、反相器、與非門、驅動門Q1和紅外發射管D1等部分。其中38kHz晶體振蕩器、電阻R3和反相器組成脈衝振蕩器,用以產生38kHz的脈衝序列作為載波信號,紅外發射管D1選用Vishay公司生產的TSAL6238,用來向外發射950nm 的紅外光束。

圖3 紅外發射器電路圖。
[page]
紅外接收器電路如圖4所示,當接收器收到數位"O"時,Q2管導通,使得RXD接收到低電平,收到數位"1"時,Q2管截至,RXD接收到高電平。

圖4 紅外接收器電路圖
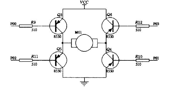
2.3 模擬控製
本係統將以不同的電機做出不同的動作,來模擬說明智能家居對係統控製的響應。如圖5所示,當分機的單片機收到本機的地址信息,便提取信息中的數據,根據數據的命令,若把P0.0,P0.1腳置成低電平,其他為高電平,則Q3、Q4管導通,電機便正向旋轉,若把P0.2,P0.3腳置成低電平,其他為高電平,則Q5、Q6管導通,電機便反向旋轉(以前一情況為正向時)。若一台分機上連多個電機,有多台分機,便可以實現在智能家居環境中對家庭各個設備的同步控製。

圖5 電機驅動電路
[page]
3 軟件設計
3.1 單片機主程序設計
主機上電複位後進行初始化,然後不斷地對GSM模塊進行掃描查詢。當查詢到GSM 模塊接收到用戶發送的短信時,便對短信進行處理,提取相關信息,然後通過紅外模塊相分機發送相應的命令數據。接著就在一定時間(可根據用戶需要調整,這裏設為60s)neidengdaifenjidehuifuxinxi。dangjieshoudaohuifuxinxihuoguidingshijianneimeiyoujieshoudaofenjidehuifuxinxi,zhujidoufanhuidaosaomiaozhaxunzhuangtai。zhujizhuchengxuliuchengturutu6所示。

圖6 主程序流程圖。
分fen機ji上shang電dian複fu位wei後hou進jin行xing初chu始shi化hua,然ran後hou等deng待dai接jie收shou主zhu機ji發fa送song的de命ming令ling信xin息xi。接jie收shou到dao命ming令ling信xin息xi後hou,從cong中zhong提ti取qu地di址zhi和he數shu據ju信xin息xi,若ruo為wei本ben分fen機ji地di址zhi,則ze對dui數shu據ju進jin行xing處chu理li並bing作zuo出chu響xiang應ying,同tong時shi向xiang主zhu機ji發fa送song確que定ding信xin息xi;若非本分機地址,則返回,繼續等待主機發送的命令信息。分機主程序流程圖如圖6(b)所示。
3.2 中斷程序設計
本ben係xi統tong需xu要yao模mo擬ni串chuan行xing數shu據ju發fa送song和he接jie收shou,所suo以yi需xu要yao用yong上shang外wai部bu中zhong斷duan來lai接jie收shou數shu據ju,確que保bao數shu據ju傳chuan輸shu的de同tong步bu性xing和he實shi時shi性xing。每mei接jie收shou一yi位wei數shu據ju,中zhong斷duan都dou會hui響xiang應ying一yi次ci,接jie收shou8位為一個有效數據,接收8個數據為一個數據幀。外部中斷流程圖如圖7(a)所示。

圖7 中斷程序流程框圖。
為了確保主機正常工作。加入主機等待分機回複的等待時間。而為了時間的實時性和準確性,用到單片機內部的定時器1.設定其工作模式為模式1,初值為Ox4bff(5Oms)。中斷20次為1s,60次循環為60s,當60s到時,標誌位置位後返回。時間中斷流程圖如圖7(b)所示。
4 結論
本係統安全可靠,性能穩定。同時本係統除用於家庭設備遠程自動控製外,也可用於家庭通信、家庭安全防範,共同組建智能家居控製係統。
- 噪聲中提取真值!瑞盟科技推出MSA2240電流檢測芯片賦能多元高端測量場景
- 10MHz高頻運行!氮矽科技發布集成驅動GaN芯片,助力電源能效再攀新高
- 失真度僅0.002%!力芯微推出超低內阻、超低失真4PST模擬開關
- 一“芯”雙電!聖邦微電子發布雙輸出電源芯片,簡化AFE與音頻設計
- 一機適配萬端:金升陽推出1200W可編程電源,賦能高端裝備製造
- 2026藍牙亞洲大會暨展覽在深啟幕
- 新市場與新場景推動嵌入式係統研發走向統一開發平台
- 維智捷發布中國願景
- 2秒啟動係統 • 資源受限下HMI最優解,米爾RK3506開發板× LVGL Demo演示
- H橋降壓-升壓電路中的交替控製與帶寬優化
- 車規與基於V2X的車輛協同主動避撞技術展望
- 數字隔離助力新能源汽車安全隔離的新挑戰
- 汽車模塊拋負載的解決方案
- 車用連接器的安全創新應用
- Melexis Actuators Business Unit
- Position / Current Sensors - Triaxis Hall

