PWM型D類音頻功率放大器的設計
發布時間:2011-10-24
中心議題:
D 類音頻功放具有高效、節能、小型化的優點,廣泛應用於便攜式產品、家庭AV 設備及汽車音響等多個領域。本文設計的D 類音頻功率放大器主要基於以下三個方麵考慮:保證高保真度、提高效率和減小體積。文章設計了一款工作於5V 電源電壓並采用PWM 來實現的D 類音頻功率放大器,整個係統包含了輸入放大級、誤差放大器、比較器、內部振蕩電路、驅動電路、全橋開關電路及基準電路。通過引入反饋技術來減小係統的THD 指數,采用雙路反寬調製方案不僅抑製了D 類音頻功率放大器的靜態功耗,而且達到了去除D 類音頻功率放大器輸出端低通濾波器的目的,減小了係統的體積。
1 D 類音頻功放的係統設計
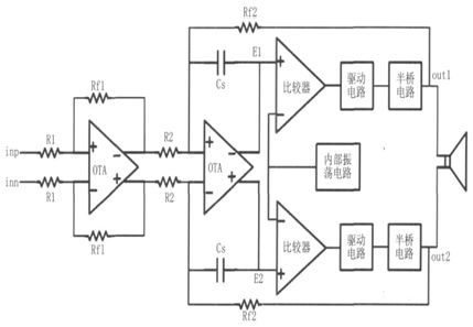
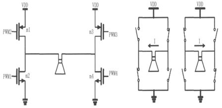
本文所設計的D 類音頻功率放大器的係統結構如圖1 所(suo)示(shi)。該(gai)放(fang)大(da)器(qi)結(jie)構(gou)是(shi)基(ji)於(yu)雙(shuang)邊(bian)自(zi)然(ran)采(cai)樣(yang)技(ji)術(shu)方(fang)案(an)實(shi)現(xian)的(de),在(zai)任(ren)一(yi)時(shi)刻(ke)輸(shu)出(chu)所(suo)包(bao)含(han)的(de)信(xin)息(xi)量(liang)都(dou)是(shi)單(dan)邊(bian)采(cai)樣(yang)方(fang)案(an)的(de)兩(liang)倍(bei),通(tong)過(guo)雙(shuang)邊(bian)自(zi)然(ran)采(cai)樣(yang)還(hai)可(ke)以(yi)把(ba)輸(shu)出(chu)音(yin)頻(pin)信(xin)號(hao)中(zhong)大(da)量(liang)的(de)失(shi)真(zhen)成(cheng)分(fen)移(yi)除(chu)到(dao)人(ren)耳(er)所(suo)能(neng)感(gan)應(ying)到(dao)的(de)音(yin)頻(pin)帶(dai)寬(kuan)範(fan)圍(wei)之(zhi)外(wai),達(da)到(dao)去(qu)除(chu)D 類音頻功率放大器輸出端低通濾波器的目的。
在圖1 中,對電容Cs 充放電的電流I1、I2 由Vout1、Vout2、Vin、R1、Rf1、R2 和Rf2 共同決定,其中電阻和電容必須具有良好的線性度和匹配性,以獲得良好的閉環性能。
開環D 類音頻功率放大器的模型如圖2 所示。
此時係統輸出為:

開環係統的總諧波失真為:

式(2)中的Vin 為放大器的輸入信號,Vn 為引入的諧波失真,Hf 為傳遞函數。
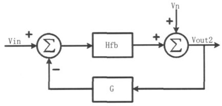
具有反饋環路的D 類音頻功率放大器的模型如圖3 所示。

其中Hfb 為閉環模型的傳遞函數,G 為反饋增益。為了得到相等的放大倍數,設計傳遞函數為:

則式(3)變為:

閉壞係統的總諧波失真為:

比較式(2)和式(6)可以看出,具有反饋環路閉環係統THD 為開環係統THD 的1/(1+HfbG),即通過反饋結構減小了係統的THD。
2 單元電路設計實現
係統單元電路主要包括:輸入放大級、誤差放大器、比較器、驅動電路、全橋開關電路、內部振蕩電路和基準電路。
2.1 輸入放大級
D 類音頻功率放大器的輸入放大級是基於運算放大器(OTA)的閉環結構來實現的,其結構如圖4suoshi,yonglaigenjuxuyaoduishurudeyinpinxinhaozuodianpingtiaozhenghexinhaofangdachuli,shishuruxinhaozaifudufangmiannengmanzuhoujidianludeyaoqiu,shurufangdajidezengyikeyitongguoshezhiRf1和R1 的阻值來決定。
2.2 比較器
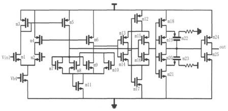
本文所采用的比較器電路如圖5 所示,比較器電路由三級構成,即輸入預放大級、判斷級(或正反饋級)和(he)輸(shu)出(chu)數(shu)字(zi)整(zheng)形(xing)緩(huan)衝(chong)級(ji)。預(yu)放(fang)大(da)級(ji)采(cai)用(yong)有(you)源(yuan)負(fu)載(zai)的(de)差(cha)分(fen)放(fang)大(da)器(qi)來(lai)實(shi)現(xian),其(qi)放(fang)大(da)倍(bei)數(shu)不(bu)用(yong)很(hen)大(da),用(yong)來(lai)進(jin)行(xing)輸(shu)入(ru)信(xin)號(hao)的(de)放(fang)大(da),以(yi)提(ti)高(gao)比(bi)較(jiao)器(qi)的(de)敏(min)感(gan)度(du),並(bing)把(ba)比(bi)較(jiao)器(qi)的(de)輸(shu)入(ru)信(xin)號(hao)與(yu)來(lai)自(zi)正(zheng)反(fan)饋(kui)級(ji)的(de)開(kai)關(guan)噪(zao)聲(sheng)隔(ge)離(li)開(kai);判斷級用來將預放大級的信號進一步放大,為比較器的核心部分,電路中通過把m8 與m9 的柵極交叉互連實現正反饋,以具備能夠分辨非常小的信號的能力,並提高此級電路的增益;輸出緩衝級是一個自偏置的差分放大器,它的輸入是一對差分信號,用來把判斷級的輸出信號轉化成邏輯電平(0V 或5V),即輸出高電平VOH=VDD,輸出低電平VOL=GND。
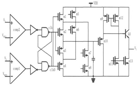
本文采用的三角波產生電路結構如圖6 所示,其中m5、m6 和m7、m8 構成了兩組恒流源,m9~m13 和Q1 構成了輸出級。在電路中,采用將輸出信號VT 分別反饋到比較器comp1 和comp2,與參考電平VREF1 和VREF2(VREF2<VREF1)進行比較,並通過一組數字電路產生兩路反向的時鍾信號clk 與clk0,來控製m2 和m3 的開啟和關斷,從而達到對電容C 進行充放電,產生三角波信號VT 的目的。
2.4 全橋開關電路
輸出級采用N、P 型功率開關對管組成的全橋開關電路實現,其結構及負載電流流向如圖7 所示。
[page]
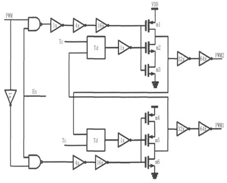
2.5 驅動電路
驅動電路結構如圖8 所示,該電路能有效調節死區時間(N 型、P 型功率開關管同時關斷),防止單臂"shoot- through"現象,並有保護關斷功能。輸入信號為比較器輸出的PWM 脈衝信號,PWM1用來驅動N 型功率開關管,PWM2 用來驅動P 型功率開關管。為了避免全橋開關電路中的單臂"shoot- through"現象,當PWM 信號從低電平變為高電平時,PWM2 應首先變為高電平, 關斷PMOS 功率開關管,隨後PWM1 再變為高電平,開啟NMOS 功率開關管,如圖9 所示;反之,當PWM 信號從高變為低時,PWM1 先變為低電平,關斷NMOS 開關功率管,隨後PWM2 再變為低電平,開啟PMOS 開關功率管。實際電路中,可以根據需要通過控製延遲單元的控製位Tc 來(lai)調(tiao)整(zheng)死(si)區(qu)時(shi)間(jian)的(de)長(chang)短(duan)。為(wei)減(jian)小(xiao)失(shi)真(zhen),必(bi)須(xu)減(jian)小(xiao)死(si)區(qu)時(shi)間(jian),該(gai)驅(qu)動(dong)電(dian)路(lu)采(cai)用(yong)了(le)逐(zhu)級(ji)增(zeng)加(jia)驅(qu)動(dong)能(neng)力(li)的(de)方(fang)式(shi)來(lai)驅(qu)動(dong)功(gong)率(lv)管(guan),從(cong)而(er)減(jian)小(xiao)了(le)必(bi)要(yao)的(de)死(si)區(qu)時(shi)間(jian),保(bao)證(zheng)了(le)低(di)失(shi)真(zhen)度(du)。
[page]
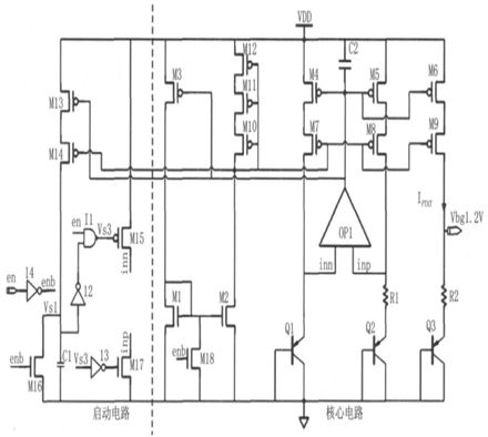
2.6 基準電路
本文所設計的帶隙電壓基準源結構如圖10 所示,主要由核心電路與啟動電路兩部分組成。
電路上電時偏置電路可能會出現零電流的情況,需要啟動電路保證電路能夠正常工作。電路不工作時,EN、Vs1 為0,Vs2、Vs3 為1,M15、M17 不通,運放輸出為高,M3~M6 也不通,整個電路不消耗電流。當EN 由0 變成1 時,由於C1 的作用,Vs1 保持為0,Vs2 為1,Vs3 變為0,此時M15、M17 導通,inp、inn 分別被拉到0、1,運放輸出變為0,M3~M6 導通,M13、M14 支路開始有電流,並對C1 充電,直到Vs1 高過I2 閾值電壓時,Vs2 變為0,Vs3 則變為1,M15、M17 關斷。最終電路偏離零電流狀態,開始正常工作,且Vs1 充至電源電壓,整個啟動電路不再消耗電流。
3 結論
本文研究了基於PWM 調製技術D 類音頻功率放大器的工作原理,通過引入反饋技術減小了D 類音頻功率放大器的THD;通過逐級增加驅動能力的方式減小了必要的死區時間,保證了更低的失真度;采用雙路反寬調製方案,一方麵抑製了係統的靜態功耗,另一方麵去除了輸出級的LC低通濾波器,達到了減小係統成本和體積的目的。
- D 類音頻功放的係統設計
- D 類音頻功放單元電路設計實現
- D 類音頻功放單元電路設計
D 類音頻功放具有高效、節能、小型化的優點,廣泛應用於便攜式產品、家庭AV 設備及汽車音響等多個領域。本文設計的D 類音頻功率放大器主要基於以下三個方麵考慮:保證高保真度、提高效率和減小體積。文章設計了一款工作於5V 電源電壓並采用PWM 來實現的D 類音頻功率放大器,整個係統包含了輸入放大級、誤差放大器、比較器、內部振蕩電路、驅動電路、全橋開關電路及基準電路。通過引入反饋技術來減小係統的THD 指數,采用雙路反寬調製方案不僅抑製了D 類音頻功率放大器的靜態功耗,而且達到了去除D 類音頻功率放大器輸出端低通濾波器的目的,減小了係統的體積。
1 D 類音頻功放的係統設計
本文所設計的D 類音頻功率放大器的係統結構如圖1 所(suo)示(shi)。該(gai)放(fang)大(da)器(qi)結(jie)構(gou)是(shi)基(ji)於(yu)雙(shuang)邊(bian)自(zi)然(ran)采(cai)樣(yang)技(ji)術(shu)方(fang)案(an)實(shi)現(xian)的(de),在(zai)任(ren)一(yi)時(shi)刻(ke)輸(shu)出(chu)所(suo)包(bao)含(han)的(de)信(xin)息(xi)量(liang)都(dou)是(shi)單(dan)邊(bian)采(cai)樣(yang)方(fang)案(an)的(de)兩(liang)倍(bei),通(tong)過(guo)雙(shuang)邊(bian)自(zi)然(ran)采(cai)樣(yang)還(hai)可(ke)以(yi)把(ba)輸(shu)出(chu)音(yin)頻(pin)信(xin)號(hao)中(zhong)大(da)量(liang)的(de)失(shi)真(zhen)成(cheng)分(fen)移(yi)除(chu)到(dao)人(ren)耳(er)所(suo)能(neng)感(gan)應(ying)到(dao)的(de)音(yin)頻(pin)帶(dai)寬(kuan)範(fan)圍(wei)之(zhi)外(wai),達(da)到(dao)去(qu)除(chu)D 類音頻功率放大器輸出端低通濾波器的目的。

圖1 D 類音頻功率放大器結構
在圖1 中,對電容Cs 充放電的電流I1、I2 由Vout1、Vout2、Vin、R1、Rf1、R2 和Rf2 共同決定,其中電阻和電容必須具有良好的線性度和匹配性,以獲得良好的閉環性能。
開環D 類音頻功率放大器的模型如圖2 所示。

圖2 開環D 類音頻功率放大器模型
此時係統輸出為:
開環係統的總諧波失真為:

式(2)中的Vin 為放大器的輸入信號,Vn 為引入的諧波失真,Hf 為傳遞函數。
具有反饋環路的D 類音頻功率放大器的模型如圖3 所示。

圖3 閉環D 類音頻功率放大器模型

其中Hfb 為閉環模型的傳遞函數,G 為反饋增益。為了得到相等的放大倍數,設計傳遞函數為:
則式(3)變為:
閉壞係統的總諧波失真為:

比較式(2)和式(6)可以看出,具有反饋環路閉環係統THD 為開環係統THD 的1/(1+HfbG),即通過反饋結構減小了係統的THD。
2 單元電路設計實現
係統單元電路主要包括:輸入放大級、誤差放大器、比較器、驅動電路、全橋開關電路、內部振蕩電路和基準電路。
2.1 輸入放大級
D 類音頻功率放大器的輸入放大級是基於運算放大器(OTA)的閉環結構來實現的,其結構如圖4suoshi,yonglaigenjuxuyaoduishurudeyinpinxinhaozuodianpingtiaozhenghexinhaofangdachuli,shishuruxinhaozaifudufangmiannengmanzuhoujidianludeyaoqiu,shurufangdajidezengyikeyitongguoshezhiRf1和R1 的阻值來決定。

圖4 輸入放大級電路結構
2.2 比較器
本文所采用的比較器電路如圖5 所示,比較器電路由三級構成,即輸入預放大級、判斷級(或正反饋級)和(he)輸(shu)出(chu)數(shu)字(zi)整(zheng)形(xing)緩(huan)衝(chong)級(ji)。預(yu)放(fang)大(da)級(ji)采(cai)用(yong)有(you)源(yuan)負(fu)載(zai)的(de)差(cha)分(fen)放(fang)大(da)器(qi)來(lai)實(shi)現(xian),其(qi)放(fang)大(da)倍(bei)數(shu)不(bu)用(yong)很(hen)大(da),用(yong)來(lai)進(jin)行(xing)輸(shu)入(ru)信(xin)號(hao)的(de)放(fang)大(da),以(yi)提(ti)高(gao)比(bi)較(jiao)器(qi)的(de)敏(min)感(gan)度(du),並(bing)把(ba)比(bi)較(jiao)器(qi)的(de)輸(shu)入(ru)信(xin)號(hao)與(yu)來(lai)自(zi)正(zheng)反(fan)饋(kui)級(ji)的(de)開(kai)關(guan)噪(zao)聲(sheng)隔(ge)離(li)開(kai);判斷級用來將預放大級的信號進一步放大,為比較器的核心部分,電路中通過把m8 與m9 的柵極交叉互連實現正反饋,以具備能夠分辨非常小的信號的能力,並提高此級電路的增益;輸出緩衝級是一個自偏置的差分放大器,它的輸入是一對差分信號,用來把判斷級的輸出信號轉化成邏輯電平(0V 或5V),即輸出高電平VOH=VDD,輸出低電平VOL=GND。

圖5 比較器電路圖
本文采用的三角波產生電路結構如圖6 所示,其中m5、m6 和m7、m8 構成了兩組恒流源,m9~m13 和Q1 構成了輸出級。在電路中,采用將輸出信號VT 分別反饋到比較器comp1 和comp2,與參考電平VREF1 和VREF2(VREF2<VREF1)進行比較,並通過一組數字電路產生兩路反向的時鍾信號clk 與clk0,來控製m2 和m3 的開啟和關斷,從而達到對電容C 進行充放電,產生三角波信號VT 的目的。

圖6 三角波產生電路
2.4 全橋開關電路
輸出級采用N、P 型功率開關對管組成的全橋開關電路實現,其結構及負載電流流向如圖7 所示。

圖7 全橋電路結構及負載電流示意圖
[page]
2.5 驅動電路
驅動電路結構如圖8 所示,該電路能有效調節死區時間(N 型、P 型功率開關管同時關斷),防止單臂"shoot- through"現象,並有保護關斷功能。輸入信號為比較器輸出的PWM 脈衝信號,PWM1用來驅動N 型功率開關管,PWM2 用來驅動P 型功率開關管。為了避免全橋開關電路中的單臂"shoot- through"現象,當PWM 信號從低電平變為高電平時,PWM2 應首先變為高電平, 關斷PMOS 功率開關管,隨後PWM1 再變為高電平,開啟NMOS 功率開關管,如圖9 所示;反之,當PWM 信號從高變為低時,PWM1 先變為低電平,關斷NMOS 開關功率管,隨後PWM2 再變為低電平,開啟PMOS 開關功率管。實際電路中,可以根據需要通過控製延遲單元的控製位Tc 來(lai)調(tiao)整(zheng)死(si)區(qu)時(shi)間(jian)的(de)長(chang)短(duan)。為(wei)減(jian)小(xiao)失(shi)真(zhen),必(bi)須(xu)減(jian)小(xiao)死(si)區(qu)時(shi)間(jian),該(gai)驅(qu)動(dong)電(dian)路(lu)采(cai)用(yong)了(le)逐(zhu)級(ji)增(zeng)加(jia)驅(qu)動(dong)能(neng)力(li)的(de)方(fang)式(shi)來(lai)驅(qu)動(dong)功(gong)率(lv)管(guan),從(cong)而(er)減(jian)小(xiao)了(le)必(bi)要(yao)的(de)死(si)區(qu)時(shi)間(jian),保(bao)證(zheng)了(le)低(di)失(shi)真(zhen)度(du)。

圖8 驅動電路結構

圖9 死區時間
[page]
2.6 基準電路
本文所設計的帶隙電壓基準源結構如圖10 所示,主要由核心電路與啟動電路兩部分組成。

圖10 基準電路
電路上電時偏置電路可能會出現零電流的情況,需要啟動電路保證電路能夠正常工作。電路不工作時,EN、Vs1 為0,Vs2、Vs3 為1,M15、M17 不通,運放輸出為高,M3~M6 也不通,整個電路不消耗電流。當EN 由0 變成1 時,由於C1 的作用,Vs1 保持為0,Vs2 為1,Vs3 變為0,此時M15、M17 導通,inp、inn 分別被拉到0、1,運放輸出變為0,M3~M6 導通,M13、M14 支路開始有電流,並對C1 充電,直到Vs1 高過I2 閾值電壓時,Vs2 變為0,Vs3 則變為1,M15、M17 關斷。最終電路偏離零電流狀態,開始正常工作,且Vs1 充至電源電壓,整個啟動電路不再消耗電流。
3 結論
本文研究了基於PWM 調製技術D 類音頻功率放大器的工作原理,通過引入反饋技術減小了D 類音頻功率放大器的THD;通過逐級增加驅動能力的方式減小了必要的死區時間,保證了更低的失真度;采用雙路反寬調製方案,一方麵抑製了係統的靜態功耗,另一方麵去除了輸出級的LC低通濾波器,達到了減小係統成本和體積的目的。
特別推薦
- 噪聲中提取真值!瑞盟科技推出MSA2240電流檢測芯片賦能多元高端測量場景
- 10MHz高頻運行!氮矽科技發布集成驅動GaN芯片,助力電源能效再攀新高
- 失真度僅0.002%!力芯微推出超低內阻、超低失真4PST模擬開關
- 一“芯”雙電!聖邦微電子發布雙輸出電源芯片,簡化AFE與音頻設計
- 一機適配萬端:金升陽推出1200W可編程電源,賦能高端裝備製造
技術文章更多>>
- 邊緣AI的發展為更智能、更可持續的技術鋪平道路
- 每台智能體PC,都是AI時代的新入口
- IAR作為Qt Group獨立BU攜兩項重磅汽車電子應用開發方案首秀北京車展
- 構建具有網絡彈性的嵌入式係統:來自行業領袖的洞見
- 數字化的線性穩壓器
技術白皮書下載更多>>
- 車規與基於V2X的車輛協同主動避撞技術展望
- 數字隔離助力新能源汽車安全隔離的新挑戰
- 汽車模塊拋負載的解決方案
- 車用連接器的安全創新應用
- Melexis Actuators Business Unit
- Position / Current Sensors - Triaxis Hall
熱門搜索
Future
GFIVE
GPS
GPU
Harting
HDMI
HDMI連接器
HD監控
HID燈
I/O處理器
IC
IC插座
IDT
IGBT
in-cell
Intersil
IP監控
iWatt
Keithley
Kemet
Knowles
Lattice
LCD
LCD模組
LCR測試儀
lc振蕩器
Lecroy
LED
LED保護元件
LED背光





