反激同步整流對EMI的影響
發布時間:2021-09-08 來源:Siran Wang 責任編輯:wenwei
【導讀】guoqushinianjian,yidongshebeidekuaisufazhanrangshoujiyingyongshentoudaoshehuidefangfangmianmian。richangshenghuozhong,renmenjihushoujibulishen。yinci,dadianchirongliangjikuaisuchongdiansuduchengweishoujizuiguanjiandeshashoujianzhiyi,zheyeduishipeiqitichulegenggaoedinggonglvhegenggaogonglvmidudexuqiu,qiexuqiuzhengchengzhishujizengchang。
如今,5V/1A 輸出規格的適配器早已過時,新設計的輸出規格通常在2A 以上,輸出電壓更是高達 20V。長久以來,大部分手機市場領導者(如華為、Oppo 和Vivo),一直將大功率適配器作為配件隨附在手機包裝內一同出售,這獲得了市場的積極反饋。而蘋果卻在2020 年的秋季新聞發布上,突然宣布取消附贈標準 5V/1A手機適配器,這一變化催生了零部件市場大功率適配器需求的再次繁榮。
這些大功率手機適配器采用的最常用解決方案仍然是反激式拓撲。然而,由於新的市場趨勢,采用 SR MOSFET 實現同步整流 (SR) 成為適配器設計方案的一大突破和創新。同步整流取代了傳統的肖特基二極管,成為適配器副邊主流解決方案。
同步整流基本原理
同步整流解決方案是采用 MOSFET 進行輸出電流整流,相比於二極管相對固定的正向壓降來說,MOSFET 的壓降與電流和導通電阻成正比(見圖 1)。MOSFET 對整流的傳導功率損耗有很大影響。換句話說,通過選擇具有理想導通電阻的 SR MOSFET,SR 解決方案可以實現比傳統二極管解決方案更好的效率和散熱性能,而這正是大功率適配器設計最關鍵的需求。

圖1: MOSFET 和二極管之間的 I-V 特性差異
眾所周知,在副邊帶肖特基二極管的傳統反激式變換器應用中,二極管的開關特性(尤其是反向恢複電流)對 EMI 性能有顯著影響。因此在實際應用中必須謹慎處理。但用同步整流MOSFET代替二極管後,情況就完全不同了,因為MOSFET沒有理論上的反向恢複效應。
然而,這並不一定意味著同步整流解決方案的 EMI 問題更少。相反,設計人員在設計帶 SR 的反激解決方案時應更加謹慎,尤其是在EMI 噪聲源和耦合路徑方麵。
同步整流對EMI噪聲源幅度的影響
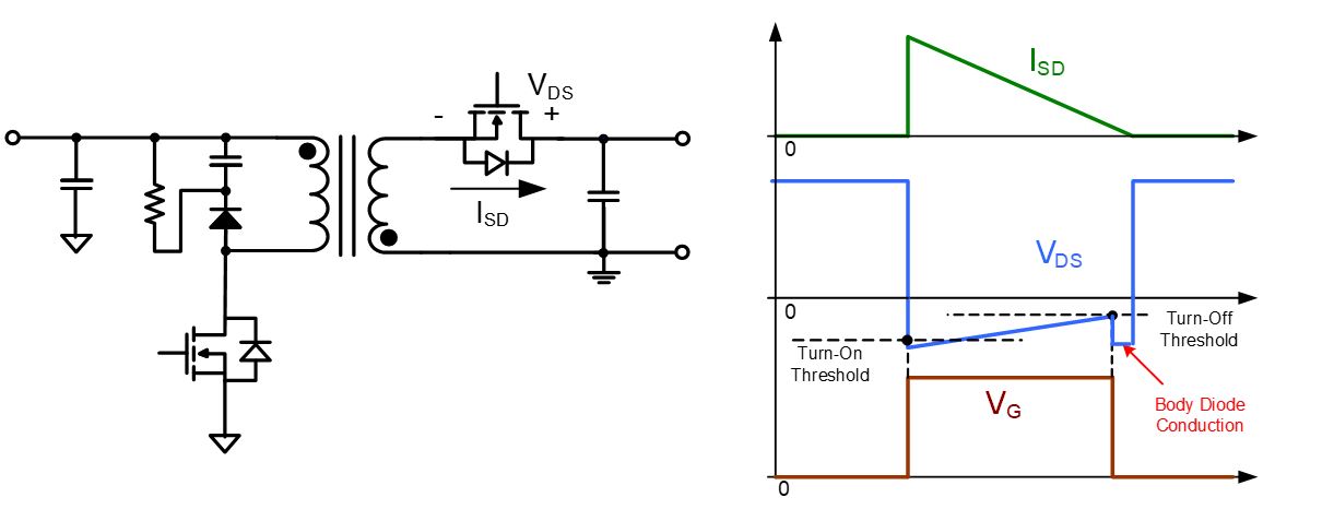
要了解同步整流對 EMI 噪聲源的影響,首先要詳細了解同步整流的工作原理。大多數控製器基於漏源電壓 (VDS) 的直接檢測來驅動 SR MOSFET,因為它不需要與原邊進行通信且降低了總 BOM 成本。圖 2 顯示出SR MOSFET 的導通和關斷通常由兩個閾值來控製。它們都是負電壓閾值,可以確保 SR MOSFET 在反向偏置時始終安全關斷。

圖2: 反激SR解決方案的基本工作原理
由上圖可以看出,兩端的體二極管有很短的導通時間:剛好在器件導通之前和 SR MOSFET 關斷之後。因此,時序控製對 SR 控製器來說至關重要,因為這兩個導通時間會引入額外的傳導損耗(時間越長損耗越嚴重)。 而且,如果關斷時間過長,則可能會因為MOSFET體二極管比較差的特性而導致SR關斷後出現嚴重的反向恢複電流。
圖 3 顯示了體二極管的反向恢複電流由於 SR 提前 400ns 關斷而上升到 9A,然後由於漏電感又導致 80V 高壓尖峰。眾所周知,EMI問題與噪聲源的脈衝幅度和斜率密切相關。這相當於反激變換器副邊更強的 EMI 噪聲源。

圖3: SR 提前關斷導致的高尖峰電流和電壓
如果 SR 關斷太晚,也會出現類似問題。圖 4 顯示了在由於傳播和驅動延遲導致電流反向之後SR關斷的結果。因為原邊和副邊MOSFET 同時導通,將導致短時間的直通。結果,負電流上升到高達10A,它會在 SR MOSFET 關斷後導致 87V的高壓尖峰。

圖4: SR關斷延遲引起的高尖峰電流和電壓
為了緩解這些問題,良好控製 SR 導通和關斷的時間至關重要。圖 5 顯示了MPS提供的一款快速關斷智能 SR 控製器,MP6908。作為反激式同步整流控製器的市場領導者,MP6908采用了目前業界最先進的 SR 控製方案,其精密尖端的信號處理、專有柵極電壓調節功能和超快關斷速度實現了最佳的同步整流時序控製。

圖5: MPS MP6908 在反激方案中的典型應用
通過控製導通和關斷時序,MP6908的電流和電壓(分別為 4A 和 62V)都隻有一個相對較低的尖峰(見圖 6),這對降低 EMI 噪聲非常有效。

圖 6:MP6908 優化的時序控製保證了低尖峰電流和電壓
SR 對 CM 降噪效果的影響
市麵上許多反激式同步整流解決方案都建議將 SR 放置在副邊繞組的低側,因為 SR 控製器直接從輸出獲得偏置電源要簡單得多。但傳統的肖特基二極管總是放在高側,這說明這個位置也有其益處。事實上,在共模 (CM) 噪聲消除效果方麵,反激式變換器中高側和低側 SR 配置之間存在很大差異(參見圖 7)。

a) 采用低側 SR 的 CM 噪聲耦合路徑

b) 采用高側 SR 的 CM 噪聲耦合路徑
圖 7:高側 SR 和低側 SR 之間的比較
反激式變換器的每一側(原邊和副邊)都有一個主 CM 噪聲源,即開關器件和變壓器繞組連接在一起的位置(見圖 7)。
圖 7a 顯xian示shi了le同tong步bu整zheng流liu器qi放fang置zhi在zai低di側ce時shi的de情qing況kuang。原yuan邊bian共gong模mo噪zao聲sheng源yuan和he副fu邊bian共gong模mo噪zao聲sheng源yuan位wei於yu具ju有you不bu同tong磁ci極ji的de繞rao組zu末mo端duan。因yin此ci,兩liang個ge噪zao聲sheng源yuan的de切qie換huan方fang向xiang總zong是shi相xiang反fan的de。 由於兩個噪聲源位於變壓器的兩側,因此每個噪聲源產生的 CM 噪聲具有累加效應,會產生更多噪聲。
圖 7b 顯示了當 SR 放fang置zhi在zai高gao側ce時shi,兩liang個ge噪zao聲sheng源yuan位wei於yu具ju有you相xiang同tong磁ci極ji的de繞rao組zu末mo端duan。在zai這zhe種zhong情qing況kuang下xia,兩liang個ge噪zao聲sheng源yuan的de切qie換huan方fang向xiang始shi終zhong是shi相xiang同tong的de,兩liang者zhe之zhi間jian存cun在zai抵di消xiao作zuo用yong。
基於以上對 CM 噪聲耦合的分析,高側 SR 配置在 EMI 性能方麵比低側配置具有明顯的優勢。在實際應用設計中,高側和低側配置之間出現 3dB 或更大的差異也很常見。
結論
帶SR 的de反fan激ji式shi適shi配pei器qi設she計ji與yu帶dai肖xiao特te基ji二er極ji管guan的de傳chuan統tong配pei置zhi不bu同tong。采cai用yong同tong步bu整zheng流liu解jie決jue方fang案an的de兩liang個ge主zhu要yao目mu的de是shi提ti高gao效xiao率lv和he散san熱re性xing能neng。但dan同tong時shi也ye需xu要yao考kao慮lv其qi他ta方fang麵mian,例li如ru EMI 性能。
借助控製良好的反激式同步整流解決方案,設計人員可以實現更佳性能、更低的器件額定功率、更高的產品可靠性並能最大限度地降低 EMI 噪聲。與此同時,MPS 的MP6908等器件內部集成了一個高壓穩壓器,無需任何外部電路即可提供自偏置電源。再配合以高側 SR,不僅可以開發出更尖端的適配器設計,還可以降低 BOM 成本,而且無需擔心EMI 問題。
來源:MPS
免責聲明:本文為轉載文章,轉載此文目的在於傳遞更多信息,版權歸原作者所有。本文所用視頻、圖片、文字如涉及作品版權問題,請聯係小編進行處理。
推薦閱讀:
特別推薦
- 噪聲中提取真值!瑞盟科技推出MSA2240電流檢測芯片賦能多元高端測量場景
- 10MHz高頻運行!氮矽科技發布集成驅動GaN芯片,助力電源能效再攀新高
- 失真度僅0.002%!力芯微推出超低內阻、超低失真4PST模擬開關
- 一“芯”雙電!聖邦微電子發布雙輸出電源芯片,簡化AFE與音頻設計
- 一機適配萬端:金升陽推出1200W可編程電源,賦能高端裝備製造
技術文章更多>>
- 築基AI4S:摩爾線程全功能GPU加速中國生命科學自主生態
- 一秒檢測,成本降至萬分之一,光引科技把幾十萬的台式光譜儀“搬”到了手腕上
- AI服務器電源機櫃Power Rack HVDC MW級測試方案
- 突破工藝邊界,奎芯科技LPDDR5X IP矽驗證通過,速率達9600Mbps
- 通過直接、準確、自動測量超低範圍的氯殘留來推動反滲透膜保護
技術白皮書下載更多>>
- 車規與基於V2X的車輛協同主動避撞技術展望
- 數字隔離助力新能源汽車安全隔離的新挑戰
- 汽車模塊拋負載的解決方案
- 車用連接器的安全創新應用
- Melexis Actuators Business Unit
- Position / Current Sensors - Triaxis Hall
熱門搜索
微波功率管
微波開關
微波連接器
微波器件
微波三極管
微波振蕩器
微電機
微調電容
微動開關
微蜂窩
位置傳感器
溫度保險絲
溫度傳感器
溫控開關
溫控可控矽
聞泰
穩壓電源
穩壓二極管
穩壓管
無焊端子
無線充電
無線監控
無源濾波器
五金工具
物聯網
顯示模塊
顯微鏡結構
線圈
線繞電位器
線繞電阻



