仿真看世界之IPOSIM的散熱器熱阻Rthha解析
發布時間:2021-09-05 來源:英飛淩科技大中華區應用工程師 張浩 責任編輯:wenwei
【導讀】如何評估IGBT模塊的損耗與結溫?英飛淩官網在線仿真工具IPOSIM,是IGBT模塊在選型階段的重要參考。這篇文章將針對IPOSIM仿真中的散熱器熱阻參數Rthha,給大家做一些清晰和深入的解析。
● IPOSIM中Rthha定義:折算到每個Switch(開關)的散熱器熱阻
● 折算思路:對於常規模塊,先確定散熱器的總熱阻,再根據散熱器包含的Switch數量,折算出熱阻Rthha。對於PIM模塊,其散熱器熱阻需要額外計算。
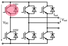
一、兩電平仿真中的Rthha的定義與設置
在兩電平逆變拓撲中,每個Switch基本單元為:T1+D1

兩電平舉例說明:3XFF600R12KE4 per Inverter

(FF600R12KE4)
62mm封裝的半橋模塊如上,三個半橋模塊置於散熱器,組成完整的三相逆變拓撲。假設每個模塊200W損耗,散熱器的溫升30℃,則散熱器總熱阻為30℃/(200W*3)=0.05K/W。
散熱器總共包含了6個Switch基本單元,因此IPOSIM中Rthha為:0.05*6=0.30K/W。
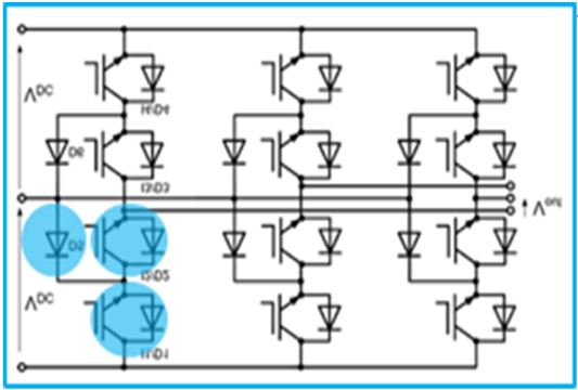
二、三電平仿真中的Rthha的定義與設置
三電平的拓撲相對複雜一些,以常見的三種拓撲NPC1、NPC2和ANPC為例,分別進行說明:

在NPC1拓撲中,每個Switch基本單元為:T1+D1+T2+D2+D5

在NPC2拓撲中,每個Switch基本單元為:T1+D1+T2+D2

在ANPC拓撲中,每個Switch基本單元為:T1+D1+T2+D2+T5+D5
三電平NPC1舉例說明:
3XF3L150R07W2E3_B11 per Inverter

(F3L150R07W2E3_B11)
在中小功率的三電平應用裏,1個模塊就能裝下三電平的1個甚至3個橋臂。如Easy2B封裝的三電平模塊F3L150R07W2E3_B11,模塊內為1個NPC1橋臂,3個模塊置於散熱器上,組成完整的三電平的三相逆變拓撲。假設每個Easy2B模塊損耗200W, 散熱器的溫升30℃,則散熱器總熱阻為:30℃/(200W*3)=0.05K/W。
散熱器總共包含了6個Switch基本單元,因此IPOSIM中Rthha為:0.05*6=0.30K/W。
三電平ANPC舉例說明:
3XFF600R12ME4_B72 per phase

(FF600R12ME4_B72)
在大功率的三電平應用裏,往往需要多個模塊才能組成1個三電平橋臂,如EconoDual3™封裝的半橋模塊FF600R12ME4_B72,3個模塊組成1個ANPC或NPC1的橋臂,同樣3個模塊置於散熱器上,隻是三電平拓撲的某一相。假設3個模塊損耗一共1200W,散熱器溫升50℃,則散熱器總熱阻為50℃/1200W=0.042K/W。
散熱器隻包含了2個Switch基本單元,因此IPOSIM中Rthha為:0.042*2=0.084K/W。
三、變頻器PIM模塊仿真中的Rthha的定義與設置
在中小功率的變頻器應用裏,常常會用到PIM模塊(包含整流、製動和逆變),如英飛淩最新IGBT7係列EasyPIM模塊FP25R12W2T7_B11。

如下圖所示,是基於有限元熱仿真的散熱器表麵溫度分布:環境溫度50℃,散熱器表麵最高溫度82.3℃,其中每個整流二極管RD的損耗為3W,每個IGBT的損耗為10W,每個FWD的損耗為4W。

考慮到模塊內整流部分和逆變部分的相互影響,我們可分別計算逆變(Inv)和整流(Rec)部分的Switch對應的散熱器熱阻Rthha,其中:
PIM模塊逆變部分的散熱器熱阻Rthha(Inv)=(82.3℃-50℃)/(10W+4W)=2.30K/W
PS:如果按散熱器總熱阻X6去折算逆變部分的熱阻,會存在低估的情況:
散熱器總熱阻=(82.3℃-50℃)/(6*10W+6*4W+6*3W)=0.317K/W,
即0.317*6=1.90K/W,
比上述的熱阻值2.30K/W偏低約18%。
散熱器(總)熱阻在不同工況下的變化
散熱器的熱阻並非定值,而是會隨熱源的分布變化而變化。
在一些大功率三電平的應用場合,一方麵,各個模塊之間的損耗不同;同tong時shi,模mo塊kuai間jian損sun耗hao差cha異yi還hai會hui隨sui著zhe工gong況kuang不bu同tong而er變bian化hua,因yin此ci,需xu要yao格ge外wai關guan注zhu此ci時shi散san熱re器qi總zong熱re阻zu的de變bian化hua情qing況kuang。如ru下xia,分fen別bie以yi常chang見jian白bai模mo塊kuai和he黑hei模mo塊kuai三san電dian平pingNPC1拓撲為例,進行簡單的分析。
案例一
基於EconoDual™3白模塊NPC1三電平,在某種水冷條件下,不同工況時的散熱器總熱阻:



案例二
基於PrimePACK™3黑模塊NPC1三電平,在某種水冷條件下,不同工況時的散熱器總熱阻:



因此,需考慮最惡劣工況下的熱阻,或者在不同工況仿真時,采取不同的散熱器熱阻應對,以獲得更準確的仿真結果。
綜上所述,文章總結了在IPOSIM中Rthha參數,在兩電平和三電平應用中的定義與設置,以及一些常見的問題,期望對大家如何正確選取Rthha進行準確的IPOSIM仿真有所幫助。
紙上得來終覺淺,絕知此事要躬行。
趕緊打開IPOSIM試試吧。
免責聲明:本文為轉載文章,轉載此文目的在於傳遞更多信息,版權歸原作者所有。本文所用視頻、圖片、文字如涉及作品版權問題,請聯係小編進行處理。
推薦閱讀:
特別推薦
- 噪聲中提取真值!瑞盟科技推出MSA2240電流檢測芯片賦能多元高端測量場景
- 10MHz高頻運行!氮矽科技發布集成驅動GaN芯片,助力電源能效再攀新高
- 失真度僅0.002%!力芯微推出超低內阻、超低失真4PST模擬開關
- 一“芯”雙電!聖邦微電子發布雙輸出電源芯片,簡化AFE與音頻設計
- 一機適配萬端:金升陽推出1200W可編程電源,賦能高端裝備製造
技術文章更多>>
- 築基AI4S:摩爾線程全功能GPU加速中國生命科學自主生態
- 一秒檢測,成本降至萬分之一,光引科技把幾十萬的台式光譜儀“搬”到了手腕上
- AI服務器電源機櫃Power Rack HVDC MW級測試方案
- 突破工藝邊界,奎芯科技LPDDR5X IP矽驗證通過,速率達9600Mbps
- 通過直接、準確、自動測量超低範圍的氯殘留來推動反滲透膜保護
技術白皮書下載更多>>
- 車規與基於V2X的車輛協同主動避撞技術展望
- 數字隔離助力新能源汽車安全隔離的新挑戰
- 汽車模塊拋負載的解決方案
- 車用連接器的安全創新應用
- Melexis Actuators Business Unit
- Position / Current Sensors - Triaxis Hall
熱門搜索
微波功率管
微波開關
微波連接器
微波器件
微波三極管
微波振蕩器
微電機
微調電容
微動開關
微蜂窩
位置傳感器
溫度保險絲
溫度傳感器
溫控開關
溫控可控矽
聞泰
穩壓電源
穩壓二極管
穩壓管
無焊端子
無線充電
無線監控
無源濾波器
五金工具
物聯網
顯示模塊
顯微鏡結構
線圈
線繞電位器
線繞電阻



