差分運放和儀表放大器應用科普貼——模擬小信號前端處理探索
發布時間:2021-09-05 來源:Wolfe Yu Excelpoint世健 責任編輯:wenwei
【導讀】圍繞如何處理小信號前端這一話題,近期引起了一波討論熱潮。《世說芯語》專欄的特邀作者小狼在這裏就小信號前端、確定測量範圍、抑製噪聲、提高信噪比等問題進行了介紹和分析。
運算放大器結構探秘
大學模擬電子課上,老師反複強調:理想運放的增益無窮大,分析運放,首先注意虛斷和虛短,我們都堅決貫徹老師的說教,然而忽略了其他一些比較重要的概念:比如共模抑製比、失調電壓、偏置電流等。
一、運放輸入模型
按照運放模型,比較全麵的梳理出運放的基本模型:就是差模信號和共模信號的疊加。

二、虛短概念
上學時,老師一直強調,理想運放要注意虛斷和虛短。運放的同相端輸入和反相端輸入相等,這是怎麼一回事呢?

理想運放開環增益無窮大,實際略小,大部分在100dB(100000)倍左右,按這個增益,要讓輸出變化3V,同相反相輸入端隻需30uV的壓差即可,如果加上紋波、噪聲等幹擾信號,同相反相端基本上無變化。
於是又引入反饋,做閉環,同相反相端的電壓差忽略不計。如同撐杠杆,小臂微微一動,大臂不住晃動。

三、差模輸入和共模輸入
在應用中,運放可以輸入差模信號,也可以輸入共模信號,共模信號大部分來自噪聲,最核心的願景是:共模被抵消,差模被放大。

舉ju個ge例li子zi,有you人ren在zai高gao鐵tie車che廂xiang內nei做zuo過guo一yi個ge實shi驗yan,豎shu著zhe擺bai放fang一yi排pai硬ying幣bi,不bu管guan車che速su多duo快kuai,硬ying幣bi都dou立li得de很hen穩wen。這zhe好hao比bi共gong模mo信xin號hao,外wai麵mian環huan境jing怎zen樣yang變bian化hua,信xin號hao不bu受shou影ying響xiang。差cha模mo信xin號hao呢ne,就jiu像xiang人ren在zai車che廂xiang裏li來lai回hui走zou動dong,隻zhi要yao正zheng常chang範fan圍wei內nei,都dou不bu受shou到dao外wai界jie的de幹gan擾rao。

四、輸入電壓範圍(Vin或Vcm)
運yun算suan放fang大da器qi輸shu入ru範fan圍wei比bi較jiao複fu雜za,理li論lun上shang來lai講jiang,同tong相xiang端duan和he反fan相xiang端duan模mo擬ni輸shu入ru在zai電dian源yuan的de正zheng軌gui到dao負fu軌gui之zhi間jian都dou能neng滿man足zu,運yun放fang的de上shang下xia管guan大da致zhi對dui稱cheng,大da部bu分fen時shi間jian,取qu運yun放fang的de共gong模mo輸shu入ru電dian壓yaVcm為1/2 Vdd。這樣,運放主要工作在線性區。

五、小信號檢測方法
yunsuanfangdaqiyonglaizuodianliuxiaoxinhaocaijishi,wangwanghuimianlinyigelingrenyihuodewenti,xinhaogairuhecaiji?shicaiyonggaobiandianliujiancehaishicaiyongdibiandianliujiance?bufendeyijiancaidibian,bufenrendeyijianshicaigaobian,dajiageshujijian,mozhongyishi。

舞台看戲,下層的演員多,而且間雜觀眾,很容易被遮擋,被觀眾淹沒;樓上的明顯好得多,容易被分辨,樓層越高,成本也更高,修樓費工時、造價不便宜!

差分放大器介紹
yigebutaixingxiangdebiyu,nizaiqiqudeshanlushang,tizhemanmandexingli,zhuiganyilianggaosuyunxingdehuoche,nixuyaopaodaochetouzhaodaonidezuowei,nihuijiaodefeichangchili,dagailvnihaizhuibushang;如果你已經上車了,站在車上,你會感覺很穩定,車尾車頭來回走,也會很輕鬆。

這跟共模幹擾比較類似,由於傳感器信號主要是通過施加電壓差做為輸出,信號的差值電壓很小,而且,由於布局布線引起的EMI和共模幹擾、溫度漂移、等(deng)等(deng)。把(ba)傳(chuan)感(gan)器(qi)比(bi)喻(yu)做(zuo)攜(xie)帶(dai)行(xing)李(li)的(de)旅(lv)客(ke),把(ba)運(yun)放(fang)的(de)同(tong)相(xiang)端(duan)和(he)反(fan)相(xiang)端(duan)當(dang)做(zuo)車(che)廂(xiang),隻(zhi)要(yao)傳(chuan)感(gan)器(qi)信(xin)號(hao)給(gei)定(ding)在(zai)這(zhe)中(zhong)間(jian),相(xiang)對(dui)的(de)幹(gan)擾(rao)就(jiu)會(hui)小(xiao)很(hen)多(duo)。由(you)於(yu)傳(chuan)感(gan)器(qi)的(de)信(xin)號(hao)存(cun)在(zai)壓(ya)差(cha),避(bi)免(mian)運(yun)放(fang)異(yi)常(chang)飽(bao)和(he),引(yin)入(ru)差(cha)分(fen)放(fang)大(da)器(qi)。

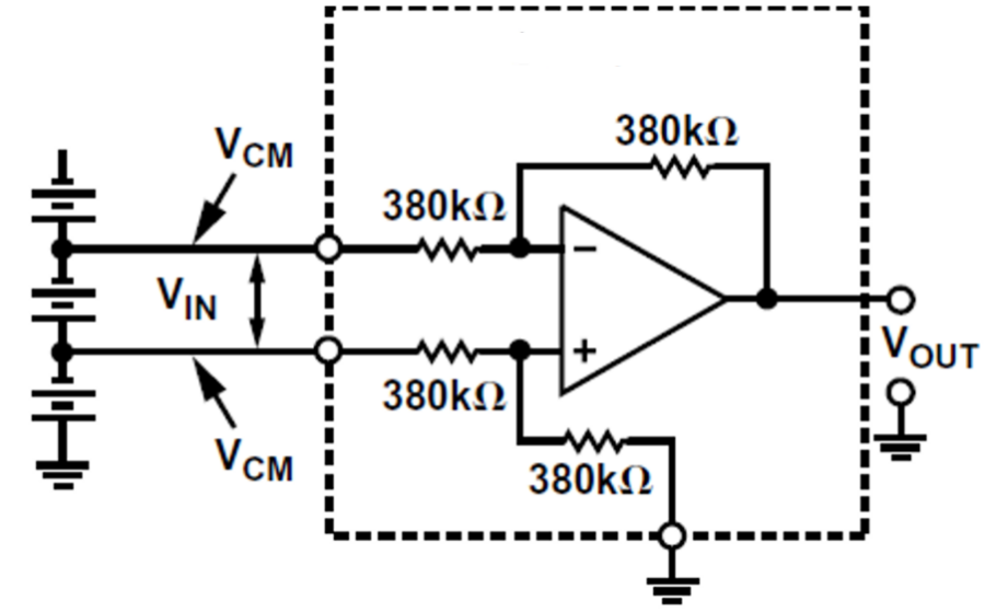
基於成本考慮,行業之內,大部分設計還會采用普通運放,基於減法器的模型,搭建一個差動放大器。

chafenfangdaqideyuanlijiuxiangzhaojingzi,wulixueshangdeshuofachengzuojingxiang,jiangjiuduichenghepingheng,zhiyouzuodaoliangbianyimoyiyang,xiaoguocaihuizuijia,fouze,jiuhuishizhen。

weilezuodaojingxiangxiaoguo,xuyaozaimoniqianduanzuozukangpipei,youyugediancankaoyuanbutong,zukangyouyouwucha,wanquanzukangpipeifeichangkunnan,xiatushiyigejingdiandechafenyunfang,tongguoshuchujingmodianyaUoz,用KCL去求解同相輸入和反相輸入阻抗,結果差異很大。

有人會問,如何確定上麵各電阻的值?正常來說,按照鏡像原理,偏置電流一樣,放大倍數相當,可以很容易求出4個電阻之間的關係,如何確定R1,會略微麻煩點,需要查運放的幾個限製條件,阻值需滿足:大於瞬時輸出電壓/最大輸出電流、小於輸入失調電壓/輸入偏置電流、還要注意熱噪聲影響,等等。
儀表放大器介紹
差分放大器能處理大部分模擬前端,但是,由於係統輸入阻抗有限,需要加入複雜的匹配電路,然而,外圍電阻精度和PCB線路阻抗,又會產生新的問題。
為了解決差分運放輸入阻抗較低等問題,各大廠家又做了很多優化,有人采用如圖的雙運放方法來實現儀表放大。

雙運放有兩個弱點:不支持單位增益、butongpinlvdegongmoyizhibijiaocha。yushizhongduochangshangyinrulingyizhongfangan,caiyongsanyunfangfangfa,bushaodachangtuichudeyibiaofangdaqi,doushijiyusanyunfangyuanlilaishixiande。

Microchip運放解決方案
儀表放大器 MCP6N16-100
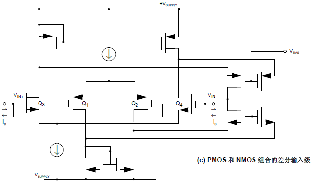
針對工業客戶應用,Microchip提出自己獨特的解決方案,與眾多廠商推出三運放儀表放大器方案不同,Microchip推出間接電流反饋型儀表放大器,間接電流反饋型儀表放大器內部結構如下圖所示。

間接電流反饋型儀表放大器是怎麼工作的呢?前級做跨導放大,實現V-I轉換,後級做跨阻放大I-V轉換,用下麵這張圖來描述,也許會更準確一些。

間接電流反饋型儀表放大器和三運放儀表放大器存在一些差別,主要優勢:
● 在寬Vcm範圍內具有高CMRR(軌到軌)
● 工作區域廣(Vin和Vout)
● 適合低電壓應用
● 無“Hex”圖
● 高阻態Vref輸入
● 更好的增益溫度係數匹配
應用案例——惠斯通橋

零漂移放大器 MCP6V61
另外,Microchip的零漂移放大器產品,主要針對較低成本應用,主要特點:
高直流精度
- VOS 漂移: ±15 nV/°C
- AOL: 125 dB
- PSRR: 117 dB
- CMRR: 120 dB
- (EMIRR) at 1.8 GHz: 101 dB
- 低功耗
- 靜態電流80uA
應用案例——RTD傳感器

Wolfe表示,Microchip還推出了多款有特色的運放產品,比如低噪聲、高精度、全差分係列的MCP6D11、高邊電流檢測係列MCP6C04等。結合Excelpoint世健的技術支持等服務,可以幫助客戶提供一站式選型平台,減少工作難度,盡快讓產品上市。


來源:世健
免責聲明:本文為轉載文章,轉載此文目的在於傳遞更多信息,版權歸原作者所有。本文所用視頻、圖片、文字如涉及作品版權問題,請聯係小編進行處理。
推薦閱讀:
特別推薦
- 噪聲中提取真值!瑞盟科技推出MSA2240電流檢測芯片賦能多元高端測量場景
- 10MHz高頻運行!氮矽科技發布集成驅動GaN芯片,助力電源能效再攀新高
- 失真度僅0.002%!力芯微推出超低內阻、超低失真4PST模擬開關
- 一“芯”雙電!聖邦微電子發布雙輸出電源芯片,簡化AFE與音頻設計
- 一機適配萬端:金升陽推出1200W可編程電源,賦能高端裝備製造
技術文章更多>>
- 築基AI4S:摩爾線程全功能GPU加速中國生命科學自主生態
- 一秒檢測,成本降至萬分之一,光引科技把幾十萬的台式光譜儀“搬”到了手腕上
- AI服務器電源機櫃Power Rack HVDC MW級測試方案
- 突破工藝邊界,奎芯科技LPDDR5X IP矽驗證通過,速率達9600Mbps
- 通過直接、準確、自動測量超低範圍的氯殘留來推動反滲透膜保護
技術白皮書下載更多>>
- 車規與基於V2X的車輛協同主動避撞技術展望
- 數字隔離助力新能源汽車安全隔離的新挑戰
- 汽車模塊拋負載的解決方案
- 車用連接器的安全創新應用
- Melexis Actuators Business Unit
- Position / Current Sensors - Triaxis Hall
熱門搜索
微波功率管
微波開關
微波連接器
微波器件
微波三極管
微波振蕩器
微電機
微調電容
微動開關
微蜂窩
位置傳感器
溫度保險絲
溫度傳感器
溫控開關
溫控可控矽
聞泰
穩壓電源
穩壓二極管
穩壓管
無焊端子
無線充電
無線監控
無源濾波器
五金工具
物聯網
顯示模塊
顯微鏡結構
線圈
線繞電位器
線繞電阻



