醫療智能穿戴設備硬件方案
發布時間:2021-07-07 來源:世健 責任編輯:wenwei
【導讀】隨著互聯健康概念的興起,醫療智能穿戴設備市場逐漸擴大,根據市場研究公司Counterpoint Research調查指出,疫情促使消費者健康意識提高,這更使得醫療智能穿戴設備受到市場青睞,增長幅度不斷攀高。
本次我們通過技術型分銷商Exclpointshijianyaoqinglelaizizhuanyeyiliaozhinengchuandaishebeilingyuqiyedegongchengshifenggonggendajiafenxiangshizhananli。gaigongsishishijianduoniandekehu,zhuyaocongshiyixuezhenduanchanpinyanfa、生產、銷售及服務。而馮工有著深厚的學術和實戰經驗。
項目需求
● 可穿戴產品尺寸小,要求器件選型封裝小、集成度高;
● 超低功耗,可充電電池供電;
● 有連續監測心率功能;
● 有連續監測血氧飽和度功能;
● 計步功能,能存一個月以上的數據量,掉電不丟失。
● 心率監測方案
心(xin)率(lv)監(jian)測(ce)可(ke)基(ji)於(yu)心(xin)電(dian)信(xin)號(hao)檢(jian)測(ce),人(ren)體(ti)心(xin)髒(zang)的(de)周(zhou)期(qi)性(xing)跳(tiao)動(dong)是(shi)有(you)生(sheng)物(wu)電(dian)信(xin)號(hao)精(jing)密(mi)控(kong)製(zhi)的(de),隻(zhi)要(yao)能(neng)夠(gou)捕(bu)捉(zhuo)到(dao)心(xin)電(dian)信(xin)號(hao),就(jiu)能(neng)計(ji)算(suan)心(xin)率(lv),但(dan)是(shi)心(xin)電(dian)檢(jian)測(ce)需(xu)要(yao)獲(huo)取(qu)人(ren)體(ti)多(duo)處(chu)電(dian)位(wei),硬(ying)件(jian)實(shi)現(xian)複(fu)雜(za)、方案成本高。有一種方案是諧振式檢測方案,傳感器感(gan)應(ying)動(dong)脈(mai)搏(bo)動(dong)的(de)壓(ya)力(li)變(bian)化(hua),從(cong)而(er)統(tong)計(ji)出(chu)心(xin)率(lv)。但(dan)該(gai)方(fang)案(an)的(de)實(shi)現(xian)需(xu)要(yao)將(jiang)設(she)備(bei)放(fang)置(zhi)於(yu)人(ren)體(ti)脈(mai)搏(bo)明(ming)顯(xian)的(de)部(bu)位(wei),對(dui)於(yu)可(ke)穿(chuan)戴(dai)設(she)備(bei)佩(pei)戴(dai)方(fang)式(shi)將(jiang)是(shi)一(yi)種(zhong)挑(tiao)戰(zhan)。還(hai)有(you)一(yi)種(zhong)方(fang)案(an)是(shi)光(guang)電(dian)式(shi)檢(jian)測(ce),基(ji)本(ben)原(yuan)理(li)是(shi)血(xue)液(ye)會(hui)反(fan)射(she)紅(hong)光(guang)而(er)吸(xi)收(shou)綠(lv)光(guang)。心(xin)髒(zang)跳(tiao)動(dong)時(shi),流(liu)經(jing)皮(pi)膚(fu)的(de)血(xue)液(ye)會(hui)增(zeng)加(jia),吸(xi)收(shou)的(de)綠(lv)光(guang)也(ye)會(hui)增(zeng)加(jia);心跳間隔期,血液在血管中流量減少隨之吸收綠光減少。當設備使用綠色LED,配(pei)合(he)對(dui)光(guang)敏(min)感(gan)的(de)光(guang)電(dian)傳(chuan)感(gan)器(qi),就(jiu)可(ke)以(yi)檢(jian)測(ce)任(ren)意(yi)時(shi)間(jian)點(dian)流(liu)經(jing)人(ren)體(ti)皮(pi)膚(fu)各(ge)處(chu)的(de)血(xue)液(ye)流(liu)量(liang),通(tong)過(guo)統(tong)計(ji)數(shu)據(ju),以(yi)每(mei)次(ci)血(xue)流(liu)量(liang)的(de)最(zui)高(gao)點(dian)作(zuo)為(wei)一(yi)次(ci)周(zhou)期(qi),這(zhe)樣(yang)就(jiu)可(ke)以(yi)計(ji)算(suan)心(xin)率(lv)。並(bing)且(qie)可(ke)以(yi)將(jiang)設(she)備(bei)設(she)計(ji)成(cheng)手(shou)表(biao)形(xing)態(tai),方(fang)便(bian)的(de)戴(dai)於(yu)手(shou)腕(wan)處(chu)。
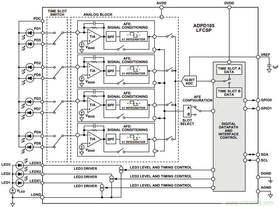
基於光電式的心率監測方案(也稱光電容積脈搏波描記法PPG),硬件上需要有光源驅動、光電轉換、模數轉換數據處理等模塊。一般光源驅動我們選擇恒流源(需要可以微調電流和一定的頻率開關);光電轉換選擇光電二極管然後用運放進行流壓轉換和信號調理;最後用A/D芯片實現模擬量的數字轉換並送至MCU進行處理。硬件方案如果采用分立器件,那麼芯片數量較多,並且空間受限,所以最好還是采用集成器件。ADI公司擁有多功能光電式測量前端芯片(型號:ADPD105),完全集成式AFE、ADC、LED 驅動器和時序內核, 提供一流的環境光抑製性能,無需光電二極管濾光器;靈活的數字接口SPI、I2C 可供選擇;功耗低,1.8 V模擬/數字超低工作電源,待機模式僅0.3μA電流,適合電池供電的設備;靈活的采樣頻率範圍:0.122 Hz ~3820 Hz;多達3個LED恒流源,每通道峰值電流達370mA;擁有WLCSP芯片級封裝,極致的小體積適合空間受限應用。其內部功能框圖如圖1。

圖1
血氧飽和度監測方案
光電容積脈搏波描記法(PPG)不僅可以用於心率檢測,通過一定算法處理也可測量血氧,為無創式血氧監測提供了很好的方案。
原理:由於氧合血紅蛋白(HbO2)和血紅蛋白(Hb)這兩種物質對波長600 ~ 1000nm的光具有一定的吸收特性。Hb對600 ~ 800nm之間的光吸收係數更高,HbO2對800~1000之間光的吸收係數更高。所以可以利用紅光(600 ~ 800nm)和接近紅外(IR)(800 ~ 1000nm)的光分別檢測HbO2和Hb的PPG信號,再通過程序處理算出相應的比值,這樣就得到了血氧值。
利用ADPD105其中兩通道LED恒流源分別驅動紅光LED和近紅外LED,另外一通道恒流源驅動綠光LED用yong於yu心xin率lv檢jian測ce,對dui於yu光guang接jie受shou器qi可ke以yi使shi用yong同tong一yi個ge,分fen時shi複fu用yong,分fen別bie去qu采cai集ji心xin率lv信xin號hao和he血xue氧yang信xin號hao,在zai最zui少shao的de器qi件jian下xia高gao效xiao完wan成cheng數shu據ju采cai集ji,綜zong合he成cheng本ben最zui低di。另ling外wai近jin期qi關guan注zhu的deADI新產品ADPD410X,是ADPD係列比較新的產品,它同時擁有8路LED驅動光路和8路的數據采集通道,更高的集成度和采樣精度,同時支持PPG,ECG和EDA的測量。它能作為本案的功能拓展方案。
計步功能方案
jibufanganshiyongzuiduodejiushisanzhoujiasuduchuanganqi,tongguosuanfashibiexingzoushidesanzhoudongtaishuju,jikeshixianjibugongneng。benfanganshijiyukechuandaishebei,yincixinpiandegonghao、體積成為重要考慮因素。ADXL363是一款超低功耗的3個傳感器組合產品,由3軸MEMS加速度計、溫度傳感器和用於同步轉換外部信號的ADC輸入端組成。整個係統輸出數據速率為100 Hz時功耗低於2µA,在運動觸發喚醒模式下功耗為270 nA;1.6~3.5V工作電源範圍,便捷的兼容其他器件的電源;ADXL363還提供針對內部ADC的訪問,可同步轉換外部的模擬輸入。緊湊型的LGA封裝非常符合可穿戴式設備應用。其內部功能框圖如圖2。

圖2
MCU選型
本方案MCU選型需要兼顧高性能和低功耗。ADI公司的ADuCM3029擁有超低功耗特性:活動模式(完全開啟模式):< 30μA/MHz(典型值),休眠模式(帶SRAM保留):<750nA(典型值),關斷模式(可選RTC活動):<60nA(典型值);集成MPU的ARM® Cortex®-M3處理器,高性能內核處理算法遊刃有餘;集成ECC的256 KB嵌入式閃存,方便存儲離線數據;較低的電壓供電(1.74V至3.6V)可以允許使用紐扣電池;片內外設SPI、UART、IIC、Timer、DAC、DMA、Watchdog應有盡有,方便使用;內置32kHz振蕩器和26MHz高頻振蕩器,也支持外部時鍾源;擁有兩種緊湊型WLCSP/LFCSP可供選擇,適用於體積空間受限的應用。
另外可利用高性能的ADuCM4050作為高端升級版本的選擇,它擁有更好的性能和更低功耗在休眠和關斷模式下,在:活動模式(完全開啟模式):< 41μA/MHz(典型值),休眠模式(帶SRAM保留):<650nA(典型值),關斷模式(可選RTC活動):<50nA(典型值);ARM Cortex-M4F處理器,52 MHz,並帶FPU, MPU, ITM, SWD接口,兼容性更強,EEC的升級至512KB,方便存儲更多的離線數據;
電源方案
可穿戴式設備需要可充電電源,一般選用鋰電池,因此需要鋰電池管理芯片。LTC4065L是一款用於單節鋰電池的完整恒流/恒壓線性充電器,由於外形尺寸小(DFN封裝2mm*2mm),能夠準確地調節低充電電流,因而非常適用於低容量鋰電池;而且可以通過USB標準取電工作;還有強大的充電異常保護功能:自動再充電、低電池電量充電調節(涓流充電)、軟器動功能(用於限值湧入電流)。
方案中MCU、加速度傳感器、模擬前端芯片都可以工作在1.8V範圍,對於鋰電池的3.7V還需要LDO用於降壓。由於有模擬電路,故需選擇盡量低噪聲的LDO。LT 3042擁有超低噪聲0.8µVRMS(10 Hz~100 kHz),超高電源抑製比(最低79 dB @1MHz);超低的工作壓降(350mV);輸出可調(0~15V);緊湊型DFN封裝(3mm*3mm)。
免責聲明:本文為轉載文章,轉載此文目的在於傳遞更多信息,版權歸原作者所有。本文所用視頻、圖片、文字如涉及作品版權問題,請聯係小編進行處理。
推薦閱讀:
特別推薦
- 噪聲中提取真值!瑞盟科技推出MSA2240電流檢測芯片賦能多元高端測量場景
- 10MHz高頻運行!氮矽科技發布集成驅動GaN芯片,助力電源能效再攀新高
- 失真度僅0.002%!力芯微推出超低內阻、超低失真4PST模擬開關
- 一“芯”雙電!聖邦微電子發布雙輸出電源芯片,簡化AFE與音頻設計
- 一機適配萬端:金升陽推出1200W可編程電源,賦能高端裝備製造
技術文章更多>>
- 一秒檢測,成本降至萬分之一,光引科技把幾十萬的台式光譜儀“搬”到了手腕上
- AI服務器電源機櫃Power Rack HVDC MW級測試方案
- 突破工藝邊界,奎芯科技LPDDR5X IP矽驗證通過,速率達9600Mbps
- 通過直接、準確、自動測量超低範圍的氯殘留來推動反滲透膜保護
- 從技術研發到規模量產:恩智浦第三代成像雷達平台,賦能下一代自動駕駛!
技術白皮書下載更多>>
- 車規與基於V2X的車輛協同主動避撞技術展望
- 數字隔離助力新能源汽車安全隔離的新挑戰
- 汽車模塊拋負載的解決方案
- 車用連接器的安全創新應用
- Melexis Actuators Business Unit
- Position / Current Sensors - Triaxis Hall
熱門搜索
按鈕開關
白色家電
保護器件
保險絲管
北鬥定位
北高智
貝能科技
背板連接器
背光器件
編碼器型號
便攜產品
便攜醫療
變容二極管
變壓器
檳城電子
並網
撥動開關
玻璃釉電容
剝線機
薄膜電容
薄膜電阻
薄膜開關
捕魚器
步進電機
測力傳感器
測試測量
測試設備
拆解
場效應管
超霸科技


