如何優化48V輕混電動車(MHEV)的電機驅動器設計
發布時間:2021-03-02 來源:Issac Hsu 責任編輯:wenwei
【導讀】製造商製造輕混電動車(MHEV)的最終目標是減少溫室氣體(GHG)排放。輕混電動車包含一個連接到車輛變速器係統的48V電機驅動係統。為了減少溫室氣體排放,輕混電動車中的內燃機(ICE)會在車輛滑行時關閉,同時該48V電機係統會為48V電池充電,以便為車輛供電。在本文中,我將討論48V電機驅動器的一種設計方法,該設計可提供大功率的電機驅動,實現功能安全並且尺寸更加小巧。
大功率電機驅動的注意事項
對於汽車動力總成應用,典型的48V電機驅動係統需要10kW至30kW的電功率。傳統的12V電池係統無法滿足該功率水平,因此必須采用48V架構來支持大功率電機驅動。
閱讀白皮書《如何構建功能安全的小型48V、30kW輕混電動車電機驅動係統》,詳細了解如何解決電機驅動係統驅動電路中的重大設計難題。
如圖1所示,48V電機驅動器控製外部金屬-氧化物半導體場效應晶體管(MOSFET),以使電機旋轉。這些外部MOSFET必須支持600A以上的電流才能實現30kW的功率目標。有效減小MOSFET的RDS(on)可減小熱耗散和導通損耗,在某些情況下,每個通道中並聯多個MOSFET將有助於分散熱量,如應用手冊《使用DRV3255-Q1驅動並聯MOSFET》中所述。MOSFET的總柵極電荷可能高達1,000nC。
設計人員還需要優化由開關損耗引起的功率耗散,以使整個解決方案符合汽車電磁兼容性(EMC)規範。高柵極電流柵極驅動器(如DRV3255-Q1)可以驅動高柵極電荷MOSFET,其峰值源電流高達3.5A,峰值吸電流高達4.5A。即使在柵極電荷為1,000nCdeqingkuangxia,rucigaodeshuchudianliuyekeyishixianhenduandeshangshenghexiajiangshijian。kexuandezhajiqudongqishuchudianliushuipingshininkeyiweitiaoshangshenghexiajiangshijian,congerzaikaiguansunhaohediancijianrongxing(EMC)之間進行優化。

圖1:大功率48V電機驅動器的最常見電源架構
即使電池的標稱電壓為48V,電源電壓也可能因運行期間的瞬態情況而發生很大的變化;請參閱圖2中國際標準化組織 (ISO) 21780 規定的電壓水平。此外,考慮到MOSFET寄生體二極管的反向恢複時間,電機驅動器引腳需要能夠承受負瞬態電壓。

圖2:ISO 21780規定的48V係統的電壓水平
憑借能夠承受105V電壓的高側自舉引腳,DRV3255-Q1能夠在90V的電壓下支持真正的連續工作,並支持高達95V的瞬態電壓。自舉的高側MOSFET源極和低側MOSFET源極的額定瞬態電壓為–15V,從而提供大功率電機驅動器係統所需的強大保護。
48V電機驅動器的功能安全注意事項
48V電機驅動係統存在產生不必要功耗的風險,這可能會導致出現過壓情況,從而損壞係統。正常的係統響應是使所有高側或低側MOSFET導通,使電機電流再循環,避免產生更多電流。如果出現故障,係統必須具有適當地切換功能性MOSFET的機製,以避免進一步損壞。實施此類保護通常需要外部邏輯和比較器。
利用集成在DRV3255-Q1中的主動短路邏輯,您可以決定在檢測到故障情況時應如何響應。可以將該邏輯配置為啟用所有高側MOSFET、啟用所有低側MOSFET或在低側和高側MOSFET之間動態切換(具體取決於故障情況),而不是通過禁用所有MOSFET來響應故障情況。此外,DRV3255-Q1符合ISO 26262規定的功能安全標準,並包含診斷和保護功能,可支持ASIL D級的功能安全電機驅動器係統。
48V電機驅動器的尺寸注意事項
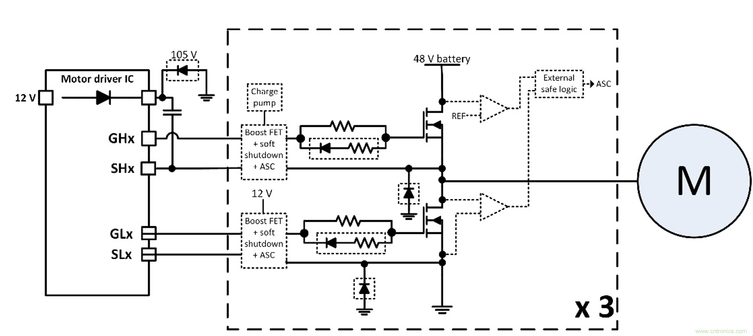
發動機艙中的空間有限,因此要求48V電機驅動器係統的電路板具有較小的尺寸。圖3展示了傳統48V大功率電機驅動器設計的典型電機驅動器方框圖。要實現具有強大保護功能的安全電機驅動器係統,需要使用鉗位二極管、外部驅動電路、彙路電阻器和二極管、比較器以及外部安全邏輯。這些外部器件會導致布板空間增大並使係統成本升高。

圖3:典型的48V大功率電機驅動器方框圖
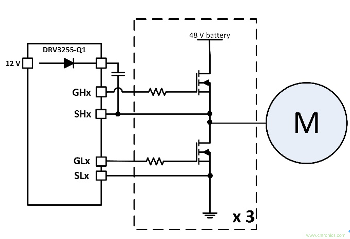
在采用DRV3255-Q1後,通過集成外部邏輯和比較器、可調節高電流柵極驅動器以及對大電壓瞬態的支持(無需額外的外部器件),可以提供顯著的優勢來有效減小總體電路板尺寸,如圖4所示。

圖4:簡化的DRV3255-Q1電機驅動器方框圖
隨著48V輕混電動車日益普遍,您是否考慮為下一輛汽車采用輕混電動車?
免責聲明:本文為轉載文章,轉載此文目的在於傳遞更多信息,版權歸原作者所有。本文所用視頻、圖片、文字如涉及作品版權問題,請聯係小編進行處理。
推薦閱讀:
特別推薦
- 噪聲中提取真值!瑞盟科技推出MSA2240電流檢測芯片賦能多元高端測量場景
- 10MHz高頻運行!氮矽科技發布集成驅動GaN芯片,助力電源能效再攀新高
- 失真度僅0.002%!力芯微推出超低內阻、超低失真4PST模擬開關
- 一“芯”雙電!聖邦微電子發布雙輸出電源芯片,簡化AFE與音頻設計
- 一機適配萬端:金升陽推出1200W可編程電源,賦能高端裝備製造
技術文章更多>>
- 築基AI4S:摩爾線程全功能GPU加速中國生命科學自主生態
- 一秒檢測,成本降至萬分之一,光引科技把幾十萬的台式光譜儀“搬”到了手腕上
- AI服務器電源機櫃Power Rack HVDC MW級測試方案
- 突破工藝邊界,奎芯科技LPDDR5X IP矽驗證通過,速率達9600Mbps
- 通過直接、準確、自動測量超低範圍的氯殘留來推動反滲透膜保護
技術白皮書下載更多>>
- 車規與基於V2X的車輛協同主動避撞技術展望
- 數字隔離助力新能源汽車安全隔離的新挑戰
- 汽車模塊拋負載的解決方案
- 車用連接器的安全創新應用
- Melexis Actuators Business Unit
- Position / Current Sensors - Triaxis Hall
熱門搜索




