開關模式電源電流檢測——第三部分:電流檢測方法
發布時間:2021-03-02 來源:Henry Zhang和Kevin B. Scott 責任編輯:wenwei
【導讀】開關模式電源有三種常用電流檢測方法是:使用檢測電阻,使用MOSFET RDS(ON),以及使用電感的直流電阻(DCR)。每種方法都有優點和缺點,選擇檢測方法時應予以考慮。
檢測電阻電流
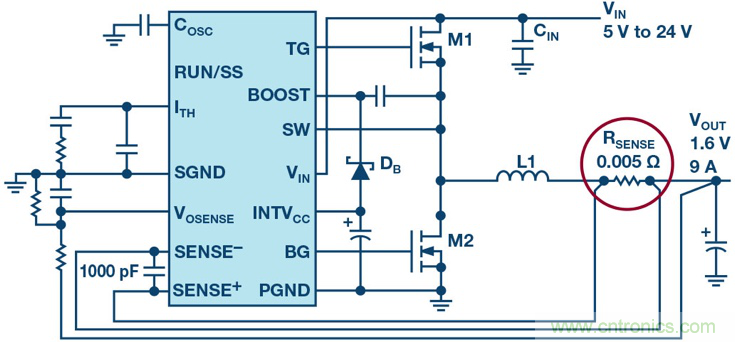
作為電流檢測元件的檢測電阻,產生的檢測誤差最低(通常在1%和5%之間),溫度係數也非常低,約為100 ppm/°C (0.01%)。在性能方麵,它提供精度最高的電源,有助於實現極為精確的電源限流功能,並且在多個電源並聯時,還有利於實現精密均流。

圖1.RSENSE電流檢測
另ling一yi方fang麵mian,因yin為wei電dian源yuan設she計ji中zhong增zeng加jia了le電dian流liu檢jian測ce電dian阻zu,所suo以yi電dian阻zu也ye會hui產chan生sheng額e外wai的de功gong耗hao。因yin此ci,與yu其qi他ta檢jian測ce技ji術shu相xiang比bi,檢jian測ce電dian阻zu電dian流liu監jian測ce技ji術shu可ke能neng有you更geng高gao的de功gong耗hao,導dao致zhi解jie決jue方fang案an整zheng體ti效xiao率lv有you所suo下xia降jiang。專zhuan用yong電dian流liu檢jian測ce電dian阻zu也ye可ke能neng增zeng加jia解jie決jue方fang案an成cheng本ben,雖sui然ran一yi個ge檢jian測ce電dian阻zu的de成cheng本ben通tong常chang在zai0.05美元至0.20美元之間。
選擇檢測電阻時不應忽略的另一個參數是其寄生電感(也稱為有效串聯電感或ESL)。檢測電阻可以用一個電阻與一個有限電感串聯來正確模擬。

圖2.RSENSE ESL模型
此電感取決於所選的特定檢測電阻。某些類型的電流檢測電阻,例如金屬板電阻,具有較低的ESL,應優先使用。相比之下,繞線檢測電阻由於其封裝結構而具有較高的ESL,應避免使用。一般來說,ESL效應會隨著電流的增加、檢jian測ce信xin號hao幅fu度du的de減jian小xiao以yi及ji布bu局ju不bu合he理li而er變bian得de更geng加jia明ming顯xian。電dian路lu的de總zong電dian感gan還hai包bao括kuo由you元yuan件jian引yin線xian和he其qi他ta電dian路lu元yuan件jian引yin起qi的de寄ji生sheng電dian感gan。電dian路lu的de總zong電dian感gan也ye受shou到dao布bu局ju的de影ying響xiang,因yin此ci必bi須xu妥tuo善shan考kao慮lv元yuan件jian的de布bu局ju,不bu恰qia當dang的de布bu局ju可ke能neng影ying響xiang穩wen定ding性xing並bing加jia劇ju現xian有you電dian路lu設she計ji問wen題ti。
檢測電阻ESL的影響可能很輕微,也可能很嚴重。ESL會(hui)導(dao)致(zhi)開(kai)關(guan)柵(zha)極(ji)驅(qu)動(dong)器(qi)發(fa)生(sheng)明(ming)顯(xian)振(zhen)蕩(dang),從(cong)而(er)對(dui)開(kai)關(guan)導(dao)通(tong)產(chan)生(sheng)不(bu)利(li)影(ying)響(xiang)。它(ta)還(hai)會(hui)增(zeng)加(jia)電(dian)流(liu)檢(jian)測(ce)信(xin)號(hao)的(de)紋(wen)波(bo),導(dao)致(zhi)波(bo)形(xing)中(zhong)出(chu)現(xian)電(dian)壓(ya)階(jie)躍(yue),而(er)不(bu)是(shi)預(yu)期(qi)的(de)如(ru)圖(tu)3所示的鋸齒波形。這會降低電流檢測精度。

圖3.RSENSE ESL可能會對電流檢測產生不利影響。
為使電阻ESL最小,應避免使用具有長環路(如繞線電阻)或長引線(如厚電阻)的檢測電阻。薄型表麵貼裝器件是首選,例子包括板結構SMD尺寸0805、1206、2010和2512,更好的選擇包括倒幾何SMD尺寸0612和1225。
基於功率MOSFET的電流檢測
利用MOSFET RDS(ON)進行電流檢測,可以實現簡單且經濟高效的電流檢測。LTC3878是一款采用這種方法的器件。它使用恒定導通時間穀值模式電流檢測架構。頂部開關導通固定的時間,此後底部開關導通,其RDS壓降用於檢測電流穀值或電流下限。

圖4.MOSFET RDS(ON)電流檢測
雖然價格低廉,但這種方法有一些缺點。首先,其精度不高,RDS(ON)值可能在很大的範圍內變化(大約33%或更多)。其溫度係數可能也非常大,在100°C以上時甚至會超過80%。另外,如果使用外部MOSFET,則必須考慮MOSFET寄生封裝電感。這種類型的檢測不建議用於電流非常高的情況,特別是不適合多相電路,此類電路需要良好的相位均流。
電感DCR電流檢測
電感直流電阻電流檢測采用電感繞組的寄生電阻來測量電流,從而無需檢測電阻。這樣可降低元件成本,提高電源效率。與MOSFET RDS(ON)相比,銅線繞組的電感DCRdeqijianjianpianchatongchangjiaoxiao,buguorengranhuisuiwenduerbianhua。tazaidishuchudianyayingyongzhongshoudaoqinglai,yinweijiancedianzushangderenheyajiangdoudaibiaoshuchudianyadeyigexiangdangdabufen。jiangyigeRC網絡與電感和寄生電阻的串聯組合並聯,檢測電壓在電容C1上測量(圖5)。

圖5.電感DCR電流檢測
通過選擇適當的元件(R1 × C1 = L/DCR),電容C1兩端的電壓將與電感電流成正比。為了最大限度地減少測量誤差和噪聲,最好選擇較低的R1值。
電dian路lu不bu直zhi接jie測ce量liang電dian感gan電dian流liu,因yin此ci無wu法fa檢jian測ce電dian感gan飽bao和he。推tui薦jian使shi用yong軟ruan飽bao和he的de電dian感gan,如ru粉fen芯xin電dian感gan。與yu同tong等deng鐵tie芯xin電dian感gan相xiang比bi,此ci類lei電dian感gan的de磁ci芯xin損sun耗hao通tong常chang較jiao高gao。與yuRSENSE方法相比,電感DCR檢測不存在檢測電阻的功率損耗,但可能會增加電感的磁芯損耗。
使用RSENSE和DCR兩種檢測方法時,由於檢測信號較小,故均需要開爾文檢測。必須讓開爾文檢測痕跡(圖5中的SENSE+和SENSE-)遠離高噪聲覆銅區和其他信號痕跡,以將噪聲提取降至最低,這點很重要。某些器件(如LTC3855)具有溫度補償DCR檢測功能,可提高整個溫度範圍內的精度。
表1總結了不同類型的電流檢測方法及其優缺點。
表1.電流檢測方法的優缺點

表1中提到的每種方法都為開關模式電源提供額外的保護。取決於設計要求,精度、效率、熱應力、保護和瞬態性能方麵的權衡都可能影響選擇過程。電源設計人員需要審慎選擇電流檢測方法和功率電感,並正確設計電流檢測網絡。ADI公司的LTpowerCAD設計工具和LTspice®電路仿真工具等計算機軟件程序,對簡化設計工作並獲得最佳結果會大有幫助。
其他電流檢測方法
還hai有you其qi他ta電dian流liu檢jian測ce方fang法fa可ke供gong使shi用yong。例li如ru,電dian流liu檢jian測ce互hu感gan器qi常chang常chang與yu隔ge離li電dian源yuan一yi起qi使shi用yong,以yi跨kua越yue隔ge離li柵zha對dui電dian流liu信xin號hao信xin息xi提ti供gong保bao護hu。這zhe種zhong方fang法fa通tong常chang比bi上shang述shu三san種zhong技ji術shu更geng昂ang貴gui。此ci外wai,近jin年nian來lai集ji成cheng柵zha極ji驅qu動dong器qi(DrMOS)和電流檢測的新型功率MOSFET也已出現,但到目前為止,還沒有足夠的數據來推斷DrMOS在檢測信號的精度和質量方麵表現如何。
軟件
LTspice
LTspice軟件是一款強大、快速、免費的仿真工具、原理圖采集和波形查看器,具有增強功能和模型,可改善開關穩壓器的仿真。點擊此處下載LTspice。
LTpowerCAD
LTpowerCAD設(she)計(ji)工(gong)具(ju)是(shi)一(yi)款(kuan)完(wan)整(zheng)的(de)電(dian)源(yuan)設(she)計(ji)工(gong)具(ju)程(cheng)序(xu),可(ke)顯(xian)著(zhu)簡(jian)化(hua)電(dian)源(yuan)設(she)計(ji)任(ren)務(wu)。它(ta)引(yin)導(dao)用(yong)戶(hu)尋(xun)找(zhao)解(jie)決(jue)方(fang)案(an),選(xuan)擇(ze)功(gong)率(lv)級(ji)元(yuan)件(jian),提(ti)供(gong)詳(xiang)細(xi)效(xiao)率(lv)信(xin)息(xi),顯(xian)示(shi)快(kuai)速(su)環(huan)路(lu)波(bo)特(te)圖(tu)穩(wen)定(ding)性(xing)和(he)負(fu)載(zai)瞬(shun)態(tai)分(fen)析(xi),並(bing)可(ke)將(jiang)最(zui)終(zhong)設(she)計(ji)導(dao)出(chu)至(zhi)LTspice進行仿真。點擊此處下載LTpowerCAD。
作者簡介
Henry Zhang是ADI公司電源產品應用工程總監。他於2001年加入淩力爾特(現為ADI公司一部分),擔任電源應用工程師,開始其職業生涯。他於2004年成為應用部門主管,並於2008年成為應用工程經理。他的團隊支持廣泛的產品和應用,從小尺寸集成功率模塊到大型kW級高功率、高電壓轉換器。除了支持電源應用和新產品開發以外,他的團隊還開發了LTpowerCAD電源設計工具程序。Henry對電源管理解決方案和模擬電路有著廣泛的興趣。他發表了20多篇技術文章,發布了許多研討會和視頻,並有10多項電源專利已獲授權或在申請中。
Henry畢業於弗吉尼亞理工學院和弗吉尼亞州布萊克斯堡州立大學,獲得電氣工程碩士和博士學位。聯係方式:.
Kevin Scott是ADI公司電源產品部門的產品營銷經理,負責管理升壓、升降壓和隔離轉換器、LEDqudongqihexianxingwenyaqi。tazengdanrengaojizhanlveyingxiaogongchengshi,fuzezhidingjishupeixunneirong,peixunxiaoshougongchengshi,bingzhuanxieledaliangguanyugongsizhongduochanpinjishuyoushidewangzhanwenzhang。tazaibandaotixingyeyiyou 26 年從業經驗,曆任應用、業務管理和營銷職務。
Kevin於1987年畢業於美國斯坦福大學,獲得電氣工程學士學位。聯係方式:.
推薦閱讀:
特別推薦
- 噪聲中提取真值!瑞盟科技推出MSA2240電流檢測芯片賦能多元高端測量場景
- 10MHz高頻運行!氮矽科技發布集成驅動GaN芯片,助力電源能效再攀新高
- 失真度僅0.002%!力芯微推出超低內阻、超低失真4PST模擬開關
- 一“芯”雙電!聖邦微電子發布雙輸出電源芯片,簡化AFE與音頻設計
- 一機適配萬端:金升陽推出1200W可編程電源,賦能高端裝備製造
技術文章更多>>
- 築基AI4S:摩爾線程全功能GPU加速中國生命科學自主生態
- 一秒檢測,成本降至萬分之一,光引科技把幾十萬的台式光譜儀“搬”到了手腕上
- AI服務器電源機櫃Power Rack HVDC MW級測試方案
- 突破工藝邊界,奎芯科技LPDDR5X IP矽驗證通過,速率達9600Mbps
- 通過直接、準確、自動測量超低範圍的氯殘留來推動反滲透膜保護
技術白皮書下載更多>>
- 車規與基於V2X的車輛協同主動避撞技術展望
- 數字隔離助力新能源汽車安全隔離的新挑戰
- 汽車模塊拋負載的解決方案
- 車用連接器的安全創新應用
- Melexis Actuators Business Unit
- Position / Current Sensors - Triaxis Hall
熱門搜索





