使用數字多相控製器為數據中心提供支持
發布時間:2021-03-01 來源:Yat Tam 責任編輯:wenwei
【導讀】T服務的爆炸式增長正在推動著數據中心、網絡和電信設備的重大發展。而創新需求也對處理這些日益增多的數據的服務器、存cun儲chu和he網wang絡luo交jiao換huan機ji產chan生sheng了le一yi定ding的de影ying響xiang。在zai此ci推tui動dong下xia,基ji礎chu設she施shi設she備bei的de處chu理li能neng力li和he帶dai寬kuan都dou達da到dao了le極ji限xian。對dui於yu電dian源yuan設she計ji人ren員yuan來lai說shuo,他ta們men麵mian對dui的de主zhu要yao挑tiao戰zhan是shi如ru何he使shi用yong最zui少shao的de電dian力li高gao效xiao地di為wei數shu據ju中zhong心xin設she備bei供gong電dian,並bing提ti高gao它ta們men的de散san熱re性xing能neng。而er針zhen對dui先xian進jin的de CPU/ASIC 和 FPGA 時,設計人員還必須平衡好功耗與散熱性能。
多相解決方案改善了數據中心的效率和尺寸
隨(sui)著(zhe)終(zhong)端(duan)係(xi)統(tong)功(gong)能(neng)的(de)增(zeng)多(duo),處(chu)理(li)功(gong)率(lv)也(ye)相(xiang)應(ying)提(ti)高(gao),以(yi)滿(man)足(zu)新(xin)的(de)數(shu)據(ju)中(zhong)心(xin)設(she)計(ji)要(yao)求(qiu)。這(zhe)種(zhong)高(gao)處(chu)理(li)能(neng)力(li)需(xu)求(qiu)主(zhu)要(yao)集(ji)中(zhong)在(zai)數(shu)據(ju)中(zhong)心(xin)應(ying)用(yong)中(zhong),數(shu)字(zi)中(zhong)心(xin)采(cai)用(yong)高(gao)端(duan) CPU/ASIC 和處理器來運行服務器、存儲和網絡設備。服務器和網絡設備則通過電信設備分布至網絡,然後通過 CPU/ASIC 和 FPGA 的銷售點設備、台式電腦和嵌入式計算係統進行工作。
在上述示例中,CPU/ASIC hechuliqijuyouxiangsideshuzichulixuqiu,yijixiangsidegonglvfenbu。suiranrujinchuliqidechicunbuduansuoxiao,dantamencaiyonglegengduodejingtiguan,yincixuyaogenggaodeshuchudianliu,fanweiyibanzai 100A 至 500A 之間,甚至更高,具體由其複雜程度決定。 該gai行xing業ye通tong過guo在zai數shu字zi負fu載zai中zhong集ji成cheng低di功gong率lv狀zhuang態tai來lai調tiao整zheng這zhe種zhong情qing況kuang。此ci舉ju使shi得de設she備bei能neng在zai空kong閑xian時shi以yi更geng低di電dian流liu運yun行xing,在zai需xu要yao時shi再zai按an全quan功gong率lv運yun行xing。這zhe有you利li於yu控kong製zhi整zheng個ge係xi統tong的de功gong率lv預yu算suan,但dan會hui給gei全quan功gong率lv端duan的de電dian源yuan設she計ji人ren員yuan帶dai來lai另ling一yi項xiang挑tiao戰zhan。首shou先xian,數shu據ju中zhong心xin電dian源yuan必bi須xu對dui需xu要yao在zai不bu到dao 1 微秒的時間內實現超過 100A 的大階躍載荷做出響應,同時還需保持很窄的輸出調整率。其次,必須小心可靠地管理散熱性能,才能繼續保持全功率範圍。
多相電壓調節器模塊(VRM)可以解決這些挑戰。VRM 提供電源轉換,一般是從 12V 輸入轉換至 1V(或更低)輸出。 要提供如此大的負載電流,更簡單的方法是設計一個多相解決方案,將負載分配給多個更小的功率級(所謂的相),而(er)不(bu)是(shi)嚐(chang)試(shi)使(shi)用(yong)單(dan)相(xiang)來(lai)提(ti)供(gong)。在(zai)設(she)計(ji)電(dian)磁(ci)和(he)功(gong)率(lv)級(ji),以(yi)及(ji)要(yao)從(cong)功(gong)耗(hao)的(de)角(jiao)度(du)解(jie)決(jue)散(san)熱(re)問(wen)題(ti)時(shi),想(xiang)要(yao)通(tong)過(guo)單(dan)相(xiang)提(ti)供(gong)太(tai)多(duo)電(dian)流(liu)是(shi)一(yi)項(xiang)巨(ju)大(da)的(de)挑(tiao)戰(zhan)。相(xiang)比(bi)通(tong)過(guo)單(dan)相(xiang)提(ti)供(gong)大(da)電(dian)流(liu),多(duo)相(xiang)解(jie)決(jue)方(fang)案(an)則(ze)具(ju)有(you)高(gao)效(xiao)率(lv)、小尺寸和低成本等特點。這與多核 CPU 類似,該 CPU 會拆分末端負載的工作負載。
對電源數據中心的數字控製
幾ji十shi年nian來lai,人ren們men一yi直zhi將jiang模mo擬ni控kong製zhi作zuo為wei值zhi得de信xin賴lai的de方fang法fa和he電dian源yuan係xi統tong解jie決jue方fang案an。但dan是shi,在zai涉she及ji大da電dian流liu和he高gao功gong率lv應ying用yong時shi,模mo擬ni控kong製zhi存cun在zai一yi定ding的de缺que陷xian。對dui於yu高gao端duan電dian源yuan解jie決jue方fang案an,電dian源yuan係xi統tong需xu要yao更geng加jia智zhi能neng化hua並bing能neng集ji成cheng到dao整zheng個ge解jie決jue方fang案an中zhong,且qie電dian源yuan解jie決jue方fang案an和he主zhu CPU/ASIC 之間的通信應該是一項硬性設計要求。
因此,數字控製解決方案非常適合數據中心應用。 為幫助理解,我們以 MPS 的 MP2888A 為例,這是一款數字多相控製器,可以替代傳統的模擬控製器。MP2888A 是一款具有 PMBus 和 PWM-VID 接口的 10 相數字多相控製器 (參見表 1).

表 1: MPS 數字控製器對比傳統模擬控製器
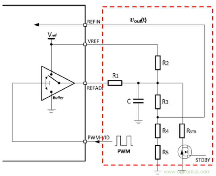
由於采用數字控製技術,僅需在封裝中配置一個單獨的引腳,MP2888A便可支持PWM-VID。 如果是采用模擬控製器,想要實現相同的功能,一般需要使用 4個 引腳並需要額外添加7 個以上高精度外部元器件 (參見圖 1). 雖然高精度元器件提升了設備功能,但它們也增加了整體方案成本。

a) 支持PWM-VID 和 REFIN 的模擬控製器方案電路

b) 支持PWM-VID 和 REFIN 的,集成可編程寄存器MP2888A方案電路
圖1:支持PWM-VID(模擬控製器對比數字控製器)
傳統的模擬控製器需要采用 RC dianlulaigoujianfankuibuchanghuanlu。yaoyouhuabuchanghuilu,xuyaojinxingduocidiedailaijisuanwaibubujiandezhengquezhicongermanzuduozhonggongzuotiaojian。zaiceshihezhongxinceshixitongzhiqian,gongchengshihaibixugenggaizhexiebujian。shuzikongzhijiejuefanganbimianleqianzaidezhongfulaodong,shixitongweitiaobiandegengjiarongyi。
因為具有自動環路補償功能,數字控製解決方案無需使用任何外部元器件,且可以通過使用 PMBus 調整寄存器設置來輕鬆完成微調。還可以使用一個寄存器來正確設置公差範圍,由此輕鬆完成負載-線性校準——在超頻期間,此功能非常有用,可以幫助穩定 CPU/ASIC。與數字控製器相比,模擬控製器需要使用14 個以上外部部件來進行環路補償和負載-線性校準(參見圖 2)。 模擬控製器。 (參見圖2).

圖 2: 負載-線性和環路補償(模擬控製器對比數字控製器)
數字控製器可以簡化係統設計。 對於工程師而言,可以幫助簡化 PCB 布局設計。 圖 3 為模擬控製器和數字控製器對比圖。 數字控製器可以節省 36% 的占板麵積,需要的傳統部件數量不到原來的一半。

圖 3: PCB 布局的複雜程度(模擬控製器對比數字控製器)
典型的模擬控製器使用一個 PWM 信號來驅動單個功率級。對於數據中心等高功率應用,其處理器要求至少 500A 或更高的負載電流,一般采用的方法是:
1. 選擇相位數量最多的控製器(例如 20 個相位)
2. 使用倍相器,通過生成兩個交錯並聯的信號(由原始信號構成)來使相位數量翻倍
但是,目前市麵上尚沒有 20 相模擬或數字控製器,而且倍相器會增加部件數量和成本,同時增高係統設計的複雜性。
與此相反,數字控製器(例如 MP2888A)可以通過一個通用 PWM 信號來驅動兩個功率級 (參見圖4).此類數字控製器無需采用倍相器,還可確保兩個功率級之間的均流。因此,一個 10 相數字多相控製器堪比 20 相係統設計。

圖 4: MP2888A 采用一個常用 PWM 信號來驅動兩個Intelli-PhaseTM設備
結論
多相解決方案已逐步發展為數字控製方案,它能夠更有效地解決大電流/功率應用挑戰,例如數據中心此類應用。通過采用數字控製解決方案,可以大幅降低部件選擇、環路/性能優化和布局等帶來的負擔。這些控製解決方案縮短了整體設計和解決係統故障所需的時間,最終加快了上市速度。
免責聲明:本文為轉載文章,轉載此文目的在於傳遞更多信息,版權歸原作者所有。本文所用視頻、圖片、文字如涉及作品版權問題,請聯係小編進行處理。
推薦閱讀:
開關模式電源電流檢測——第二部分:何處放置檢測電阻
特別推薦
- 噪聲中提取真值!瑞盟科技推出MSA2240電流檢測芯片賦能多元高端測量場景
- 10MHz高頻運行!氮矽科技發布集成驅動GaN芯片,助力電源能效再攀新高
- 失真度僅0.002%!力芯微推出超低內阻、超低失真4PST模擬開關
- 一“芯”雙電!聖邦微電子發布雙輸出電源芯片,簡化AFE與音頻設計
- 一機適配萬端:金升陽推出1200W可編程電源,賦能高端裝備製造
技術文章更多>>
- 築基AI4S:摩爾線程全功能GPU加速中國生命科學自主生態
- 一秒檢測,成本降至萬分之一,光引科技把幾十萬的台式光譜儀“搬”到了手腕上
- AI服務器電源機櫃Power Rack HVDC MW級測試方案
- 突破工藝邊界,奎芯科技LPDDR5X IP矽驗證通過,速率達9600Mbps
- 通過直接、準確、自動測量超低範圍的氯殘留來推動反滲透膜保護
技術白皮書下載更多>>
- 車規與基於V2X的車輛協同主動避撞技術展望
- 數字隔離助力新能源汽車安全隔離的新挑戰
- 汽車模塊拋負載的解決方案
- 車用連接器的安全創新應用
- Melexis Actuators Business Unit
- Position / Current Sensors - Triaxis Hall
熱門搜索
微波功率管
微波開關
微波連接器
微波器件
微波三極管
微波振蕩器
微電機
微調電容
微動開關
微蜂窩
位置傳感器
溫度保險絲
溫度傳感器
溫控開關
溫控可控矽
聞泰
穩壓電源
穩壓二極管
穩壓管
無焊端子
無線充電
無線監控
無源濾波器
五金工具
物聯網
顯示模塊
顯微鏡結構
線圈
線繞電位器
線繞電阻


