穿越隔離柵供電:TI教你一個好方法!
發布時間:2020-12-08 來源:貿澤電子 責任編輯:wenwei
【導讀】zaidianzixitongzhong,jingchangxuyaozaiyoujiaodadianshichadegaoyaxitonghediyadianluzhijianjianlikekaodegeli,yizuzhilianggeyubutongbujianzhijiandeyichangzhiliuhejiaoliudianliu,baohurenshenanquanmianshoudianjihuozhejianshaoshebeizaoshousunhuaidefengxian。anzhaoanquanyaoqiudedengji,gelikebeifenweigongnenggeli、基本隔離、雙隔離和增強隔離。
不過,隔離並不等於“隔絕”,在彼此隔離的兩個係統域之間還是需要進行信號和/或電源的傳輸的,因此在確保符合隔離安規要求的同時,建立這種傳輸“通道”就是電子設計工程師經常要麵對的功課了。
隔離DC-DC方案的選型
在電源設計方麵,從隔離柵一側向另一側提供偏置電源,為相關的電路和設備(如電流和電壓傳感器、數字隔離器和柵極驅動器)供電,對於電源工程師來說,不是一個新挑戰。經過多年的技術積澱,大家已經找到了不少“穿越隔離柵供電”的有效方法,歸納起來,有以下常見的幾類:
反激式轉換器
反fan激ji式shi轉zhuan換huan器qi,廣guang泛fan應ying用yong於yu直zhi流liu直zhi流liu轉zhuan換huan,並bing在zai輸shu入ru級ji和he輸shu出chu級ji之zhi間jian提ti供gong絕jue緣yuan隔ge離li,是shi開kai關guan電dian源yuan的de一yi種zhong。反fan激ji轉zhuan換huan器qi的de拓tuo撲pu需xu要yao一yi個ge初chu級ji開kai關guan、一個整流器和一個類似變壓器的(de)耦(ou)合(he)電(dian)感(gan)器(qi),能(neng)在(zai)一(yi)個(ge)轉(zhuan)換(huan)級(ji)內(nei)實(shi)現(xian)調(tiao)節(jie)和(he)隔(ge)離(li),還(hai)可(ke)靈(ling)活(huo)地(di)實(shi)現(xian)多(duo)個(ge)輸(shu)出(chu),應(ying)用(yong)時(shi)可(ke)通(tong)過(guo)選(xuan)擇(ze)輸(shu)出(chu)繞(rao)組(zu)數(shu)量(liang),通(tong)過(guo)在(zai)變(bian)壓(ya)器(qi)上(shang)纏(chan)繞(rao)線(xian)圈(quan)來(lai)匹(pi)配(pei)所(suo)選(xuan)的(de)配(pei)置(zhi)。與(yu)其(qi)他(ta)的(de)拓(tuo)撲(pu)相(xiang)比(bi),這(zhe)種(zhong)電(dian)源(yuan)轉(zhuan)換(huan)器(qi)具(ju)有(you)靈(ling)活(huo)性(xing)和(he)低(di)成(cheng)本(ben)的(de)特(te)點(dian)。反(fan)激(ji)式(shi)轉(zhuan)換(huan)器(qi)主(zhu)要(yao)的(de)設(she)計(ji)挑(tiao)戰(zhan)在(zai)於(yu)如(ru)何(he)讓(rang)變(bian)壓(ya)器(qi)實(shi)現(xian)良(liang)好(hao)耦(ou)合(he),減(jian)少(shao)漏(lou)感(gan),以(yi)及(ji)限(xian)製(zhi)初(chu)級(ji)側(ce)與(yu)次(ci)級(ji)側(ce)間(jian)的(de)寄(ji)生(sheng)電(dian)容(rong),有(you)效(xiao)防(fang)止(zhi)電(dian)磁(ci)幹(gan)擾(rao)(EMI)。

圖1:反激式轉換器(圖源:TI)
Fly-Buck™轉換器
這是Texas Instruments(TI)為隔離式偏置電源專門打造的一個專用拓撲,其工作輸入電壓可高達100V。此ci拓tuo撲pu采cai用yong同tong步bu降jiang壓ya轉zhuan換huan器qi與yu耦ou合he電dian感gan器qi,可ke產chan生sheng一yi個ge或huo多duo個ge隔ge離li式shi輸shu出chu。由you於yu反fan饋kui環huan路lu可ke在zai初chu級ji輸shu出chu電dian壓ya處chu閉bi合he,因yin此ci該gai轉zhuan換huan器qi無wu需xu附fu加jia的de輔fu助zhu繞rao組zu或huo光guang耦ou合he器qi進jin行xing控kong製zhi,耦ou合he電dian感gan結jie構gou靈ling活huo,可ke根gen據ju應ying用yong需xu要yao靈ling活huo控kong製zhi匝za數shu比bi、隔離等級、次級繞組數和PWM占空比等。不過,Fly-Buck™轉換器與反激式轉換器相類似,在應用時也需要工程師在耦合電感器設計、控製漏感和初次級間的寄生電容、減少EMI上下功夫。

圖2:Fly-Buck™轉換器(圖源:TI)
推挽式轉換器
這是一種適用於低噪聲、小型隔離式電源的常用解決方案,由具有嚴格電壓調節功能的輸入軌供電,開環運行,固定占空比50%。其優勢在於:具有支持多路輸出的靈活性;開環配置省去了反饋環路,簡化了設計;具有較低的初級-次級電容,能降低共模噪聲;能更有效地利用變壓器鐵芯的磁化電流,與反激式和Fly-Buck™轉換器相比,係統空間可以更為緊湊。不過推挽轉換器也有自身的弱點,如:不支持寬輸入電壓範圍,因此需要嚴格調節輸入電壓;以及由於沒有閉合環路,不容易滿足輸出電壓反饋調節的要求,可能需要後置LDO。

圖3:推挽式轉換器(圖源:TI)
電源模塊
為了適應係統小型化的設計趨勢,人們還設計出了隔離DC-DC電源模塊,通過將控製器、整流器,甚至是變壓器集成在一個封裝中,電壓模塊具有明顯的集成度優勢。使用電源模塊做設計,一般無需規定、設計或選擇變壓器,因此大大簡化了設計過程,隻需加入輸入和輸出去耦電容器即可;而er且qie經jing過guo多duo年nian的de發fa展zhan,電dian源yuan模mo塊kuai產chan品pin組zu合he也ye非fei常chang豐feng富fu,可ke以yi滿man足zu多duo種zhong應ying用yong所suo需xu。不bu過guo與yu上shang文wen提ti及ji的de其qi他ta方fang案an相xiang比bi,由you於yu電dian源yuan模mo塊kuai在zai輸shu出chu數shu量liang配pei置zhi等deng方fang麵mian相xiang對dui固gu定ding,靈ling活huo性xing可ke能neng會hui有you所suo降jiang低di。

圖4:電源模塊(圖源:TI)
可以說,各種隔離偏置電源解決方案各具特點,在應用時需要根據隔離等級、輸入電壓、輸出電壓、輸出功率、環境工作溫度範圍、抗電磁幹擾(EMI)特性能等方麵做綜合的考量,做出合理的選擇。

表1:不同隔離DC-DC偏置電源方案的比較
(圖源:TI)
如果從輸出功率等級這個角度入手,可以將隔離DC-DC偏置電源分為不同的級別,以方便我們去做針對性的技術決策:
● 功率低於2W:適合使用全集成的電源模塊方案,其使用簡單,且節省麵積。
● 功率2W至10W:一般采用“半集成的轉化器+片外變壓器”的方案——包括反激式、Fly-Buck™或推挽式變壓器拓撲——其不需要光耦,靜態電流低,係統效率高。
● 功率大於10W:推薦使用外置開關管和變壓器,配合控製器的方案,以滿足功率和效率等方麵的要求。
在(zai)以(yi)上(shang)每(mei)個(ge)細(xi)分(fen)的(de)應(ying)用(yong)領(ling)域(yu),都(dou)會(hui)有(you)更(geng)為(wei)具(ju)體(ti)的(de)設(she)計(ji)痛(tong)點(dian),這(zhe)也(ye)為(wei)元(yuan)器(qi)件(jian)廠(chang)商(shang)提(ti)供(gong)了(le)創(chuang)新(xin)和(he)形(xing)成(cheng)差(cha)異(yi)化(hua)優(you)勢(shi)的(de)空(kong)間(jian)。比(bi)如(ru)今(jin)天(tian)我(wo)們(men)就(jiu)會(hui)為(wei)大(da)家(jia)介(jie)紹(shao)TI 最新推出的一款應用於2W以下、內置集成磁變壓器的方案,且聽我們慢慢道來。
低功耗隔離DC-DC設計的考量
當我們聚焦在小於2W的低功耗隔離DC-DC偏置電壓這個細分場景時,首先就要對目前主流的技術方案進行一個梳理。
在小於500kHz的應用中,是可以采用分立器件方案的(如采用反激式或推挽式拓撲),但是由於變壓器、控製器、整(zheng)流(liu)器(qi)等(deng)都(dou)是(shi)獨(du)立(li)外(wai)置(zhi)的(de),係(xi)統(tong)的(de)占(zhan)板(ban)空(kong)間(jian)太(tai)大(da),因(yin)此(ci)現(xian)在(zai)大(da)多(duo)數(shu)設(she)計(ji)都(dou)會(hui)采(cai)用(yong)集(ji)成(cheng)度(du)更(geng)高(gao)的(de)電(dian)源(yuan)模(mo)塊(kuai),傳(chuan)統(tong)的(de)電(dian)源(yuan)模(mo)塊(kuai)在(zai)功(gong)率(lv)密(mi)度(du)上(shang)與(yu)分(fen)立(li)器(qi)件(jian)方(fang)案(an)相(xiang)比(bi),可(ke)以(yi)提(ti)升(sheng)約(yue)2.5倍。
但是傳統電源模塊的的局限性也很明顯。由於封裝材料的限製,傳統電源模塊的工作溫度一般在85℃,最高不過105℃;另外受限於變壓器繞組的漆膜,在同樣隔離要求下很難進一步壓縮器件的體積;有時為了通過EMI測試,還需要加上LC濾波器,會增加係統的複雜度和成本……
作為對傳統電源模塊的“升級”,有廠商推出了集成Air Core(空氣磁芯)變壓器的產品。這種特殊的變壓器結構使其整體的封裝尺寸與傳統電源模塊相比明顯減小,很適合於20MHz以上(通常60-180MHz)的高頻應用。但Air core器件效率比較低,隻有30-50%,同時由於空氣磁芯的設計,會帶來更多的EMI問題。
現有產品和方案的短板,恰恰為後來者提供了“做文章”的題材,也就是創新的著眼點。TI 新推出的UCC12050隔離式DC-DCzhuanhuanqi。shejiyongyuweixuyaojuyoulianghaowenyashuchudianyadepianzhidianyuandegelidianlutigonggaoxiaogelidianyuan,caiyonglejichengcixinbianyaqidezhuanyoujiagou,pinghenglexiaolvhegonglvmidudengfangmiandeyaoqiu,mianxiang7-10MHz這個工作頻率範圍,支持4.5V至5.5V的輸入電壓,提供5.0V,5.4V,3.3V或3.7V穩壓輸出、500mW的輸出功率,同時在隔離性能、外形尺寸、工作溫度、電磁兼容等方麵進行了全麵的優化,為用戶提供了一個理想的隔離DC-DC解決方案。

圖5:UCC12050在小於2W低功耗隔離DC-DC
電源領域的定位(圖源:TI)
UCC12050方案解析
其實,細心的讀者可能已經發現,我們在表1中已經對UCC12050這款新品與其他解決方案拓撲進行了比較,具體來講,UCC12050的過人之處體現在以下幾個方麵:
01 采用了全集成方案,尺寸更小、功率密度更高
UCC12050采用16引腳小外形集成電路(SOIC)封裝,尺寸為10.3mm × 10.3mm × 2.65mm,功率密度是傳統隔離電源模塊的兩倍。這種高集成度也顯著簡化了BOM,讓設計方案更容易通過相關的產品認證。

圖6:UCC12050在緊湊的外形中實現了
更高的功率密度(圖源:TI)
02 增強型隔離,寬溫度範圍,提升了可靠性
UCC12050具有5kVRMS增強隔離,帶有8mm爬電距離和電氣間隙,可保護和抵抗地電位差。該產品還具有-40°C至125°C極寬的工作溫度範圍,可在極端條件下應用,這與傳統電源模塊有限的工作溫度範圍相比無疑是個很大的突破。
03 提供60%的效率,是同尺寸競品的兩倍
與Air core架構的電源模塊相比,UCC12050可以實現60%的效率,幾乎是競品的2倍。由此也使得產品工作時的散熱特性更為優秀,從下圖中就可見一斑。

圖7:UCC12050的高密度提供了更佳的散熱特性
(圖源:TI)
04 創新的架構,實現更低的EMI
UCC12050集成磁性變壓器的獨特設計,使其具有更低的初級到次級的寄生電容,優化了EMI性能,並且其噪音控製方案使得工程師更容易讓他們的設計通過國際無線電幹擾特別委員會(CISPR)32 B級電磁幹擾測試。磁性變壓器相比於Air core產品也更有利於EMI的治理。在使用其他電源模塊時,為了滿足EMI認證,會在外部添加如低壓差穩壓器(LDO)和鐵氧體磁珠等濾波器組件,而UCC12050出色的EMI特性完全可以省掉這些額外的元器件,大大減少係統成本和設計時間。

圖8:UCC12050與Air core產品相比,
具有更低的EMI(圖源:TI)
特別值得一提的是,在推出UCC12050的同時,TI還發布了一款滿足3kVRMS基本型隔離等級要求的姊妹產品UCC12040,它對於電機驅動、智能電表、樓宇自動化等不需要人員與設備直接接觸等應用場景更為適合,兩個產品一同聯手,可以覆蓋相當廣闊的應用市場。

圖9:UCC12050與UCC12040的隔離特性
和應用場景(圖源:TI)
新方案的典型應用
憑借可靠隔離、優化的EMI特性、小型化、高效率等特性,UCC12050會在很多應用中找到自己的立足點。
比如在智能電網中,電量監測設備從檢測端到控製端需要隔離,同時又需要為檢測端的電路提供偏置電源。UCC12050優秀的EMI特性對檢測信號影響小,內部集成磁變壓器的架構又減少了係統體積,同時又能夠提供足夠的隔離安全性、必要的保護功能,以及精確的電壓控製和出色的瞬態響應,自然是理想之選。

圖10:UCC12050在智能電網中的應用
(圖源:TI)
UCC12050的另一個用例是在電動汽車電池管理方麵。電動汽車高壓電池在高於60V的情況下,需要檢測漏電流和對地電阻,這就要求能夠為這些檢測電路和ADC電路供電。UCC12050低EMI、小體積、簡單易用的特性恰好可以滿足相關的設計需求。

圖11:UCC12050在電動汽車電池管理中的應用
(圖源:TI)
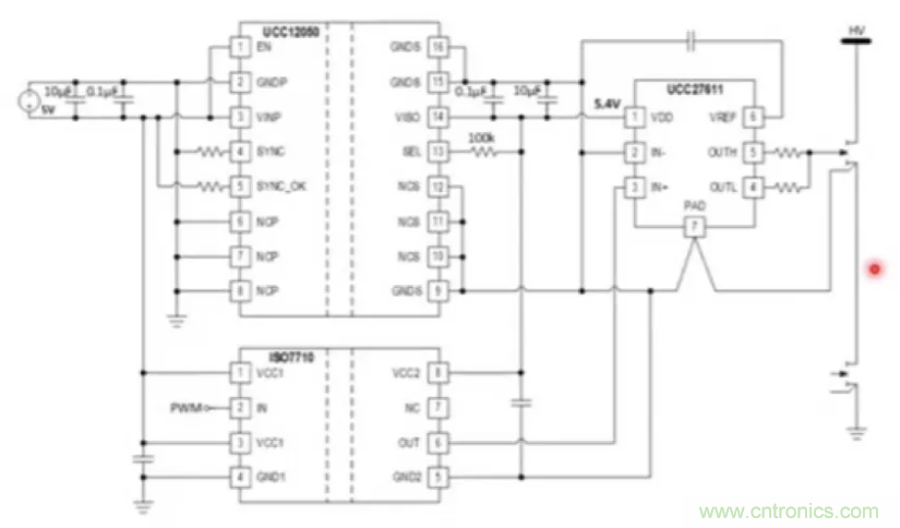
另外在目前日漸火爆的GaN的應用中,UCC12050也可以擔負起為柵極驅動和數字隔離芯片供電的職責。其可以提供5V和5.4V的穩定驅動電壓輸出,同時更小的寄生電容在高速高頻應用中也是一個優勢。

圖12:UCC12050支持GaN器件的應用
(圖源:TI)
總之,隔離的應用場景各異,因此對於“穿越隔離柵供電”的需求也就各不相同,TI在小於2W輸出功率的應用領域,巧妙地找到了一個市場切入點,並基於自身獨特的技術進行了優化設計,為大家奉上了UCC12050/UCC12040這樣優秀的解決方案。對於電源工程師來說,這個妙招兒可以讓開發工作事半功倍,趕快收入囊中吧!
推薦閱讀:
特別推薦
- 噪聲中提取真值!瑞盟科技推出MSA2240電流檢測芯片賦能多元高端測量場景
- 10MHz高頻運行!氮矽科技發布集成驅動GaN芯片,助力電源能效再攀新高
- 失真度僅0.002%!力芯微推出超低內阻、超低失真4PST模擬開關
- 一“芯”雙電!聖邦微電子發布雙輸出電源芯片,簡化AFE與音頻設計
- 一機適配萬端:金升陽推出1200W可編程電源,賦能高端裝備製造
技術文章更多>>
- 築基AI4S:摩爾線程全功能GPU加速中國生命科學自主生態
- 一秒檢測,成本降至萬分之一,光引科技把幾十萬的台式光譜儀“搬”到了手腕上
- AI服務器電源機櫃Power Rack HVDC MW級測試方案
- 突破工藝邊界,奎芯科技LPDDR5X IP矽驗證通過,速率達9600Mbps
- 通過直接、準確、自動測量超低範圍的氯殘留來推動反滲透膜保護
技術白皮書下載更多>>
- 車規與基於V2X的車輛協同主動避撞技術展望
- 數字隔離助力新能源汽車安全隔離的新挑戰
- 汽車模塊拋負載的解決方案
- 車用連接器的安全創新應用
- Melexis Actuators Business Unit
- Position / Current Sensors - Triaxis Hall
熱門搜索
微波功率管
微波開關
微波連接器
微波器件
微波三極管
微波振蕩器
微電機
微調電容
微動開關
微蜂窩
位置傳感器
溫度保險絲
溫度傳感器
溫控開關
溫控可控矽
聞泰
穩壓電源
穩壓二極管
穩壓管
無焊端子
無線充電
無線監控
無源濾波器
五金工具
物聯網
顯示模塊
顯微鏡結構
線圈
線繞電位器
線繞電阻



