醫療設備為何需要高效電源管理係統?
發布時間:2020-03-05 來源:Mark Patrick 貿澤電子 責任編輯:wenwei
【導讀】bianxieshiyiliaoshebeiyingjianshejizhongxianghumaodundeyaoqiuduigongchengtuanduilaishuoshiyigeyongyuandetiaozhan。zhexieshizhongkaiqideshebeibujinyaoxiaolvgao,shoumingchang,tongshihaiyaofuherentigongchengxueshejiyitigaohuanzheshushidu,tebieshizaixuyao24小時佩戴的情況下。相關係統不僅需要提供更高的性能,還應具有堅固的結構和超高的性價比。設計中采用的電源管理集成電路(PMIC)需要利用超低功耗架構,以優化健身跟蹤和醫療可穿戴應用中的測量靈敏度,從而實現高信噪比 (SNR)。
無wu論lun是shi從cong普pu通tong消xiao費fei者zhe,還hai是shi醫yi療liao保bao健jian的de角jiao度du來lai看kan,移yi動dong網wang絡luo的de日ri益yi普pu及ji已yi經jing成cheng為wei可ke穿chuan戴dai技ji術shu發fa展zhan中zhong最zui重zhong要yao的de考kao慮lv因yin素su之zhi一yi。最zui初chu以yi運yun動dong和he健jian康kang作zuo為wei目mu標biao市shi場chang方fang向xiang的de可ke穿chuan戴dai設she備bei,如ru今jin在zai醫yi療liao市shi場chang中zhong也ye得de到dao了le廣guang泛fan應ying用yong。新xin一yi代dai醫yi療liao可ke穿chuan戴dai設she備bei已yi經jing集ji成cheng了le一yi係xi列lie微wei機ji電dian係xi統tong(MEMS)傳感器,如加速度計、陀螺儀和心率監測器等。隨著時間的推移,還會添加用於確定脈搏變化和皮膚電導等參數的傳感器,但問題是這些傳感器都具有SNR問題。為了順應醫療行業的發展趨勢,設計人員需要尋找新的節能解決方案,並將這些解決方案與更好的降噪技術結合起來。
降低光測量噪聲
各種生物因素都會影響光檢測的準確性,設計工程師一直試圖在提供更好的SNR技術來提高多種應用領域的測量靈敏度。低靜態穩壓器IC通常具有可降低SNR的特性,例如高幅值波紋、低頻波紋和較長的建立時間。
xinlvshiyiliaolingyudeyigezhongyaoceliangcanshu,bujinnengjiandandefanyingmeifenzhongdexintiaocishu,haikeyishoujishentiyundongduiyuxintiaodeyingxiangdengdaliangxinxi,yibianduixinzangjinxingjiance。yizhongchengweiguangdianrongjimaibobo(PPG)的光學測量方法通過皮下組織中動脈和小動脈的擴張來測量血容量變化,它還可用於確定血液中的氧飽和度 (SPO2)。zaiyiyuanli,yishenghuizaiwomendeshouzhishangjiashangjiazi,tongguojiazibaguangzhurushouzhi,bingzailingyiceyongguangdianerjiguanceliangchuanguoshouzhideguangtoushebianhua。yaoquebaolianxukekaodexinlvceliang,shejirenyuanhaixuyaojiejuejigewenti。ercaozuodeyouxiaoxinghaiqujueyuduogeyinsu,liruhuanjingguangdeyingxiang,LED和光電二極管之間的幹擾,可穿戴設備在皮膚上的移動等等。
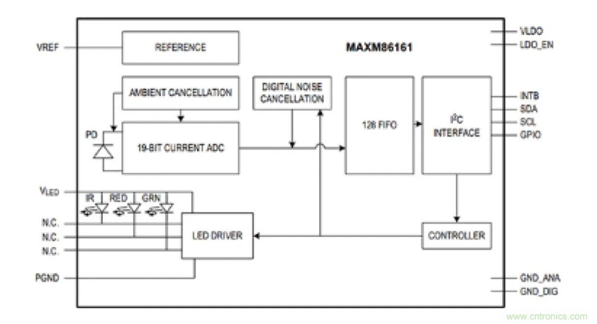
Maxim Integrated的MAXM86161(圖1)是專門針對此類應用的完備的超低功耗單通道、光學數據采集係統。該傳感器主要用於耳內醫療和移動應用,並針對反射心率(HR)、血氧飽和度(SPO2)和心率變異性(HRV)的連續監測進行了優化。
MAXM86161的發射器端具有三個可編程高電流LED驅動器,接收器端包含一個高效PIN光二極管和一路光學讀取通道。光學讀取通道具有一個低噪聲信號調理模擬前端(AFE),由19位ADC和環境光消除(ALC)電路組成,可支持柵欄檢測和替換算法。

圖1: MAXM86161的簡化框圖
優化能源效率是改進光學測量機製的一個限製因素。為了提高效率,采用了新型開關結構代替標準的LDO穩壓器,使用各種電感來提供正確的電源總線電壓。電壓調節元件必須具備較低的高頻紋波,以便不會直接影響心率測量。LED必須在不同於鋰離子電池的電壓範圍內工作。新升降壓變壓器技術的采用不僅可以節省電路板空間,還可以降低功耗。單電感多輸出(SIMO)降壓-升壓結構可以大大減少輸出特定電壓時所需的電感器和IC數量。
通過下一代PMIC實現高效電源管理
隨著個人和遠程監控設備的日益成熟,減小尺寸、精確測量參數和延長電池壽命都變得至關重要。可穿戴設備的能效優化策略與停機時間管理(即隻要有可能,設備必須處於待機模式)息息相關。可穿戴設備的PMIC需支持非常低的輸入電壓,並采用高能量密度電池架構。
Maxim Integrated的MAX20310是一款緊湊型電源管理集成電路(PMIC),適用於對尺寸和效率要求較高的空間受限電池供電應用。該器件采用單電感多輸出(SIMO)升降壓開關穩壓器,可使用單個電感提供兩個可編程電源軌,大大縮小了尺寸。
MAX20310使用鋅空氣、氧化銀或堿性電池時,電池電壓可降至0.7V。這種結構允許輸出電壓高於或低於電池電壓。MAX20310還包括一個可編程電源控製器,允許器件用於要求真正關斷的應用,或便攜式醫療和可穿戴等始終導通的應用(見圖2)。

圖2: MAX20345的典型應用電路圖
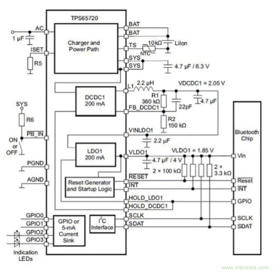
Texas Instruments開發的TPS6572x係列PMIC均集成了電池充電器和高效降壓轉換器,允許使用相對較小的電感和電容,解決方案尺寸更小。TPS65720可提供高達200mA的輸出電流,而TPS657201、TPS657202和TPS65721均能夠提供高達400mA的電流。所有TPS6572xPMIC還集成了一個200mA LDO,其輸入電壓範圍為1.8V~5.6V,因此可以通過降壓轉換器輸出或直接通過係統電壓供電(見圖3)。

圖3: Texas Instruments的TPS6572x在輕負載時可進入節能模式,實現高達92%的效率
結論
先進的便攜式技術可以監測身體活動、收shou集ji數shu據ju並bing提ti供gong實shi時shi響xiang應ying,這zhe將jiang成cheng為wei個ge性xing化hua護hu理li的de未wei來lai,為wei患huan者zhe提ti供gong更geng大da的de便bian利li並bing能neng提ti高gao醫yi護hu人ren員yuan的de工gong作zuo效xiao率lv。穿chuan戴dai式shi健jian康kang監jian護hu設she備bei必bi須xu具ju有you高gao精jing度du、高可靠性、易於管理、使用壽命長等特點。通過采用能夠同時滿足功率預算和SNR需求的PMIC,可以生產出所需的監測設備,從而進一步造福社會。
作者:Mark Patrick
Mark於2014年7月加入貿澤電子歐洲團隊,此前曾在Texas Instruments擔任過8年應用支持和技術銷售,並在歐時擔任過高級營銷職務。Mark獲得了考文垂大學電子工程一級榮譽學位。
來源:貿澤電子。
推薦閱讀:
特別推薦
- 噪聲中提取真值!瑞盟科技推出MSA2240電流檢測芯片賦能多元高端測量場景
- 10MHz高頻運行!氮矽科技發布集成驅動GaN芯片,助力電源能效再攀新高
- 失真度僅0.002%!力芯微推出超低內阻、超低失真4PST模擬開關
- 一“芯”雙電!聖邦微電子發布雙輸出電源芯片,簡化AFE與音頻設計
- 一機適配萬端:金升陽推出1200W可編程電源,賦能高端裝備製造
技術文章更多>>
- 築基AI4S:摩爾線程全功能GPU加速中國生命科學自主生態
- 一秒檢測,成本降至萬分之一,光引科技把幾十萬的台式光譜儀“搬”到了手腕上
- AI服務器電源機櫃Power Rack HVDC MW級測試方案
- 突破工藝邊界,奎芯科技LPDDR5X IP矽驗證通過,速率達9600Mbps
- 通過直接、準確、自動測量超低範圍的氯殘留來推動反滲透膜保護
技術白皮書下載更多>>
- 車規與基於V2X的車輛協同主動避撞技術展望
- 數字隔離助力新能源汽車安全隔離的新挑戰
- 汽車模塊拋負載的解決方案
- 車用連接器的安全創新應用
- Melexis Actuators Business Unit
- Position / Current Sensors - Triaxis Hall
熱門搜索






