高性能可編程交流電源波形編輯功能,你真的懂它的強大嗎?
發布時間:2020-02-14 來源:AE 責任編輯:wenwei
【導讀】電力電子飛速發展,產品研發對供電交流電源更高要求,即具備高精度、可編程、寬範圍等優勢的可編程交流電源。本篇簡要介紹PWR係列高性能可編程交流電源的波形編輯功能和典型應用。
波形編輯功能
可編程電源最大特點是具備波形編輯功能,可通過上位機或機身操作麵板進行編輯設定自定義輸出波形,比如設置實現輸出1s的220V正弦波,而後再輸出1s的110V方波。PWR係列高性能可編程交流電源的波形編輯功能非常強大與豐富,主要有波形庫調用、線路仿真、步階功能(Step),序列功能(List)、符合IEC標準的電壓輸出、波形導入還原輸出等。同時標配上位機軟件PWR-Controller,便於通過上位機編輯波形、操作控製可編程交流電源。

圖1 高性能可編程交流電源輸出波形圖
波形庫調用
首先常用功能是波形庫調用,波形庫最大可存儲30組波形,每個波形分配一個ID便於識別波形,其中1-10波形是係統預設波形,支持直接調用編輯輸出;11-30用於存儲自定義波形,存儲完成後支持直接調用與輸出。

圖2 波形函數庫
步階功能(Step)
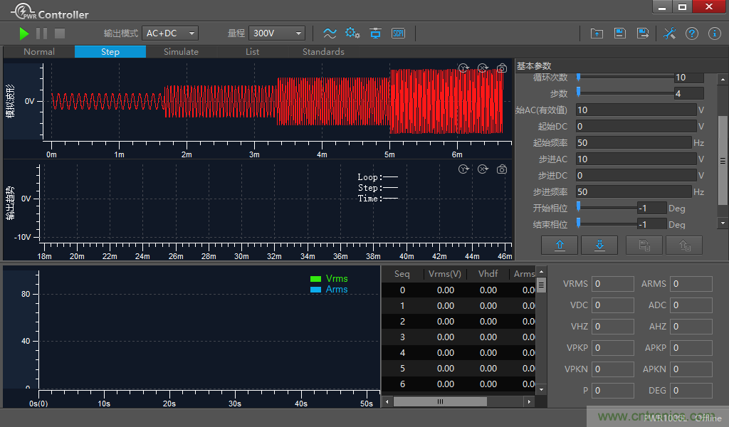
步階功能(Step)可模擬電網停電、電壓下降(dip)、電壓上升(pop)等。步階功能(Step)輸出主要特點是設定簡單,輸出電壓、頻率規律變化的波形。實際使用時僅設置初始電壓與頻率、步進電壓幅值、步進頻率等即可實現目標波形輸出,如下圖,初始10VAC/50Hz,步進10VAC/50Hz的輸出波形。步階功能(Step)典型應用是測試電子產品的工作電壓和頻率範圍。

圖3 步階功能(Step)上位機軟件界麵
線路仿真功能
線路仿真功能可模擬電壓突變(如跌落/突升等),其特點是輸出波形隻有一部分突變。線性仿真功能的典型應用測試驗證電子產品對供電電網突變的抗擾能力。

圖4 線路仿真輸出示意圖
序列功能(List)
序列功能(List)非常強大,可輕鬆模擬許多複雜的輸出波形,對輸出電壓、頻率、時間等設定組合,按順序調用實現,就像堆俄羅斯方塊一樣,可讓多種類型的波形按照預先設置的序列輸出。PWR-Controller軟件支持excel表格編輯以及導入導出。序列功能(List)典型應用模擬特定輸出波形驗證電子產品性能和功能。

圖5 波形文件excel編輯功能
符合IEC標準的電壓輸出
在實際的供電環境中,由於電網、dianlisheshideguzhanghuofuheturanchuxianjiaodabianhuahuidaozhigongdiandianyachuxianzanjiangshenzhiduanshizhongduan,zhexieyinsudouhuiduicaiyongjiaoliugongdiandeshebeigongzuochanshengyingxiang。zhejiuyaoqiujiaoliudianyuannenganzhaoIEC61000-4 中的相關標準對設備進行測試,以保證設備在供電異常情況下 還能正常運行或者恢複。

圖6 IEC標準模擬輸出
本文轉載ZLG自致遠電子。
推薦閱讀:
特別推薦
- 噪聲中提取真值!瑞盟科技推出MSA2240電流檢測芯片賦能多元高端測量場景
- 10MHz高頻運行!氮矽科技發布集成驅動GaN芯片,助力電源能效再攀新高
- 失真度僅0.002%!力芯微推出超低內阻、超低失真4PST模擬開關
- 一“芯”雙電!聖邦微電子發布雙輸出電源芯片,簡化AFE與音頻設計
- 一機適配萬端:金升陽推出1200W可編程電源,賦能高端裝備製造
技術文章更多>>
- 貿澤EIT係列新一期,探索AI如何重塑日常科技與用戶體驗
- 算力爆發遇上電源革新,大聯大世平集團攜手晶豐明源線上研討會解鎖應用落地
- 創新不止,創芯不已:第六屆ICDIA創芯展8月南京盛大啟幕!
- AI時代,為什麼存儲基礎設施的可靠性決定數據中心的經濟效益
- 築基AI4S:摩爾線程全功能GPU加速中國生命科學自主生態
技術白皮書下載更多>>
- 車規與基於V2X的車輛協同主動避撞技術展望
- 數字隔離助力新能源汽車安全隔離的新挑戰
- 汽車模塊拋負載的解決方案
- 車用連接器的安全創新應用
- Melexis Actuators Business Unit
- Position / Current Sensors - Triaxis Hall
熱門搜索





