利用動態速度觀測器實現PMSM磁場定向控製
發布時間:2020-01-21 來源:Jia Li, Engineer, Monolithic Power Systems 責任編輯:wenwei
【導讀】近年來,永磁同步電動機(PMSM)在電動車輛、電動飛機、機器人以及家用電器等工業製造中已經得到了越來越廣泛的應用。而在永磁同步電機(PMSM)中,最常使用到的一項技術就是矢量控製,因為它可以實現更好的動態響應,充分發揮機器的潛力。
但若想實現矢量控製,就必須要確定轉子的速度和位置。最常用的電機速度和位置測量傳感器有光傳感器和霍爾傳感器。但這兩種傳感器都非常昂貴,會無形增加驅動係統的成本。
這裏跟大家分享一種比較有前景的PMSM驅動解決方案,它將低成本的磁性角度傳感器與動態觀測器結合在一起,同樣也能測量出精確的轉子速度。本文為您展示的MPS電機控製模塊就屬於此類解決方案,模塊包含了一個電機控製ASIC、一個磁性角度傳感器、3相MOSFET功率級和PCB預驅動器,適用於NEMA 23和NEMA 17 兩種型號的電機產品。
電機控製ASIC為電機驅動應用提供了極好的計算能力。該模塊配合MA702(一款12位分辨率磁性角度傳感器),可以檢測出PMSM電機的絕對位置。MA702的成本要遠低於光傳感器和霍爾傳感器。由於能夠了解整個過程中轉子的位置,所以可以通過建立基於PMSM機械方程的動態狀態觀測器來檢測電機速度。ASIC可以使用動態觀測器過濾掉位置測量所產的白噪音並估計出轉子速度,從而在PMSM中使用磁場定向控製。
PMSM磁場定向控製
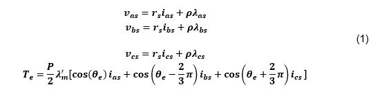
三相PMSM機械公式可以用方程組(1)表示:

其中v、i和λ分別表示電壓、電流和磁鏈。下標a、b和c表示相位a、b和c的變量。下標s為定子變量,ρ為特定值導數,P為PMSM的極數。
電磁轉矩T_e由三相電流和轉子磁鏈生成。λ_m^’為PMSM定子側檢測到的轉子磁鏈。角度θ_e為轉子磁鏈和A相定子之間的電磁角度。
為實現PMSM的FOC功能,需使用q-d下方的動態模型來解耦氣隙磁鏈和電磁轉矩。根據Clarke-Park變換計算公式,同步旋轉q-d軸方程組(1)中的PMSM模型使用方程組(2)計算:

其中下標q-d為q-d軸變量。L_為自感係數,L_m為機械互感係數。為更加簡化控製,轉子磁鏈應與d-軸對齊,此時q-軸磁鏈則為零。磁鏈使用方程組(3)計算:

電磁轉矩使用公式(4)計算:
根據方程組(1)、(2)、(3)和(4)的變換步驟,磁鏈可以直接由d軸電流控製。由於i_ds為常量,所以可以直接通過控製q軸電流來控製轉矩T_e。如果保持i_ds=0,則電磁轉矩直接與i_qs成正比。
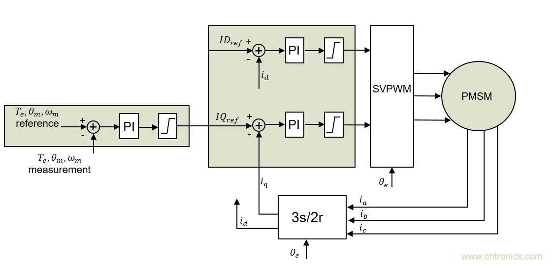
由上述推導可以得到圖1中的PMSM FOC原理圖。

圖 1:PMSM FOC 原理圖
首先,對比外回路參考值與測量的反饋值,然後反饋輸入差值至控製器(通常使用PI控製器),從而生成指令轉矩電流IQ_ref。根據磁鏈要求設置d軸電流參考值ID_ref。電流調節器/控製器 VD_ref、VQ_ref、VD_ref和VQ_ref的輸出值是空間矢量PWM(SVPWM)的輸入值。SVPWM塊為變換器生成柵極信號用來驅動PMSM。
基於無速度傳感器驅動的動態觀測器
MA702可以檢測永磁體θ_e的位置。轉子的速度可以通過公式ω_e=ρθ_e計算得出。作為一個數字傳感器,MA702yidinghuizaiceliangweizhichanshengzaosheng。ruguozhijieshiyongweizhichafenqihuoqudianjidesudu,zehuipohuaikongzhicaozuo。jiejuezhegewentizuichangjiandefangfashitianjiayigeshuzilvboqi/觀測器。
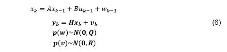
可以使用方程組(5)基於機械PMSM模型構建係統觀測器:

其中,T_e為電磁轉矩,T_l為負載轉矩。ω_m和θ_m為機械轉子速度和位置,而ω_e和θ_e則為電動轉子速度和位置。機械速度和位置乘以P/2等於電氣速度和位置。P為PMSM的極數。參數J和B分別表示PMSM的慣性和以及轉子與負載的組合粘性摩擦力。
MA702將絕對轉子位置反饋到電機控製ASIC,使機械模型係統矩陣A成為一個簡單的3x3矩陣,僅需兩個非零元素。更簡單的係統矩陣有助於減少MCU的計算負擔,使算法更容易實現,執行速度更快。
使用歐拉(Euler)方法將方程組(5)中的PMSM力學模型離散化。狀態變量x,∈和R ^ n作為係統過程的狀態,離散時間可以用方程組(6)表示:

其中u是輸入變量,y是輸出測量值。w和v分別表示具有Q和R噪聲方差的過程噪聲和測量噪聲。
根據經典控製理論,具有估計增益 K 的狀態觀測器可以用等式(7)計算:

(∧) 表示了估計變量。與使用恒定增益 K 經典狀態觀測器不同,動態觀測器在每次迭代時遞歸地更新其觀測器增益 K 。
與FOC原理圖(參見圖1)相比,基於動態速度觀測器的驅動器原理圖使用機器測量作為係統輸入來執行觀測器(參見圖2)。動態觀測器輸出濾波/估計的轉子速度。轉子位置用於傳導PMSM的FOC。

圖 2:基於 PMSM FOC的動態觀測器
仿真結果
使用Matlab/Simulink得出仿真結果。用於驗證算法的電機是MPS eMotion SystemTM智能電機MMP757094-36。MMP757094-36 是一款適用於伺服電機應用的全集成智能電機解決方案係列產品。表1列出了電機參數。
表 1: 電機參數

首先,將恒速參考值(500rpm)反饋至係統,以說明動態觀測器在瞬態期間是如何工作的。
圖3顯示了估計速度如何跟蹤實際電機速度。估計速度和實際速度在大約0.05s後都達到了穩定狀態。圖4示shi出chu了le在zai速su度du響xiang應ying穩wen定ding之zhi後hou,誤wu差cha方fang差cha矩ju陣zhen行xing列lie式shi的de絕jue對dui值zhi下xia降jiang到dao零ling。動dong態tai觀guan測ce器qi增zeng益yi隨sui速su度du的de響xiang應ying而er變bian化hua。在zai瞬shun態tai周zhou期qi之zhi後hou,觀guan測ce器qi的de增zeng益yiK 變為恒定增益。

圖 3:速度響應

圖4:誤差方差和觀測器增益動力學
實時硬件實驗結果
為了驗證算法,還測量了實時硬件實驗結果。電機控製模塊專為NEMA 23 57mm電機設計,可直接安裝在電機上。

圖5:MPS電機控製模塊(左)和MPS智能電機(右)
如上一節所述,將MA702角度傳感器采樣的角度反饋到電機控製ASIC的(de)絕(jue)對(dui)轉(zhuan)子(zi)位(wei)置(zhi),使(shi)得(de)動(dong)態(tai)觀(guan)測(ce)器(qi)的(de)遞(di)歸(gui)迭(die)代(dai)實(shi)現(xian)更(geng)加(jia)容(rong)易(yi),並(bing)且(qie)減(jian)少(shao)了(le)計(ji)算(suan)負(fu)擔(dan)。由(you)於(yu)測(ce)量(liang)隻(zhi)是(shi)一(yi)個(ge)變(bian)量(liang),而(er)不(bu)是(shi)經(jing)過(guo)複(fu)雜(za)的(de)矩(ju)陣(zhen)變(bian)換(huan),觀(guan)測(ce)器(qi)增(zeng)益(yi)計(ji)算(suan)變(bian)得(de)更(geng)簡(jian)單(dan)。每(mei)次(ci)迭(die)代(dai),整(zheng)個(ge)動(dong)態(tai)觀(guan)測(ce)器(qi)計(ji)算(suan)的(de)時(shi)間(jian)不(bu)到(dao)20μs。

圖6:實時的步進速度響應
圖6顯示了從1000rpm到-500rpmdegezhongsuducankaozhitongguobujinbianhuashurudaofangzhenxitong。dongtaiguanceqigujidesudurengrankeyigenzongmianduibutongsuducankaobuzhoudediandongjisudu。gaisuanfahaikeyitigongjingzhicankao。
結論
本文為PMSM FOC提供了一種很有前景的解決方案,它將低成本的磁性角度傳感器和動態觀測器結合起來,以估算出準確的轉子速度。該算法使用在MPS的電機控製ASIC中。MA702提(ti)供(gong)高(gao)分(fen)辨(bian)率(lv)的(de)板(ban)上(shang)角(jiao)度(du)傳(chuan)感(gan)器(qi),因(yin)此(ci)該(gai)算(suan)法(fa)避(bi)免(mian)了(le)高(gao)維(wei)矩(ju)陣(zhen)逆(ni)計(ji)算(suan),這(zhe)大(da)大(da)簡(jian)化(hua)了(le)代(dai)碼(ma)開(kai)發(fa)和(he)計(ji)算(suan)的(de)時(shi)間(jian)。仿(fang)真(zhen)和(he)實(shi)時(shi)驗(yan)證(zheng)結(jie)果(guo)均(jun)表(biao)明(ming)所(suo)提(ti)出(chu)的(de)解(jie)決(jue)方(fang)案(an)具(ju)有(you)良(liang)好(hao)的(de)動(dong)態(tai)性(xing)能(neng),並(bing)且(qie)能(neng)夠(gou)在(zai)給(gei)定(ding)不(bu)同(tong)速(su)度(du)參(can)考(kao)的(de)情(qing)況(kuang)下(xia)控(kong)製(zhi)PMSM。
推薦閱讀:
特別推薦
- 噪聲中提取真值!瑞盟科技推出MSA2240電流檢測芯片賦能多元高端測量場景
- 10MHz高頻運行!氮矽科技發布集成驅動GaN芯片,助力電源能效再攀新高
- 失真度僅0.002%!力芯微推出超低內阻、超低失真4PST模擬開關
- 一“芯”雙電!聖邦微電子發布雙輸出電源芯片,簡化AFE與音頻設計
- 一機適配萬端:金升陽推出1200W可編程電源,賦能高端裝備製造
技術文章更多>>
- 算力爆發遇上電源革新,大聯大世平集團攜手晶豐明源線上研討會解鎖應用落地
- 築基AI4S:摩爾線程全功能GPU加速中國生命科學自主生態
- 一秒檢測,成本降至萬分之一,光引科技把幾十萬的台式光譜儀“搬”到了手腕上
- AI服務器電源機櫃Power Rack HVDC MW級測試方案
- 突破工藝邊界,奎芯科技LPDDR5X IP矽驗證通過,速率達9600Mbps
技術白皮書下載更多>>
- 車規與基於V2X的車輛協同主動避撞技術展望
- 數字隔離助力新能源汽車安全隔離的新挑戰
- 汽車模塊拋負載的解決方案
- 車用連接器的安全創新應用
- Melexis Actuators Business Unit
- Position / Current Sensors - Triaxis Hall
熱門搜索
微波功率管
微波開關
微波連接器
微波器件
微波三極管
微波振蕩器
微電機
微調電容
微動開關
微蜂窩
位置傳感器
溫度保險絲
溫度傳感器
溫控開關
溫控可控矽
聞泰
穩壓電源
穩壓二極管
穩壓管
無焊端子
無線充電
無線監控
無源濾波器
五金工具
物聯網
顯示模塊
顯微鏡結構
線圈
線繞電位器
線繞電阻



