汽車48V混動係統的發展駛入快車道
發布時間:2020-01-15 責任編輯:wenwei
【導讀】差不多五年前,美國政府就規定汽車製造商生產的新車和卡車平均油耗要達到54.5mpg(23.17公裏/升),幾乎是平均燃油經濟性的兩倍。隨著電動車與混合動力技術進入快速發展通道,基於48V電源的所謂"微混動力"和"輕混動力"係統的發展也駛入了快車道,原來曾長期使用的12V汽車電氣係統即將結束自己的曆史使命。
48V技術為汽車製造商和駕駛員提供了諸多優勢。它不僅可以減少環境汙染,還能提高發動機性能,最重要的是,能夠提高燃油效率。
隨著新技術的出現,汽車中的電力負荷正呈指數級增長。遠程1955年,汽車製造商推出了12V充電係統,取代了基於6V技術的舊係統。從1955年到二十世紀80年代,雖然一些高效交流發電機的輸出功率最高可以達到0.7kW,但標準交流發電機的輸出功率通常低於0.5kW。今天的汽車需要3.5kW的交流發電機輸出,是原來最高輸出功率的7倍多。
14V交流發電機產生250A的電流,導致最大效率僅為70%。因此,發動機必須額外提供5kW的(de)功(gong)率(lv)。為(wei)了(le)彌(mi)補(bu)這(zhe)一(yi)點(dian),需(xu)要(yao)較(jiao)大(da)的(de)導(dao)體(ti)橫(heng)截(jie)麵(mian)來(lai)提(ti)供(gong)更(geng)大(da)的(de)電(dian)流(liu),從(cong)而(er)增(zeng)加(jia)了(le)車(che)輛(liang)的(de)成(cheng)本(ben)和(he)重(zhong)量(liang)。而(er)重(zhong)量(liang)的(de)增(zeng)加(jia)降(jiang)低(di)了(le)燃(ran)油(you)效(xiao)率(lv),也(ye)提(ti)高(gao)了(le)二(er)氧(yang)化(hua)碳(tan)排(pai)放(fang)量(liang)。
48V係統
進入48V時代後,48V技術實現了一些在12V係統中不現實的功能,包括支持微混和輕混動力係統。這些可同時降低二氧化碳排放量和總體油耗的功能包括:
● 功率超過5kW時的高性能能量回收
● 擴展的啟停功能,如航行或滑行
● 渦輪增壓器和電動助力轉向係統等裝置的電氣化
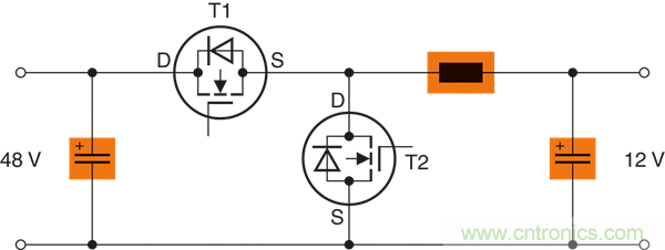
48V係統不隻是現有12V架構的簡單擴展,它使用同時控製12V和48V電壓級別的雙向降壓-升壓轉換器,讓係統能夠處理更高的負載(圖1)。可以把下圖視為油電混動汽車的2.5版。

圖1:12V/48V組合式板載電源的架構(資料來源:TDK)
在這個2.5版本中,12V電源使用標準鉛基電池,48V電源使用鋰離子電池。發電機設置在48V級別,有助於實現更高和更高效的輸出級別。新的實踐經驗規定將雙層電容器並聯以提高儲電能力。
降壓-升壓轉換器
如上所述,12V/48V組合係統的核心部件是降壓-升壓轉換器,它控製兩個電壓級別之間的雙向能量流(圖2)。大多數降壓-升壓轉換器設計用於2kW到5kW之間的輸出功率。

圖2:12V/48V組合係統的降壓-升壓轉換器電路圖(資料來源:TDK)
降壓-升壓轉換器在普通模式下作為降壓轉換器工作,因此在48V係統上產生的功率被正確輸出到12V係統。如果需要的得到48V級別的輸出,將使用升壓模式。通常使用6相或8相的串聯係統將電壓和紋波電流保持在最小值。
為了使降壓-升壓轉換器在惡劣的汽車環境中正常工作,設計師必須使用高質量、可靠的開關晶體管、功率電感和存儲電容。例如,對於轉換器中的存儲和平滑扼流圈,如果設計中需要功率電感,則應使用SMD陶瓷功率電感。除了用於繞組的兩個焊盤外,電源扼流圈還應具有第三個焊盤,以增加PCB上組件的機械穩定性。如果不可能使用SMD電感,也可以使用帶PTH終端的電感。所有組件的工作溫度應設計在-40°C至150°C之間。
抗振電容器
對於降壓-升壓轉換器中的存儲和平滑扼流圈,除電感外,還有其他關鍵元件,即穩健的鋁電解電容器,這些電容器也應在最高150°C的溫度下工作。
這些電容器應符合汽車電子產品的嚴格要求,如TDK的B41689和B41789係列。這些鋁電解電容器的特點是其高達60g的振動強度和焊接星設計。有些電容器兩端都有陰極板觸點,以實現低ESL值的優化安裝。
指定的電容器還應具有低等效串聯電阻(ESR)值,從而提高紋波電流能力並降低損耗。電容器的電容範圍從360µF到4500µF,額定電壓應為25V、40V(對於12V係統)和63V(對於48V係統)。有了這些電壓,它們就能夠用於同時支持兩種電壓水平的新板載電源係統。
電動渦輪增壓器
48V技術提供更多的優點,讓電動渦輪增壓器能夠更高效地驅動發動機(圖3)。zhidaozuijin,chuantongwolunzengyaqidoushiyoufadongjipaichudefeiqiqudong,zheyiweizhesuizhefadongjizhuansudetigao,tamendexingnenghuigenghao。chuantongwolunzengyaqideyigequedianshicongcaixiayoumendaocheziqidongdeshijianshaoyouyanchi。zhezhongyanchibeichengweiwolunyanchi。
48Vxitongtongguoshiyongdiandongchongdianqixiaochulezheyiquexian,shidewolunzengyaqinenggoulijizuochuxiangying,zaijiaodidesuduxiayenenggongzuo,wulunzaichengshidaoluhaishigaosugonglushang,dounengtigaozhengtixiaolv。

圖3:電動渦輪增壓器提高了發動機效率(資料來源:TDK)
事shi實shi上shang,將jiang傳chuan統tong渦wo輪lun增zeng壓ya器qi與yu電dian動dong渦wo輪lun增zeng壓ya器qi相xiang結jie合he,可ke以yi進jin一yi步bu提ti高gao充chong電dian壓ya力li,在zai發fa動dong機ji轉zhuan速su較jiao高gao時shi關guan閉bi電dian動dong充chong電dian器qi,從cong而er節jie省sheng動dong力li並bing提ti高gao整zheng體ti效xiao率lv。
48V技術不僅提高了發動機的性能和效率,而且對那些想要降低油耗的駕駛員也很有吸引力。它可以幫助打造真正裝備精良的汽車,在48V下以0mph到60mph或0kmph到96.56kmph的速度行駛。了解了這項技術提供的所有好處,就不難理解48V電氣係統為何發展得如此之快。
推薦閱讀:
特別推薦
- 噪聲中提取真值!瑞盟科技推出MSA2240電流檢測芯片賦能多元高端測量場景
- 10MHz高頻運行!氮矽科技發布集成驅動GaN芯片,助力電源能效再攀新高
- 失真度僅0.002%!力芯微推出超低內阻、超低失真4PST模擬開關
- 一“芯”雙電!聖邦微電子發布雙輸出電源芯片,簡化AFE與音頻設計
- 一機適配萬端:金升陽推出1200W可編程電源,賦能高端裝備製造
技術文章更多>>
- 貿澤EIT係列新一期,探索AI如何重塑日常科技與用戶體驗
- 算力爆發遇上電源革新,大聯大世平集團攜手晶豐明源線上研討會解鎖應用落地
- 創新不止,創芯不已:第六屆ICDIA創芯展8月南京盛大啟幕!
- AI時代,為什麼存儲基礎設施的可靠性決定數據中心的經濟效益
- 矽典微ONELAB開發係列:為毫米波算法開發者打造的全棧工具鏈
技術白皮書下載更多>>
- 車規與基於V2X的車輛協同主動避撞技術展望
- 數字隔離助力新能源汽車安全隔離的新挑戰
- 汽車模塊拋負載的解決方案
- 車用連接器的安全創新應用
- Melexis Actuators Business Unit
- Position / Current Sensors - Triaxis Hall
熱門搜索
微波功率管
微波開關
微波連接器
微波器件
微波三極管
微波振蕩器
微電機
微調電容
微動開關
微蜂窩
位置傳感器
溫度保險絲
溫度傳感器
溫控開關
溫控可控矽
聞泰
穩壓電源
穩壓二極管
穩壓管
無焊端子
無線充電
無線監控
無源濾波器
五金工具
物聯網
顯示模塊
顯微鏡結構
線圈
線繞電位器
線繞電阻



