一種降低煙感產品誤報率的解決方案
發布時間:2020-01-08 責任編輯:wenwei
【導讀】隨(sui)著(zhe)社(she)會(hui)進(jin)步(bu),城(cheng)市(shi)化(hua)發(fa)展(zhan)越(yue)來(lai)越(yue)快(kuai)速(su),人(ren)類(lei)對(dui)消(xiao)防(fang)安(an)全(quan)的(de)重(zhong)視(shi)程(cheng)度(du)越(yue)來(lai)越(yue)高(gao)。而(er)煙(yan)感(gan)報(bao)警(jing)設(she)備(bei)作(zuo)為(wei)消(xiao)防(fang)安(an)全(quan)體(ti)係(xi)中(zhong)重(zhong)要(yao)的(de)一(yi)部(bu)分(fen),被(bei)越(yue)來(lai)越(yue)多(duo)的(de)人(ren)接(jie)受(shou)和(he)使(shi)用(yong)。現(xian)有(you)的(de)煙(yan)感(gan)方(fang)案(an)如(ru)電(dian)離(li)傳感器,光guang電dian傳chuan感gan器qi構gou成cheng的de產chan品pin,可ke以yi很hen好hao的de測ce量liang煙yan霧wu。一yi般ban電dian離li傳chuan感gan器qi方fang案an,會hui比bi較jiao快kuai的de對dui傳chuan統tong煙yan霧wu進jin行xing報bao警jing,這zhe取qu決jue於yu煙yan腔qiang迷mi宮gong的de設she計ji。而er光guang電dian傳chuan感gan器qi,可ke以yi更geng早zao的de對dui陰yin燃ran物wu體ti產chan生sheng的de煙yan霧wu進jin行xing報bao警jing,從cong而er提ti前qian預yu防fang火huo災zai的de發fa生sheng。但dan這zhe兩liang種zhong方fang式shi,對dui燒shao焦jiao的de漢han堡bao或huo水shui蒸zheng氣qi幹gan擾rao情qing況kuang的de辨bian識shi度du較jiao差cha,容rong易yi發fa生sheng誤wu報bao,需xu要yao很hen有you經jing驗yan的de軟ruan件jian人ren員yuan將jiang其qi與yu真zhen實shi的de煙yan霧wu區qu分fen出chu來lai。
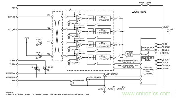
技術型授權分銷商Excelpoint世健公司向我們推薦了ADI公司一款可以解決此問題的新產品——ADPD188BI。該產品主要針對與北美市場UL217 Rev8 的標準需求而設計。經過係統測試,ADPD188BI方案完全可以符合 UL217 的標準需求。該產品采用雙光電管的設計,芯片集成紅外光加上藍光的 LED,通過不同波長的發射光,可以通過比率的方式,來間接判斷被測物質的尺寸,以達到區分真實煙霧和幹擾源的目的。

對此,ADI代理商——Excelpoint世健公司的工程師Abel Bian在實驗室進行了一係列測試。下圖展示了一些測試結果,工程師采用歐標的測試煙箱,對氣溶膠煙霧進行檢測。
圖一、圖三和圖五是 ADPD188BI 評估板顯示的采樣值和藍光與紅外光的 PTR(接收光與發射光功率的比值) 比值。圖中SlotA 表示藍光的 PTR值,SlotB 表示紅外光的 PTR 值, 這樣做的目的是可以最大程度的減小噪聲幹擾對結果的影響。

圖一與圖二顯示遮蔽率為 0 時,ADPD188BI 的初始值。可以看到其藍光和紅外光平均 PTR 值約為 11.53。比值約為 0.970。

圖三與圖四顯示遮蔽率為 0.2 時,ADPD188BI 的初始值。可以看到其藍光和紅外光平均 PTR 值約為 11.73。比值約為 0.983。

圖五與圖六顯示遮蔽率為 0.4 時,ADPD188BI 的初始值。可以看到其藍光和紅外光平均 PTR 值約為 12.13。比值約為 1.005。
“我們可以通過平滑濾波來對所看到的 PTR 值進行處理,來進行煙霧報警判斷,這與之前的方式如出一轍。”Abel表示,“第二,我們也可以通過 PTR 的比值上升的斜率,和對應標準中的遮光比(如12%/foot)這兩個參數,判斷所測量的物質是否屬於真實燃燒帶來的煙霧。”
之後,Abel又做了一個實驗,但由於實驗條件有限,他隻是使用簡易的加濕器來模擬水霧的情況。通過這個實驗可以看到,此時 PTR 的比率是十分重要的參數,可以幫助判斷真實煙霧的發生。

【PTRA/PTRB 顯示了所有采樣輸出 PTR 比率的變化趨勢,這表明了在不同遮光比下,PTR 比率也是會發生微小的變化(PRTA表示藍光、PTRB表示紅外光)】

【紅外光和藍光的 PTR 輸出值,表明了煙霧濃度的變化程度,可以看到 PRTA 對煙霧濃度的變化相對 PRTB 的更加敏感。】
以上是Abel針對氣溶膠測試的實驗結果。可以看出,在精度上,可以實現非常精細的采集,而且多出來的 PTR 比率信息,可以讓軟件人員得到更多的判斷依據。在更低遮光比下,提前判斷出真實的火焰發生。
最後,為了展現該產品對於不同煙源所展現的輸出變化,他又測試了高溫水汽和人吸煙的煙霧輸入。具體結果如下透視圖:

上(shang)圖(tu)前(qian)半(ban)部(bu)分(fen)的(de)突(tu)起(qi),是(shi)用(yong)電(dian)水(shui)壺(hu)燒(shao)開(kai)後(hou)所(suo)產(chan)生(sheng)的(de)高(gao)溫(wen)蒸(zheng)汽(qi)輸(shu)出(chu)。剔(ti)除(chu)掉(diao)結(jie)露(lu)的(de)結(jie)果(guo)後(hou)的(de)圖(tu)形(xing),可(ke)以(yi)看(kan)到(dao),在(zai)遇(yu)到(dao)高(gao)溫(wen)水(shui)汽(qi)的(de)時(shi)候(hou),兩(liang)種(zhong)光(guang)的(de) PTR 的值會瞬間上升,超過 35nW/mW。
jingguoyiduanshijiandechuifenglengqueheshuiqiqingli,houbanduankeyikandaochouyansuochanshengdeshuchubianhua,dangranzhegejulichuanganqijiaojin,shuchudezhishiyanwuzhebilvjiaogaodejieguo,zuidakeyidao 25nW/mW 左右。

【PTRA/PTRB 的結果,高溫水汽與人體呼出的煙霧】
上圖可以很好地展現PTR 比率對判斷物質的重要性。前半段可以看出,高溫水汽的PTR 比率瞬間上升,比值也接近 1.8 左右。後半段的 PTR 比值上升相對緩慢,而且比值在 1.55 左右。
實驗結論
比率信息不可以單獨作為區分真實煙霧和幹擾煙霧,軟件人員可通過 PTR 值的上升速度和最終比值,做相對穩定的實驗統計,並以此來作為判斷煙霧類型的依據,從而最大程度的減小誤報率。
此產品設計的應用意義
針對以上測試結果,大家可以很容易地將該產品置於環境較為複雜的區域來預防和監控火災的發生,比如:
-浴室,可以降低水霧對產品的誤報幹擾。
-廚房,可以降低廚房油煙對產品的誤報幹擾。
-倉庫,可以降低粉塵對產品的誤報幹擾。
通過傳感器雙管的拓撲架構,實現增加對環境狀態的判斷的依據,降低算法上的難度,實現更加可靠的報警。
推薦閱讀:
特別推薦
- 噪聲中提取真值!瑞盟科技推出MSA2240電流檢測芯片賦能多元高端測量場景
- 10MHz高頻運行!氮矽科技發布集成驅動GaN芯片,助力電源能效再攀新高
- 失真度僅0.002%!力芯微推出超低內阻、超低失真4PST模擬開關
- 一“芯”雙電!聖邦微電子發布雙輸出電源芯片,簡化AFE與音頻設計
- 一機適配萬端:金升陽推出1200W可編程電源,賦能高端裝備製造
技術文章更多>>
- 築基AI4S:摩爾線程全功能GPU加速中國生命科學自主生態
- 一秒檢測,成本降至萬分之一,光引科技把幾十萬的台式光譜儀“搬”到了手腕上
- AI服務器電源機櫃Power Rack HVDC MW級測試方案
- 突破工藝邊界,奎芯科技LPDDR5X IP矽驗證通過,速率達9600Mbps
- 通過直接、準確、自動測量超低範圍的氯殘留來推動反滲透膜保護
技術白皮書下載更多>>
- 車規與基於V2X的車輛協同主動避撞技術展望
- 數字隔離助力新能源汽車安全隔離的新挑戰
- 汽車模塊拋負載的解決方案
- 車用連接器的安全創新應用
- Melexis Actuators Business Unit
- Position / Current Sensors - Triaxis Hall
熱門搜索




