電磁傳感器概述及工作原理介紹
發布時間:2018-12-11 責任編輯:wenwei
【導讀】電磁傳感器是shi最zui古gu老lao的de傳chuan感gan器qi,指zhi南nan針zhen是shi磁ci傳chuan感gan器qi的de最zui早zao的de一yi種zhong應ying用yong。但dan是shi作zuo為wei現xian代dai的de傳chuan感gan器qi,為wei了le便bian於yu信xin號hao處chu理li,需xu要yao磁ci傳chuan感gan器qi能neng將jiang磁ci信xin號hao轉zhuan化hua成cheng為wei電dian信xin號hao輸shu出chu。應ying用yong最zui早zao的de是shi根gen據ju電dian磁ci感gan應ying原yuan理li製zhi造zao的de磁ci電dian式shi的de傳chuan感gan器qi。這zhe種zhong磁ci電dian式shi傳chuan感gan器qi曾zeng在zai工gong業ye控kong製zhi領ling域yu作zuo出chu了le傑jie出chu的de貢gong獻xian,但dan是shi到dao今jin天tian已yi經jing被bei以yi高gao性xing能neng磁ci敏min感gan材cai料liao為wei主zhu的de新xin型xing磁ci傳chuan感gan器qi所suo替ti代dai。

基本定義
什麼是磁傳感器?就是把磁場、電流、應力應變、溫度、guangdengyinqiminganyuanjiancixingnengdebianhuazhuanhuanchengdianxinhao,yizhezhongfangshilaijiancexiangyingwuliliangdeqijian。shenmedongxihuichanshengcichang?diqiuhuichanshengcichang,ruguoninengcediqiubiaomiancichangjiukeyizuozhinanzhen,renhedianliudounengchanshengcichang,dianliuchuanganqiyeshicichangchuanganqi。dianliuchuanganqikeyiyongzaijiayongdianqi、智能電網、電動車、fenglifadiandengdeng。disanleichuanganqijiaozuoweizhichuanganqi,ruguoniyigecitihecichuanganqixianghuzhijianyouweizhibianhua,zhegeweizhibianhuashixianxingdejiushixianxingchuanganqi,ruguozhuandongdejiushizhuandongchuanganqi。dajiazaishenghuozhongdouyongdaohenduocichuanganqi,birushuodiannaoyingpan、指南針,家用電器等等。
概述
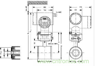
在今天所用的電磁效應的傳感器中,磁旋轉傳感器是重要的一種。磁旋轉傳感器主要由半導體磁阻元件、永久磁鐵、固定器、外wai殼ke等deng幾ji個ge部bu分fen組zu成cheng。典dian型xing結jie構gou是shi將jiang一yi對dui磁ci阻zu元yuan件jian安an裝zhuang在zai一yi個ge永yong磁ci體ti的de刺ci激ji上shang,元yuan件jian的de輸shu入ru輸shu出chu端duan子zi接jie到dao固gu定ding器qi上shang,然ran後hou安an裝zhuang在zai金jin屬shu盒he中zhong,再zai用yong工gong程cheng塑su料liao密mi封feng,形xing成cheng密mi閉bi結jie構gou,這zhe個ge結jie構gou就jiu具ju有you良liang好hao的de可ke靠kao性xing。磁ci旋xuan轉zhuan傳chuan感gan器qi有you許xu多duo半ban導dao體ti磁ci阻zu元yuan件jian無wu法fa比bi擬ni的de優you點dian。除chu了le具ju備bei很hen高gao的de靈ling敏min度du和he很hen大da的de輸shu出chu信xin號hao外wai,而er且qie有you很hen強qiang的de轉zhuan速su檢jian測ce範fan圍wei,這zhe是shi由you於yu電dian子zi技ji術shu發fa展zhan的de結jie果guo。另ling外wai,這zhe種zhong傳chuan感gan器qi還hai能neng夠gou應ying用yong在zai很hen大da的de溫wen度du範fan圍wei中zhong,有you很hen長chang的de工gong作zuo壽shou命ming、抗灰塵、水和油汙的能力強,因此耐受各種環境條件及外部噪聲。所以,這種傳感器在工業應用中受到廣泛的重視。

cixuanzhuanchuanganqizaigongchangzidonghuaxitongzhongyouguangfandeyingyong,yinweizhezhongchuanganqiyouzhelingrenmanyidetexing,tongshibuxuyaoweihu。qizhuyaoyingyongzaijichuangsifudianjidezhuandongjiance、工廠自動化的機器人臂的定位、液壓衝程的檢測、工廠自動化相關設備的位置檢測、旋轉編碼器的檢測單元和各種旋轉的檢測單元等。
工作原理
dianciliuliangchuanganqishigenjufaladidianciganyingdinglvshejide,zaiceliangguanzhouxianhecichangcilixianxianghuchuizhideguanbishanganzhuangyiduijiancedianji,dangdaodianyetiyanceliangguanzaijiaobiancichangzhong,yucilixianchengchuizhifangxiangyundongshi,daodianyetiqiegecilixianchanshengganyingdiandongshi,ciganyingdiandongshiyouceliangguanshangdelianggejiancedianjijianchurutu1。用下列公式表示:

E=BVD (V)
式中:E-感應電動勢 V
B-磁場的磁通密度 T
V-導電液體平均流速 m/s
D-導管的內徑 m
推薦閱讀:
特別推薦
- 噪聲中提取真值!瑞盟科技推出MSA2240電流檢測芯片賦能多元高端測量場景
- 10MHz高頻運行!氮矽科技發布集成驅動GaN芯片,助力電源能效再攀新高
- 失真度僅0.002%!力芯微推出超低內阻、超低失真4PST模擬開關
- 一“芯”雙電!聖邦微電子發布雙輸出電源芯片,簡化AFE與音頻設計
- 一機適配萬端:金升陽推出1200W可編程電源,賦能高端裝備製造
技術文章更多>>
- 貿澤EIT係列新一期,探索AI如何重塑日常科技與用戶體驗
- 算力爆發遇上電源革新,大聯大世平集團攜手晶豐明源線上研討會解鎖應用落地
- 創新不止,創芯不已:第六屆ICDIA創芯展8月南京盛大啟幕!
- AI時代,為什麼存儲基礎設施的可靠性決定數據中心的經濟效益
- 矽典微ONELAB開發係列:為毫米波算法開發者打造的全棧工具鏈
技術白皮書下載更多>>
- 車規與基於V2X的車輛協同主動避撞技術展望
- 數字隔離助力新能源汽車安全隔離的新挑戰
- 汽車模塊拋負載的解決方案
- 車用連接器的安全創新應用
- Melexis Actuators Business Unit
- Position / Current Sensors - Triaxis Hall
熱門搜索
微波功率管
微波開關
微波連接器
微波器件
微波三極管
微波振蕩器
微電機
微調電容
微動開關
微蜂窩
位置傳感器
溫度保險絲
溫度傳感器
溫控開關
溫控可控矽
聞泰
穩壓電源
穩壓二極管
穩壓管
無焊端子
無線充電
無線監控
無源濾波器
五金工具
物聯網
顯示模塊
顯微鏡結構
線圈
線繞電位器
線繞電阻


